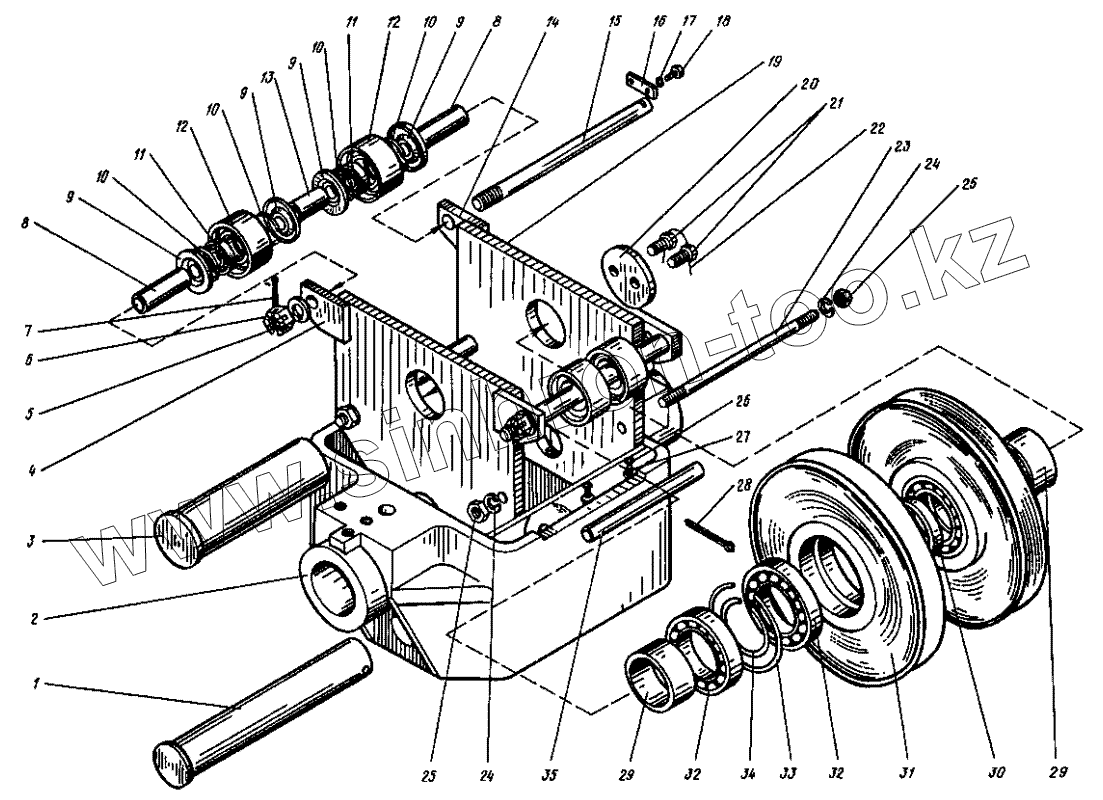
Каталог запасных частей к технике: КМЗ 1 Мая КДЭ-163. Траверса. (29-00050СБ)
1
2
3
4
5
6
7
8
8
9
9
9
9
10
10
10
10
11
11
12
12
13
14
15
16
17
18
19
20
21
22
23
24
24
25
25
26
27
28
29
29
30
31
32
32
33
34
35
| Позиция на иллюстрации | Заводской номер детали | Название детали | |
|---|---|---|---|
| 1 | 29-00050-04 | Валик | |
| 2 | 29-00050-01 | Траверса | |
| 3 | 29-00050-03 | Ось блоков | |
| 4 | 29-00050-07А-01 | Стойка | |
| 5 | 11371 | Шайба 12 | |
| 6 | 5918 | Гайка М12 | |
| 7 | 397 | Шплинт 3,2х32 | |
| 8 | 29-00050-08 | Трубка распорная | |
| 9 | 29-00050-11 | Крышка | |
| 10 | 13943 | Кольцо Б62 | |
| 11 | 8338 | Подшипник 317 | |
| 12 | 29-00050-09 | Ролик | |
| 13 | 29-00050-10 | Трубка распорная | |
| 14 | 29-00050-07А | Стойка | |
| 15 | 29-00050-12А | Ось | |
| 16 | 6119 | Оседержатель | |
| 17 | 6402 | Шайба 12.65Г | |
| 18 | 7798 | Болт М12х25 | |
| 19 | 29-00050-05 | Щека | |
| 20 | 23 | Планка стопорная Дв=65 | |
| 21 | 7798 | Болт М12х25 | |
| 22 | 3282 | Проволока 0,4 L=260 мм | |
| 23 | 11769 | Шпилька AM16х200/44 | |
| 24 | 6402 | Шайба 12.65Г | |
| 25 | 5915 | Гайка М8 | |
| 26 | 6402 | Шайба 12.65Г | |
| 27 | 7798 | Болт М12х25 | |
| 28 | 397 | Шплинт 3,2х32 | |
| 29 | 29-00050-02 | Втулка | |
| 30 | 4-13010-22 | Кольцо распорное | |
| 31 | 29-00040-09 | Блок | |
| 32 | 7242 | Подшипник | |
| 33 | Н-18040-08 | Кольцо пружинное | |
| 34 | Н-18040-16 | Кольцо распорное | |
| 35 | 29-00050-13 | Трубка распорная |
Содержащиеся в справочниках-каталогах запасные части и детали не предлагаются к продаже, а носят исключительно информационный характер