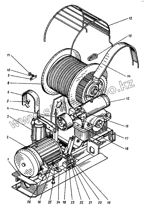
Каталог запасных частей к технике: КМЗ 1 Мая КДЭ-163. Стреловая лебедка. (23-12000)
1
2
3
4
5
6
8
9
10
10
11
12
13
14
15
16
17
18
18
19
20
21
22
23
24
25
26
| Позиция на иллюстрации | Заводской номер детали | Название детали | |
|---|---|---|---|
| 1 | 23-12060 | Рама | |
| 2 | 2-015-007 | Электродвигатель Аос2-62-4 | |
| 3 | 24-1-055 | Тормоз колодочный ТКГ-200 | |
| 4 | 4-12030А | Муфта | |
| 5 | 7-1798 | Болт M10х25 | |
| 6 | 4-12010-07 | Ограждение муфты | |
| 8 | 23-12050 | Барабан | |
| 9 | 6119 | Оседержатель | |
| 10 | 6402 | Шайба 12.65Г | |
| 11 | 7798 | Болт М12х25 | |
| 12 | 23-12040 | Ограждение барабана | |
| 13 | 696 | Клин 21,5 | |
| 14 | 23-12070 | Ограждение | |
| 15 | 23-12020 | Редуктор | |
| 16 | 8789 | Шпонка 20х12 | |
| 17 | 7798 | Болт М12х25 | |
| 18 | 6402 | Шайба 12.65Г | |
| 19 | 3-12010-01 | Прокладка | |
| 20 | 6402 | Шайба 12.65Г | |
| 21 | 5915 | Гайка М8 | |
| 22 | 5915 | Гайка М8 | |
| 23 | 7798 | Болт М12х25 | |
| 24 | 4-12010-06 | Прокладка | |
| 25 | 7798 | Болт М12х25 | |
| 26 | 5915 | Гайка М8 |
Содержащиеся в справочниках-каталогах запасные части и детали не предлагаются к продаже, а носят исключительно информационный характер