Каталог запасных частей к технике: КМЗ 1 Мая КДЭ-163. Система питания. (23-05040)
1
1
2
2
2
3
3
4
5
6
7
7
8
9
10
11
12
13
13
14
15
16
16
17
18
19
20
21
22
23
24
25
25
26
27
28
29
30
31
31
31
32
32
33
34
35
36
37
38
39
40
41
42
43
44
45
45
45
46
46
46
47
47
48
49
50
51
52
53
54
55
56
57
58
59
60
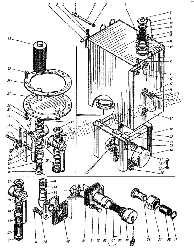
| Позиция на иллюстрации | Заводской номер детали | Название детали | |
|---|---|---|---|
| 1 | 17-05040-10 | Планка | |
| 2 | 6402 | Шайба 12.65Г | |
| 3 | 5915 | Гайка М8 | |
| 4 | 4-0504-40 | Скоба | |
| 5 | 23-05040-50 | Труба | |
| 6 | 23-05040-04 | Гайка | |
| 7 | 7798 | Болт М12х25 | |
| 8 | 23-05042А | Крышка | |
| 9 | 23-05040-25 | Растяжка 0,4 L=300 мм | |
| 10 | 4-05040-21 | Прокладка | |
| 11 | 4-05040-24 | Фильтр | |
| 12 | 7798 | Болт М12х25 | |
| 13 | 6402 | Шайба 12.65Г | |
| 14 | У-29А | Горловина | |
| 15 | 4-05040-20 | Прокладка | |
| 16 | 7798 | Болт М12х25 | |
| 17 | 9833 | Кольцо H1-60х50 | |
| 18 | 176 | Корпус II-50/I | |
| 19 | 6402 | Шайба 12.65Г | |
| 20 | 1491 | Винт 2М5х20 | |
| 21 | 23-05040-01А | Бак топливный | |
| 22 | 23-05040-41/-0 | Подставка | |
| 23 | 4-05040-03-1 | Прокладка | |
| 24 | 4-05040-03 | Прокладка | |
| 25 | 6402 | Шайба 12.65Г | |
| 26 | 26-06-355 | Электронасосный агрегат Ш5-25-3,6/4Б | |
| 27 | 7798 | Болт М12х25 | |
| 28 | 7798 | Болт М12х25 | |
| 29 | 6402 | Шайба 12.65Г | |
| 30 | 23-05040-08 | Платик | |
| 31 | 72 | Хомутик 16-48 | |
| 32 | 23-05040-24А | Рукав | |
| 33 | 5926 | Гайка накидная 32х38 | |
| 34 | 23-05040-24 | Штуцер | |
| 35 | 23-05043 | Заглушка | |
| 36 | 23-05040-27 | Кольцо | |
| 37 | 23-05040-07 | Фильтр | |
| 38 | 23-05040-02 | Штуцер | |
| 39 | 23-05040-10 | Прокладка | |
| 40 | 23-05040-09 | Прокладка | |
| 41 | 7798 | Болт М12х25 | |
| 42 | 23-05040-03 | Угольник | |
| 43 | 23-05040-06 | Рукав | |
| 44 | 23-05040-26 | Штуцер | |
| 45 | 4-05040-27А | Прокладка | |
| 46 | 2608 | Кран 1-3/4 | |
| 47 | 6124 | Контргайка | |
| 48 | 23-05040-29 | Штуцер | |
| 49 | 4-05040-29 | Штуцер | |
| 50 | 4-05040-28А | Труба | |
| 51 | 6815 | Скоба 16 | |
| 52 | 23-05040-12 | Лист | |
| 53 | 4-05040-39 | Уголок | |
| 54 | 5915 | Гайка М8 | |
| 55 | 5915 | Гайка М8 | |
| 56 | 6402 | Шайба 12.65Г | |
| 57 | 4-05040-31А | Крышка | |
| 58 | 4-05040-26 | Прокладка | |
| 59 | 7798 | Болт М12х25 | |
| 60 | 4-05040-25 | Фильтр |
Содержащиеся в справочниках-каталогах запасные части и детали не предлагаются к продаже, а носят исключительно информационный характер