Каталог запасных частей к технике: КМЗ 1 Мая КДЭ-163. Редуктор осевой. (4-09020Б)
1
2
3
4
5
6
7
8
9
10
10
11
11
11
11
12
13
13
13
14
14
14
15
15
16
16
17
18
19
19
20
20
21
21
22
23
24
25
26
27
28
29
30
31
32
33
34
35
36
37
38
39
39
40
41
41
41
42
42
43
44
45
45
46
46
47
47
48
48
49
50
51
52
53
54
55
56
57
58
59
60
61
62
63
64
65
66
67
67
68
69
70
71
72
73
74
75
76
77
78
79
80
81
82
83
84
85
86
87
88
88
89
90
91
92
93
94
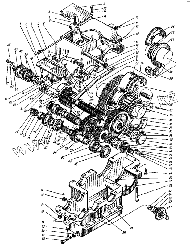
| Позиция на иллюстрации | Заводской номер детали | Название детали | |
|---|---|---|---|
| 1 | 19853 | Масленка 1.2Кд.6 | |
| 2 | 4-09020-41А | Кронштейн | |
| 3 | 17-09020-40 | Скоба | |
| 4 | 23-09020-60 | Труба | |
| 5 | 23-09020-95 | Крышка | |
| 6 | 4-09020-47 | Вилка переключения | |
| 7 | 33 | Шайба стопорная 13 | |
| 8 | 7798 | Болт М12х25 | |
| 9 | 23-09020-51 | Крышка | |
| 10 | 7798 | Болт М12х25 | |
| 11 | 6402 | Шайба 12.65Г | |
| 12 | 4-09020-52 | Прокладка | |
| 13 | 397 | Шплинт 3,2х32 | |
| 14 | 5918 | Гайка М12 | |
| 15 | 397 | Шплинт 3,2х32 | |
| 16 | 5918 | Гайка М12 | |
| 17 | 5026 | Штуцер 11-6х10 | |
| 18 | 4-09020-48 | Втулка переключения | |
| 19 | 6024 | Валик 30Х5х70/63 | |
| 20 | 11371 | Шайба 12 | |
| 21 | 397 | Шплинт 3,2х32 | |
| 22 | 4-09020-38 | Рычаг | |
| 23 | 23-09020-88А | Обойма разъемная | |
| 24 | 23-09020-85А | Полукрышка | |
| 25 | 23-09020-90А | Полукрышка | |
| 26 | 23-09020-01 | Манжета d=160 мм | |
| 27 | 23-09020-92А | Полукольцо | |
| 28 | 23-09020-93А | Полукольцо | |
| 29 | 23-09020-91А | Полукрышка | |
| 30 | 23-09022 | Колесо зубчатое разъемное | |
| 31 | 4-09020-12 | Шпонка специальная | |
| 32 | 23-09020-04 | Подшипник | |
| 33 | 4-09020-11 | Манжета d=170 мм | |
| 34 | 23-09020-86А | Полукольцо | |
| 34 | 23-09020-87А | Полукольцо | |
| 35 | 4-09020-29 | Колесо зубчатое | |
| 36 | 23-09020-84А | Полукрышка | |
| 37 | 23-09020-89А | Обойма разъемная | |
| 38 | 4-09020-83 | Кольцо распорное | |
| 39 | 333 | Подшипник | |
| 40 | 4-09020-28В | Крышка глухая | |
| 41 | 4-09020-56А | Кольцо распорное | |
| 42 | 333 | Подшипник | |
| 43 | 4-09020-25 | Фланец упорный | |
| 44 | 4-09020-26А | Крышка упорная | |
| 45 | 4-09020-73 | Шайба стопорная | |
| 46 | 33 | Шайба стопорная 13 | |
| 47 | 7798 | Болт М12х25 | |
| 48 | 4-09020-74 | Винт регулировочный | |
| 49 | 7798 | Болт М12х25 | |
| 50 | 3128 | Штифт 6Гх30 | |
| 51 | 4-09020-54 | Штифт | |
| 52 | 7798 | Болт М12х25 | |
| 53 | 4-09020-46 | Втулка распорная | |
| 54 | 13943 | Кольцо Б62 | |
| 55 | 8338 | Подшипник 317 | |
| 56 | 4-09020-43А | Шестерня | |
| 57 | 4-09020-45 | Ось | |
| 58 | 23-09020-94 | Корпус редуктора | |
| 59 | 7798 | Болт М12х25 | |
| 60 | 3-12011-07А | Гайка накидная | |
| 61 | 4-09023-01 | Тройник | |
| 62 | 8968 | Контргайка 20 | |
| 63 | 23-12023 | Маслоуказатель | |
| 64 | 4-09021-64 | Болт призонный | |
| 65 | 4-09020-58А | Крышка | |
| 66 | 8752 | Манжета I-80х105-1 | |
| 67 | 8338 | Подшипник 317 | |
| 68 | 4-09020-24Г | Вал-шестерня | |
| 69 | 8752 | Манжета I-80х105-1 | |
| 70 | 4-09020-23В | Крышка | |
| 71 | 4-09020-20Б | Втулка | |
| 72 | 23-09020-98 | Шайба | |
| 73 | 11872 | Шайба 48 | |
| 74 | 41 | Гайка М48х2,8 | |
| 75 | 4-09020-27 | Шестерня | |
| 76 | 4-09020-21А | Колесо зубчатое | |
| 77 | 4-09020-19 | Вал | |
| 78 | 4-09020-18 | Вал | |
| 79 | 4-09020-17А | Крышка глухая | |
| 80 | 397 | Шплинт 3,2х32 | |
| 81 | 5918 | Гайка М12 | |
| 82 | 4-09020-33 | Прокладка | |
| 83 | 4-09020-34/1 | Лист | |
| 84 | 4-06020-36 | Винт | |
| 85 | 4-09020-14А | Крышка упорная | |
| 86 | 4-09020-13А | Фланец упорный | |
| 87 | 4-09020-49 | Опора рычага | |
| 88 | 7798 | Болт М12х25 | |
| 89 | 5915 | Гайка М8 | |
| 90 | 4-09020-16 | Шестерня | |
| 91 | 4-09020-75 | Полукольцо | |
| 92 | У-52 | Пружина | |
| 93 | У-55 | Фиксатор | |
| 94 | У-107 | Крючок-вешалка |
Содержащиеся в справочниках-каталогах запасные части и детали не предлагаются к продаже, а носят исключительно информационный характер