Каталог запасных частей к технике: КМЗ 1 Мая КДЭ-163. Пульт управления. (23-21120)
1
2
2
2
2
3
3
4
4
5
6
7
8
9
10
11
12
13
14
14
14
15
15
15
15
16
17
18
18
19
20
21
22
22
23
23
24
25
25
26
27
28
29
30
31
32
33
34
35
36
37
38
39
40
40
41
42
43
44
45
46
47
48
49
50
51
52
53
54
55
56
57
58
58
59
60
61
62
63
64
65
66
67
68
69
69
70
71
72
73
74
75
76
77
78
79
80
81
82
83
84
85
86
87
88
89
90
91
92
93
94
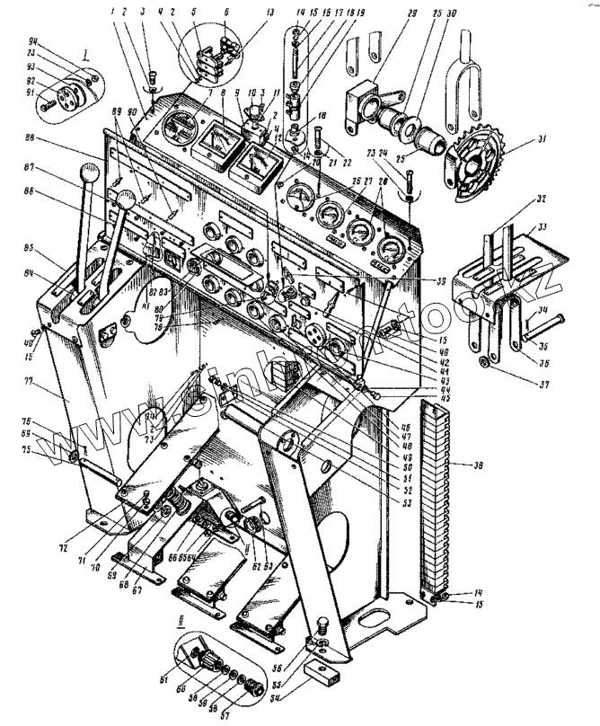
| Позиция на иллюстрации | Заводской номер детали | Название детали | |
|---|---|---|---|
| 1 | 23-21120-38 | Лист панели | |
| 2 | 6402 | Шайба 12.65Г | |
| 3 | 17473 | Винт М4х8 | |
| 4 | 5927 | Гайка М6 | |
| 5 | 16-522.001 | Блоки защиты БЗ-2 | |
| 6 | 16-522.001 | Блоки защиты БЗ-2 | |
| 7 | 51398 | Частотомер В81 | |
| 8 | 25-04-2358 | Вольтметр Э 8027 | |
| 9 | 17-21120-15 | Подставка | |
| 10 | У-122 | Колпачок | |
| 11 | 2023 | Лампа А 24-1 | |
| 12 | 25-04-2358 | Вольтметр Э 8027 | |
| 13 | 17473 | Винт М4х8 | |
| 14 | 5927 | Гайка М6 | |
| 15 | 6402 | Шайба 12.65Г | |
| 16 | 11371 | Шайба 12 | |
| 17 | 11769 | Шпилька AM16х200/44 | |
| 18 | 17-21120-14 | Втулка | |
| 19 | 6513 | Резистор 1 ПЭВ-10-20 | |
| 20 | 16.526.016 | Выключатель В-45М | |
| 21 | 6402 | Шайба 12.65Г | |
| 22 | 17473 | Винт М4х8 | |
| 22 | 17473 | Винт М4х8 | |
| 23 | 6402 | Шайба 12.65Г | |
| 24 | 17473 | Винт М4х8 | |
| 25 | 17-21110-06/4 | Втулка | |
| 26 | 25-04-023 | Вольтметр ВА-240.20-0 | |
| 27 | 25.02.117 | Манометр показывающий МТС-16У-8ш СВД | |
| 28 | 25.02.1617 | Термометр манометрический виброустойчивый ТПП2-В-10 м | |
| 29 | 23-21120-32 | Рычаг | |
| 30 | 23-21120-02/10 | Шайба | |
| 31 | 4-21120-15Г | Звездочка | |
| 32 | 17-21120-37 | Рукоятка | |
| 33 | 23-21120-36 | Крышка | |
| 34 | 397 | Шплинт 3,2х32 | |
| 35 | 6024 | Валик 30Х5х70/63 | |
| 36 | 17-21120-38 | Рукоятка | |
| 37 | 11371 | Шайба 12 | |
| 38 | 16.526.108 | Блок зажимов Б3Н19-2131203 | |
| 39 | 17473 | Винт М4х8 | |
| 40 | Гайка | Гайка | |
| 41 | 16.0.526.001 | Выключатели пакетные ПВ3-25 | |
| 42 | ДУ0242001 ФРМ1-К | Фонари ДУ0242001 ФРМ1-К | |
| 43 | 16.526.407 | Кнопки КЕ 011У3 | |
| 44 | 6402 | Шайба 12.65Г | |
| 45 | 17-21120-12 | Ось | |
| 46 | 37.003.372 | Выключатель ВК 317-А | |
| 47 | 16-526.407 | Кнопки КЕ 011 | |
| 48 | 16-526.407 | Кнопки КЕ 011 | |
| 49 | 16.526.108 | Блок зажимов Б3Н19-2131203 | |
| 50 | 6402 | Шайба 12.65Г | |
| 51 | 7798 | Болт М12х25 | |
| 52 | 17-21110-49 | Оседержатель | |
| 53 | 17-21110-50 | Ось | |
| 54 | 17-21120-04 | Платик | |
| 55 | 6402 | Шайба 12.65Г | |
| 56 | 7798 | Болт М12х25 | |
| 57 | 23-21140-09 | Втулка | |
| 58 | 11371 | Шайба 12 | |
| 59 | 4-21140-12 | Кольцо | |
| 60 | 81 | Штуцер 15Б | |
| 61 | 18147 | Выключатель конечный ВПК 2110 | |
| 62 | 9 | Втулка 19х14 | |
| 63 | 17473 | Винт М4х8 | |
| 64 | 11371 | Шайба 12 | |
| 65 | 5927 | Гайка М6 | |
| 66 | 5927 | Гайка М6 | |
| 67 | 23-21121-02 | Корпус | |
| 68 | 23-21121А-04 | Пружина | |
| 69 | 4-21140-13 | Шайба | |
| 70 | 23-21121А-07 | Шайба | |
| 71 | 17475 | Винт М6х16 | |
| 72 | 23-21121А-01 | Рычаг | |
| 73 | 11371 | Шайба 12 | |
| 74 | 17473 | Винт М4х8 | |
| 75 | 23-21121А-05 | Валик | |
| 76 | 397 | Шплинт 3,2х32 | |
| 77 | 23-21120-02 | Каркас | |
| 78 | 17473 | Винт М4х8 | |
| 79 | 6018 | Скоба № 7 | |
| 80 | 16.526.360 | Выключатель ВУ-222 А93 | |
| 81 | 25-04-2358 | Вольтметр Э 8027 | |
| 82 | 17475 | Винт М6х16 | |
| 83 | 17-526.407 | Кнопка КЕ 012 | |
| 84 | 23-21120-33 | Рычаг | |
| 85 | 23-21120-35 | Крышка | |
| 86 | 16-526.016 | Переключатель ППН-45 | |
| 87 | 16-526.016 | Переключатель ППН-45 | |
| 88 | 23-21120-28 | Лист Панели | |
| 89 | 16.0.526.001 | Выключатели пакетные ПВ3-25 | |
| 90 | 16.0.526.001 | Выключатели пакетные ПВ3-25 | |
| 91 | 20 | Гайка М12 | |
| 92 | 16-526.359 | Розетка штепсельная 46 к | |
| 93 | 4-21143-24 | Прокладка | |
| 94 | 20 | Гайка М12 |
Содержащиеся в справочниках-каталогах запасные части и детали не предлагаются к продаже, а носят исключительно информационный характер