Каталог запасных частей к технике: КМЗ 1 Мая КДЭ-163. Обойма крюковая. (24-13000)
1
2
3
4
4
5
6
7
7
8
9
10
10
10
11
11
12
13
13
14
15
15
16
17
17
18
19
20
21
22
23
24
25
26
27
28
29
30
31
32
33
34
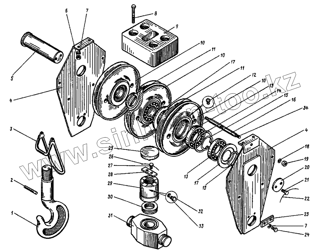
| Позиция на иллюстрации | Заводской номер детали | Название детали | |
|---|---|---|---|
| 1 | 24-13010-21 | Крюк | |
| 2 | 24-13010-28 | Штифт 12х120 | |
| 3 | 24-13010-03 | Скоба | |
| 4 | 24-13010-08 | Щека обоймы | |
| 5 | 5-13010-07А | Ось | |
| 6 | 5915 | Гайка М8 | |
| 7 | 6402 | Шайба 12.65Г | |
| 8 | 7798 | Болт М12х25 | |
| 9 | 24-13010-20 | Груз | |
| 10 | 23-13010-29 | Блок | |
| 11 | 5-13010-15 | Кольцо распорное | |
| 12 | 19853 | Масленка 1.2Кд.6 | |
| 13 | 8338 | Подшипник 317 | |
| 14 | Н-18040-08 | Кольцо пружинное | |
| 15 | Н-18040-16 | Кольцо распорное | |
| 16 | 5-13010-11 | Трубка распорная | |
| 17 | Н-18040-06 | Крышка | |
| 18 | 6402 | Шайба 12.65Г | |
| 19 | 5915 | Гайка М8 | |
| 20 | 23 | Планка стопорная Дв=65 | |
| 21 | 7798 | Болт М12х25 | |
| 22 | 24-13010-26 | Развязка, проволока 0,4 L=250 мм | |
| 23 | 6119 | Оседержатель | |
| 24 | 7798 | Болт М12х25 | |
| 25 | 5-13010-18 | Крышка | |
| 26 | 24-13010-27 | Развязка, проволока 0,4 L=150 мм | |
| 27 | 7798 | Болт М12х25 | |
| 28 | 5-13010-19 | Планка стопорная | |
| 29 | 24-13010-01 | Гайка специальная | |
| 30 | 6874 | Подшипник | |
| 31 | 24-13010-23 | Траверса | |
| 32 | 17473 | Винт М4х8 | |
| 33 | 6402 | Шайба 12.65Г | |
| 34 | 11769 | Шпилька AM16х200/44 |
Содержащиеся в справочниках-каталогах запасные части и детали не предлагаются к продаже, а носят исключительно информационный характер