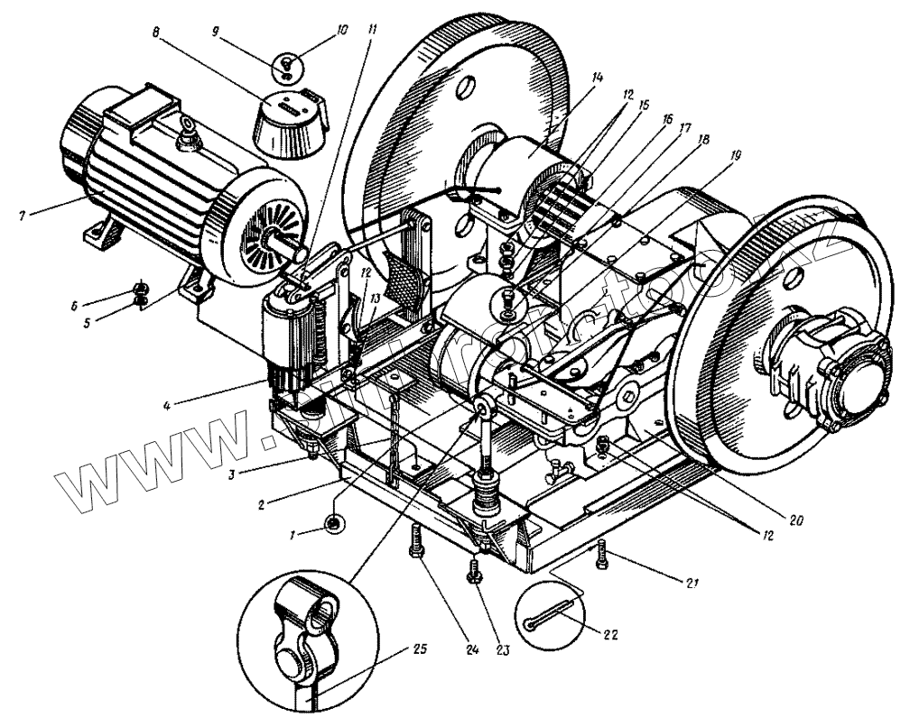
Каталог запасных частей к технике: КМЗ 1 Мая КДЭ-163. Механизм передвижения. (23-09000)
1
2
3
4
5
6
7
8
9
10
11
12
12
12
13
14
15
16
17
18
19
20
21
22
23
24
25
| Позиция на иллюстрации | Заводской номер детали | Название детали | |
|---|---|---|---|
| 1 | 5915 | Гайка М8 | |
| 2 | 4-09060А | Рама | |
| 3 | 4-09090 | Устройство предохранительное | |
| 4 | 24-1-1031 | Тормоз колодочный ТКГ-300 | |
| 5 | 6402 | Шайба 12.65Г | |
| 6 | 5927 | Гайка М6 | |
| 7 | 185 | Электродвигатель МТН-412-8 | |
| 8 | 23-09010-06 | Кожух | |
| 9 | 11371 | Шайба 12 | |
| 10 | 7805 | Болт М6х30 | |
| 11 | 23-09010-04 | Планка | |
| 12 | 5915 | Гайка М8 | |
| 13 | 6402 | Шайба 12.65Г | |
| 14 | 23-09030 | Подшипник осевой | |
| 15 | 7798 | Болт М12х25 | |
| 16 | 7798 | Болт М12х25 | |
| 17 | 6402 | Шайба 12.65Г | |
| 18 | 4-09020-81 | Кожух | |
| 19 | 23-06040 | Муфта тормозная | |
| 20 | 23-09020 | Редуктор осевой | |
| 21 | 7805 | Болт М6х30 | |
| 22 | 397 | Шплинт 3,2х32 | |
| 23 | 7798 | Болт М12х25 | |
| 24 | 7805 | Болт М6х30 | |
| 25 | 23-09070 | Подвеска шарнирная |
Содержащиеся в справочниках-каталогах запасные части и детали не предлагаются к продаже, а носят исключительно информационный характер