Вернуться на главную
Поиск
Каталоги запчастей к технике
Спецтехника
КМЗ
МКСМ-800
Регулятор 750-962052 (МКСМ-800)
Каталог запасных частей к технике: КМЗ МКСМ-800. Регулятор 750-962052 (МКСМ-800)
zoom-in
zoom-out
enlarge
shrink
circle-right
circle-left
file-text2
info
cart
Тип техники
Не выбрано
Легковые автомобили
Грузовые автомобили и прицепы
Автобусы
Сельхозтехника
Спецтехника
Двигатели
Мототехника
Марка
Не выбрано
Ammann
BOMAG
CARMIX
CASE IH
Changlin
ChengGong
Dimex
Doosan
DYNAPAC
Foton
HAMM
Hidromek
Hitachi
Hyundai
JCB
JLG
John Deere
Komatsu
LIEBHERR
LiuGong
Lonking (LongGong)
Luneng
MANITOU
Mitsuber
New Holland
PENGPU
RM-Terex
SANY
SDLG
SEM
Shantui
Shehwa HBXG
Soosan
TIGARBO
VOGELE
Volvo
WAY
WIRTGEN
XCMG
XGMA
Xiamen
YTO
Yuchai
Zoomlion
Автокран
АЗСМ
Алтайлесмаш
Амкодор
АОМЗ
Атек
АТЗ
Балканкар Рекорд
БелАЗ
Беловеж
Борекс
Брянский Арсенал
Булат
ВЭКС
ГАЗ
Геомаш
Гидромаш
Донекс
Дормаш
Дормашина
Дорэлектромаш
ДЭЗ
ЕлАЗ
ЗЗГТ
Ижнефтемаш
Канаш-электрокар
КЗКТ
ККЗ
Клевер
Клинцовский автокрановый завод
КМЗ
КМЗ 1 Мая
Ковровец
Коммаш
Кранэкс
КЭЗ
КЭМЗ
ЛЗА
МАЗ
МЗИК
МЗКМ
МЗКТ
Михневский РМЗ
МоАЗ
Мозырский МЗ
МТЗ
ОЗП
Онежец
ПАО "ТЗА"
ППС Детва
Промтрактор
ПТЗ
Раскат
СпецАгрегат
ТВЭКС
ТТМ
УВЗ
Угличмаш
УЗТМ
ХТЗ
ЧЗКМ
ЧСДМ
ЧТЗ
ЭКСКО
ЭКСМАШ
ЮрМаш
Модель
Не выбрано
КМЗ-012
МКСМ-800
МКСМ-800 (2010)
МКСМ-800Н (2010)
Схема
>
Не выбрано
Технические характеристики
Машина коммунально-строительная многоцелевая 533-9-62-00-000-1К, 533Н-сб2
Машина коммунально-строительная многоцелевая 533-9-62-00-000-1К, 533Н-сб2
Рама в сборе 533-9-62-02-000-1-01К (МКСМ-800)
Рама в сборе 533Н-02-сб1 (МКСМ-800Н)
Рама в сборе 533-9-62-02-000-1-01К
Рама в сборе 533-9-62-02-000-1-01К
Кабина 533-9-62-81-010-1К (МКСМ-800Н)
Кабина 533Н-81-сб1 (МКСМ-800Н)
Кабина 533-9-62-81-010-1К (МКСМ-800)
Кабина 533Н-81-сб1 (МКСМ-800Н)
Кабина 533-9-62-81-010-1К (МКСМ-800)
Кабина 533Н-81-сб1 (МКСМ-800Н)
Кабина 533-9-62-81-010-1К (МКСМ-800)
Кабина 533Н-81сб1 (МКСМ-800Н)
Кабина 533-9-62-81-010-1К (МКСМ-800)
Кабина 533Н-81-сб1 (МКСМ-800Н)
Кабина 533-9-62-81-010-1К, 533Н-81-сб1
Кабина 533-9-62-81-010-1К, 533Н-81-сб1
Кабина 533-9-62-81-010-1К, 533Н-81-сб1
Кабина 533-9-62-81-010-1К, 533Н-81-сб1
Окно левое 533-9-62-81-898-1К
Окно 533-9-62-81-1080-1К
Окно правое 533-9-62-81-899-1К
Окно 533-9-62-81-1080-1-01К
Окно 533-9-62-81-1080-1-01К
Дверь 533-9-62-81-1054-1К
Сайлентблок 533-9-62-81-470-1К
Шумоизоляция кабины 533-9-62-32-010-1К (МКСМ-800)
Шумоизоляция кабины 533Н-32-сб1 (МКСМ-800Н)
Шумоизоляция кабины 533-9-62-32-010-1К (МКСМ-800)
Шумоизоляция кабины 533Н-32-сб1 (МКСМ-800Н)
Сиденье 533-9-62-44-000-1К
Сиденье 533-9-62-44-000-1К
Сиденье 533-9-62-44-000-1К
Сиденье 533-9-62-44-000-1К
Сиденье 533-9-62-44-000-1К
Оборудование рабочее 533-9-62-25-000-1-01К
Оборудование рабочее 533-9-62-25-000-1-01К
Быстрозажим 53 3-9-62-25-130-1-01К
Кузов 533-9-62-30-000-1К (МКСМ-800)
Кожух задний 533-9-62-30-001-2К (МКСМ-800)
Капот 533-9-62-30-030-1К (МКСМ-800)
Кожух 533-9-62-30-075-1К (МКСМ-800)
Кузов 533Н-30-сб1 (МКСМ-800Н)
Кожух задний 533Н-30-сб109 (МКСМ-800Н)
Капот 533Н-30-сб107 (МКСМ-800Н)
Кожух 533Н-30-сб104 (МКСМ-800Н)
Крылья 533-9-62-31-203-1К
Крыло правое 533-9-62-31-204-1К
Крыло левое 533-9-62-31-205-1К
Замок 533-9-62-31-195-1К
Установка силового блока 533-9-62-07-000-1К (МКСМ-800)
Установка силового блока 533-9-62-07-000-1К (МКСМ-800)
Установка силового блока 533-9-62-07-000-1К (МКСМ-800)
Установка силового блока 533-9-62-07-000-1К (МКСМ-800)
Установка силового блока 533-9-62-07-000-1К (МКСМ-800)
Установка силового блока 533-9-62-07-000-1К (МКСМ-800)
Установка силового блока 533-9-62-07-000-1К (МКСМ-800)
Глушитель в сборе 533-9-62-07-029-1К (МКСМ-800)
Подвеска передняя 533-9-62-07-070-1К (МКСМ-800)
Подвеска 533-9-62-07-125-1К (МКСМ-800)
Кожух вентилятора 533-9-62-07-085-1К, Вентилятор 533-9-62-07-235-1К (МКСМ-800)
Воздухоочиститель 533-9-62-07-207-1К (МКСМ-800)
Силовой блок 533-9-62-08-000-1К (МКСМ-800)
Привод насосов 533-9-62-20-000-1К (МКСМ-800)
Привод насосов 533-9-62-20-000-1К (МКСМ-800)
Привод насосов 533-9-62-20-000-1К (МКСМ-800)
Сцепление 533-9-62-20-001-1К (МКСМ-800)
Двигатель "Зетор" Z5201.22 (МКСМ-800)
Картер двигателя (МКСМ-800)
Картер двигателя (МКСМ-800)
Картер двигателя (МКСМ-800)
Картер двигателя (МКСМ-800)
Кривошипное устройство (МКСМ-800)
Кривошипное устройство (МКСМ-800)
Кривошипное устройство (МКСМ-800)
Распределение (МКСМ-800)
Распределение (МКСМ-800)
Головка цилиндра (МКСМ-800)
Головка цилиндра (МКСМ-800)
Водяной насос (МКСМ-800)
Система смазки (МКСМ-800)
Насос масляный 4001 0797 (МКСМ-800)
Двухступенчатый масляный фильтр 95 0705 (МКСМ-800)
Впрыскивающий комплект 5201 1023 (МКСМ-800)
Впрыскивающий комплект 5201 1023 (МКСМ-800)
Впрыскивающий комплект 5201 1023 (МКСМ-800)
Насос впрыскивающий 750-961052 (МКСМ-800)
Насос впрыскивающий 750-961052 (МКСМ-800)
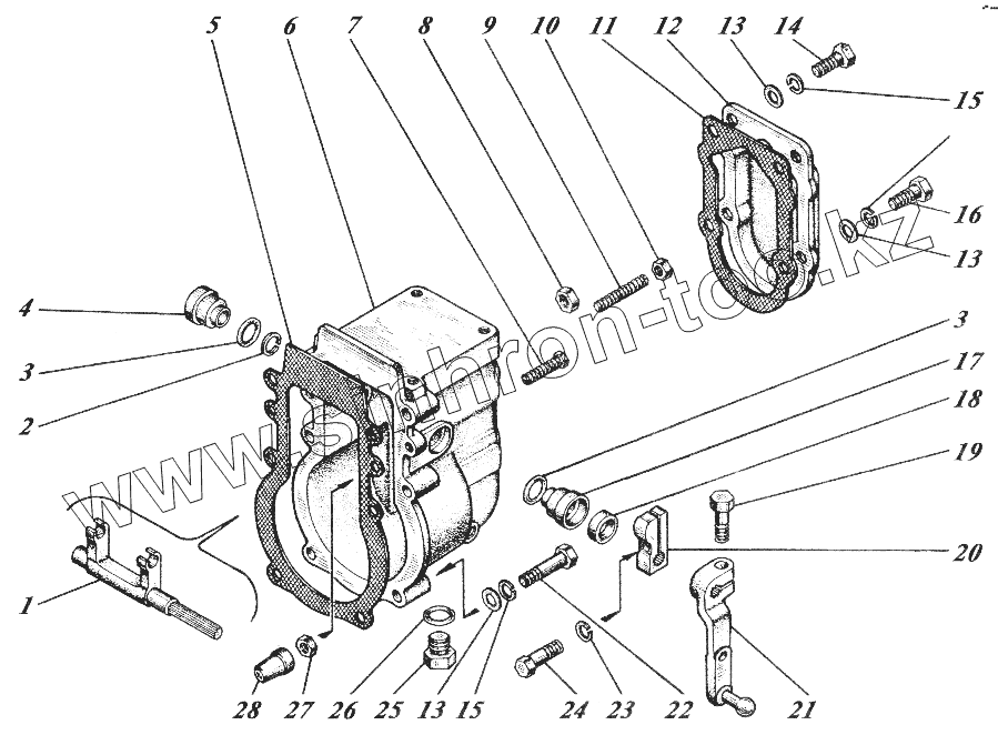
Регулятор 750-962052 (МКСМ-800)
Регулятор 750-962052 (МКСМ-800)
Регулятор 750-962052 (МКСМ-800)
Фильтр топливный одноступенчатый 73.009.094 (МКСМ-800)
Впрыскиватель 750-966055 (МКСМ-800)
Подающий насос 750-965050 (МКСМ-800)
Фильтр топливный 336-968000 (МКСМ-800)
Крышка для двигателя без компрессора. Подшипник коленчатого вала (МКСМ-800)
Установка силового блока 533Н-07-сб1 (МКСМ-800Н)
Установка силового блока 533Н-07-сб1 (МКСМ-800Н)
Установка силового блока 533Н-07-сб1 (МКСМ-800Н)
Установка силового блока 533Н-07-сб1 (МКСМ-800Н)
Установка силового блока 533Н-07-сб1 (МКСМ-800Н)
Установка силовка блока 533Н-07-сб1 (МКСМ-800Н)
Глушитель в сборе 533Н-07-сб109 (МКСМ-800Н)
Блок силовой 533Н-08-сб1 (МКСМ-800Н)
Блок силовой 533Н-08-сб1 (МКСМ-800Н)
Привод насосов 533Н-20-сб1 (МКСМ-800Н)
Привод насосов 533Н-20-сб1 (МКСМ-800Н)
Привод насосов 533Н-20-сб1 (МКСМ-800Н)
Диск ведомый 533Н-20-сб102 (МКСМ-800Н)
Установка коробок передач 533-9-62-09-000-1К (МКСМ-800)
Коробка передач 533-9-34-09-500-2К (МКСМ-800)
Коробка передач 533-9-34-09-500-2К (МКСМ-800)
Коробка передач 533-9-34-09-500-2К (МКСМ-800)
Коробка передач 533-9-34-09-500-2К (МКСМ-800)
Коробка передач 533-9-34-09-500-2К (МКСМ-800)
Коробка передач 533-9-34-09-000-2К (МКСМ-800)
Коробка передач 533-9-34-09-000-2К (МКСМ-800)
Коробка передач 533-9-34-09-000-2К (МКСМ-800)
Коробка передач 533-9-34-09-000-2К (МКСМ-800)
Коробка передач 533-9-34-09-000-2К (МКСМ-800)
Шестерня 533-9-34-09-001-ЗК (МКСМ-800)
Шестерня 533-9-34-09-381-1К. Шестерня 533-9-34-09-380-1К (МКСМ-800)
Установка коробок передач 533Н-09-сб1 (МКСМ-800Н)
Коробка передач левая 533Н-09-сб102 (МКСМ-800Н)
Коробка передач левая 533Н-09-сб102 (МКСМ-800Н)
Коробка передач левая 533Н-09-сб102 (МКСМ-800Н)
Коробка передач левая 533Н-09-сб102 (МКСМ-800Н)
Коробка передач левая 533Н-09-сб102 (МКСМ-800Н)
Коробка передач правая 533Н-09-сб101 (МКСМ-800Н)
Коробка передач правая 533Н-09-сб101 (МКСМ-800Н)
Коробка передач правая 533Н-09-сб101 (МКСМ-800Н)
Коробка передач правая 533Н-09-сб101 (МКСМ-800Н)
Коробка передач правая 533Н-09-сб101 (МКСМ-800Н)
Коробка передач левая 533Н-09-сб102. Коробка передач правая 533Н-09-сб101. (МКСМ-800Н)
Установка колес 533-9-62-79-008-1К
Топливная система 533-9-62-15-000-1К (МКСМ-800)
Бак топливный 533-9-62-15-001-1К (МКСМ-800)
Впрыскивающий комплект 5201 1023 (МКСМ-800)
Топливная система 533Н-15-сб1 (МКСМ-800Н)
Бак топливный 533Н-15-сб101 (МКСМ-800Н)
Система охлаждения 533-9-62-22-000-ЗК (МКСМ-800)
Система охлаждения 533-9-62-22-000-ЗК (МКСМ-800)
Система охлаждения 533-9-62-22-000-ЗК (МКСМ-800)
Система охлаждения 533-9-62-22-000-ЗК (МКСМ-800)
Верхний кожух 533-9-62-22-020-2К. Нижний кожух 533-9-62-22-030-2К. (МКСМ-800)
Термостат 533-9-62-22-164-1К (МКСМ-800)
Термостат 533-9-62-22-156-1К (МКСМ-800)
Установка радиатора 533Н-22-сб1 (МКСМ-800Н)
Установка радиатора 533Н-22-сб1 (МКСМ-800Н)
Термостат 533-9-62-22-156-1К (МКСМ-800Н)
Отопление 533-9-62-37-000-2К (МКСМ-800)
Отопление 533-9-62-37-000-2К (МКСМ-800)
Отопление 533-9-62-37-000-2К (МКСМ-800)
Отопление 533-9-62-37-000-2К (МКСМ-800)
Отопление 533-9-62-37-000-2К (МКСМ-800)
Отопление 533-9-62-37-000-2К (МКСМ-800)
Обдувочный аппарат 533-9-62-37-085-1К (МКСМ-800)
Система отопления 533Н-84-сб1 (МКСМ-800Н)
Система отопления 533Н-84-сб1 (МКСМ-800Н)
Система отопления 533Н-84-сб1 (МКСМ-800Н)
Система отопления 533Н-84-сб1 (МКСМ-800Н)
Кожух с уплотнением 533Н-84-сб106 (МКСМ-800Н)
Система топливная отопителя "Airtronick" (МКСМ-800Н)
Управление 533-9-62-21-000-ЗК
Управление ходовой частью 533-9-62-21-001-ЗК
Управление ходовой частью 533-9-62-21-001-ЗК
Управление ходовой частью 533-9-62-21-001-ЗК
Управление распределителем 533-9-62-21-200-2К
Управление распределителем 533-9-62-21-200-2К
Управление распределителем 533-9-62-21-200-2К
Управление распределителем 533-9-62-21-200-2К
Привод управления муфтой редуктора 533-9-62-21-860-1К
Управление топливным насосом 533-9-62-21-450-1К (МКСМ-800)
Управление топливным насосом 533-9-62-21-450-1К (МКСМ-800)
Управление топливным насосом 533-9-62-21-450-1К (МКСМ-800)
Управление топливным насосом 533Н-21-сб101 (МКСМ-800Н)
Управление топливным насосом 533Н-21-сб101 (МКСМ-800Н)
Управление топливным насосом 533Н-21-сб101 (МКСМ-800Н)
Управление топливным насосом 533Н-21-сб101 (МКСМ-800Н)
Управление топливным насосом 533Н-21-сб101 (МКСМ-800Н)
Опрокидывание кабины 533-9-62-21-650-2К
Управление стояночным тормозом и блокировками 533-9-62-21-880-1К
Управление стояночным тормозом и блокировками 533-9-62-21-880-1К
Управление стояночным тормозом и блокировками 533-9-62-21-880-1К
Управление стояночным тормозом и блокировками 533-9-62-21-880-1К
Рычаг предохранительный 533-9-62-21-551-1К
Блок клапанов 533-9-62-21-832-1К
Электрооборудование 533-9-62-33-500-1К (МКСМ-800)
Электрооборудование 533-9-62-33-500-1К (МКСМ-800)
Электрооборудование 533-9-62-33-500-1К (МКСМ-800)
Электрооборудование 533-9-62-33-500-1К (МКСМ-800)
Электрооборудование 533-9-62-33-500-1К (МКСМ-800)
Электрооборудование 533-9-62-33-500-1К (МКСМ-800)
Электрооборудование 533-9-62-33-500-1К (МКСМ-800)
Электрооборудование 533-9-62-33-500-1К (МКСМ-800)
Электрооборудование 533-9-62-33-500-1К (МКСМ-800)
Провода кабины 533-9-62-33-501-1К (МКСМ-800)
Панель правая 533-9-62-33-502-1К (МКСМ-800)
Панель левая 533-9-62-33-302-4К (МКСМ-800)
Панель левая 533-9-62-33-302-4К (МКСМ-800)
Электрооборудование 533Н-33-сб1 (МКСМ-800Н)
Электрооборудование 533Н-33-сб1 (МКСМ-800Н)
Электрооборудование 533Н-33-сб1 (МКСМ-800Н)
Электрооборудование 533Н-33-сб1 (МКСМ-800Н)
Электрооборудование 533Н-33-сб1 (МКСМ-800Н)
Электрооборудование 533Н-33-сб1 (МКСМ-800Н)
Электрооборудование 533Н-33-сб1 (МКСМ-800Н)
Электрооборудование 533Н-33-сб1 (МКСМ-800Н)
Электрооборудование 533Н-33-сб1 (МКСМ-800Н)
Провода кабины 533Н-33-сб101 (МКСМ-800Н)
Панель правая 533Н-33-сб10З (МКСМ-800Н)
Панель правая 533Н-33-сб-103 (МКСМ-800Н)
Панель левая 533Н-33-сб102 (МКСМ-800Н)
Панель левая 533Н-33-сб102 (МКСМ-800Н)
Гидравлическая система 533-9-62-19-000-4К-04. Гидравлическая система 533-9-62-19-000-6К. (МКСМ-800)
Гидравлическая система 533-9-62-19-000-5К (МКСМ-800)
Гидравлическая система 533Н-19сб1 (МКСМ-800Н)
Гидравлическая система рабочего оборудования 533-9-62-19-000-4К-04, 533-9-62-19-000-6К (МКСМ-800)
Гидравлическая система рабочего оборудования 533-9-62-19-000-5К (МКСМ-800)
Гидравлическая система рабочего оборудования 533Н-19сб1 (МКСМ-800Н)
Гидравлическая система 533-9-62-19-000-4К-04, 533-9-62-19-000-6К (МКСМ-800)
Гидравлическая система 533-9-62-19-000-5К (МКСМ-800)
Гидравлическая система 533Н-19сб1 (МКСМ-800Н)
Гидравлическая система 533-9-62-19-000-4К-04, 533-9-62-19-000-6К (МКСМ-800)
Гидравлическая система 533-9-62-19-000-5К (МКСМ-800)
Гидравлическая система 533-9-62-19-000-5К (МКСМ-800)
Гидравлическая система 533-9-62-19-000-4К-04, 533-9-62-19-000-6К (МКСМ-800)
Гидравлическая система 533-9-62-19-000-5К (МКСМ-800)
Гидравлическая система 533-9-62-19-000-4К-04, 533-9-62-000-5К, 533-9-62-19-000-6К, 533Н-19сб1
Гидравлическая система 533-9-62-19-000-4К-04, 533-9-62-000-5К, 533-9-62-19-000-6К, 533Н-19сб1
Гидравлическая система 533-9-62-19-000-4К-04, 533-9-62-19-000-6К, 533Н-19сб1
Гидравлическая система 533-9-62-19-000-5К (МКСМ-800)
Гидравлическая система 533-9-62-19-000-4К-04, 533-9-62-000-5К, 533-9-62-19-000-6К, 533Н-19сб1
Гидравлическая система 533-9-62-19-000-4К-04, 533-9-62-000-5К, 533-9-62-19-000-6К, 533Н-19сб1
Гидравлическая система 533-9-62-19-000-4К-04, 533-9-62-000-5К, 533-9-62-19-000-6К, 533Н-19сб1
Гидравлическая система 533-9-62-19-000-4К-04, 533-9-62-19-000-6К, 533Н-19сб1
Гидравлическая система 533-9-62-19-000-5К (МКСМ-800)
Гидравлическая система 533-9-62-19-000-4К-04, 533-9-62-19-000-6К, 533Н-19сб1
Гидравлическая система 533-9-62-19-000-5К (МКСМ-800)
Гидравлическая система ходовой части 533-9-62-000-4К-04 (МКСМ-800)
Гидравлическая система ходовой части 533-9-62-000-5К (МКСМ-800)
Гидравлическая система ходовой части 533-9-62-000-6К (МКСМ-800)
Гидравлическая система ходовой части 533Н-19сб1 (МКСМ-800Н)
Гидравлическая система 533-9-62-19-000-4К-04, 533-9-62-19-000-6К (МКСМ-800)
Гидравлическая система 533-9-62-19-000-5К (МКСМ-800)
Гидравлическая система 533Н-19сб1 (МКСМ-800)
Гидравлическая система 533-9-62-19-000-4К-04, 533Н-19сб1
Гидравлическая система 533-9-62-19-000-5К (МКСМ-800)
Гидравлическая система 533-9-62-19-000-6К (МКСМ-800)
Гидравлическая система 533-9-62-19-000-4К-04, 533-9-62-19-000-6К, 533Н-19сб1
Гидравлическая система 533-9-62-19-000-5К (МКСМ-800)
Гидравлическая система 533-9-62-19-000-4К-04, 533-9-62-19-000-6К, 533Н-19сб1
Гидравлическая система 533-9-62-19-000-5К (МКСМ-800)
Гидравлическая система 533-9-62-19-000-4К-04, 533-9-62-19-000-6К, 533Н-19сб1
Гидравлическая система 533-9-62-19-000-5К (МКСМ-800)
Гидравлическая система 533-9-62-19-000-4К-04, 533-9-62-19-000-6К, 533Н-19сб1
Гидравлическая система 533-9-62-19-000-5К (МКСМ-800)
Гидравлическая система 533-9-62-19-000-4К-04, 533-9-62-19-000-5К, 533Н-19сб1
Гидравлическая система 533-9-62-19-000-6К (МКСМ-800)
Гидравлическая система 533-9-62-19-000-4К-04, 533-9-62-19-000-6К (МКСМ-800)
Гидравлическая система 533-9-62-19-000-5К (МКСМ-800)
Гидравлическая система 533Н-19сб1 (МКСМ-800Н)
Клапан 533-9-62-19-1259-1К (МКСМ-800)
Бак гидравлический 533Н-19-сб102
Бак гидравлический 533Н-19-сб102 (МКСМ-800Н)
Насос 533-9-62-19-917-2К
Бак гидравлический 533-9-62-19-1211-1К (МКСМ-800)
Бак гидравлический 533-9-62-19-1211-1К (МКСМ-800)
Фильтр 533-9-62-19-895-2К
Датчик 533-9-62-19-1145-1К
Фильтр напорный 533-9-62-19-1245-1К
Датчик 533-9-62-19-1247-1К
Полумуфта наружная 533-9-62-19-932-1К
Полумуфта внутренняя 533-9-62-19-933-1К
Гидроцилиндр 533-9-62-19-1154-1К
Гидроцилиндр 533-9-62-19-1156-1К
Гидроцилиндр 533-9-62-19-1156-1-01К
Гидроцилиндр 533-9-62-19-1230-1К
Гидроцилиндр 533-9-62-19-1232-1К
Гидроцилиндр 533-9-62-19-1232-1-01К
Комплект прокладок на двигатель "Зетор" 5201
750-962052
1
2
3
3
4
5
6
7
8
9
10
11
12
13
13
13
14
15
15
16
17
18
19
20
21
22
23
24
25
26
27
28
Позиция на иллюстрации
Заводской номер детали
Название детали
750-962052
750-962052
Регулятор
1
754-962201
Вал эксцентриковый
2
753-962712
Шайба
3
754-961802
Уплотнение
4
754-962290
Подшипник
5
754-962850
Уплотнение
6
754-962108
Ящик регулятора
7
754-962605
Винт
8
992-401426
Гайка
9
335-962600
Винт
10
992-401425
Гайка
11
754-962851
Уплотнение
12
754-962851
Крышка
13
310-961730
Шайба
14
973-166018
Болт
15
992-741486
Шайба
16
973-066018
Болт
17
754-962307
Подшипник
18
954-011105
Манжета
19
971-266018
Болт
20
314-962481
Палец
21
750-962500
Рычаг
22
974-866030
Болт
23
994-744486
Шайба
24
971-066014
Болт
25
310-962651
Пробка
26
933-821014
Кольцо уплотнительное
27
992-401466
Гайка
28
397-962173
Крышка
Содержащиеся в справочниках-каталогах запасные части и детали не предлагаются к продаже, а носят исключительно информационный характер
Дополнительная информация
×
Название:
Номер:
Примечание: