Вернуться на главную
Поиск
Каталоги запчастей к технике
Спецтехника
КМЗ
МКСМ-800
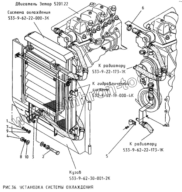
Установка системы охлаждения
Каталог запасных частей к технике: КМЗ МКСМ-800. Установка системы охлаждения
zoom-in
zoom-out
enlarge
shrink
circle-right
circle-left
file-text2
info
cart
Тип техники
Не выбрано
Легковые автомобили
Грузовые автомобили и прицепы
Автобусы
Сельхозтехника
Спецтехника
Двигатели
Мототехника
Марка
Не выбрано
Ammann
BOMAG
CARMIX
CASE IH
Changlin
ChengGong
Dimex
Doosan
DYNAPAC
Foton
HAMM
Hidromek
Hitachi
Hyundai
JCB
JLG
John Deere
Komatsu
LIEBHERR
LiuGong
Lonking (LongGong)
Luneng
MANITOU
Mitsuber
New Holland
PENGPU
RM-Terex
SANY
SDLG
SEM
Shantui
Shehwa HBXG
Soosan
TIGARBO
VOGELE
Volvo
WAY
WIRTGEN
XCMG
XGMA
Xiamen
YTO
Yuchai
Zoomlion
Автокран
АЗСМ
Алтайлесмаш
Амкодор
АОМЗ
Атек
АТЗ
Балканкар Рекорд
БелАЗ
Беловеж
Борекс
Брянский Арсенал
Булат
ВЭКС
ГАЗ
Геомаш
Гидромаш
Донекс
Дормаш
Дормашина
Дорэлектромаш
ДЭЗ
ЕлАЗ
ЗЗГТ
Ижнефтемаш
Канаш-электрокар
КЗКТ
ККЗ
Клевер
Клинцовский автокрановый завод
КМЗ
КМЗ 1 Мая
Ковровец
Коммаш
Кранэкс
КЭЗ
КЭМЗ
ЛЗА
МАЗ
МЗИК
МЗКМ
МЗКТ
Михневский РМЗ
МоАЗ
Мозырский МЗ
МТЗ
ОЗП
Онежец
ПАО "ТЗА"
ППС Детва
Промтрактор
ПТЗ
Раскат
СпецАгрегат
ТВЭКС
ТТМ
УВЗ
Угличмаш
УЗТМ
ХТЗ
ЧЗКМ
ЧСДМ
ЧТЗ
ЭКСКО
ЭКСМАШ
ЮрМаш
Модель
Не выбрано
КМЗ-012
МКСМ-800
МКСМ-800 (2010)
МКСМ-800Н (2010)
Схема
>
Не выбрано
Кузов
Крепление кабины
Стеклоочиститель и дверь
Окно правое
Окно левое
Сиденье и бачок омывателя
Коробка и лист пола кабины
Стеклоочиститель задний
Элементы кабины
Противосолнечный козырек
Козырек противосолнечный
Шумоизоляция кабины
Зеркало
Замок
Опрокидывание кабины
Сиденье
Подушка
Подушка
Отопление
Подключение к двигателю
Уплотнения и прокладки
Фильтр
Крылья
Крыло правое
Крыло левое
Установка двигателя
Установка подвесок, трубопровода и передаточного звена
Установка вентилятора
Установка генератора
Установка воздухоочистителя
Установка глушителя
Установка генератора и стартера
Топливная система
Бак топливный
Установка системы охлаждения
Установка радиаторов
Термостат и рукава системы охлаждения
Силовой блок
Привод насосов
Сцепление
Установка коробок передач
Коробка передач
Шестерня
Рама в сборе
Установка колес
Управление распределителем
Управление сцеплением
Управление топливным насосом
Управление ходовой частью
Управление стояночным тормозом
Рычаг предохранительный
Клапан
Электрооборудование
Установка проблескового фонаря и плафонов освещения кабины
Панель левая
Панель правая
Установка передней рабочей фары и звукового сигнала
Установка передних фонарей и фар
Установка АКБ и контактора массы
Установка задних фонарей, фары и звукового сигнала
Монтаж розетки внешнего запуска и тахометра
Розетка внешнего запуска
Установка датчиков и провода заземления двигателя
Подключение генератора и стартера
Подключение генератора и стартера
Установка гидравлической системы рабочего оборудования
Установка распределителя
Установка бака гидравлической системы
Установка насоса рабочего оборудования
Установка гидроцилиндров стрелы
Установка гидроцилиндров ковша
Установка фильтра
Полумуфта наружная
Полумуфта внутренняя
Установка гидравлической системы ходовой части
Оборудование рабочее
Установка тяг, рычагов и пальцев
Стрела
Быстрозажим
Ковш
Комплект ЗИП одиночный для погрузчика
1
2
3
4
5
6
7
8
9
9
10
10
Позиция на иллюстрации
Заводской номер детали
Название детали
533-9-62-22-000-3К
533-9-62-22-000-3К
Система охлаждения
1
Болт М8-6gХ30.46.019 ГОСТ 7796-70
Болт М8-6gХ30.46.019 ГОСТ 7796-70
2
533-0-62-22-148-1К
Болт
3
Гайка М8-6Н.6.019 ГОСТ 5915-70
Гайка М8-6Н.6.019 ГОСТ 5915-70
4
Гайка М12-6Н.6.019 ГОСТ 5915-70
Гайка М12-6Н.6.019 ГОСТ 5915-70
5
672-54-9-29
Хомут
6
672-54-сб2-10
Хомут универсальный
7
Шайба 8Т 65Г 06 ГОСТ 6402-70
Шайба 8Т 65Г 06 ГОСТ 6402-70
8
Шайба 12 ОТ 65Г 06 ГОСТ 6402-70
Шайба 12 ОТ 65Г 06 ГОСТ 6402-70
9
Шайба 8.01.0118 ГОСТ 11371-78
Шайба 8.01.0118 ГОСТ 11371-78
9
Шайба 8.02.0118 ГОСТ 11371-78
Шайба 8.02.0118 ГОСТ 11371-78
10
Шайба 12.01.0118 ГОСТ 11371-78
Шайба 12.01.0118 ГОСТ 11371-78
10
Шайба 12.02.0118 ГОСТ 11371-78
Шайба 12.02.0118 ГОСТ 11371-78
Содержащиеся в справочниках-каталогах запасные части и детали не предлагаются к продаже, а носят исключительно информационный характер
Дополнительная информация
×
Название:
Номер:
Примечание: