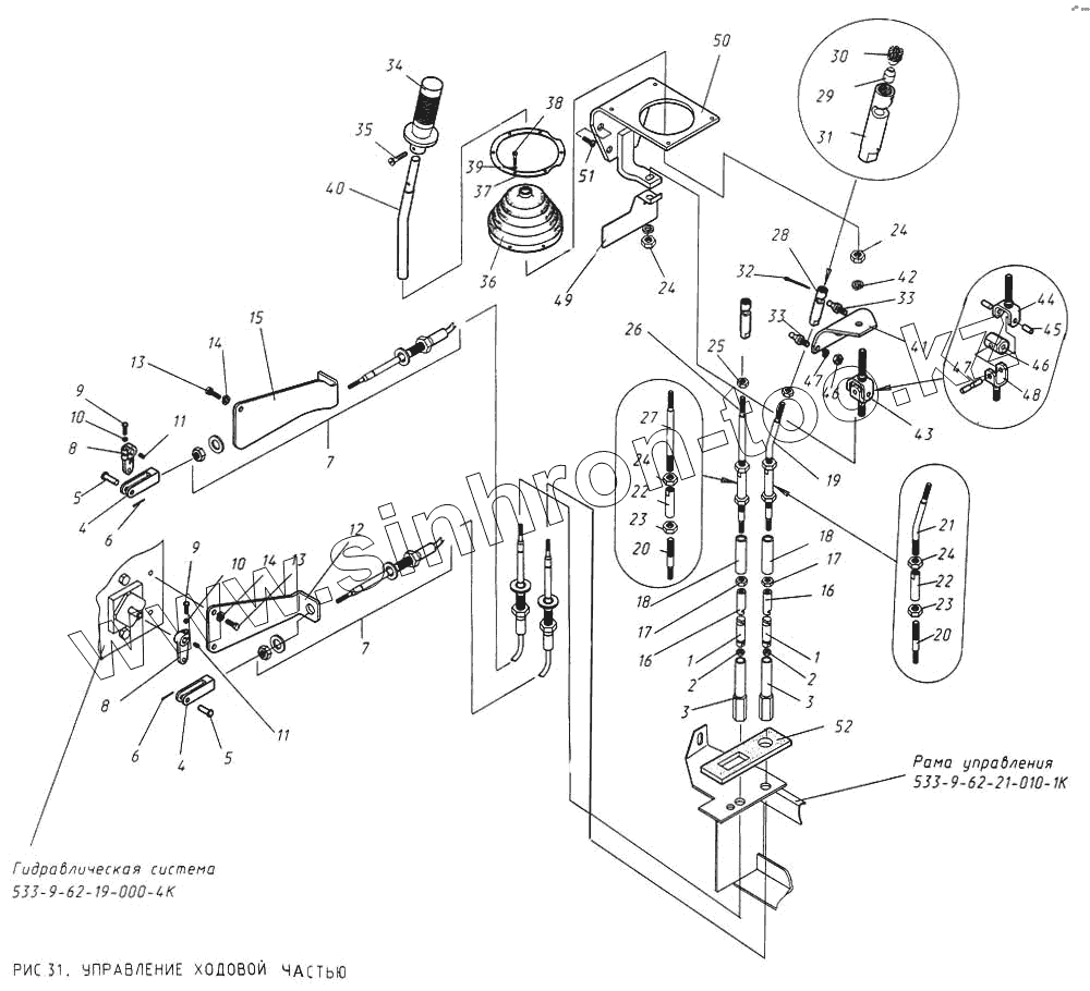
Каталог запасных частей к технике: КМЗ МКСМ-800. Управление ходовой частью
1
1
2
2
3
3
4
4
5
5
6
6
7
7
8
8
9
9
10
10
11
11
12
13
13
14
14
15
16
16
17
17
18
18
19
20
20
21
22
22
23
23
24
24
24
24
25
26
27
28
29
30
31
32
33
33
34
35
36
37
38
39
40
41
42
43
44
45
46
46
47
47
48
49
50
51
52
| Позиция на иллюстрации | Заводской номер детали | Название детали | |
|---|---|---|---|
| 1 | 533-0-62-21-342-1К | Сцепление | |
| 2 | Гайка М6-6Н.6.019 ГОСТ 5915-70 | Гайка М6-6Н.6.019 ГОСТ 5915-70 | |
| 3 | 533-0-62-21-795-1К | Направляющая | |
| 4 | 533-0-62-21-802-1К | Вилка | |
| 5 | 533-0-62-21-470-1К | Цапфа | |
| 6 | Шплинт 1.6Х16.0118 ГОСТ 397-79 | Шплинт 1.6Х16.0118 ГОСТ 397-79 | |
| 7 | Трос 1-ГГ-100-075-1500 ТУ 23.588-04-89 | Трос 1-ГГ-100-075-1500 ТУ 23.588-04-89 | |
| 8 | 533-0-62-21-793-1К | Рычаг | |
| 9 | Болт М6-6gХ18.46.018 ГОСТ 7798-70 | Болт М6-6gХ18.46.018 ГОСТ 7798-70 | |
| 10 | Шайба 6Т 65Г 06 ГОСТ 6402-70 | Шайба 6Т 65Г 06 ГОСТ 6402-70 | |
| 11 | Шпонка 2-3Х3Х6 ГОСТ 23360-78 | Шпонка 2-3Х3Х6 ГОСТ 23360-78 | |
| 12 | 533-0-62-21-791-1К | Кронштейн | |
| 13 | Болт М8-6gХ16.46.019 ГОСТ 7796-70 | Болт М8-6gХ16.46.019 ГОСТ 7796-70 | |
| 14 | Шайба 8Т 65Г 06 ГОСТ 6402-70 | Шайба 8Т 65Г 06 ГОСТ 6402-70 | |
| 15 | 533-0-62-21-792-1К | Кронштейн | |
| 16 | 533-0-62-21-308-1К | Штанга | |
| 17 | Гайка М8-6Н.6.019 ГОСТ 5915-70 | Гайка М8-6Н.6.019 ГОСТ 5915-70 | |
| 18 | 533-0-62-21-309-1К | Предохранитель | |
| 19 | 533-9-62-21-485-2К | Тяга | |
| 20 | 533-0-62-21-481-1К | Тяга | |
| 21 | 533-0-62-21-794-1К | Штанга | |
| 22 | 533-0-62-21-483-1К | Гайка установочная | |
| 23 | 010.46.241 | Гайка | |
| 24 | Гайка М10-6Н.6.019 ГОСТ 5915-70 | Гайка М10-6Н.6.019 ГОСТ 5915-70 | |
| 25 | Гайка М8Х1-6Н.6.019 ГОСТ 5915-70 | Гайка М8Х1-6Н.6.019 ГОСТ 5915-70 | |
| 26 | 533-9-62-21-490-1К | Тяга | |
| 27 | 533-0-62-21-491-1К | Штанга | |
| 28 | 688-17-сб338 | Обойма | |
| 29 | 765-17-204 | Сухарик | |
| 30 | 709-17-68 | Сухарик | |
| 31 | 765-17-359 | Обойма шарнира | |
| 32 | Шплинт 2Х25.0118 ГОСТ 397-79 | Шплинт 2Х25.0118 ГОСТ 397-79 | |
| 33 | 533-0-62-21-748-1К | Шарнир | |
| 34 | 533-0-62-21-230-3К | Рукоятка | |
| 35 | Винт М5-6gХ16.48.016 ГОСТ 17473-80 | Винт М5-6gХ16.48.016 ГОСТ 17473-80 | |
| 36 | 533-0-62-21-803-1К | Чехол | |
| 37 | 533-0-62-21-804-1К | Накладка | |
| 38 | Винт М4-6gХ8.48.016 ГОСТ 17473-80 | Винт М4-6gХ8.48.016 ГОСТ 17473-80 | |
| 39 | Шайба 4Т 65Г О5 ГОСТ 6402-70 | Шайба 4Т 65Г О5 ГОСТ 6402-70 | |
| 40 | 533-0-62-21-334-2К | Штанга рукоятки | |
| 41 | 533-0-62-21-325-1К | Рычаг угловой | |
| 42 | Шайба 10 ОТ 65Г 06 ГОСТ 6402-70 | Шайба 10 ОТ 65Г 06 ГОСТ 6402-70 | |
| 43 | 533-9-62-21-085-1К | Шарнир | |
| 44 | 533-9-62-21-086-1К | Вилка большая | |
| 45 | 533-0-62-21-096-1К | Цапфа составная | |
| 46 | 533-0-62-21-095-1К | Корпус | |
| 47 | 533-0-62-21-097-1К | Цапфа | |
| 48 | 533-9-62-21-090-1К | Вилка малая | |
| 49 | 533-0-62-21-806-1К | Упор | |
| 50 | 533-9-62-21-120-1К | Консоль | |
| 51 | Винт М6-6gХ18.48.019 ГОСТ 17475-80 | Винт М6-6gХ18.48.019 ГОСТ 17475-80 | |
| 52 | 533-0-62-21-014-1К | Уплотнение |
Содержащиеся в справочниках-каталогах запасные части и детали не предлагаются к продаже, а носят исключительно информационный характер