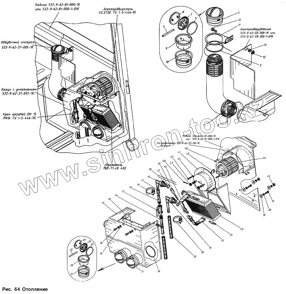
Каталог запасных частей к технике: КМЗ МКСМ-800. Отопление
1
2
3
4
5
6
7
8
9
10
11
12
13
14
15
16
17
18
19
19
20
21
22
23
24
25
26
27
28
29
30
30
31
32
33
34
35
36
37
38
39
40
41
42
43
44
44
45
46
47
48
49
50
51
52
53
| Позиция на иллюстрации | Заводской номер детали | Название детали | |
|---|---|---|---|
| 1 | 688-36-129 | Чехол | |
| 2 | Проволока КО 1.0 ГОСТ 792-67 L=(600+/-3) | Проволока КО 1.0 ГОСТ 792-67 L=(600+/-3) мм | |
| 3 | 533-0-62-37-045-1К | Шайба | |
| 4 | 533-9-62-37-085-1К | Обдувочный аппарат | |
| 5 | 633-0-62-37-076-1К | Ось | |
| 6 | 633-0-62-37-086-1К | Крышка | |
| 7 | 533-0-02-37-112-1К | Прокладка | |
| 8 | 533-0-62-37-067-1К | Крышка | |
| 9 | 583-0-62-37-073-1К | Втулка | |
| 10 | 633-0-62-37-072-Ж | Корпус | |
| 11 | 533-0-62-37-023-1К | Кронштейн | |
| 12 | Волг М6-6gХ14.46.019 ГОСТ 7798-70 | Волг М6-6gХ14.46.019 ГОСТ 7798-70 | |
| 13 | Гайка М8-6Н.6.019 ГОСТ 8916-70 | Гайка М8-6Н.6.019 ГОСТ 8916-70 | |
| 14 | Шайба 6Т 65Г 06 ГОСТ 6402-70 | Шайба 6Т 65Г 06 ГОСТ 6402-70 | |
| 15 | 533-9-62-37-097-1К | Кожух с уплотнением | |
| 16 | 672-31-162-01 | Шайба | |
| 17 | Болт М6-6gХ25.46.019 ГОСТ 7798-70 | Болт М6-6gХ25.46.019 ГОСТ 7798-70 | |
| 18 | Винт М6-6gХ10.48.019 ГОСТ 17473-80 | Винт М6-6gХ10.48.019 ГОСТ 17473-80 | |
| 19 | Шайба А6.01.0118 ГОСТ 6958-78 | Шайба А6.01.0118 ГОСТ 6958-78 | |
| 19 | Шайба А6.02.0118 ГОСТ 6958-78 | Шайба А6.02.0118 ГОСТ 6958-78 | |
| 20 | Шайба 6Т 65Г 06 ГОСТ 6402-70 | Шайба 6Т 65Г 06 ГОСТ 6402-70 | |
| 21 | 533-9-62-37-085-1К | Обдувочный аппарат | |
| 22 | 533-0-62-37-076-1К | Ось | |
| 23 | 533-0-62-37-086-1К | Крышка | |
| 24 | 533-0-62-37-112-1К | Прокладка | |
| 25 | 533-0-62-37-087-1К | Крышка | |
| 26 | 533-0-62-37-073-1К | Втулка | |
| 27 | 533-0-62-37-072-1К | Корпус | |
| 28 | 533-0-62-37-045-1К | Шайба | |
| 29 | Рукав 40У16-13 ТУ 005.6016-87 L=(2000+/- | Рукав 40У16-13 ТУ 005.6016-87 L=(2000+/-2 ) мм. | |
| 30 | 672-54-сб2-03 | Хомут универсальный | |
| 31 | Рукав 40У16-13 ТУ 005.6016-87 L=( 55+/-2 | Рукав 40У16-13 ТУ 005.6016-87 L=( 55+/-2 ) мм | |
| 32 | 078.451.0.0075.00 | Штуцер | |
| 33 | Кран шаровой DN 15 РN 16 ТУ 1-5-446-95 | Кран шаровой DN 15 РN 16 ТУ 1-5-446-95 | |
| 34 | 078.451.0.0075.01 | Штуцер | |
| 35 | 533-9-62-37-065-1К | Трубка | |
| 36 | 533-9-62-37-065-1-01К | Трубка | |
| 37 | 700-40-216-13 | Прокладка | |
| 38 | Проволока КО 1.0 ГОСТ 792-67 L=(600+/-3) | Проволока КО 1.0 ГОСТ 792-67 L=(600+/-3) мм | |
| 39 | 533-0-62-37-079-1К | Кронштейн | |
| 40 | Винт М4-6gХ10.48.016 ГОСТ 17475-80 | Винт М4-6gХ10.48.016 ГОСТ 17475-80 | |
| 41 | 533-9-62-37-051-1К | Кожух вентилятора | |
| 42 | Винт М5-6gХ12.48.016 ГОСТ 17473-80 | Винт М5-6gХ12.48.016 ГОСТ 17473-80 | |
| 43 | Гайка М6-6Н.6.019 ГОСТ 5915-70 | Гайка М6-6Н.6.019 ГОСТ 5915-70 | |
| 44 | Шайба 5.01.0118 ГОСТ 11371-78 | Шайба 5.01.0118 ГОСТ 11371-78 | |
| 44 | Шайба 5.02.0118 ГОСТ 11371-78 | Шайба 5.02.0118 ГОСТ 11371-78 | |
| 45 | 533-0-62-37-061-1К | Стяжка | |
| 46 | Электродвигатель 45.3730 ТУ 37.003.1225- | Электродвигатель 45.3730 ТУ 37.003.1225-84 | |
| 47 | Гайка М6-6Н.6.019 ГОСТ 5932-73 | Гайка М6-6Н.6.019 ГОСТ 5932-73 | |
| 48 | Шплинт 1.6Х16.0118 ГОСТ 397-79 | Шплинт 1.6Х16.0118 ГОСТ 397-79 | |
| 49 | 765-71-сб402 | Отопитель | |
| 50 | 765-71-599 | Растяжка | |
| 51 | 765-71-1768 | Валик | |
| 52 | 765-71-сб471 | Лента | |
| 53 | 765-71-сб472 | Лента |
Содержащиеся в справочниках-каталогах запасные части и детали не предлагаются к продаже, а носят исключительно информационный характер