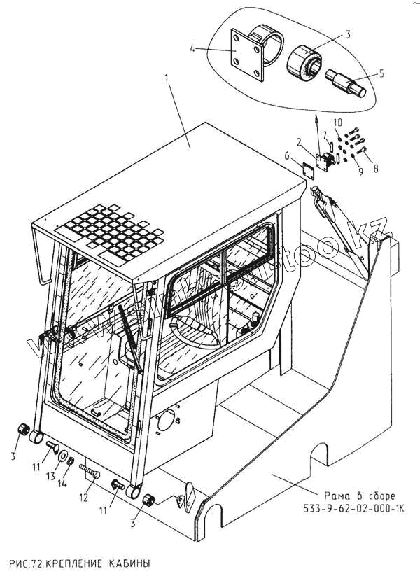
Каталог запасных частей к технике: КМЗ МКСМ-800. Крепление кабины
1
1
2
3
3
3
3
4
5
6
7
8
8
8
9
10
11
11
12
13
13
14
| Позиция на иллюстрации | Заводской номер детали | Название детали | |
|---|---|---|---|
| 1 | 533-9-62-81-000-1К | Кабина | |
| 1 | 533-9-62-81-000-1-01К | Кабина | |
| 2 | 533-9-62-81-470-1К | Сайлентблок | |
| 3 | 533-9-62-81-895-1К | Пружина | |
| 3 | 533-9-62-81-895-1К | Пружина | |
| 4 | 533-0-62-81-485-1К | Цапфа | |
| 5 | 533-0-62-81-866-1К | Консоль | |
| 6 | 533-0-62-81-663-1К | Прокладка | |
| 7 | 533-0-62-81-753-1К | Прокладка | |
| 8 | Болт М8-6gХ20.46.019 | Болт М8-6gХ20.46.019 | |
| 8 | Болт М8-6gХ25.46.019 ГОСТ 7796-70 | Болт М8-6gХ25.46.019 ГОСТ 7796-70 | |
| 8 | Болт М8-6gХ22.46.019 | Болт М8-6gХ22.46.019 | |
| 9 | Шайба 8 Т 65Г 06 ГОСТ 6402-70 | Шайба 8 Т 65Г 06 ГОСТ 6402-70 | |
| 10 | 672-31-110 | Шайба | |
| 11 | 533-9-62-81-460-1К | Цапфа с предохранителем | |
| 12 | Болт М8-6gХ16.46.019 ГОСТ 7796-70 | Болт М8-6gХ16.46.019 ГОСТ 7796-70 | |
| 13 | Шайба 8.01.0118 ГОСТ 11371-78 | Шайба 8.01.0118 ГОСТ 11371-78 | |
| 13 | Шайба 8.02.0118 ГОСТ 11371-78 | Шайба 8.02.0118 ГОСТ 11371-78 | |
| 14 | Шайба 8 Т 65Г 06 ГОСТ 6402-70 | Шайба 8 Т 65Г 06 ГОСТ 6402-70 |
Содержащиеся в справочниках-каталогах запасные части и детали не предлагаются к продаже, а носят исключительно информационный характер