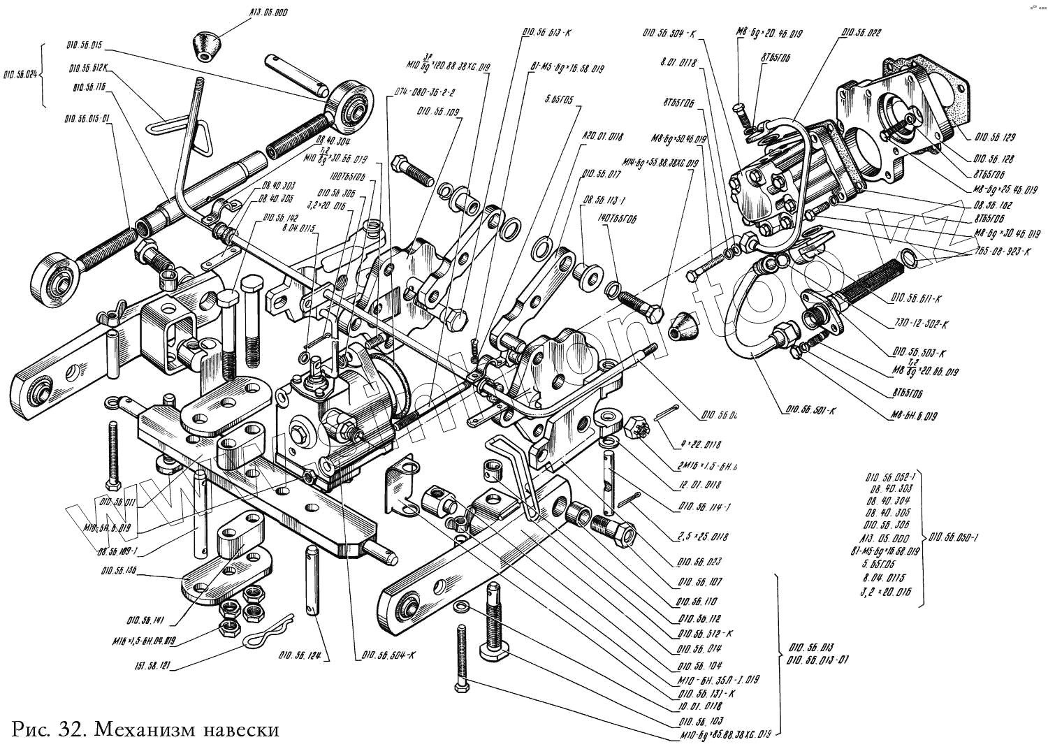
Каталог запасных частей к технике: КМЗ-012. Механизм навески 010.56.001-1
010.56.024
100Т65Г06
10.01.0118
010.56.109
010.56.611-К
010.56.503-К
010.56.306
010.56.103
12.01.0118
010.56.015-01
010.56.015
010.56.014
010.56.013-01
010.56.013
3,2х20.016
3,2х20.016
08.40.303
010.56.306
Гайка М10-6Н.6.019 ГОСТ 5915-70
М8-6gх25.46.019
08.40.304
08.40.305
А13.05.000
5.65Г.05
010.56.131-К
151.58.121
4х22.0118
010.56.501-К
2,5х25.0118
М8хТ12/8gх20.66.019
М10хТ12/8gх30.66.019
М10х3Р/6gх120.88.38ХС.019
А20.01.0118
8Т65Г06
8Т65Г06
8Т65Г06
8Т65Г06
8Т65Г06
8.04.0115
8.04.0115
8.01.0118
5.65Г.05
140Т65Г06
010.56.110
010.56.128
765-08-923-К
730-12-502-К
074-080-36-2-2
М8-6Н.6.019
М16х1,5-6Н.04.019
М10-6Н.35Л-1.019
08.56.113-1
08.40.303
010.56.112
010.56.107
В1-М5-6gх16.58.019
В1-М5-6gх16.58.019
010.56.011
М8-6gх50.46.019
М8-6gх30.46.019
М8-6gх20.46.019
М14-6gх55.88.38ХС.019
М10-6gх85.88.38ХС.019
010.56.116
010.56.022
010.56.104
08.40.304
010.56.017
010.56.052-1
А13.05.000
010.56.612-К
010.56.612-К
010.56.613-К
010.56.504 -К
08.56.162
010.56.129
010.56.023
08.40.305
010.56.124
010.56.124
010.56.114-1
012.56.504-К
| Позиция на иллюстрации | Заводской номер детали | Название детали | |
|---|---|---|---|
| 010.56.024 | 010.56.024 | Тяга | |
| 100Т65Г06 | 100Т65Г06 | Шайба | |
| 10.01.0118 | 10.01.0118 | Шайба | |
| 010.56.109-11 | 010.56.109-11 | Шайба | |
| 010.56.109-10 | 010.56.109-10 | Шайба | |
| 010.56.109 | 010.56.109 | Шайба | |
| 010.56.611-К | 010.56.611-К | Фланец | |
| 010.56.503-К | 010.56.503-К | Фильтр | |
| 010.56.306 | 010.56.306 | Тяга | |
| 010.56.103 | 010.56.103 | Тяга | |
| 010.56.024-11 | 010.56.024-11 | Тяга | |
| 010.56.024-10 | 010.56.024-10 | Тяга | |
| 12.01.0118 | 12.01.0118 | Шайба | |
| 010.56.015-01 | 010.56.015-01 | Тяга | |
| 010.56.015 | 010.56.015 | Тяга | |
| 010.56.014 | 010.56.014 | Тяга | |
| 010.56.013-11 | 010.56.013-11 | Тяга | |
| 010.56.013-10 | 010.56.013-10 | Тяга | |
| 010.56.013-01-11 | 010.56.013-01-11 | Тяга | |
| 010.56.013-01-10 | 010.56.013-01-10 | Тяга | |
| 010.56.013-01 | 010.56.013-01 | Тяга | |
| 010.56.013 | 010.56.013 | Тяга | |
| 010.56.501-К-11 | 010.56.501-К-11 | Труба | |
| 010.56.501-К-10 | 010.56.501-К-10 | Труба | |
| 3,2х20.016 | 3,2х20.016 | Шплинт | |
| 08.40.303 | 08.40.303 | Втулка | |
| 010.56.306 | 010.56.306 | Тяга | |
| Гайка М10-6Н.6.019 ГОСТ 5915-70 | Гайка М10-6Н.6.019 ГОСТ 5915-70 | Гайка М10-6Н.6.019 ГОСТ 5915-70 | |
| М8-6gх25.46.019 | М8-6gх25.46.019 | Болт | |
| 08.40.304 | 08.40.304 | Скоба | |
| 08.40.305 | 08.40.305 | Планка | |
| А13.05.000 | А13.05.000 | Рукоятка управления | |
| 5.65Г.05 | 5.65Г.05 | Шайба | |
| 010.56.131-К | 010.56.131-К | Щиток | |
| 151.58.121 | 151.58.121 | Шплинт пружинный | |
| 4х22.0118 | 4х22.0118 | Шплинт | |
| 010.56.501-К | 010.56.501-К | Труба | |
| 2,5х25.0118 | 2,5х25.0118 | Шплинт | |
| М8хТ12/8gх20.66.019 | М8хТ12/8gх20.66.019 | Шпилька | |
| М10хТ12/8gх30.66.019 | М10хТ12/8gх30.66.019 | Шпилька | |
| М10х3Р/6gх120.88.38ХС.019 | М10х3Р/6gх120.88.38ХС.019 | Шпилька | |
| А20.01.0118 | А20.01.0118 | Шайба | |
| 8Т65Г06 | 8Т65Г06 | Шайба | |
| 8.04.0115 | 8.04.0115 | Шайба | |
| 8.01.0118 | 8.01.0118 | Шайба | |
| 5.65Г.05 | 5.65Г.05 | Шайба | |
| 140Т65Г06 | 140Т65Г06 | Шайба | |
| 010.56.110 | 010.56.110 | Втулка | |
| 010.56.128-10 | 010.56.128-10 | Крышка | |
| 010.56.128 | 010.56.128 | Крышка | |
| 765-08-923-К | 765-08-923-К | Кольцо | |
| 730-12-502-К | 730-12-502-К | Кольцо | |
| 074-080-36-2-2 | 074-080-36-2-2 | Кольцо | |
| М8-6Н.6.019 | М8-6Н.6.019 | Гайка | |
| М16х1,5-6Н.04.019 | М16х1,5-6Н.04.019 | Гайка | |
| М10-6Н.35Л-1.019 | М10-6Н.35Л-1.019 | Гайка | |
| 08.56.113-1 | 08.56.113-1 | Втулка | |
| 08.40.303 | 08.40.303 | Втулка | |
| 010.56.112 | 010.56.112 | Втулка | |
| 010.56.128-11 | 010.56.128-11 | Крышка | |
| 010.56.107 | 010.56.107 | Втулка | |
| В1-М5-6gх16.58.019 | В1-М5-6gх16.58.019 | Винт | |
| 010.56.011-11 | 010.56.011-11 | Брус | |
| 010.56.011-10 | 010.56.011-10 | Брус | |
| 010.56.011 | 010.56.011 | Брус | |
| М8-6gх50.46.019 | М8-6gх50.46.019 | Болт | |
| М8-6gх30.46.019 | М8-6gх30.46.019 | Болт | |
| М8-6gх20.46.019 | М8-6gх20.46.019 | Болт | |
| М14-6gх55.88.38ХС.019 | М14-6gх55.88.38ХС.019 | Болт | |
| М10-6gх85.88.38ХС.019 | М10-6gх85.88.38ХС.019 | Болт | |
| 010.56.504-К-11 | 010.56.504-К-11 | Распределитель | |
| 010.56.116 | 010.56.116 | Труба | |
| 010.56.022-11 | 010.56.022-11 | Труба | |
| 010.56.022-10 | 010.56.022-10 | Труба | |
| 010.56.022 | 010.56.022 | Труба | |
| 010.56.104 | 010.56.104 | Сухарь | |
| 08.40.304 | 08.40.304 | Скоба | |
| 010.56.017 | 010.56.017 | Серьга | |
| 010.56.052-1 | 010.56.052-1 | Рычаг | |
| А13.05.000-11 | А13.05.000-11 | Рукоятка управления | |
| А13.05.000 | А13.05.000 | Рукоятка управления | |
| 010.56.612-К | 010.56.612-К | Рукоятка | |
| 010.56.613-К | 010.56.613-К | Болт | |
| 010.56.504-К-10 | 010.56.504-К-10 | Распределитель | |
| 010.56.504 -К | 010.56.504 -К | Распределитель | |
| 08.56.162 | 08.56.162 | Прокладка | |
| 010.56.129-11 | 010.56.129-11 | Прокладка | |
| 010.56.129 | 010.56.129 | Прокладка | |
| 010.56.023 | 010.56.023 | Поводок | |
| 08.40.305 | 08.40.305 | Планка | |
| 010.56.124 | 010.56.124 | Палец | |
| 010.56.114-1 | 010.56.114-1 | Палец | |
| 012.56.504-К | 012.56.504-К | Насос |
Содержащиеся в справочниках-каталогах запасные части и детали не предлагаются к продаже, а носят исключительно информационный характер