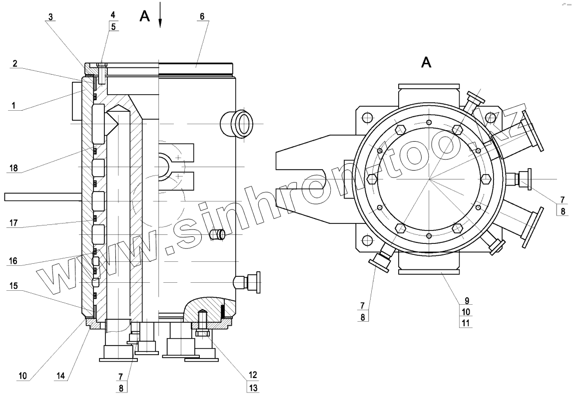
Каталог запасных частей к технике: ККЗ КС-5576Б. КОЛЛЕКТОР ЦЕНТРАЛЬНЫЙ КС-5576А.206.00.000
1
2
3
4
5
6
7
7
7
8
8
8
9
10
10
11
12
13
14
15
16
17
18
| Позиция на иллюстрации | Заводской номер детали | Название детали | |
|---|---|---|---|
| 1 | КС-5576А.206.01.000 | Обойма | |
| 2 | КС-5576А.206.02.001 | Втулка | |
| 3 | КС-5576А.206.00.003 | Прокладка | |
| 4 | М8-6gх16.46.019 | Болт М8-6gх16.46.019 | |
| 5 | 8.65Г.05 | Шайба 8.65Г.05 | |
| 6 | КС-5576А.206.00.002 | Фланец | |
| 7 | 11В820 | Кольцо 11В820 | |
| 8 | 100406.1 | Штуцер | |
| 9 | П-31-38 | Полуфланец | |
| 10 | М10-6gх30.46.019 | Болт М10-6gх30.46.019 | |
| 11 | 10.65Г.05 | Шайба 10.65Г.05 | |
| 12 | М12-6gх30.46.019 | Болт М12-6gх30.46.019 | |
| 13 | 12.65Г.05 | Шайба 12.65Г.05 | |
| 14 | КС-5576А.206.00.001 | Основание | |
| 15 | КС-5576А.206.02.001-01 | Втулка | |
| 16 | 11ВJ62 | Кольцо 11ВJ62 | |
| 17 | КС-5576А.206.02.002 | Кольцо защитное | |
| 18 | КС-5576А.206.02.100 | Корпус в сборе |
Содержащиеся в справочниках-каталогах запасные части и детали не предлагаются к продаже, а носят исключительно информационный характер