Каталог запасных частей к технике: ККЗ КС-4561А. 4561А.601.06.000 Доработка пульта управления
1
2
2
2
3
3
3
3
4
4
5
6
7
8
8
8
8
9
9
9
9
9
10
11
11
12
12
13
14
15
16
16
16
16
17
17
17
17
18
18
18
19
20
21
22
23
24
24
25
26
27
28
29
30
31
32
33
34
35
36
37
38
39
40
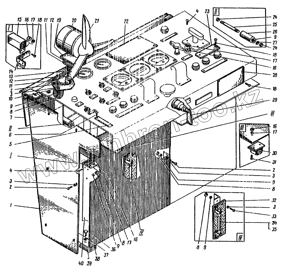
| Позиция на иллюстрации | Заводской номер детали | Название детали | |
|---|---|---|---|
| 1 | 4561А.601.06.003 | Боковина | |
| 2 | 17473.06.16 | Винт | |
| 3 | 11371.06 | Шайба | |
| 4 | 17475.04.16 | Винт | |
| 5 | 4561А.601.06.001 | Табличка | |
| 6 | 17473.04.10 | Винт | |
| 7 | 4561А.601.15.000 | Щиток | |
| 8 | 5915.06 | Гайка | |
| 9 | 6402.65.06 | Шайба | |
| 10 | 162.601.28 | Фланец | |
| 11 | 162.601.25.02 | Накладка | |
| 12 | 5915.08 | Гайка | |
| 13 | 162.601.25.03 | Стойка | |
| 14 | 4561А.601.06.006 | Уголок | |
| 15 | РПУ-0-511-У4 | Реле промежуточное | |
| 16 | 5915.04 | Гайка | |
| 17 | 6402.65.04 | Шайба | |
| 18 | 17473.04.10 | Винт | |
| 19 | 162.601.29 | Кронштейн сварной | |
| 20 | МЭ-205 | Электродвигатель | |
| 21 | 162.601.25.01 | Крыльчатка | |
| 22 | 4561А.601.06.004 | Табличка | |
| 23 | 4561А.601.06.008 | Табличка | |
| 24 | 5915.05 | Гайка | |
| 25 | 162.601.01.26 | Шпилька | |
| 26 | ПЭВР-15 | Сопротивление | |
| 27 | 6402.65.05 | Шайба | |
| 28 | 4561А.601.06.007 | Табличка | |
| 29 | ВК-317 А2 | Выключатель | |
| 30 | ШР-51 | Розетка штепсельная | |
| 31 | 17473.04.16 | Винт | |
| 32 | 4561А.601.06.002 | Панель | |
| 33 | 17473.06.20 | Винт | |
| 34 | ПР-2 | Предохранитель трубчатый 15 А, 500 В | |
| 35 | Вставка плавкая 6 А | Вставка плавкая на 6 А к ПР-2 на 15 А | |
| 36 | 7796.10.16 | Болт | |
| 37 | 6402.65.10 | Шайба | |
| 38 | 162.601.00.11 | Прокладка | |
| 39 | 162.601.01.03А | Платик | |
| 40 | 3ВС.602.002 | Пульт уплавления |
Содержащиеся в справочниках-каталогах запасные части и детали не предлагаются к продаже, а носят исключительно информационный характер