Каталог запасных частей к технике: ККЗ КС-4561А. 4561А.316.00.000 Лебедка вспомогательная
1
1
2
2
3
4
5
6
7
7
8
9
9
10
11
12
13
14
15
16
17
17
18
19
20
21
22
23
24
24
25
26
27
27
27
28
29
30
31
32
33
34
35
36
37
38
39
40
41
41
42
43
44
45
45
46
47
48
49
50
51
52
53
54
55
56
57
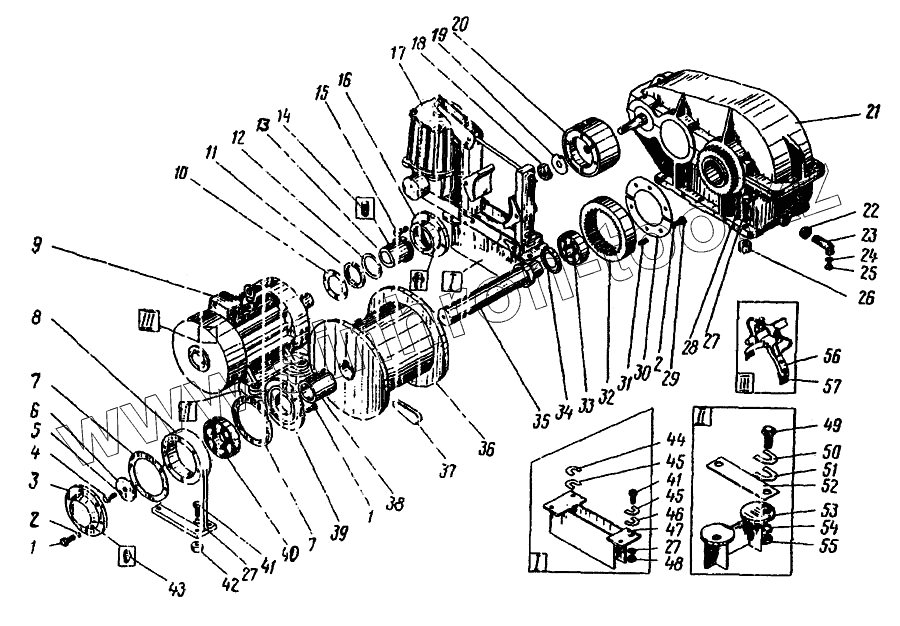
| Позиция на иллюстрации | Заводской номер детали | Название детали | |
|---|---|---|---|
| 1 | 7796.10.25 | Болт | |
| 2 | 6402.65.10 | Шайба | |
| 3 | 106.305.00.10 | Крышка | |
| 4 | 7796.12.30 | Болт | |
| 5 | 6402.65.12 | Шайба | |
| 6 | 162.316.00.12 | Шайба торцевая | |
| 7 | 162.305.00.18 | Прокладка | |
| 8 | 162.316.00.21 | Кронштейн | |
| 9 | МТР 311-8У2 | Электродвигатель | |
| 9 | МТН 311-8Т2 | Электродвигатель | |
| 10 | 4561А.305.00.010 | Крышка | |
| 11 | 288.105.78.12 | Кольцо | |
| 12 | 4561А.305.00.009 | Полукольцо | |
| 13 | 4561А.305.00.004 | Втулка | |
| 14 | 1478.08.30 | Винт | |
| 15 | 7796.12.40 | Болт | |
| 16 | 4561А.305.00.005 | Полумуфта ведущая | |
| 17 | ТГ-200 | Тормоз | |
| 17 | ТГ-200Т | Тормоз | |
| 18 | 42407 | Гайка | |
| 19 | 41405 | Шайба стопорная | |
| 20 | 456А.305.00.001 | Шкив | |
| 21 | РМ 500-31,5-11М-У2 | Редуктор с зубчатой муфтой | |
| 22 | 106.305.00.16 | Гайка | |
| 23 | 162.316.12.00 | Трубка сливная | |
| 24 | 162.316.00.25 | Шайба | |
| 24 | Э106.305.00.49 | Шайба | |
| 25 | 162.306.00.50 | Пробка | |
| 26 | 4561А.316.00.007 | Платик | |
| 27 | 6402.65.16 | Шайба | |
| 28 | 7796.16.50 | Болт | |
| 29 | 7796.10.16 | Болт | |
| 30 | 4362.309.00.06 | Крышка разъемная | |
| 31 | 162.305.00.57 | Винт | |
| 32 | 162.305.00.48 | Венец зубчатый | |
| 33 | 5720.16.11 | Подшипник | |
| 34 | 106.305.00.11 | Кольцо | |
| 35 | 162.316.00.11А | Ось барабана | |
| 36 | 162.316.00.08Б | Барабан | |
| 37 | 162.316.00.16А | Клин | |
| 38 | 162.316.00.02А | Втулка | |
| 39 | 456А.316.00.005 | Крышка | |
| 40 | 5720.13.15 | Подшипник | |
| 41 | 7796.16.40 | Болт | |
| 42 | 4561А.316.00.008 | Платик | |
| 43 | 19853.01.2 | Масленка | |
| 44 | 162.316.00.13 | Прокладка | |
| 45 | 162.305.00.26Б | Прокладка | |
| 46 | 162.305.00.55 | Прокладка | |
| 47 | 4561А.305.30.000 | Подставка тормоза | |
| 48 | 5915.16 | Гайка | |
| 49 | 7796.20.50 | Болт | |
| 50 | 162.305.00.24А | Прокладка | |
| 51 | 162.305.00.56 | Прокладка | |
| 52 | 4561А.316.00.006 | Пластина | |
| 53 | 4561А.316.04.000 | Подставка электродвигателя | |
| 54 | 6402.65.20 | Шайба | |
| 55 | 5915.20 | Гайка | |
| 56 | 5ТД.112.035-2 | Щеткодержатель | |
| 57 | 8ТД.578.001-2 | Щетка М1 |
Содержащиеся в справочниках-каталогах запасные части и детали не предлагаются к продаже, а носят исключительно информационный характер