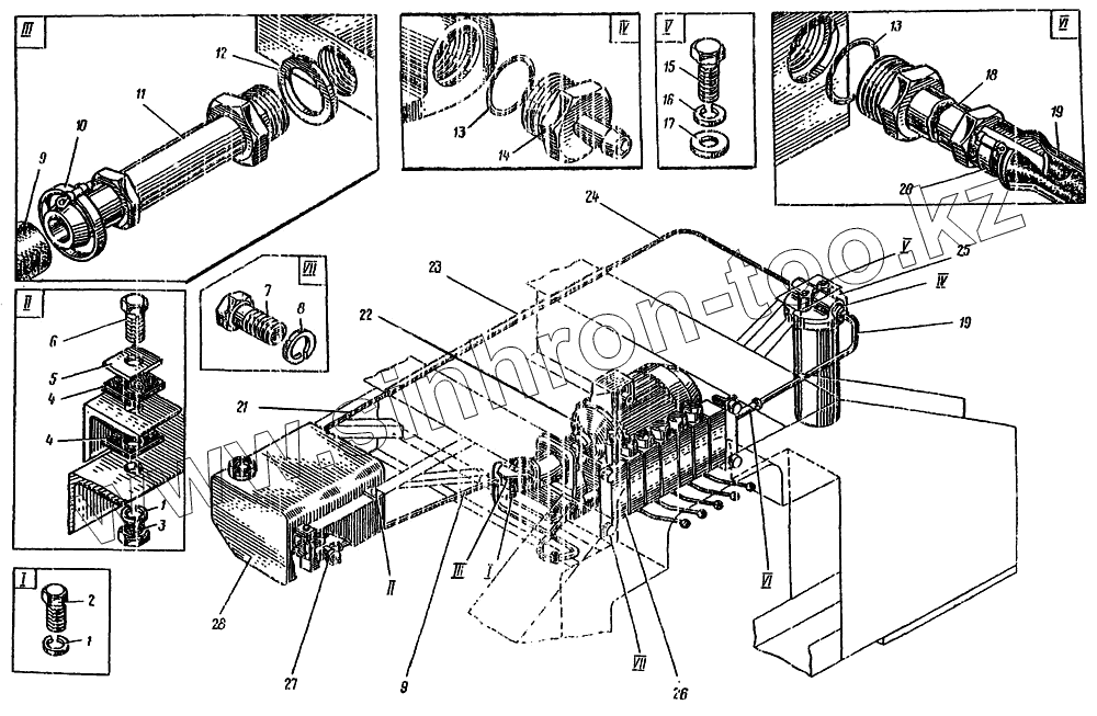
Каталог запасных частей к технике: ККЗ КС-4561А. 4561А.106.00.00 Установка гидроаппаратуры на шасси
1
1
2
3
4
4
5
6
7
8
9
9
10
11
12
13
13
14
15
16
17
18
19
19
20
21
22
23
24
25
26
27
28
| Позиция на иллюстрации | Заводской номер детали | Название детали | |
|---|---|---|---|
| 1 | 6402.65.10 | Шайба | |
| 2 | 7796.10.20 | Болт | |
| 3 | 5915.10 | Гайка | |
| 4 | 5461А.106.00.002 | Прокладка | |
| 5 | 5461А.106.00.001 | Пластина | |
| 6 | 7796.10.30 | Болт | |
| 7 | 7796.16.30 | Болт | |
| 8 | 6402.65.16 | Шайба | |
| 9 | 10362.25.35.16.450 | Рукав | |
| 10 | 4571.81.130-01 | Хомут в сборе | |
| 11 | 4561А.106.13.000 | Трубопровод | |
| 12 | 15804.33.39.2.0 | Прокладка | |
| 13 | 9833.040.045.30 | Кольцо | |
| 14 | 4561А.106.07.000 | Штуцер в сборе | |
| 15 | 7796.12.30 | Болт | |
| 16 | 6402.65.12 | Шайба | |
| 17 | 11371.12 | Шайба | |
| 18 | 4561А.106.21.000 | Трубопровод | |
| 19 | 10362.12.20.16.550 | Рукав | |
| 20 | 4571.81.130 | Хомут в сборе | |
| 21 | 10362.25.35.16.340 | Рукав | |
| 22 | 4561А.106.01.000 | Привод насоса | |
| 23 | 4561А.106.11.000 | Трубопровод | |
| 24 | 10362.12.20.16.400 | Рукав | |
| 25 | 1.1.32-25 | Фильтр | |
| 26 | Р25.160-20-5х01-30 | Распределитель | |
| 27 | 2704.20 | Кран муфтовый | |
| 28 | 4561А.106.04.000 | Бак масляный |
Содержащиеся в справочниках-каталогах запасные части и детали не предлагаются к продаже, а носят исключительно информационный характер