Каталог запасных частей к технике: ККЗ КС-4561А. 3ВС.602.002 Пульт управления
1
1
2
2
2
3
4
5
5
5
5
6
6
6
6
6
7
8
8
8
8
9
10
11
11
11
11
11
12
13
13
14
15
15
15
15
15
15
15
15
15
15
15
15
15
16
17
18
19
20
21
22
23
24
25
26
27
28
29
30
31
32
33
34
35
36
37
38
39
40
41
42
43
44
45
46
47
48
49
50
51
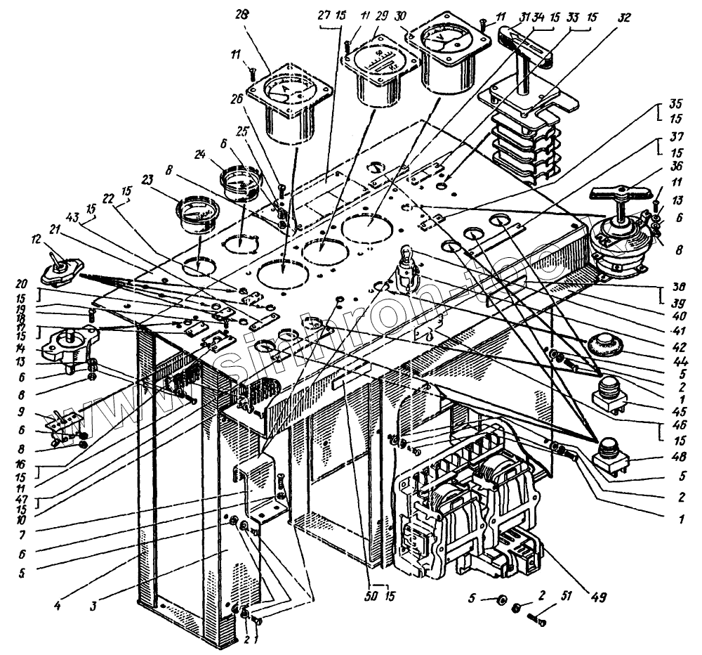
| Позиция на иллюстрации | Заводской номер детали | Название детали | |
|---|---|---|---|
| 1 | 17473.06.10 | Винт | |
| 2 | 6402.65.06 | Шайба | |
| 3 | 8ВС.161.597 | Уголок | |
| 4 | 5ВС.080.055 | Каркас | |
| 5 | 11371.06 | Шайба | |
| 6 | 6402.65.04 | Шайба | |
| 7 | 8ВС.140.117 | Скоба | |
| 8 | 5927.04 | Гайка | |
| 9 | П-57 | Переключатель | |
| 10 | КБ-10-15 | Блок клеммный | |
| 11 | 17473.04.10 | Винт | |
| 12 | ВК-26А2 | Выключатель | |
| 13 | 11371.04 | Шайба | |
| 14 | ПР-2Б | Предохранитель 20 А, 24 В | |
| 15 | 17473.04.08 | Винт | |
| 16 | 8ВС.866.061-04 | Табличка | |
| 17 | 8ВС.866.173 | Табличка | |
| 18 | 17473.04.16 | Винт | |
| 19 | 17475.04.10 | Винт | |
| 20 | 8ВС.866.061-01 | Табличка | |
| 21 | 8ВС.062.116 | Панель | |
| 22 | 8ВС.866.061 | Табличка | |
| 23 | УК-144 | Указатель давления масла | |
| 24 | УК-143 | Указатель температуры воды | |
| 25 | Р-102 | Сопротивление добавочное к вольтметру | |
| 26 | 17475.04.20 | Винт | |
| 27 | 8ВС.866.066 | Табличка | |
| 28 | Э8021 | Амперметр 0-100 А | |
| 29 | В-81 | Частотомер вибрационный 45-55 Гц | |
| 30 | Э8021 | Амперметр 0-100 А | |
| 31 | УП-5312-И-43 | Переключатель универсальный | |
| 32 | 8ВС.212.012 | Втулка | |
| 33 | 8ВС.866.062 | Табличка | |
| 34 | 8ВС.866.164 | Табличка | |
| 35 | 8ВС.866.061-02 | Табличка | |
| 36 | ПВ-3-10 | Выключатель пакетный | |
| 37 | 8ВС.866.063 | Табличка | |
| 38 | 8ВС.863.118-019 | Щиток заводской | |
| 39 | 10299.02.06 | Заклепка | |
| 40 | 8ВС.340.061 | Лист | |
| 41 | А24-1 | Лампа автомобильная | |
| 42 | ПП-1-200 | Патрон | |
| 43 | 8ВС.866.061-03 | Табличка | |
| 44 | КЕ-021 | Кнопка с черным толкателем | |
| 45 | КЕ-011 | Кнопка с красным толкателем | |
| 46 | 8ВС.866.065 | Табличка | |
| 47 | 8ВС.866.063-01 | Табличка | |
| 48 | КЕ-011 | Кнопка с красным толкателем | |
| 49 | ПАЕ-314 | Пускатель магнитный | |
| 50 | 8ВС.866.063-02 | Табличка | |
| 51 | 17473.06.16 | Винт |
Содержащиеся в справочниках-каталогах запасные части и детали не предлагаются к продаже, а носят исключительно информационный характер