Вернуться на главную
Поиск
Каталоги запчастей к технике
Спецтехника
ККЗ
КС-4561А
162-202А Стабилизатор
Каталог запасных частей к технике: ККЗ КС-4561А. 162-202А Стабилизатор
zoom-in
zoom-out
enlarge
shrink
circle-right
circle-left
file-text2
info
cart
Тип техники
Не выбрано
Легковые автомобили
Грузовые автомобили и прицепы
Автобусы
Сельхозтехника
Спецтехника
Двигатели
Мототехника
Марка
Не выбрано
Ammann
BOMAG
CARMIX
CASE IH
Changlin
ChengGong
Dimex
Doosan
DYNAPAC
Foton
HAMM
Hidromek
Hitachi
Hyundai
JCB
JLG
John Deere
Komatsu
LIEBHERR
LiuGong
Lonking (LongGong)
Luneng
MANITOU
Mitsuber
New Holland
PENGPU
RM-Terex
SANY
SDLG
SEM
Shantui
Shehwa HBXG
Soosan
TIGARBO
VOGELE
Volvo
WAY
WIRTGEN
XCMG
XGMA
Xiamen
YTO
Yuchai
Zoomlion
Автокран
АЗСМ
Алтайлесмаш
Амкодор
АОМЗ
Атек
АТЗ
Балканкар Рекорд
БелАЗ
Беловеж
Борекс
Брянский Арсенал
Булат
ВЭКС
ГАЗ
Геомаш
Гидромаш
Донекс
Дормаш
Дормашина
Дорэлектромаш
ДЭЗ
ЕлАЗ
ЗЗГТ
Ижнефтемаш
Канаш-электрокар
КЗКТ
ККЗ
Клевер
Клинцовский автокрановый завод
КМЗ
КМЗ 1 Мая
Ковровец
Коммаш
Кранэкс
КЭЗ
КЭМЗ
ЛЗА
МАЗ
МЗИК
МЗКМ
МЗКТ
Михневский РМЗ
МоАЗ
Мозырский МЗ
МТЗ
ОЗП
Онежец
ПАО "ТЗА"
ППС Детва
Промтрактор
ПТЗ
Раскат
СпецАгрегат
ТВЭКС
ТТМ
УВЗ
Угличмаш
УЗТМ
ХТЗ
ЧЗКМ
ЧСДМ
ЧТЗ
ЭКСКО
ЭКСМАШ
ЮрМаш
Модель
Не выбрано
КС-4561А (2009)
КС-5576Б (2009)
КС-6476 (2007)
Схема
>
Не выбрано
4561А.501.00.000 Установка кабины
4561А.501.10.000 Кабина
4561А.503.00.000 Размещение запасных частей, инструмента и принадлежностей
4561А.213.00.000 Опорно-поворотное устройство
1600-2 Опора поворотная
4561А.301.00.000 Рама поворотная. 4561А.303.00.000 Установка противовеса
4561А.302.00.000 Портал
4561А.306.00.000 Механизм поворота
4561А.306.01.000 Редуктор механизма поворота
4561А.506.00.000 Установка кожуха
4561А.201.00.000 Установка рамы неповоротной
162-202А Стабилизатор
4561А.205.00.000 Крылья защитные
4561А.101.00.000 Установка откидных опор
4561А.101.15.000 Гидроцилиндр
162.211.00.00 Управление коробкой отбора мощности
4571.82.000 Установка пневмоаппаратуры и разводка трубопроводов на шасси
4561А.314.00.000 Управление топливоподачей
4561А.601.06.000 Доработка пульта управления
3ВС.602.002 Пульт управления
ТГ-200 Тормоз
4561А.311.00.000 Установка тормоза механизма поворота
162.304.00.00 Тормоз механизма поворота
4561А.104.00.000 Установка электрооборудования на шасси и неповоротной раме. 4561А.607.03.000 Кабельная разводка по шасси и неповоротной раме
162-207Б Установка генератора
МТКР 311-8У2 Электродвигатель
4561А.601.00.000 Установка электрооборудования на поворотной раме
5ВС.305.012 Шкаф силовой
4561А.607.01.000 Кабельная разводка по поворотной раме
4561А.607.04.000 Кабельная разводка по стреле
4561А.607.04.000 Кабельная разводка по гуську
4561А.613.00.000 Установка конечного выключателя подъема груза
4561А.613.00.000 Установка конечного выключателя подъема стрелы
4561А.613.00.000 Установка датчика угла ограничителя грузоподъемности ОГП-1
4571.31.200 Гидроцилиндр
4571.31.600-01 Гидротолкатель
У 4610.35А Гидрозамок
4561А.103.00.000 Установка трубопроводов на шасси
4561А.106.00.00 Установка гидроаппаратуры на шасси
4561А.106.01.000 Привод насоса
Р25.160-20-5х01-30 Распределитель
4561А.305.00.000 Механизм подъема стрелы
4561А.305.01.000 Редуктор
4561А.401.00.000 Стрела. 162-209А Стойка поддержки стрелы
162.402.000.000 Вставка стрелы
4561А.403.000 Установка гуська
4561А.404.00.000 Полиспаст
4561А.405.00.000 Обойма крюковая
162-406А Обойма крюковая малая
4561А.408.00.000 Растяжки и канаты. 4561А.613.00.000 Датчик усилий ОГП-1 ДУС
4561А.504.00.000 Указатель вылетов стрелы
4561А.309.00.000 Лебедка грузовая
4561А.316.00.000 Лебедка вспомогательная
РМ 650-40-32М-У2 Редуктор
РМ 500-31,5-11М-У2 Редуктор
КС-4561А.000.00.000 Общий вид крана
Болты, винты
Гайки, кольца, манжеты, масленки, оси, подшипники
Подшипники, пробки, шайбы, шплинты, шпонки, штифты, канат, рукав, шарик
1
1
2
2
3
3
3
4
5
6
6
7
8
8
8
8
9
10
11
12
13
14
14
15
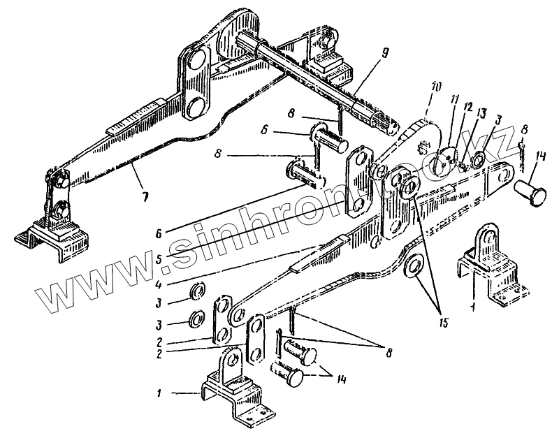
Позиция на иллюстрации
Заводской номер детали
Название детали
1
162.202.03А
Кронштейн в сборе
2
104.202.05.01А
Серьга
3
85.230.17
Шайба
4
162.202.01Б
Траверса левая
5
162.202.00.03Б
Серьга
6
162.202.00.07
Ось
7
162.202.02А
Траверса правая
8
397.08.0.70
Шплинт
9
104.202.03.01В
Вал
10
162.202.00.01А
Рычаг
11
162.202.00.04
Шайба торцевая
12
6402.65.10
Шайба
13
7796.10.40
Болт
14
162.202.00.08
Ось
15
9649.50
Шайба
Содержащиеся в справочниках-каталогах запасные части и детали не предлагаются к продаже, а носят исключительно информационный характер
Дополнительная информация
×
Название:
Номер:
Примечание: