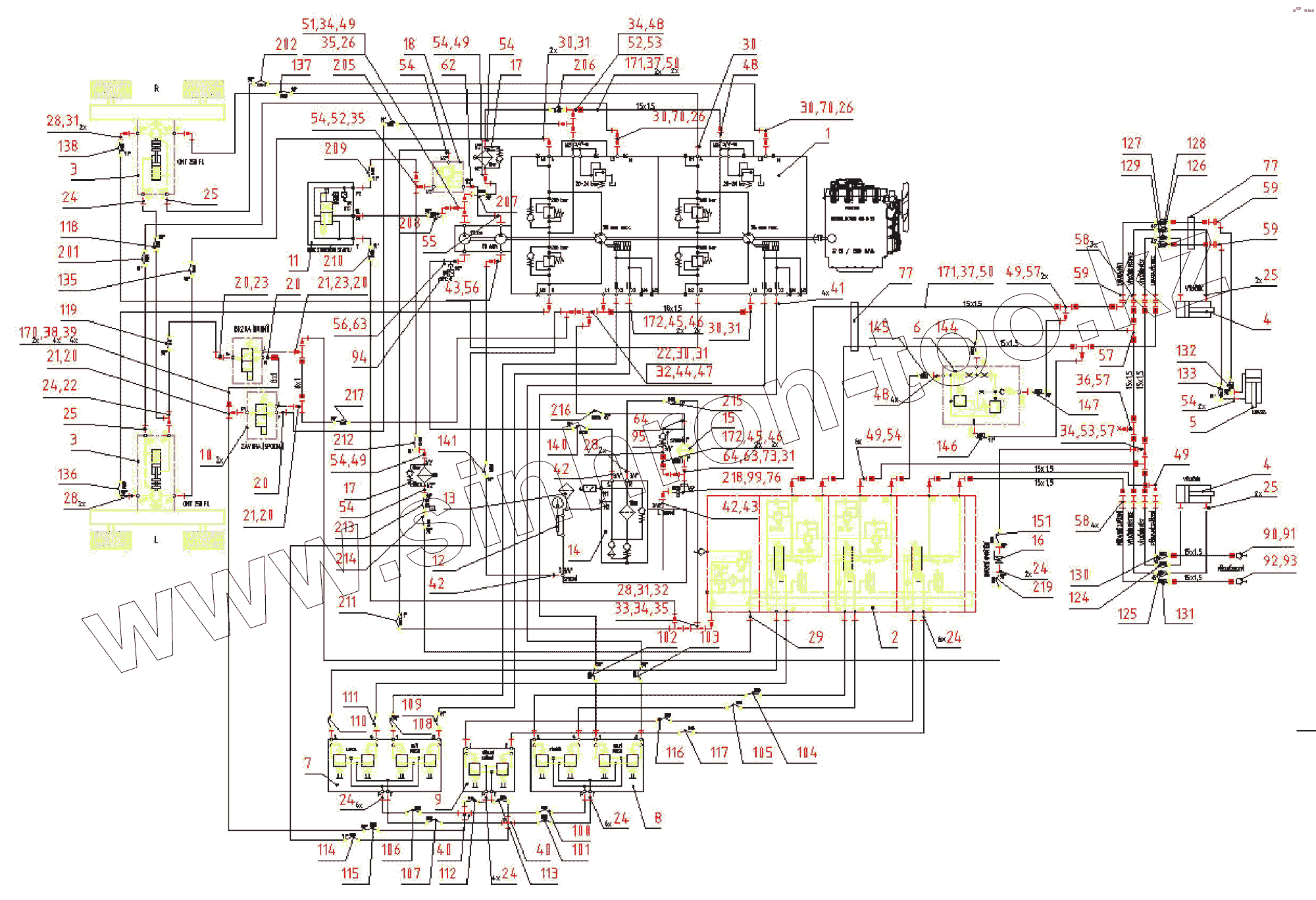
Каталог запасных частей к технике: КЭМЗ ANT750. Гидросистема ANT651.60.00.000
1
2
3
3
4
4
5
6
7
8
9
10
11
12
13
14
15
16
17
17
18
20
20
20
20
20
20
21
21
21
22
22
23
23
24
24
24
24
24
24
24
25
25
25
25
26
26
26
28
28
28
29
29
30
30
30
30
30
30
31
31
31
31
31
31
32
32
33
34
34
34
34
35
35
35
36
37
37
38
38
40
40
41
42
42
42
43
43
44
45
45
46
46
47
48
48
48
49
49
49
49
49
49
50
50
51
52
52
53
53
54
54
54
54
54
54
54
54
55
56
56
57
57
57
57
58
58
59
59
59
62
63
63
64
64
70
70
73
76
77
77
90
91
92
93
94
95
99
100
101
102
103
104
105
106
107
108
109
110
111
112
113
114
115
116
117
118
119
124
125
126
127
128
129
130
131
132
133
135
136
137
138
140
141
144
145
146
147
151
201
202
205
206
207
208
209
210
211
212
213
214
215
216
217
218
219
| Позиция на иллюстрации | Заводской номер детали | Название детали | |
|---|---|---|---|
| 1 | 4-08936-00 | Соединение гидрогенераторов | |
| 2 | 4-08937-00 | Распределитель | |
| 3 | ОМТ 250 FL | Гидромотор | |
| 4 | 0-008-126 | Гидроцилиндр стрелы | |
| 5 | 0-010-800 | Гидроцилиндр ковша | |
| 6 | 4-09071-00 | Компенсационный клапан | |
| 7 | RCX04-A02-MA-F-02F-00R-5-WH48-RAG02 | Джойстик левый | |
| 8 | RCX04-A02-MA-F-01F-00R-6-WH48-RAG02 | Джойстик правый | |
| 9 | DO 20/00/00-11-1 | Джойстик | |
| 10 | VSC-80,1/2", 80-250bar | Предохранительный клапан | |
| 11 | ЮФЕИ 306555.004 | Блок разгрузочный | |
| 12 | HK LVA20 T M12 | Маслоуказатель | |
| 13 | HK TA80 B 10 1 | Горловина бака | |
| 14 | KTS 110 CD 1 BB 486 C | Фильтр | |
| 15 | 43455B | Радиатор | |
| 16 | HK V257 2-1/4 | Клапан | |
| 17 | SPM301CD1CB372 | Фильтр | |
| 18 | VENTIL V0710 VMP1/2,1/2",80-300Bar | VENTIL V0710 VMP1/2,1/2",80-300Bar | |
| 20 | X VU NW 06 HL 7/16 | X VU NW 06 HL 7/16 | |
| 21 | X VETO NW 06 HL | X VETO NW 06 HL | |
| 22 | X VELO NW 06 HL | X VELO NW 06 HL | |
| 23 | X VEWO NW 06 HL | X VEWO NW 06 HL | |
| 24 | X VR NW 06 HL ED | X VR NW 06 HL ED | |
| 25 | X VR NW 10 HL ED | X VR NW 10 HL ED | |
| 26 | X VEWO NW 10 HL | X VEWO NW 10 HL | |
| 28 | X VR NW 16 HL 3/4 ED | X VR NW 16 HL 3/4 ED | |
| 29 | X VR NW 13 HL 3/4 ED | X VR NW 13 HL 3/4 ED | |
| 30 | X VU NW 16 HL 1 1/16 | X VU NW 16 HL 1 1/16 | |
| 31 | X VEWO NW 16 HL | X VEWO NW 16 HL | |
| 32 | X VELO NW 16 HL | X VELO NW 16 HL | |
| 33 | X AOH NW 16 L 13 | X AOH NW 16 L 13 | |
| 34 | X VELO NW 13 HL | X VELO NW 13 HL | |
| 35 | X AOH NW 13 L 10 | X AOH NW 13 L 10 | |
| 36 | BZL NW 13 | BZL NW 13 | |
| 37 | UEM NW 13 L | UEM NW 13 L | |
| 38 | UEM NW 06 L | UEM NW 06 L | |
| 39 | SR D 08 | SR D 08 | |
| 40 | X K NW 06 HL | X K NW 06 HL | |
| 41 | X VU NW 06 HL 9/16 | X VU NW 06 HL 9/16 | |
| 42 | X VR NW 20 HL | X VR NW 20 HL | |
| 43 | X VEWO NW 20 HL | X VEWO NW 20 HL | |
| 44 | X VETO NW 16 HL | X VETO NW 16 HL | |
| 45 | UEM NW 16 L | UEM NW 16 L | |
| 46 | SR D 18 | SR D 18 | |
| 47 | X AOH NW 16 L 06 | X AOH NW 16 L 06 | |
| 48 | X VU NW 13 HL 3/4 | X VU NW 13 HL 3/4 | |
| 49 | X VEWO NW 13 HL | X VEWO NW 13 HL | |
| 50 | SR D 15 | SR D 15 | |
| 51 | X GF 35 LK L 15 | X GF 35 LK L 15 | |
| 52 | X VETO NW 13 HL | X VETO NW 13 HL | |
| 53 | X AOH NW 13 L 06 | X AOH NW 13 L 06 | |
| 54 | X VR NW 13 HL | X VR NW 13 HL | |
| 55 | X WF 35 LK L 15 | X WF 35 LK L 15 | |
| 56 | X WF 40 LK L 22 100 – 4srouby, 100bar | X WF 40 LK L 22 100 – 4srouby, 100bar | |
| 57 | X T NW 13 HL | X T NW 13 HL | |
| 58 | X SV NW 13 HL | X SV NW 13 HL | |
| 59 | X SW NW 13 HL | X SW NW 13 HL | |
| 62 | AOVR NW 13 L ED | AOVR NW 13 L ED | |
| 63 | X VELO NW 20 HL | X VELO NW 20 HL | |
| 64 | X VR NW 20 HL 1 ED | X VR NW 20 HL 1 ED | |
| 70 | XAOH NW 16 L 10 | XAOH NW 16 L 10 | |
| 73 | X AOH NW20 L 16 | X AOH NW20 L 16 | |
| 76 | SRS 0428 DP | SRS 0428 DP | |
| 77 | SRS 215 D | SRS 215 D | |
| 90 | SKMS 13 HL 3 | SKMS 13 HL 3 | |
| 91 | SKM ZUBS 399 ROT | SKM ZUBS 399 ROT | |
| 92 | SKSS 13 HL 3 | SKSS 13 HL 3 | |
| 93 | SKS ZUBS 399 ROT | SKS ZUBS 399 ROT | |
| 94 | TERMOSTAT HK TS 50 | TERMOSTAT HK TS 50 | |
| 95 | VENTIL D.39490 | VENTIL D.39490 | |
| 99 | SSK 20-3bm | SSK 20-3bm | |
| 100 | 1SN06 x1100 DKOL/DKOL | Рукав | |
| 101 | 1SN06 x1100 DKOL/DKOL | Рукав | |
| 102 | 1SN06 x1050 DKOL/DKOL | Рукав | |
| 103 | 1SN06 x1050 DKOL/DKOL | Рукав | |
| 104 | 1SN06 x1370 DKOL90/DKOL | Рукав | |
| 105 | 1SN06 x1370 DKOL90/DKOL | Рукав | |
| 106 | 1SN06 x1050 DKOL/DKOL | Рукав | |
| 107 | 1SN06 x1050 DKOL/DKOL | Рукав | |
| 108 | 1SN06 x1900 DKOL/DKOL | Рукав | |
| 109 | 1SN06 x1900 DKOL/DKOL | Рукав | |
| 110 | 1SN06 x1320 DKOL90/DKOL | Рукав | |
| 111 | 1SN06 x1320 DKOL90/DKOL | Рукав | |
| 112 | 1SN06 x600 DKOL/DKOL | Рукав | |
| 113 | 1SN06 x600 DKOL/DKOL | Рукав | |
| 114 | 1SN06 x 550 DKOL90/DKOL | Рукав | |
| 115 | 1SN06 x600 DKOL/DKOL | Рукав | |
| 116 | 1SN06 x1700 DKOL/DKOL | Рукав | |
| 117 | 1SN06 x1700 DKOL/DKOL | Рукав | |
| 118 | 1SN06 x750 DKOL90/DKOL | Рукав | |
| 119 | 1SN06 x550 DKOL90/DKOL | Рукав | |
| 124 | 2SN10x1170 DKOL45 | Рукав | |
| 125 | 2SN10x1170 DKOL45 | Рукав | |
| 126 | 2SN10x1170 DKOL45 | Рукав | |
| 127 | 2SN10x1170 DKOL45 | Рукав | |
| 128 | 2SN12 x980 DKOL45/CEL | Рукав | |
| 129 | 2SN12 x980 DKOL45/CEL | Рукав | |
| 130 | 2SN12 x980 DKOL45/CEL | Рукав | |
| 131 | 2SN12 x980 DKOL45/CEL | Рукав | |
| 132 | 2SN12 x650 DKOL90/DKOL | Рукав | |
| 133 | 2SN12 x650 DKOL90/DKOL | Рукав | |
| 135 | HD216S x520 DKOL90/DKOL | Рукав | |
| 136 | HD216S x580 DKOL90/DKOL | Рукав | |
| 137 | HD216S x660 DKOL90/DKOL | Рукав | |
| 138 | HD216S x720 DKOL90/DKOL | Рукав | |
| 140 | 1SN20 x1300 DKOL90/DKOL | Рукав | |
| 141 | 1SN20 x1300 DKOL90/DKOL | Рукав | |
| 144 | 2SN12 x 530 DKOL/DKOL | Рукав | |
| 145 | 2SN12 x 600 DKOL/DKOL | Рукав | |
| 146 | 2SN12 x 360 DKOL90/DKOL | Рукав | |
| 147 | 2SN12 x 440 DKOL90/DKOL | Рукав | |
| 151 | 1SN06 x 1200 DKOL90/DKOL | Рукав | |
| 201 | 1SN10x650-DKOL/DKOL90 | Рукав | |
| 202 | 1SN10x1000-DKOL/DKOL90 | Рукав | |
| 205 | 1SN06x750-DKOL/DKOL90 | Рукав | |
| 206 | 1SN13x700-DKOL/DKOL | Рукав | |
| 207 | 1SN13x570-DKOL90/DKOL | Рукав | |
| 208 | 1SN10x850-DKOL | Рукав | |
| 209 | 1SN10x1300-DKOL | Рукав | |
| 210 | 1SN10x800-DKOL | Рукав | |
| 211 | 1SN13x550-DKOL/DKOL90 | Рукав | |
| 212 | 2SN13x1000-DKOL/DKOL90 | Рукав | |
| 213 | 2SN13x1000-CEL/DKOL90 | Рукав | |
| 214 | 2SN13x650-DKOL/DKOL90 | Рукав | |
| 215 | 1SN16X670-DKOL/DKOL45 | Рукав | |
| 216 | 1SN19x1300-DKOL | Рукав | |
| 217 | 1SN06x750-DKOL/DKOL90 | Рукав | |
| 218 | 1SN19x1670-DKOL/DKOL45 | Рукав | |
| 219 | 1SN06x500-DKOL/DKOL90 | Рукав |
Содержащиеся в справочниках-каталогах запасные части и детали не предлагаются к продаже, а носят исключительно информационный характер