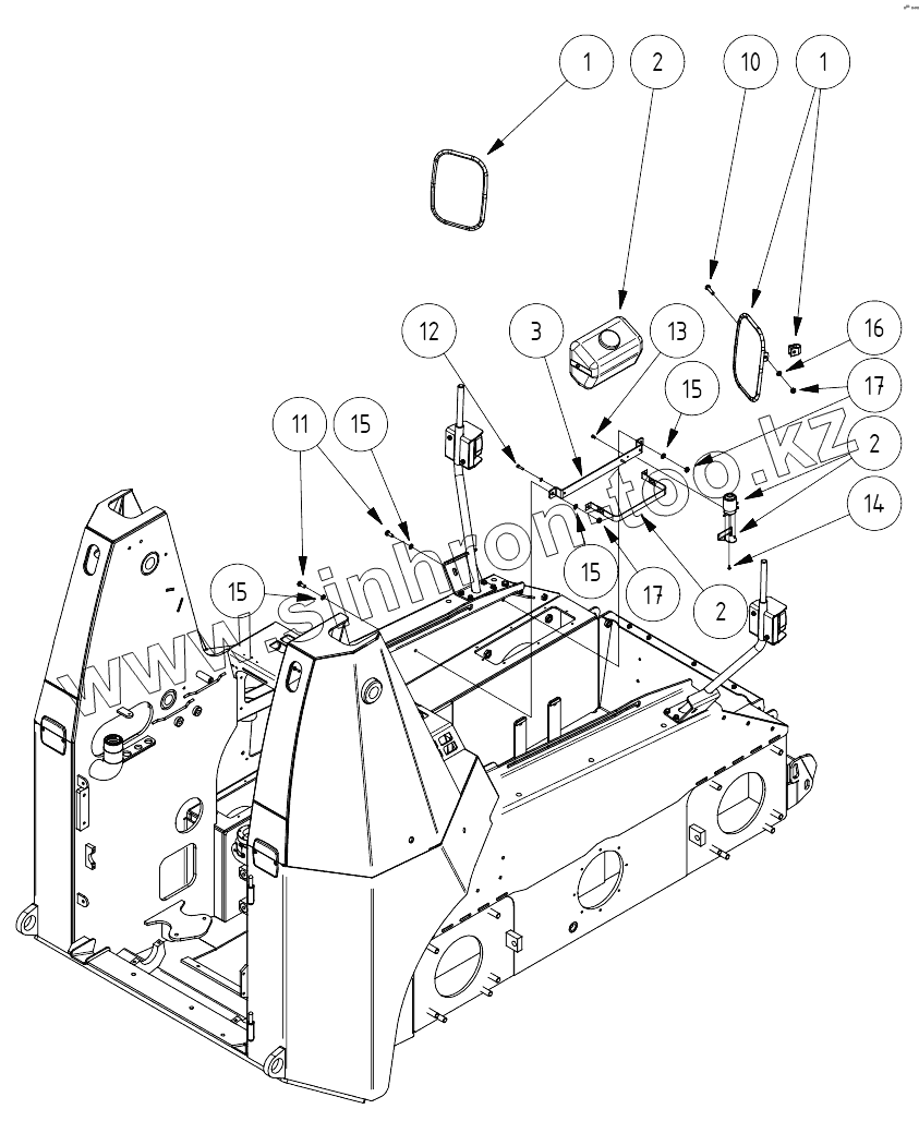
Каталог запасных частей к технике: КЭМЗ ANT1000. Зеркало заднего вида, омыватель ветрового стекла
1
1
2
2
2
3
10
11
12
13
14
15
15
15
15
16
17
17
| Позиция на иллюстрации | Заводской номер детали | Название детали | |
|---|---|---|---|
| 1 | 099-10527 | Зеркало заднего вида | |
| 2 | 099-10249 | Омыватель ветрового стекла | |
| 3 | ANT1001.70.02.001 | Державка | |
| 10 | М8х35 DIN 931 | Болт | |
| 11 | М8х20 DIN 933 | Болт | |
| 12 | М5х20 DIN 933 | Болт | |
| 13 | М4х8 DIN 933 | Болт | |
| 14 | М3х8 DIN 933 | Болт | |
| 15 | М8 DIN 125 - 1А | Шайба | |
| 16 | М8 DIN127 | Шайба | |
| 17 | М8 DIN 934 | Гайка |
Содержащиеся в справочниках-каталогах запасные части и детали не предлагаются к продаже, а носят исключительно информационный характер