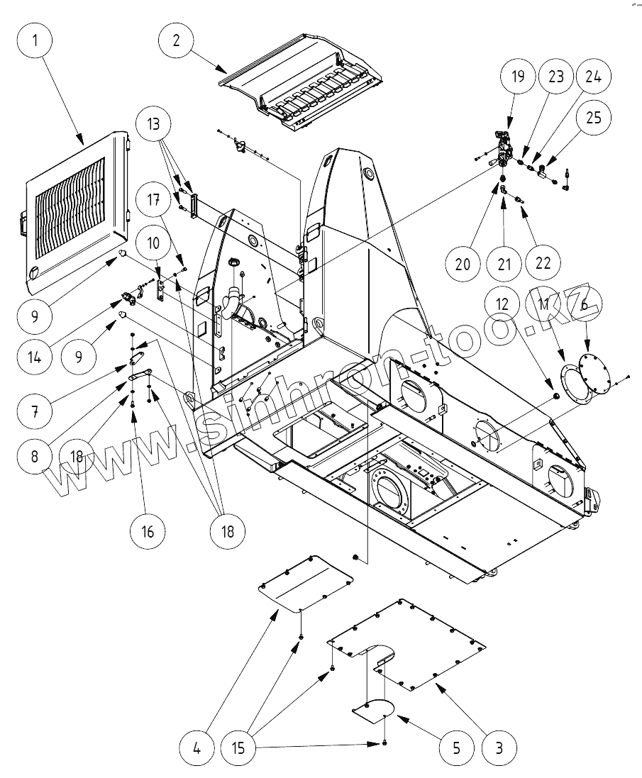
Каталог запасных частей к технике: КЭМЗ ANT1000. Установка двери, капота
1
2
3
4
5
6
7
8
9
9
10
11
12
13
14
15
16
17
18
18
19
20
21
22
23
24
25
| Позиция на иллюстрации | Заводской номер детали | Название детали | |
|---|---|---|---|
| 1 | ANT 1001.10.20.000 | Дверь | |
| 2 | ANT 1001.10.30.000 | Капот | |
| 3 | ANT 1001.10.40.110 | Крышка | |
| 4 | ANT 1001.10.40.201 | Крышка | |
| 5 | ANT 1001.10.40.101 | Крышка | |
| 6 | ANT 1001.80.00.003 | Крышка | |
| 7 | ANT 1001.10.20.001 | Рычаг | |
| 8 | ANT 1001.10.22.001 | Рычаг | |
| 9 | 086-10090 | Буфер | |
| 10 | ANT 1001.10.00.010 | Цапфа замка | |
| 11 | ГЕРМЕТИК | Уплотнение | |
| 12 | 031-10002 | Уровнемер оптический круговой | |
| 13 | 018-10003 | Измеритель уровня | |
| 14 | ANT 1001.50.01.390 | Кабель в сборе | |
| 15 | М10x20 DIN 6921 | Болт | |
| 16 | М10x30 DIN 933 | Болт | |
| 17 | М10x20 DIN 933 | Болт | |
| 18 | М10 DIN 125 - 1А | Шайба | |
| 19 | 084-10004 | Ручной насос | |
| 20 | 145-10795 | Адаптер | |
| 21 | АННУЛИРОВАН | Адаптер | |
| 22 | 127-12039 | Рукав | |
| 23 | 145-10637 | Адаптер | |
| 24 | 145-10791 | Адаптер | |
| 25 | 009-10017 | Вентиль |
Содержащиеся в справочниках-каталогах запасные части и детали не предлагаются к продаже, а носят исключительно информационный характер