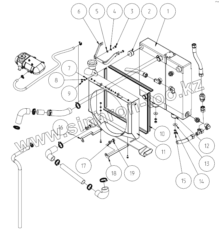
Каталог запасных частей к технике: КЭМЗ ANT1000. Теплообменник комбинированный
1
2
3
4
5
6
7
8
9
10
11
12
13
14
15
16
17
18
19
| Позиция на иллюстрации | Заводской номер детали | Название детали | |
|---|---|---|---|
| 1 | 098-10058/59/15 | Теплобменник комбинированный | |
| 2 | 086-10085 | Буфер | |
| 3 | М10х25 А2С DIN 933 | Болт | |
| 4 | М10 А2 DIN 127 | Шайба | |
| 5 | М10 А2К DIN 125-1А | Шайба | |
| 6 | ANT 1001.30.02.003 | Кронштейн | |
| 7 | М8 А2К DIN 125-1А | Шайба | |
| 8 | М8 А2К DIN 127B | Шайба | |
| 9 | М8-8 А2С DIN 985 | Гайка | |
| 10 | 450 /6307803 | Профиль | |
| 11 | ANT 1001.30.02.150 | Раструб | |
| 12 | 086-10084 | Буфер | |
| 13 | М12 А2 DIN 9021 | Шайба | |
| 14 | М12 А2К DIN 127B | Шайба | |
| 15 | М12-8 А2С DIN 934 | Гайка | |
| 16 | ANT 1001.30.02.009 | Кронштейн | |
| 17 | М16 А2К DIN 127B | Шайба | |
| 18 | ANT 1001.30.02.010 | Кронштейн | |
| 19 | М16х25-8.8 А2C DIN 933 | Болт |
Содержащиеся в справочниках-каталогах запасные части и детали не предлагаются к продаже, а носят исключительно информационный характер