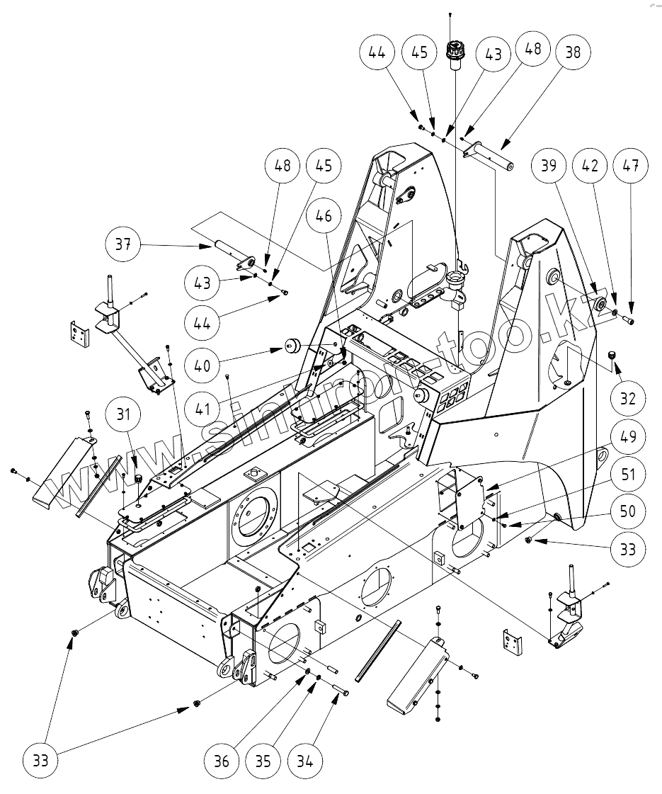
Каталог запасных частей к технике: КЭМЗ ANT1000. Рама
31
32
33
33
34
35
36
37
38
39
40
41
42
43
43
44
44
45
45
46
47
48
48
49
50
51
| Позиция на иллюстрации | Заводской номер детали | Название детали | |
|---|---|---|---|
| 31 | ANT 1001.30.00.005 | Пробка | |
| 32 | АННУЛИРОВАНА | Пробка | |
| 33 | М20х1,5 VHM 90-20ED | Пробка | |
| 34 | М14x80 DIN931 | Болт | |
| 35 | М14 DIN127 | Шайба | |
| 36 | М14 DIN125 - 1А | Шайба | |
| 37 | ANT 1002.00.00.200 | Цапфа | |
| 38 | ANT 1002.00.00.150 | Цапфа | |
| 39 | ANT 1002.00.00.003 | Коьцо | |
| 40 | Буфер 086-10088 | Буфер | |
| 41 | М10 DIN9021 | Шайба | |
| 42 | М17 DIN125 -1А | Шайба | |
| 43 | М10 DIN125 - 1А | Шайба | |
| 44 | М10x20 DIN933 | Болт | |
| 45 | М10 DIN127 | Шайба | |
| 46 | М10 DIN934 | Гайка | |
| 47 | М16х40 DIN912 | Болт | |
| 48 | 1.2.Ц6 | Масленка | |
| 49 | ANT 1001.10.00.005 | Крышка | |
| 50 | DIN933 | Болт м8х12 | |
| 51 | DIN25 - 1А | Шайба м8 |
Содержащиеся в справочниках-каталогах запасные части и детали не предлагаются к продаже, а носят исключительно информационный характер