Каталог запасных частей к технике: КЭМЗ ANT1000. Общий вид
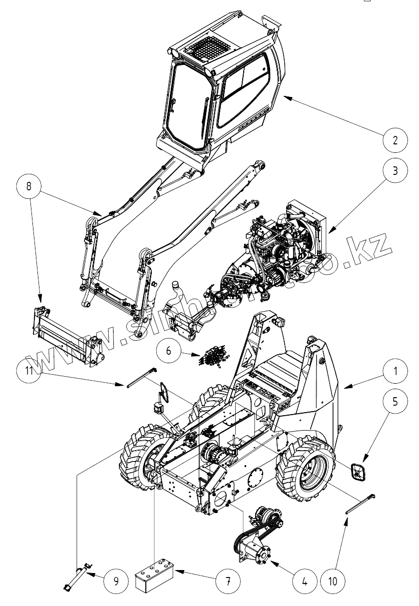
1
2
3
4
5
6
7
8
9
10
11
| Позиция на иллюстрации | Заводской номер детали | Название детали | |
|---|---|---|---|
| 1 | ANT 1001.10.00.000 | Рама | |
| 2 | ANT 1001.40.00.000 | Кабина | |
| 3 | ANT 1001.30.00.000 | Установка силовая | |
| 4 | ANT 1001.80.00.000 | Привод передвижения | |
| 5 | ANT 1001.70.00.000 | Управление | |
| 6 | ANT 1001.60.00.000 | Гидросистема | |
| 7 | ANT 1001.50.00.000 | Электрооборудование | |
| 8 | ANT 1002.00.00.000 | Рабочие оборудование | |
| 9 | Гидравлический цилиндр | Гидравлический цилиндр | |
| 10 | ANT 1001.40.04.000-01 | Тяга в сборе | |
| 11 | ANT 1001.40.04.000 | Тяга в сборе |
Содержащиеся в справочниках-каталогах запасные части и детали не предлагаются к продаже, а носят исключительно информационный характер