Вернуться на главную
Поиск
Каталоги запчастей к технике
Спецтехника
КЭМЗ
ANT1000
Кабина
Каталог запасных частей к технике: КЭМЗ ANT1000. Кабина
zoom-in
zoom-out
enlarge
shrink
circle-right
circle-left
file-text2
info
cart
Тип техники
Не выбрано
Легковые автомобили
Грузовые автомобили и прицепы
Автобусы
Сельхозтехника
Спецтехника
Двигатели
Мототехника
Марка
Не выбрано
Ammann
BOMAG
CARMIX
CASE IH
Changlin
ChengGong
Dimex
Doosan
DYNAPAC
Foton
HAMM
Hidromek
Hitachi
Hyundai
JCB
JLG
John Deere
Komatsu
LIEBHERR
LiuGong
Lonking (LongGong)
Luneng
MANITOU
Mitsuber
New Holland
PENGPU
RM-Terex
SANY
SDLG
SEM
Shantui
Shehwa HBXG
Soosan
TIGARBO
VOGELE
Volvo
WAY
WIRTGEN
XCMG
XGMA
Xiamen
YTO
Yuchai
Zoomlion
Автокран
АЗСМ
Алтайлесмаш
Амкодор
АОМЗ
Атек
АТЗ
Балканкар Рекорд
БелАЗ
Беловеж
Борекс
Брянский Арсенал
Булат
ВЭКС
ГАЗ
Геомаш
Гидромаш
Донекс
Дормаш
Дормашина
Дорэлектромаш
ДЭЗ
ЕлАЗ
ЗЗГТ
Ижнефтемаш
Канаш-электрокар
КЗКТ
ККЗ
Клевер
Клинцовский автокрановый завод
КМЗ
КМЗ 1 Мая
Ковровец
Коммаш
Кранэкс
КЭЗ
КЭМЗ
ЛЗА
МАЗ
МЗИК
МЗКМ
МЗКТ
Михневский РМЗ
МоАЗ
Мозырский МЗ
МТЗ
ОЗП
Онежец
ПАО "ТЗА"
ППС Детва
Промтрактор
ПТЗ
Раскат
СпецАгрегат
ТВЭКС
ТТМ
УВЗ
Угличмаш
УЗТМ
ХТЗ
ЧЗКМ
ЧСДМ
ЧТЗ
ЭКСКО
ЭКСМАШ
ЮрМаш
Модель
Не выбрано
ANT1000
ANT750
Схема
>
Не выбрано
Общий вид
Рама
Рама
Установка двери, капота
Установка двери, капота
Дверь
Капот
Блок тормоза
Адаптер
Адаптер
Адаптер
Кабина
Кабина
Кабина
Кабина
Дверь - С.К.
Форточка
Форточка
Кронштейн
Зеркало заднего вида, омыватель ветрового стекла
Силовая установка
Двигатель
Основной насос
Основной насос
Фильтр воздушный
Теплообменник комбинированный
Теплообменник комбинированный
Выхлоп двигателя
Топливный фильтр
Расширительный бак, отопитель
Трос управления
Привод передвежения
Привод передвежения
Распределитель, пропорциональный клапан, нивелирующий клапан
Распредилитель
Клапан
Нивелирующий клапан
Блок
Гидромотор
Гидромотор
Джойстик
Электрооборудование
Электрооборудование
Электрооборудование
Электрооборудование
Электрооборудование
Электрооборудование
Электрооборудование
Электрооборудование
Рабочее оборудование
Стрела
Стрела
Зажим
Гидравлический цилиндр
Тяга
Тяга
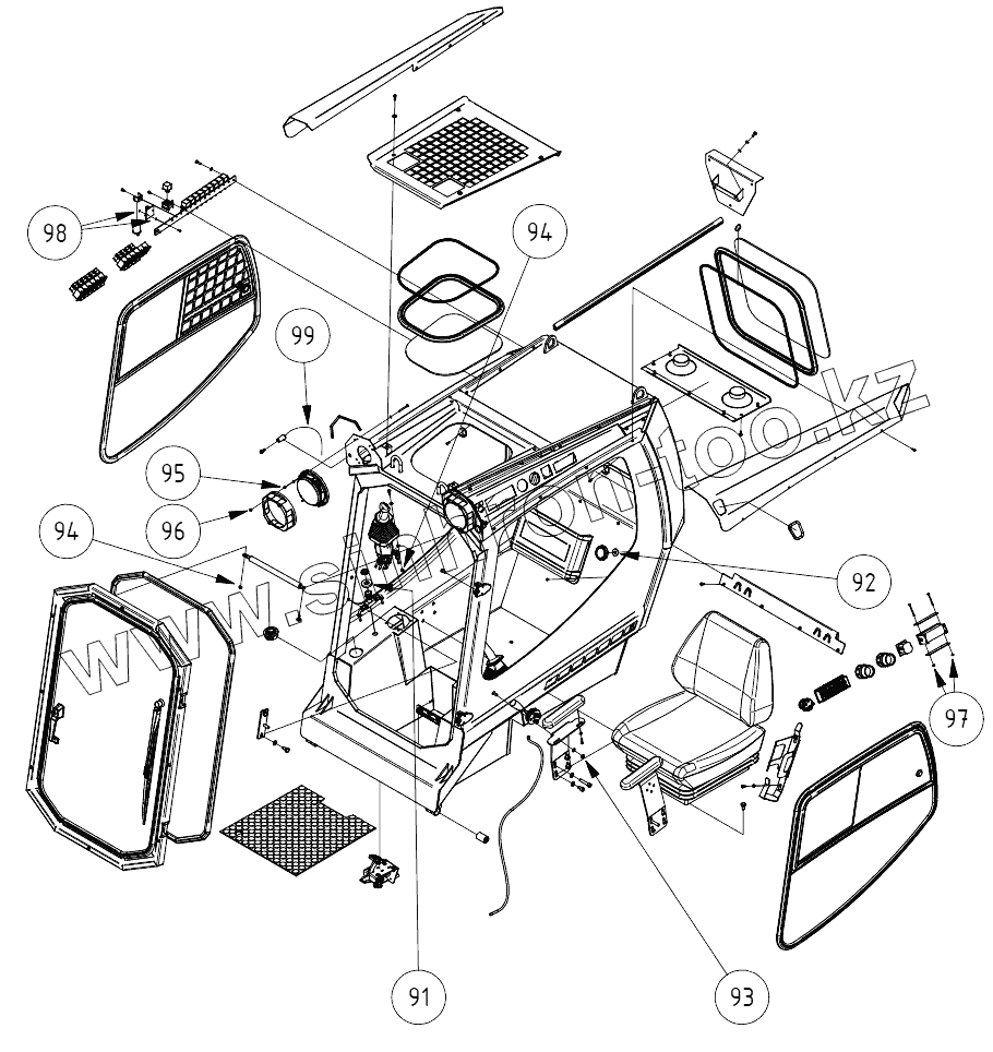
91
92
93
94
94
95
96
97
98
99
Позиция на иллюстрации
Заводской номер детали
Название детали
91
М20 DIN 7349
Шайба
92
М10 DIN 9021
Шайба
93
М8 DIN 985
Гайка
94
М6 DIN 985
Гайка
95
М5 DIN 934
Гайка
96
М5 DIN 1587
Гайка
97
М4 DIN 934
Гайка
98
М3 DIN 934
Гайка
99
Шланг
Шланг омывателя
Содержащиеся в справочниках-каталогах запасные части и детали не предлагаются к продаже, а носят исключительно информационный характер
Дополнительная информация
×
Название:
Номер:
Примечание: