Каталог запасных частей к технике: КЭМЗ ANT1000. Кабина
1
2
3
4
5
6
7
8
9
10
11
12
13
14
15
16
17
18
19
20
21
22
23
24
25
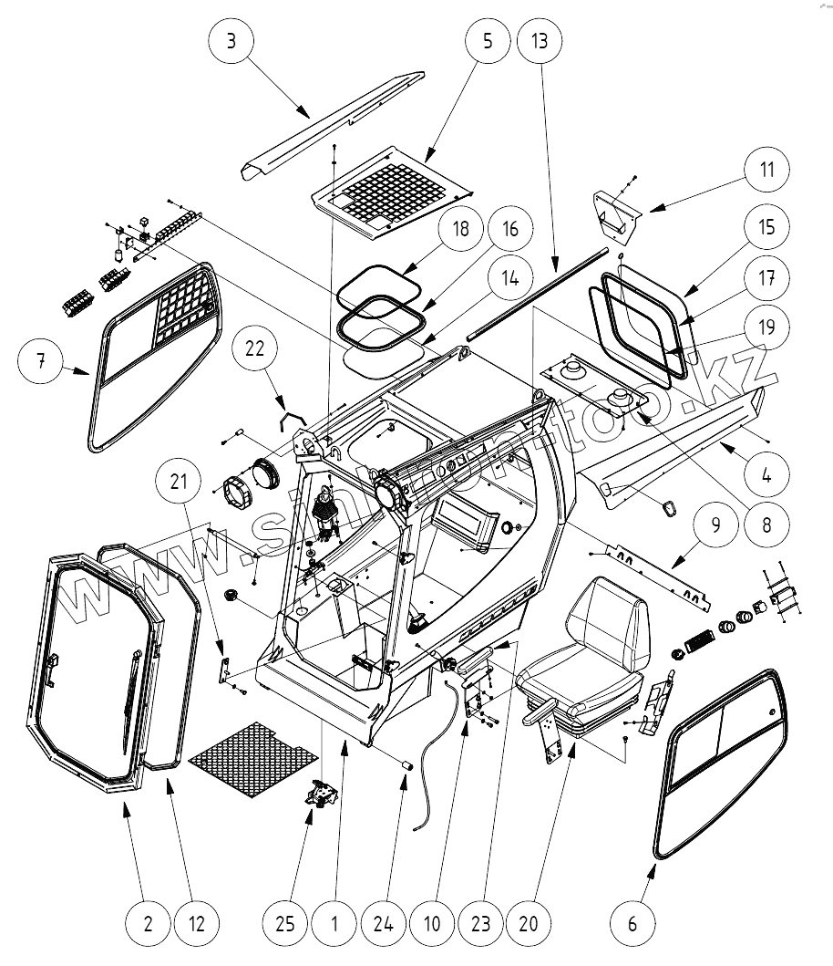
| Позиция на иллюстрации | Заводской номер детали | Название детали | |
|---|---|---|---|
| 1 | ANT 1001.40.01.000 | Кабина | |
| 2 | ANT 1001.40.02.000 | Дверь | |
| 3 | ANT 1001.40.00.500 | Колпак правый | |
| 4 | ANT 1001.40.00.550 | Колпак левый | |
| 5 | ANT 1001.40.00.700 | Решетка | |
| 6 | Стекло левое | Стекло левое комплект | |
| 7 | Стекло правое | Стекло правое комплект | |
| 8 | ANT 1001.40.00.800 | Панель | |
| 9 | ANT 1001.40.00.009 | Полка | |
| 10 | ANT 1001.40.00.010 | Кронштейн | |
| 11 | ANT 1001.40.00.100 | Кронштейн номерного знака | |
| 12 | 2110-6107014 | Уплотнение | |
| 13 | УЭТ - 6107805 | Уплотнение | |
| 14 | ANT 1001.40.00.002 | Стекло | |
| 15 | ANT 1001.40.00.003 | Стекло | |
| 16 | 3741-5206012 | Уплотнение оконное | |
| 17 | 3741-5206012 | Уплотнение оконное | |
| 18 | ТБ-14 | Замок уплотнителя | |
| 19 | ТБ-14 | Замок уплотнителя | |
| 20 | SC1 | Сиденье | |
| 21 | ANT 1001.40.00.400 | Цапфа замка | |
| 22 | Резиновая тесьма | Резиновая тесьма | |
| 23 | КОМПЛЕКТ SC1 | Подлокотник | |
| 24 | 086-10091 | Сайлентблок | |
| 25 | ANT 1001.40.03.000 | Установка педали |
Содержащиеся в справочниках-каталогах запасные части и детали не предлагаются к продаже, а носят исключительно информационный характер