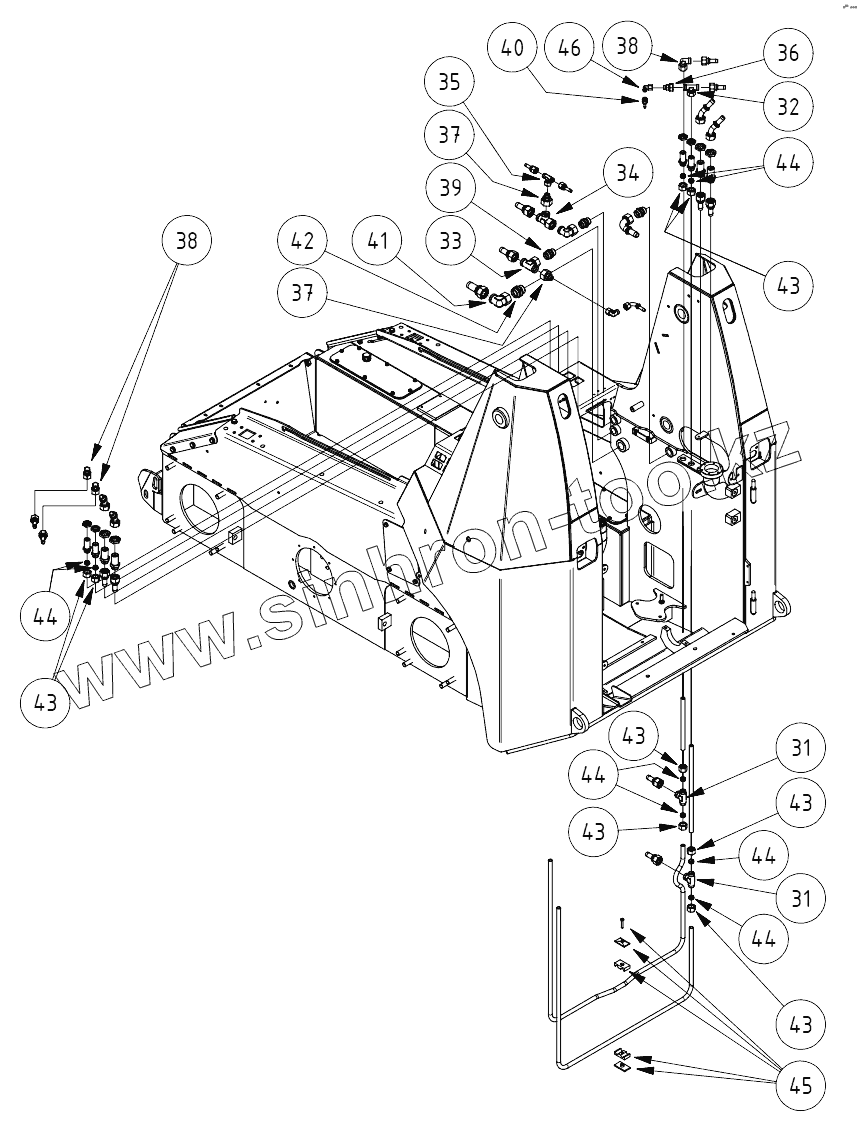
Каталог запасных частей к технике: КЭМЗ ANT1000. Адаптер
31
31
32
33
34
35
36
37
37
38
38
39
40
41
42
43
43
43
43
43
43
44
44
44
44
44
45
46
| Позиция на иллюстрации | Заводской номер детали | Название детали | |
|---|---|---|---|
| 31 | 145-11750 | Адаптер | |
| 32 | 145-10188 | Адаптер | |
| 33 | 145-10191 | Адаптер | |
| 34 | 145-10585 | Адаптер | |
| 35 | 145-10188 | Адаптер | |
| 36 | 145-11147 | АДАПТЕР | |
| 37 | 145-10910 | Адаптер | |
| 38 | 145-10186 | АДАПТЕР | |
| 39 | 145-10040 | Адаптер | |
| 40 | 145-10580 | Адаптер | |
| 41 | 145-10578 | Адаптер | |
| 42 | 145-10041 | Адаптер | |
| 43 | 145-10008 | Гайка накидная | |
| 44 | 145-10018 | Кольцо врезное | |
| 45 | 019-10060 | Хомут | |
| 46 | 145-10580 | Адаптер |
Содержащиеся в справочниках-каталогах запасные части и детали не предлагаются к продаже, а носят исключительно информационный характер