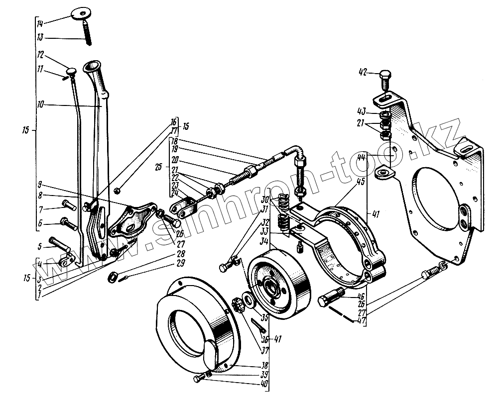
Каталог запасных частей к технике: Канаш-электрокар ЭП-2014. Устройство тормозное 205.00.06.000
1
2
3
4
5
6
7
8
9
10
11
12
13
14
15
15
15
16
16
17
18
19
20
21
21
22
23
24
25
26
26
27
27
28
29
30
31
32
33
34
35
36
37
38
39
40
41
41
42
43
44
45
46
47
| Позиция на иллюстрации | Заводской номер детали | Название детали | |
|---|---|---|---|
| 1 | 258039-П | Шплинт 2,7x20 | |
| 2 | 258014-П | Шплинт 1,8x20 | |
| 3 | 250П67-П8 | Гайка М8х1 | |
| 4 | 51-3508030 | Собачка | |
| 5 | [Ось 6-10h11х45.20Ц9хр ГОСТ9650-80] | Ось 6-10h11х45.20Ц9хр ГОСТ9650-80 | |
| 6 | 205424-П8 | Болт М3х1х35 | |
| 7 | 260060-П8 | Палец 10x35 | |
| 8 | 51-3508028 | Тяга собачки | |
| 9 | 51-3508048 | Сектор | |
| 10 | 51-3508020 | Рычаг | |
| 11 | А-23637 | Штифт | |
| 12 | А-2791-С | Головка тяги | |
| 13 | А-2793-В | Пружина | |
| 14 | А-2794-А | Шляпка | |
| 15 | 205.00.06.010 | Рычаг (доделка) | |
| 16 | 51-3508015 | Болт М8-6gх25.58.019 | |
| 16 | [Болт М8-6gх25.58.019 ГОСТ7798-70] | Болт М8-6gх25.58.019 ГОСТ7798-70 | |
| 17 | [Гайка М8-6Н.5.019 ГОСТ2524-70] | Гайка М8-6Н.5.019 ГОСТ2524-70 | |
| 18 | 203.00.16.016 | Каркас | |
| 19 | 203.00.16.040 | Оболочка | |
| 20 | 201.00.06.011 | Наконечник | |
| 21 | [Гайка М12-6Н.5.019 ГОСТ5915-70] | Гайка М12-6Н.5.019 ГОСТ5915-70 | |
| 22 | [Канат 3,6 (L=960мм) ГОСТ2172-80] | Канат 3,6 (L=960мм) ГОСТ2172-80 | |
| 23 | 201.00.06.009 | Вилка | |
| 24 | 201.00.06.012 | Муфта | |
| 25 | 203.00.16.020 | Трос | |
| 26 | [Болт М10-6gх35.58.019 ГОСТ7798-70] | Болт М10-6gх35.58.019 ГОСТ7798-70 | |
| 27 | [Шайба 10.65Г.019 ГОСТ6402-70] | Шайба 10.65Г.019 ГОСТ6402-70 | |
| 28 | [Шайба 10.01.019 ГОСТ11371-78] | Шайба 10.01.019 ГОСТ11371-78 | |
| 29 | [Шплинт 2,5x20.019 ГОСТ397-79] | Шплинт 2,5x20.019 ГОСТ397-79 | |
| 30 | 201.00.06.008 | Пружина | |
| 31 | [Болт М10-6gх20.58.019 ГОСТ7798-70] | Болт М10-6gх20.58.019 ГОСТ7798-70 | |
| 32 | [Шайба 10.65Г.01.24 ГОСТ6402-70] | Шайба 10.65Г.01.24 ГОСТ6402-70 | |
| 33 | 201.00.06.040 | Колодка | |
| 34 | 203.00.16.028 | Шкив | |
| 35 | [Шайба 20.01.019 ГОСТ11371-78] | Шайба 20.01.019 ГОСТ11371-78 | |
| 36 | [Шплинт 4x45.0.019 ГОСТ397-79] | Шплинт 4x45.0.019 ГОСТ397-79 | |
| 37 | [Гайка М20х1,5.5.019 ГОСТ5919-73] | Гайка М20х1,5.5.019 ГОСТ5919-73 | |
| 38 | 201.00.06.005 | Кожух | |
| 39 | [Шайба 6.65Г.01.24 ГОСТ6402-70] | Шайба 6.65Г.01.24 ГОСТ6402-70 | |
| 40 | [Болт М6-6gх10.58.019 ГОСТ7798-70] | Болт М6-6gх10.58.019 ГОСТ7798-70 | |
| 41 | 203.00.16.080 | Тормоз стояночный | |
| 42 | [Болт М12-6gх45.58.019 ГОСТ7798-70] | Болт М12-6gх45.58.019 ГОСТ7798-70 | |
| 43 | [Шайба 12.01.019 ГОСТ11371-78] | Шайба 12.01.019 ГОСТ11371-78 | |
| 44 | 203.00.16.100 | Кронштейн | |
| 45 | 201.00.06.050 | Колодка | |
| 46 | 701.00.06.004 | Болт | |
| 47 | [Проволока 1,0-С-П (L=160мм) ГОСТ3282-74] | Проволока 1,0-С-П (L=160мм) ГОСТ3282-74 |
Содержащиеся в справочниках-каталогах запасные части и детали не предлагаются к продаже, а носят исключительно информационный характер