Каталог запасных частей к технике: Канаш-электрокар ЭП-2014. Мост ведущий 205.02.00.000-01
205.02.00.000-01
1
2
3
4
5
6
7
8
9
10
11
12
13
13
14
14
15
15
15
16
17
17
18
18
19
19
20
20
21
21
22
22
23
23
24
24
25
26
26
27
27
28
28
29
30
31
32
33
34
35
36
37
38
39
40
41
42
43
44
45
46
47
48
49
50
51
52
53
54
55
56
57
58
59
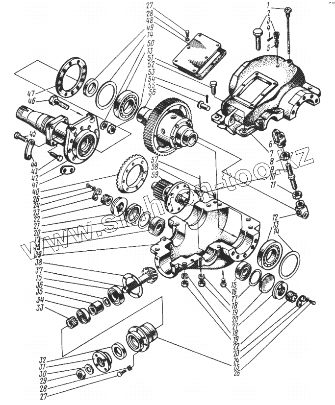
| Позиция на иллюстрации | Заводской номер детали | Название детали | |
|---|---|---|---|
| [Шайба 16.65Г.01.24 ГОСТ5415-70] | [Шайба 16.65Г.01.24 ГОСТ5415-70] | Шайба 16.65Г.01.24 ГОСТ5415-70 | |
| 205.02.01.000-02 | 205.02.01.000-02 | Редуктор | |
| 203.02.01.014-02 | 203.02.01.014-02 | Прокладка | |
| 203.02.01.014-01 | 203.02.01.014-01 | Прокладка | |
| 203.02.01.013-02 | 203.02.01.013-02 | Прокладка | |
| 203.02.01.013-01 | 203.02.01.013-01 | Прокладка | |
| 205.02.00.000-01 | 205.02.00.000-01 | Мост ведущий | |
| 1 | 201.02.01.040 | Маслоуказатель | |
| 2 | [Болт М16-6gх90.58.019 ГОСТ7796-70] | Болт М16-6gх90.58.019 ГОСТ7796-70 | |
| 3 | 201.02.01.038 | Колпачок | |
| 4 | [Шплинт 2x20.019 ГОСТ397-89] | Шплинт 2x20.019 ГОСТ397-89 | |
| 5 | 201.02.01.039 | Трубка | |
| 6 | 203.02.00.014 | Вилка | |
| 7 | 205.02.01.021 | Крышка | |
| 8 | [Гайка М20х1,5-6Н.5.019 ГОСТ5915-70] | Гайка М20х1,5-6Н.5.019 ГОСТ5915-70 | |
| 9 | 203.02.00.013 | Тяга | |
| 10 | 203.02.01.049 | Болт | |
| 11 | [Гайка М20х1,5LН-6Н.5.019 ГОСТ5915-70] | Гайка М20х1,5LН-6Н.5.019 ГОСТ5915-70 | |
| 12 | 203.02.00.016 | Вилка | |
| 13 | [Подшипник 213 ГОСТ8338-75] | Подшипник 213 ГОСТ8338-75 | |
| 14 | 205.02.01.003 | Кольцо | |
| 15 | [Подшипник 7606К ГОСТ333-79] | Подшипник 7606К ГОСТ333-79 | |
| 16 | [Пробка КГ3/8".10кп.019 ОСТ23.1.117-83] | Пробка КГ3/8".10кп.019 ОСТ23.1.117-83 | |
| 17 | [Кольцо 064-070-36-2-2 ГОСТ18829-73] | Кольцо 064-070-36-2-2 ГОСТ18829-73 | |
| 18 | [Шайба 16.65Г.01.24 ГОСТ6402-70] | Шайба 16.65Г.01.24 ГОСТ6402-70 | |
| 19 | [Гайка М16-6Н.5.019] | Гайка М16-6Н.5.019 | |
| 20 | 205.02.01.017 | Крышка | |
| 21 | 205.02.01.014 | Гайка | |
| 22 | 205.02.01.015 | Винт | |
| 23 | 205.02.01.016 | Стопор | |
| 24 | [Шайба 6.65Г.01.24 ГОСТ6402-70] | Шайба 6.65Г.01.24 ГОСТ6402-70 | |
| 25 | 203.02.01.011 | Стакан | |
| 26 | [Болт М6-6gх14.58.019 ГОСТ7796-70] | Болт М6-6gх14.58.019 ГОСТ7796-70 | |
| 27 | [Болт М8-6gх20.58.019 ГОСТ7796-70] | Болт М8-6gх20.58.019 ГОСТ7796-70 | |
| 28 | [Шайба 8.65Г.01.24 ГОСТ6402-70] | Шайба 8.65Г.01.24 ГОСТ6402-70 | |
| 29 | 362048-02 | Гайка М18х1,5 | |
| 30 | 203.02.01.048 | Шайба | |
| 31 | 203.02.01.035 | Фланец | |
| 32 | [Манжета 1.1-50x70-2 ГОСТ8752-79] | Манжета 1.1-50x70-2 ГОСТ8752-79 | |
| 33 | 201.02.01.034 | Втулка | |
| 34 | [Подшипник 7605 ГОСТ333-79] | Подшипник 7605 ГОСТ333-79 | |
| 35 | 203.02.01.012 | Втулка | |
| 36 | 203.02.01.014 | Прокладка | |
| 37 | 408-2402017-01 | Шестерня ведущая | |
| 38 | 203.02.01.013 | Прокладка | |
| 39 | 205.02.01.022 | Корпус | |
| 40 | 408-2402060-01 | Шестерня ведомая | |
| 41 | 203.02.01.037 | Шайба | |
| 42 | 203.02.01.010-02 | Кожух | |
| 43 | [Болт М12-6gх45.58.019 ГОСТ7798-70] | Болт М12-6gх45.58.019 ГОСТ7798-70 | |
| 44 | 203.02.01.033 | Шайба | |
| 45 | [Болт М16-6gх40.109.40Х.019 ГОСТ7798-70] | Болт М16-6gх40.109.40Х.019 ГОСТ7798-70 | |
| 46 | [Болт М20-6gх60.58.019 ГОСТ7798-70] | Болт М20-6gх60.58.019 ГОСТ7798-70 | |
| 47 | 203.02.01.018 | Прокладка | |
| 48 | 205.02.01.024 | Крышка | |
| 49 | [Манжета 1.1-45x65-2 ГОСТ8752-79] | Манжета 1.1-45x65-2 ГОСТ8752-79 | |
| 50 | [Шайба 20.65Г.01.24 ГОСТ6402-70] | Шайба 20.65Г.01.24 ГОСТ6402-70 | |
| 51 | 205.02.01.023 | Прокладка | |
| 52 | [Болт М16-6gх45.109.40Х.019 ГОСТ7798-70] | Болт М16-6gх45.109.40Х.019 ГОСТ7798-70 | |
| 53 | [Гайка М20-6Н.5.019 ГОСТ15521-70] | Гайка М20-6Н.5.019 ГОСТ15521-70 | |
| 54 | [Шплинт 4x40.019 ГОСТ397-79] | Шплинт 4x40.019 ГОСТ397-79 | |
| 55 | [Ось 6-18h11х45.20.Ц9 ГОСТ9650-80] | Ось 6-18h11х45.20.Ц9 ГОСТ9650-80 | |
| 56 | 203.02.01.020 | Дифференциал | |
| 57 | [Проволока 1-08кп (L=900мм) ГОСТ17305-71] | Проволока 1-08кп (L=900мм) ГОСТ17305-71 | |
| 58 | [Штифт 10m6х20 ГОСТ3128-70] | Штифт 10m6х20 ГОСТ3128-70 | |
| 59 | 203.02.01.029 | Вал-шестерня |
Содержащиеся в справочниках-каталогах запасные части и детали не предлагаются к продаже, а носят исключительно информационный характер