Каталог запасных частей к технике: Канаш-электрокар ЭП-2014. Контроллер ЗКУ.004.6Э
6ТР.363.003.63
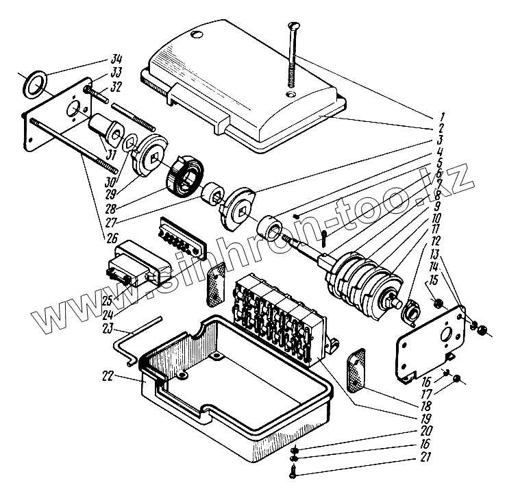
1
2
3
4
5
6
7
8
9
10
11
12
13
14
15
16
16
17
18
19
20
21
22
23
24
25
26
27
28
29
30
31
32
33
34
| Позиция на иллюстрации | Заводской номер детали | Название детали | |
|---|---|---|---|
| 8ТР.371.235 | 8ТР.371.235 | Прокладка | |
| 6ТР.363.003.63 | 6ТР.363.003.63 | Контроллер ЗКУ.004.6Э | |
| 1 | 8ТР.904.131.1 | Винт | |
| 2 | 5ТР.313.019.4 | Крышка | |
| 3 | 8ТР.237.535.2 | Шайба кулачковая | |
| 4 | 8ТР.210.303.1 | Втулка | |
| 5 | [Шпонка 3x3x10 ГОСТ23360-78] | Шпонка 3x3x10 ГОСТ23360-78 | |
| 6 | [Шплинт 2,5x16.00.019 ГОСТ397-79] | Шплинт 2,5x16.00.019 ГОСТ397-79 | |
| 7 | 8ТР.200.176 | Вал | |
| 8 | 8ТР.237.535.3 | Шайба кулачковая | |
| 9 | 8ТР.237.535.4 | Шайба кулачковая | |
| 10 | 8ТР.237.535.5 | Шайба кулачковая | |
| 11 | 8ТР.237.535.6 | Шайба кулачковая | |
| 12 | 8ТР.210.393 | Втулка | |
| 13 | 8ТР.050.413 | Стенка | |
| 14 | [Шайба 5.65Г.016 ГОСТ6402-70] | Шайба 5.65Г.016 ГОСТ6402-70 | |
| 15 | [Гайка М5-6Н.5.016 ГОСТ5927-70] | Гайка М5-6Н.5.016 ГОСТ5927-70 | |
| 16 | [Шайба 4.65Г.016 ГОСТ6402-70] | Шайба 4.65Г.016 ГОСТ6402-70 | |
| 17 | [Гайка М4-6Н.5.016 ГОСТ5927-70] | Гайка М4-6Н.5.016 ГОСТ5927-70 | |
| 18 | 8ТР.760.395 | Прокладка | |
| 19 | [Микровыключатель МП1107 исп.2Э ТУ16-526.329-73] | Микровыключатель МП1107 исп.2Э ТУ16-526.329-73 | |
| 20 | [Шайба 4.01.016 ГОСТ11371-78] | Шайба 4.01.016 ГОСТ11371-78 | |
| 21 | [Винт ВМ4-6gх8.48.016 ГОСТ1491-80] | Винт ВМ4-6gх8.48.016 ГОСТ1491-80 | |
| 22 | 5ТР.024.156.4 | Основание | |
| 23 | 8ТР.371.235-01 | Прокладка | |
| 24 | Р110-113Э | Розетка | |
| 25 | РП10-11ЛПЭ | Вилка | |
| 26 | [Шпилька М4-6gх130.48.016] | Шпилька М4-6gх130.48.016 | |
| 27 | 8ТР.210.336.1 | Втулка | |
| 28 | 8ТР.284.058.1 | Пружина | |
| 29 | 8ТР.237.535.1 | Шайба кулачковая | |
| 30 | 8ТР.950.356.1 | Шайба регулировочная | |
| 31 | 8ТР.210.392 | Втулка | |
| 32 | [Шпилька М5-6gх130.48.016 ГОСТ22042-76] | Шпилька М5-6gх130.48.016 ГОСТ22042-76 | |
| 33 | 8ТР.050.629 | Стенка | |
| 34 | 8ТР.371.003 | Прокладка |
Содержащиеся в справочниках-каталогах запасные части и детали не предлагаются к продаже, а носят исключительно информационный характер