Каталог запасных частей к технике: Канаш-электрокар ЭП-2014. Контактор КМ41.38
ДИБШ.644423.007-27
1
2
3
4
5
6
7
7
7
8
8
9
9
9
10
10
10
11
11
11
12
13
14
15
15
16
17
18
19
20
21
22
23
23
24
25
26
27
28
29
30
30
30
31
32
33
33
33
34
35
36
36
37
37
38
39
39
40
40
40
41
42
42
42
43
44
45
46
47
48
49
50
50
51
52
53
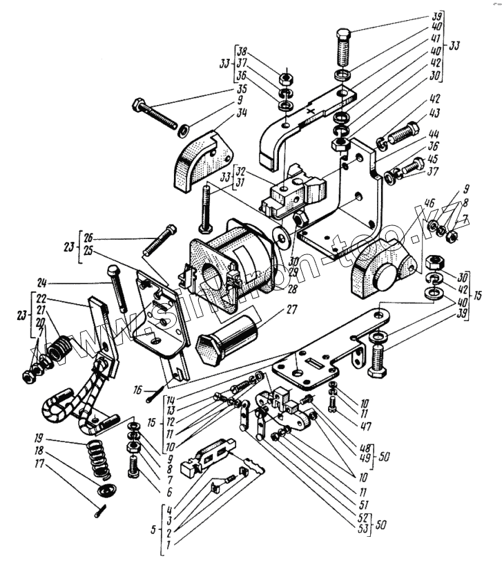
| Позиция на иллюстрации | Заводской номер детали | Название детали | |
|---|---|---|---|
| [Шайба 6Т.65Г.019 ГОСТ6402-70] | [Шайба 6Т.65Г.019 ГОСТ6402-70] | Шайба 6Т.65Г.019 ГОСТ6402-70 | |
| ДИБШ.754342.034-27 | ДИБШ.754342.034-27 | Табличка | |
| ДИБШ.685617.022 | ДИБШ.685617.022 | Соединение гибкое | |
| ДИБШ.644423.007-27 | ДИБШ.644423.007-27 | Контактор КМ41.38 | |
| [Винт В.М6х12.48.019 ГОСТ1491-80] | [Винт В.М6х12.48.019 ГОСТ1491-80] | Винт В.М6х12.48.019 ГОСТ1491-80 | |
| ДИБШ.301612.001 | ДИБШ.301612.001 | Винт | |
| 1 | 5ТР.553.058 | Мостик | |
| 2 | 8ТР.140.120-01 | Скоба | |
| 3 | 8ТР.281.213 | Пружина | |
| 4 | ДИБШ.734112.019 | Траверса | |
| 5 | ДИБШ.301328.001 | Траверса | |
| 6 | [Винт В.М5-6gх16.41.016 ГОСТ1491-80] | Винт В.М5-6gх16.41.016 ГОСТ1491-80 | |
| 7 | [Гайка М5-6Н.5.016 ГОСТ5927-70] | Гайка М5-6Н.5.016 ГОСТ5927-70 | |
| 8 | [Шайба 5.65Г.016 ГОСТ6402-70] | Шайба 5.65Г.016 ГОСТ6402-70 | |
| 9 | [Шайба 5.01.016 ГОСТ11371-78] | Шайба 5.01.016 ГОСТ11371-78 | |
| 10 | [Шайба 4.01.016 ГОСТ11371-78] | Шайба 4.01.016 ГОСТ11371-78 | |
| 11 | [Шайба 4.65Г.016 ГОСТ6402-70] | Шайба 4.65Г.016 ГОСТ6402-70 | |
| 12 | [Винт В.М4-6gх8.48.016 ГОСТ1491-80] | Винт В.М4-6gх8.48.016 ГОСТ1491-80 | |
| 13 | [Винт В.М4-6gх16.48.016 ГОСТ1491-80] | Винт В.М4-6gх16.48.016 ГОСТ1491-80 | |
| 14 | ДИБШ.734112.025 | Кронштейн | |
| 15 | ДИБШ.301562.014-02 | Кронштейн | |
| 16 | [Шплинт 2,5x20.00.016 ГОСТ397-79] | Шплинт 2,5x20.00.016 ГОСТ397-79 | |
| 17 | [Шплинт 2x12.00.016 ГОСТ397-79] | Шплинт 2x12.00.016 ГОСТ397-79 | |
| 18 | ДИБШ.711141.019-02 | Шайба | |
| 19 | ДИБШ.753511.010 | Пружина | |
| 20 | ДИБШ.758491.002 | Шайба | |
| 21 | ДИБШ.753511.005 | Пружина | |
| 22 | ДИБШ.685181.004 | Контакт | |
| 23 | ДИБШ.684251.010-01 | Якорь | |
| 24 | ДИБШ.715111.009-01 | Пружинодержатель | |
| 25 | ДИБШ.684251.002 | Якорь | |
| 26 | ДИБШ.758121.017 | Болт | |
| 27 | ДИБШ.757266.003-01 | Сердечник | |
| 28 | ДИБШ.685452.010-27 | Катушка | |
| 29 | ДИБШ.758491.019 | Шайба | |
| 30 | [Гайка М8-6Н.5.016 ГОСТ5927-70] | Гайка М8-6Н.5.016 ГОСТ5927-70 | |
| 31 | [Болт М6-6gх45.48.019 ГОСТ7795-70] | Болт М6-6gх45.48.019 ГОСТ7795-70 | |
| 32 | ДИБШ.733121.012 | Колодка | |
| 33 | ДИБШ.686462.005 | Колодка контактная | |
| 34 | ДИБШ.686444.005-01 | Стенка | |
| 35 | ДИБШ.758121.017-02 | Болт | |
| 36 | [Шайба 6.01.016 ГОСТ11371-78] | Шайба 6.01.016 ГОСТ11371-78 | |
| 37 | [Шайба 6Т.65Г.019 ГОСТ6402-70] | Шайба 6Т.65Г.019 ГОСТ6402-70 | |
| 38 | [Гайка М6-6Н.5.016 ГОСТ5927-70] | Гайка М6-6Н.5.016 ГОСТ5927-70 | |
| 39 | [Болт М8-6gх25.48.019 ГОСТ7796-70] | Болт М8-6gх25.48.019 ГОСТ7796-70 | |
| 40 | [Шайба 8.01.016 ГОСТ11371-78] | Шайба 8.01.016 ГОСТ11371-78 | |
| 41 | ДИБШ.685181.006 | Контакт | |
| 42 | [Шайба 8Т.65Г.019 ГОСТ6402-70] | Шайба 8Т.65Г.019 ГОСТ6402-70 | |
| 43 | [Болт М8-6gх25.48.019 ГОСТ7805-70] | Болт М8-6gх25.48.019 ГОСТ7805-70 | |
| 44 | ДИБШ.757254.005 | Ярмо | |
| 45 | [Болт М6-6gх16.48.019 ГОСТ7805-70] | Болт М6-6gх16.48.019 ГОСТ7805-70 | |
| 46 | ДИБШ.686444.005 | Стенка | |
| 47 | [Винт В.М4-6gх10.48.016 ГОСТ1491-80] | Винт В.М4-6gх10.48.016 ГОСТ1491-80 | |
| 48 | [Винт В.М4-6gх8.48.016 ГОСТ17475-80] | Винт В.М4-6gх8.48.016 ГОСТ17475-80 | |
| 49 | 8ТР.143.183 | Колодка | |
| 50 | ДИБШ.686462.003-02 | Колодка контактная | |
| 51 | [Гайка М4-6Н.5.016 ГОСТ5927-70] | Гайка М4-6Н.5.016 ГОСТ5927-70 | |
| 52 | 5ТР.551.199 | Контакт | |
| 53 | 5ТР.551.191 | Контакт |
Содержащиеся в справочниках-каталогах запасные части и детали не предлагаются к продаже, а носят исключительно информационный характер