Каталог запасных частей к технике: Канаш-электрокар ЭП-2014. Электрооборудование 205.11.00.000-01
205.11.00.000-01
205.11.00.000-04
1
1
2
2
3
4
5
6
7
7
8
9
10
11
12
13
14
15
16
17
18
19
20
21
22
23
24
25
26
27
28
29
29
30
31
32
33
34
35
36
37
38
39
40
41
42
43
44
45
46
47
48
49
50
51
| Позиция на иллюстрации | Заводской номер детали | Название детали | |
|---|---|---|---|
| [Гайка М10-6Н.5.019 ГОСТ5915-70] | [Гайка М10-6Н.5.019 ГОСТ5915-70] | Гайка М10-6Н.5.019 ГОСТ5915-70 | |
| 205.11.00.005 | 205.11.00.005 | Планка | |
| [Гайка М8-6Н.5.019 ГОСТ5915-70] | [Гайка М8-6Н.5.019 ГОСТ5915-70] | Гайка М8-6Н.5.019 ГОСТ5915-70 | |
| [Гайка М6-6Н.5.019 ГОСТ5927-70] | [Гайка М6-6Н.5.019 ГОСТ5927-70] | Гайка М6-6Н.5.019 ГОСТ5927-70 | |
| [Гайка М6-6Н.5.019 ГОСТ5927-70] | [Гайка М6-6Н.5.019 ГОСТ5927-70] | Гайка М6-6Н.5.019 ГОСТ5927-70 | |
| [Гайка М6-6Н.5.019 ГОСТ5917-70] | [Гайка М6-6Н.5.019 ГОСТ5917-70] | Гайка М6-6Н.5.019 ГОСТ5917-70 | |
| [Гайка М5-6Н.5.019 ГОСТ5927-70] | [Гайка М5-6Н.5.019 ГОСТ5927-70] | Гайка М5-6Н.5.019 ГОСТ5927-70 | |
| [Гайка М4-6Н.5.019 ГОСТ5927-70] | [Гайка М4-6Н.5.019 ГОСТ5927-70] | Гайка М4-6Н.5.019 ГОСТ5927-70 | |
| [Гайка М12-6Н.5.019 ГОСТ5915-70] | [Гайка М12-6Н.5.019 ГОСТ5915-70] | Гайка М12-6Н.5.019 ГОСТ5915-70 | |
| [Гайка М10-6Н.5.019 ГОСТ5915-70] | [Гайка М10-6Н.5.019 ГОСТ5915-70] | Гайка М10-6Н.5.019 ГОСТ5915-70 | |
| [Шайба 10.01.019 ГОСТ11371-78] | [Шайба 10.01.019 ГОСТ11371-78] | Шайба 10.01.019 ГОСТ11371-78 | |
| [Винт В1.М6-6gх16.58.019 ГОСТ17473-80] | [Винт В1.М6-6gх16.58.019 ГОСТ17473-80] | Винт В1.М6-6gх16.58.019 ГОСТ17473-80 | |
| [Винт В1.М6-6gх10.58.019 ГОСТ17473-80] | [Винт В1.М6-6gх10.58.019 ГОСТ17473-80] | Винт В1.М6-6gх10.58.019 ГОСТ17473-80 | |
| [Винт В1.М6-6gх10.58.019 ГОСТ17473-80] | [Винт В1.М6-6gх10.58.019 ГОСТ17473-80] | Винт В1.М6-6gх10.58.019 ГОСТ17473-80 | |
| [Винт В1.М6-6gх10.58.019 ГОСТ17473-80] | [Винт В1.М6-6gх10.58.019 ГОСТ17473-80] | Винт В1.М6-6gх10.58.019 ГОСТ17473-80 | |
| [Винт В1.М6-6gх10.58.019 ГОСТ17473-80] | [Винт В1.М6-6gх10.58.019 ГОСТ17473-80] | Винт В1.М6-6gх10.58.019 ГОСТ17473-80 | |
| [Винт В1.М4-6gх10.58.019 ГОСТ17473-80] | [Винт В1.М4-6gх10.58.019 ГОСТ17473-80] | Винт В1.М4-6gх10.58.019 ГОСТ17473-80 | |
| [Болт М5-6gх45.58.019 ГОСТ7805-70] | [Болт М5-6gх45.58.019 ГОСТ7805-70] | Болт М5-6gх45.58.019 ГОСТ7805-70 | |
| [Болт М12-6gх45.58.019 ГОСТ7798-70] | [Болт М12-6gх45.58.019 ГОСТ7798-70] | Болт М12-6gх45.58.019 ГОСТ7798-70 | |
| [Шайба 5.65Г.019 ГОСТ6402-70] | [Шайба 5.65Г.019 ГОСТ6402-70] | Шайба 5.65Г.019 ГОСТ6402-70 | |
| 205.11.00.000-01 | 205.11.00.000-01 | Электрооборудование | |
| [Шайба 8.65Г.019 ГОСТ6402-70] | [Шайба 8.65Г.019 ГОСТ6402-70] | Шайба 8.65Г.019 ГОСТ6402-70 | |
| [Шайба 8.65Г.019 ГОСТ6402-70] | [Шайба 8.65Г.019 ГОСТ6402-70] | Шайба 8.65Г.019 ГОСТ6402-70 | |
| [Шайба 8.01.019 ГОСТ11371-78] | [Шайба 8.01.019 ГОСТ11371-78] | Шайба 8.01.019 ГОСТ11371-78 | |
| [Шайба 6.65Г.019 ГОСТ6402-70] | [Шайба 6.65Г.019 ГОСТ6402-70] | Шайба 6.65Г.019 ГОСТ6402-70 | |
| [Шайба 6.65Г.019 ГОСТ6402-70] | [Шайба 6.65Г.019 ГОСТ6402-70] | Шайба 6.65Г.019 ГОСТ6402-70 | |
| [Шайба 6.65Г.019 ГОСТ6402-70] | [Шайба 6.65Г.019 ГОСТ6402-70] | Шайба 6.65Г.019 ГОСТ6402-70 | |
| [Шайба 6.65Г.019 ГОСТ6402-70] | [Шайба 6.65Г.019 ГОСТ6402-70] | Шайба 6.65Г.019 ГОСТ6402-70 | |
| [Шайба 6.65Г.019 ГОСТ6402-70] | [Шайба 6.65Г.019 ГОСТ6402-70] | Шайба 6.65Г.019 ГОСТ6402-70 | |
| [Шайба 4.65Г.019 ГОСТ6402-70] | [Шайба 4.65Г.019 ГОСТ6402-70] | Шайба 4.65Г.019 ГОСТ6402-70 | |
| [Шайба 4.65Г.019 ГОСТ6402-70] | [Шайба 4.65Г.019 ГОСТ6402-70] | Шайба 4.65Г.019 ГОСТ6402-70 | |
| [Шайба 4.01.019 ГОСТ11371-78] | [Шайба 4.01.019 ГОСТ11371-78] | Шайба 4.01.019 ГОСТ11371-78 | |
| [Шайба 12.01.019 ГОСТ11371-78] | [Шайба 12.01.019 ГОСТ11371-78] | Шайба 12.01.019 ГОСТ11371-78 | |
| [Шайба 10.65Г.019 ГОСТ6402-70] | [Шайба 10.65Г.019 ГОСТ6402-70] | Шайба 10.65Г.019 ГОСТ6402-70 | |
| 205.11.00.000-04 | 205.11.00.000-04 | Электрооборудование | |
| [Шайба 10.65Г.019 ГОСТ6402-70] | [Шайба 10.65Г.019 ГОСТ6402-70] | Шайба 10.65Г.019 ГОСТ6402-70 | |
| [Шайба 10.01.019 ГОСТ11371-78] | [Шайба 10.01.019 ГОСТ11371-78] | Шайба 10.01.019 ГОСТ11371-78 | |
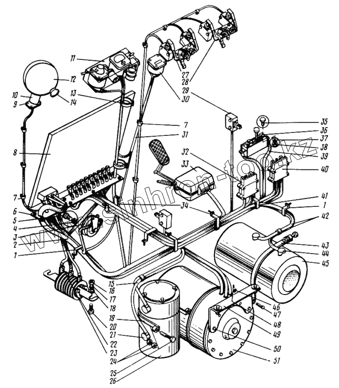
| 1 | 205.11.00.070 | Скоба | |
| 2 | 205.11.00.050-02 | Жгут | |
| 2 | 205.11.00.050 | Жгут | |
| 3 | [Сигнал звуковой С311Э ТУ37.003.565-77] | Сигнал звуковой С311Э ТУ37.003.565-77 | |
| 4 | [Шайба 8.65Г.019 ГОСТ6402-70] | Шайба 8.65Г.019 ГОСТ6402-70 | |
| 5 | [Болт М8-6gх12.58.019 ГОСТ7798-70] | Болт М8-6gх12.58.019 ГОСТ7798-70 | |
| 6 | 205.11.00.004 | Уплотнитель | |
| 7 | 201Б.01.00.002 | Скоба | |
| 8 | ДИБШ.656131.025-01 | Блок ЗБ.518 | |
| 9 | [Винт В1.М4-6gх16.58.019 ГОСТ17473-80] | Винт В1.М4-6gх16.58.019 ГОСТ17473-80 | |
| 10 | 205.01.00.003 | Втулка | |
| 11 | ДИБМ.454367.001 | Панель приборов | |
| 12 | ФГ16-3711000 ТУ37.003.517-81 | Фара поворотная | |
| 13 | ДИБМ.741246.003 | Хомут | |
| 14 | 201.01.00.020 | Рукоятка | |
| 15 | 205.11.00.030 | Жгут | |
| 16 | [Гайка М12-6Н.5.019 ГОСТ5915-70] | Гайка М12-6Н.5.019 ГОСТ5915-70 | |
| 17 | [Шайба 12.65Г.019 ГОСТ6402-70] | Шайба 12.65Г.019 ГОСТ6402-70 | |
| 18 | [Шайба 12.01.019 ГОСТ11371-78] | Шайба 12.01.019 ГОСТ11371-78 | |
| 19 | 205.11.00.080 | Хомут | |
| 20 | [Болт М12-6gх25.58.019 ГОСТ7798-70] | Болт М12-6gх25.58.019 ГОСТ7798-70 | |
| 21 | 0601.01.00.061 | Колпачок | |
| 22 | [Сопротивление ЗС.002.25Э ТУ16-539.257-77] | Сопротивление ЗС.002.25Э ТУ16-539.257-77 | |
| 23 | 205.11.00.010 | Жгут | |
| 24 | [Гайка М8-6Н.5.019 ГОСТ5915-70] | Гайка М8-6Н.5.019 ГОСТ5915-70 | |
| 25 | [Болт М8-6gх65.58.019 ГОСТ7798-70] | Болт М8-6gх65.58.019 ГОСТ7798-70 | |
| 26 | [Электродвигатель ЗДН.37Э ТУ16-539.257-77] | Электродвигатель ЗДН.37Э ТУ16-539.257-77 | |
| 27 | 205.11.00.100-01 | Механизм включения | |
| 28 | 205.11.00.100-04 | Механизм включения | |
| 29 | [Микровыключатель 11АЭ ТУ16-526.329-78] | Микровыключатель 11АЭ ТУ16-526.329-78 | |
| 29 | [Микровыключатель МП1313ЛУ2 ТУ16-526.329-78] | Микровыключатель МП1313ЛУ2 ТУ16-526.329-78 | |
| 30 | [Счетчик времени СВН-2-01 ТУ25-1865.081-87] | Счетчик времени СВН-2-01 ТУ25-1865.081-87 | |
| 31 | ДИБМ.453765.002 | Жгут | |
| 32 | ДИБМ.434436.001-02 | Розетка | |
| 33 | 205.01.02.000-01 | Установка контроллера | |
| 34 | 205.11.00.070-04 | Скоба | |
| 35 | [Болт М6-6gх14.58.019 ГОСТ7798-70] | Болт М6-6gх14.58.019 ГОСТ7798-70 | |
| 36 | 103К.01.00.150 | Выключатель | |
| 37 | [Шайба 6.65Г.019 ГОСТ6402-70] | Шайба 6.65Г.019 ГОСТ6402-70 | |
| 38 | [Гайка М6-6Н.5.019 ГОСТ5927-70] | Гайка М6-6Н.5.019 ГОСТ5927-70 | |
| 39 | ДИБМ.453766.001 | Провод | |
| 40 | ДИБМ.434436.001 | Розетка | |
| 41 | 205.11.00.070-02 | Скоба | |
| 42 | 205.11.00.020 | Жгут | |
| 43 | 203.01.00.060 | Хомут | |
| 44 | 203.01.00.004 | Колпачок | |
| 45 | [Электродвигатель ЗДН.61Э ТУ16-539.257-77] | Электродвигатель ЗДН.61Э ТУ16-539.257-77 | |
| 46 | [Шайба 8.01.019 ГОСТ11371-78] | Шайба 8.01.019 ГОСТ11371-78 | |
| 47 | [Ось 6-8h11х40.20.Ц9хр ГОСТ9650-80] | Ось 6-8h11х40.20.Ц9хр ГОСТ9650-80 | |
| 48 | [Шплинт 2x12.019 ГОСТ397-79] | Шплинт 2x12.019 ГОСТ397-79 | |
| 49 | 205.01.007 | Кронштейн | |
| 50 | [Болт М8-6gх30.58.019 ГОСТ7798-70] | Болт М8-6gх30.58.019 ГОСТ7798-70 | |
| 51 | [Электродвигатель РТ-2.7Э ТУ16-539.257-77] | Электродвигатель РТ-2.7Э ТУ16-539.257-77 |
Содержащиеся в справочниках-каталогах запасные части и детали не предлагаются к продаже, а носят исключительно информационный характер