Вернуться на главную
Поиск
Каталоги запчастей к технике
Спецтехника
John Deere
JD-325SK
Каналы сист. обогрева и сист. кондиц. воздуха
Каталог запасных частей к технике: John Deere JD-325SK. Каналы сист. обогрева и сист. кондиц. воздуха
zoom-in
zoom-out
enlarge
shrink
circle-right
circle-left
file-text2
info
cart
Тип техники
Не выбрано
Легковые автомобили
Грузовые автомобили и прицепы
Автобусы
Сельхозтехника
Спецтехника
Двигатели
Мототехника
Марка
Не выбрано
Ammann
BOMAG
CARMIX
CASE IH
Changlin
ChengGong
Dimex
Doosan
DYNAPAC
Foton
HAMM
Hidromek
Hitachi
Hyundai
JCB
JLG
John Deere
Komatsu
LIEBHERR
LiuGong
Lonking (LongGong)
Luneng
MANITOU
Mitsuber
New Holland
PENGPU
RM-Terex
SANY
SDLG
SEM
Shantui
Shehwa HBXG
Soosan
TIGARBO
VOGELE
Volvo
WAY
WIRTGEN
XCMG
XGMA
Xiamen
YTO
Yuchai
Zoomlion
Автокран
АЗСМ
Алтайлесмаш
Амкодор
АОМЗ
Атек
АТЗ
Балканкар Рекорд
БелАЗ
Беловеж
Борекс
Брянский Арсенал
Булат
ВЭКС
ГАЗ
Геомаш
Гидромаш
Донекс
Дормаш
Дормашина
Дорэлектромаш
ДЭЗ
ЕлАЗ
ЗЗГТ
Ижнефтемаш
Канаш-электрокар
КЗКТ
ККЗ
Клевер
Клинцовский автокрановый завод
КМЗ
КМЗ 1 Мая
Ковровец
Коммаш
Кранэкс
КЭЗ
КЭМЗ
ЛЗА
МАЗ
МЗИК
МЗКМ
МЗКТ
Михневский РМЗ
МоАЗ
Мозырский МЗ
МТЗ
ОЗП
Онежец
ПАО "ТЗА"
ППС Детва
Промтрактор
ПТЗ
Раскат
СпецАгрегат
ТВЭКС
ТТМ
УВЗ
Угличмаш
УЗТМ
ХТЗ
ЧЗКМ
ЧСДМ
ЧТЗ
ЭКСКО
ЭКСМАШ
ЮрМаш
Модель
Не выбрано
JD-315SK(часть 1) (2015)
JD-315SK(часть 2) (2015)
JD-325SK (2015)
Схема
>
Не выбрано
Обод, 19,5 L-24 дюйма и 12,5 X 80-18 дюймов Firestone MFWD
Обод, 16,9-28 дюймов и 12,5 X 80-18 дюймов Goodyear MFWD
Обод, 21 L-24 дюйма и 12,5 X 80-18 дюймов Firestone MFWD
Обод, MFWD с шинами Goodyear 16.9-28 дюйма и Firestone 12.5-20 дюйма
Обод, 16,9-28 дюймов и 12,5-20 дюймов, Firestone, MFWD
Узел в комплекте заднего моста и дифференциала (-270944)
Узел в комплекте заднего моста и дифференциала (270945-)
Корпусы дифференциала и заднего моста (-270515)
Корпусы дифференциала и заднего моста (270516-)
Водило планетарной передачи заднего моста
Задняя входная коническая шестиренка и набор зубчатых венец
Картер и шестерни дифференциала
Трубопровод блокировки дифференциала
Передний приводной вал
Передний мост с MFWD
Корпус переднего моста с MFWD
Ступицы корпуса, валы и универсальные шарниры переднего моста с MFWD
Планетарный привод переднего моста
Самоблокирующийся дифференциал, передний мост
Входная шестерня спиральнозубой конической передачи и кольцевая шестерня, передний дифференциал
Рычаг управления коробкой передач
Задний приводной вал
Трансмиссия, масляный щуп и трубка с MFWD
Задний корпус коробки передач и заливная масляная трубка
Передний корпус коробки передач и крышка гидротрансформатора
Гидротрансформатор
Муфта заднего хода и входной вал (KR)
Узел муфты нижнего диапазона переднего хода (KV)
Узел муфты первой скорости
Узел муфты второй скорости
Узел муфты третьей скорости
Узел муфты верхнего диапазона переднего хода
Узел муфты мех. привода передних колес
Выходной вал трансмиссии, задний
Ограждение трансмиссии
Питающий насос коробки передач
Фильтр трансмиссионного масла
Соленоиды блока переключения передач
Датчик скорости коробки передач
Опоры крепления силовой передачи
Крышка клапанного механизма
Маслоналивная горловина
Шкив коленчатого вала
Корпус маховика
Маховик
16EY Нагнет. топл. насос
17DZ Воздухозаборник
Масляный поддон
Шкив водяного насоса
Крышка термостата
Термостат
Заглушка, без подогревателя охлаждающей жидкости двигателя
Выхлопной коллектор
Система вентиляции
Стартер 30AT
Топливный фильтр 35EQ
Передняя пластина
Топливный перекачивающий насос
Щуп для измерения уровня масла
Крышка распределительной шестерни
Вал системы уравновешивания
Блок цилиндров
Коленчатый вал/подшипики 4706
Шатуны и поршни
Приводной механизм клапана
Масляный насос двигателя
Головка блока цилиндров и клапаны
Впуск водяного насоса
Охладитель масла
Крепление генератора переменного тока
Топливопроводы
Турбонагнетатель
Датчик температуры воды — контакт
Датчики двигателя
Реле давления масла — заглушка
Устройство натяжения ремня
Масляный фильтр
Подъемные ремни
Запасной двигатель
Укороченный блок в сборе
Переключатель вспомогательного пускового устройства
Нагреватель охлаждающей жидкости блока двигателя (220 В)
Комплект для холодного запуска
Комплект элементов системы охлаждения (двигатель 4045TT096)
Маслоохладители и трубопровод (Engine 4045TT096-)
Кожух вентилятора и шланги (двигатель 4045TT096) (-243301)
Кожух вентилятора и шланги (двигатель 4045TT096) (243302-)
Комплект вентилятора без кондиционера воздуха (Engine 4045HT054, 4045HT072, 4045HT086, 4045HT087, 4045TT096-)
Комплект вентилятора с системой кондиционирования воздуха (Engine 4045TT096-RE545793)
Электрический акселератор
Система впуска воздуха (двигатель 4045TT096)
Комплект предварительного очистителя двигателя
Выхлопная система с черной трубой (двигатель 4045TT096)
Выхлопная система, хромовая труба (двигатель 4045TT096)
Топливный фильтр и трубопроводы с нагревателем (Engine 4045TT096-) (-272372)
Топливный фильтр и трубопроводы с нагревателем (272373-)
Топливная система
Наклон рулевой колонки
Гидравлический клапан рулевого управления
Гидравлика рулевого управления (с механическим приводом на передние колеса)
Цилиндр рулевого управления и ремонтный комплект с MFWD
Диск сцепления и держ. диска раб. тормоза (-270515)
Диск сцепления и держ. диска раб. тормоза (270516-)
Тормозной клапан и педали
Сборка тормозного клапана
Трубопровод рабочего тормоза
Трубопровод форсировки тормозного клапана
Корпус и диск сцепления стояночного тормоза
Трубопровод стояночного тормоза (232970-258961)
Гидравлическая система стояночного тормоза (258962-)
Этикетки и таблички
Таблички и наклейки без текста, кабина
Таблички и наклейки без текста, контур управления
Этикетки и таблички, русский
Комплект экологичного слива
Комплект для запуска от внешнего источника
Спаренная аккумуляторная батарея с предохранителем
Кабель отрицательной клеммы спаренной аккумуляторной батареи
Разъемное соединение спаренной аккумуляторной батареи
Комплект для отсоединения спаренной аккумуляторной батареи
Генератор переменного тока 120 A
Привод и фонари указателей поворота
Задние габаритные фонари (234970-)
Крепежные детали проблескового маячка
Проводка рабочего места оператора, крепежные детали разводки кабеля
Жгут проводов кабины
Крепежные детали жгута проводов кабины
Блок плавких предохранителей кабины
Главный жгут проводов (двигатель 4045TT096)
Крепежные детали главного жгута проводов (двигатель 4045TT096)
Жгут проводов трансмиссии
Жгут проводов управления плавностью хода
Жгут проводов селективного потока
Контур управления, селективное регулирование расхода, управление плавностью хода
Жгут проводов вспомогательного управления
Ключ зажигания и блокировки машины
Блок управления машиной (VCU)
Блок управления двигателем (БУД) (двигатель 4045TT096)
Жгут проводов включения сервоуправления
Переключатель управления блокировкой дифференциала
Проводка функции возврата к копанию
Переключатель управления расходом
Реле подогревателя топлива
Заглушка переключателя без пневмосиденья
Штекер реле без механического привода на передние колеса
Комплект механизма автоматического смещения
Стандартный монитор дисплея (SDM)
Основная рама
Передний бампер
Комплект переднего противовеса, 114 кг
Комплект переднего противовеса, 204 кг
Болты противовеса, 204 кг
Уплотнение переднего пульта управления
Потолочная обшивка кабины без радиоприемника
Крыша с фонарями
Комплект светодиодного рабочего освещения, ближний свет
Комплект светодиодного рабочего освещения, дальний свет
Уплотнения кабины, сервоуправление
Уплотнение изолятора – передняя кабина, навес и кабина 1/4
Изоляторы кабины оператора
Кабина (ручное управление)
Кабина (сервоуправление)
Остекление кабины
Дверь левая (кабина)
Дверь правая (кабина)
Напольные пластины и коврики кабины, сервоуправление
Задние окна кабины
Узел стеклоочистителя ветрового стекла
Форсунка омывателя ветрового стекла
Резервуар стеклоомывателя
Комплект омывателя ветрового стекла
Система стеклооч. заднего ветрового стекла
Консоль приборной панели, кабина
Крышки консоли кабины с кондиционером
Крышки правой консоли кабины
Комплект левого пульта управления
Крышки рулевой колонки
Крышки рулевой колонки, регулируемой по углу наклона
Крышка стабилизатора с сервоуправлением-кабина
Сиденье с механической подвеской, тканевая обивка
Сиденье с пневматической подвеской (тканевая обивка)
Комплекты техобслуживания поясничной опоры и откидного кресла
Ремень безопасности
Жгут проводов кондиционера воздуха и переключатель
Компоненты обогревателя и нагнетатель
Трубопровод обогревателя
Переключатель управления стеклообогревателем
Система кондиционирования воздуха (двигатель 4045TT096)
Блок кондиционирования воздуха (Engine 4045TT096-RE545793)
Каналы сист. обогрева и сист. кондиц. воздуха
Воздуховоды системы обогрева и кондиционирования воздуха для замены
Обогреватель и система кондиционирования воздуха с нагнетателем
Капот и боковые панели (Engine 4045TT096-)
Капот и боковые панели (двигатель 4045TT096) (256242-)
Батарейный отсек и инструментальный ящик
Рама решетки
Опора решетки и кожух вентилятора с кондиционером воздуха
Комплект бампера рамы решетки
Комплект крыльев колёс MFWD с 18-дюймовыми шинами
Ограждения раб. места оператора (-252991)
Ограждения раб. места оператора (252992-)
Крылья рабочего места оператора, удлиненные (253002-)
Передние крылья, шины 45,72 см
Передние крылья, шины 50,80 см
AM- и FM-радиоприемник с каналом сообщений о погоде-комплект
Магнитола с AM/FM-приемником, проигрывателем компакт-дисков и каналом сообщений о погоде-комплект
Внутреннее зеркало заднего вида, установлено спереди
Наружное зеркало
Комплект креплений огнетушителя
Гудок
Звуковой сигнал заднего хода
Солнцезащитный козырек
Молоток аварийного выхода
Привязной комплект руководства по эксплуатации
Вспомогательный замок рычага погрузчика
Главный гидравлический насос
Главный гидравл. трубопровод (234970-)
Гидравлика рулевого управления
Гидравлический резервуар
Фильтр гидравлического масла (-289785)
Контроллер шлюза модульной телематики и спутникового модуля JDLink™
Узел модульного телематического шлюза (MTG) JDLink™
Антенна модульного телематического шлюза JDLink™ (MTG)
Антенна спутникового модуля JDLink™ (SAT)
Кронштейн разъема без JDLink™
Штифты ковша погрузчика
Универсальный ковш с муфтой, 1,0 м3
Комплект универсального ковша с переставной режущей кромкой 1,01 м3, 2,34 м
Комплект универсального ковша с муфтой с зубьями 0,88 м3, 2,18 м
Комплект универсального ковша, подготовленного для использования перекидной вилки, с зубьями
Универсальный ковш с поддержкой перекидной вилки и с зубьями, 2,34 м3
Вспомогательные зубья, универсальный ковш погрузчика
Зубья универсального ковша погрузчика
Комплект перекидной вилки
Органы управления погрузчиком, 3-функциональный сервоуправление
Подъемный рычаг погрузчика
Рычажный механизм ковша погрузчика (держ. инстр.)
Рычажный механизм клапана погрузчика, 5 функций — электрогидравлическое управление
Клапан погрузчика, пятая функция с электрогидравлическим вспомогательным оборудованием
Контур клапана стабилизатора, клапан погрузчика
Предохранительный клапан контура стрелы с электрогидравлической вспомогательной секцией
Предохранительный клапан контура ковша, гидрораспределитель погрузчика и стабилизатора
Контур клапана с электрогидравлической вспомогательной секцией, клапан погрузчика
Перепускной клапан с электрогидравлическим вспомогательным оборудованием
Управление плавностью хода
Комплект управления плавностью хода
Гидравлическая система однорычажного управления погрузчиком, сервоуправление
Трубопроводы погрузчика, левая сторона
Правый трубопровод погрузчика
Крепежные детали гидроаккумулятора управления плавностью хода
Цилиндр ковша погрузчика, держатель инструмента (-244919)
Цилиндр ковша погрузчика, держатель инструмента (244920-)
Цилиндр подъема стрелы погрузчика, держатель инструмента (-244919)
Цилиндр подъема стрелы погрузчика, держатель инструмента (244920-)
Цилиндр подъема штанги
Штифты цилиндра стрелы
Установите в угловой секции блока клапанов
Рычажный механизм выравнивания ковша
Ковш для тяжелых условий эксплуатации с зубьями TF 60,96 см, 0,212 м3
Ковш для тяжелых условий работы с зубьями TF 91,44 мм, 0,354 м3
Ковш для тяжелых условий эксплуатации с зубьями TF 60,96 см, 5,73 м3
Ковш для сверхтяжелых условий работы с зубьями TK 60,96 см, 0,212 м3
Ковш для сверхтяжелых условий эксплуатации с зубьями TK 45,72 см, 0,144 м3
Ковш для сверхтяжелых условий работы с зубьями TK 60,96 см, 0,212 м3
Ковш для сверхтяжелых условий работы с зубьями TK 60,96 см, 0,249 м3
Ковш для сверхтяжелых условий эксплуатации с зубьями TK, 76,20, 0,283 м3
Ковш для тяжелых условий работы с зубьями TK 91,44 см, 0,354 м3
Муфта, ковш обратной лопаты Deere
Интерфейсный адаптер гидравлического молота
Двухрыч. рег. клап. обр. лоп.
Педаль пятой функции, вспомогательное оборудование с ручным управлением
Педаль пятой функции, сервоуправление
Педаль пятой функции, вспомогательное оборудование с сервоуправлением
Орган управления стабилизатором
Поворотная рама
Стопорный клапан поворотного механизма
Фиксатор стрелы обратной лопаты
Раздвижная рама (232970-)
Управление блокировкой стрелы и боковым смещением — ковш с увеличенным вылетом, сервоуправление
Переключатель блокировки стрелы
Стрела обратной лопаты
Защитная пластина стрелы
Звенья подвески ковша обратной лопаты
Выдвигаемый рычаг и стопорный штифт
Дорожная накладка стабилизатора
Опоры стабилизатора для работы в грязи
Комплект дорожных накладок стабилизаторов
Комплект прокладок стабилизатора
Комплект прокладок стабилизатора, ламинированных
6-функциональный клапан обратной лопаты, сервоуправление (234970-)
Секция стрелы, направляющее устройство
Секция ковша, направляющее устройство
Секция рабочего хода, контур управления
Секция пов. мех., сервоупр.
Секция селективн. потока
Секция клапана управления выдвижением
Включение контура управления, клапан выбора схемы
Включение контура управления, компоненты клапана выбора схемы
Клапан сервоконтроллера (левый) (172423-)
Клапан сервоконтроллера (правый) (172423-)
Рычаг сервоконтроллера, левый
Рычаг сервоконтроллера, правый
Клапан блокировки бокового смещения
Гидросист. цилиндра мех. пов. (234970-)
Гидравлическая система телескопической рукояти и вспомогательного оборудования, верхняя секция (-244919)
Гидравлическая система телескопической рукояти и вспомогательного оборудования, нижняя секция (-244919)
Гидравлическая система телескопической рукояти и вспомогательного оборудования, верхняя секция (244920-)
Гидравлическая система телескопической рукояти и вспомогательного оборудования, нижняя секция (244920-)
Гидравлическая система блокировки обратной лопаты Slideshift (234970-)
Гидросистема цилиндра стабилизатора (234970-)
Гидравлическая система сервоуправления
Комплект гидравлической системы шнека, телескопическая рукоять
Цилиндр стрелы
Цилиндр стрелы для замены
Цилиндр ковша и ремонтный комплект (-245225)
Цилиндр ковша и ремонтный комплект (245226-)
Цилиндр ковша и ремонтный комплект, для тяжелых условий эксплуатации (-244919)
Цилиндр ковша и ремонтный комплект, для тяжелых условий эксплуатации (244920-)
Цилиндр стабилизатора и ремонтный комплект (234970-255116)
Цилиндр стабилизатора и ремонтный комплект (255117-)
Цилиндр рукояти и комплект для ремонта, выдвигаемая рукоять ковша
Сухарь цилиндра поворота (234970-)
Цилиндр механизма поворота и рем. комплект (234970-)
Цилиндр поворота для замены
Цилиндр выдвигаемой рукояти ковша
Интерфейсный адаптер молота обратной лопаты
1
2
2
2
3
3
3
4
5
6
7
8
9
10
10
10
10
11
11
12
12
13
14
15
16
17
17
17
17
18
18
19
19
19
19
19
19
19
20
21
21
22
23
24
25
26
27
28
29
30
30
31
32
33
34
35
36
37
38
39
40
41
42
43
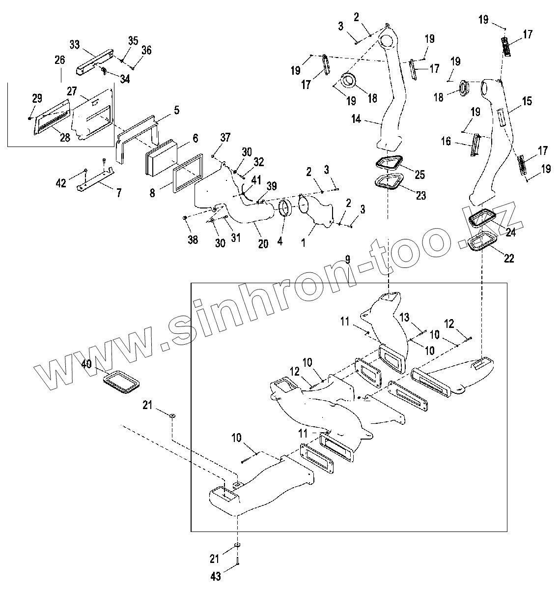
Позиция на иллюстрации
Заводской номер детали
Название детали
1
T166322
Воздуховод
2
24M7139
Шайба
3
19M7933
Винт с головкой
4
T185844
Изолятор
5
T289517
Изолятор
6
AT191102
Воздушный фильтр
7
T184164
Кронштейн
8
T185770
Изолятор
9
AT403967
Обогреватель
10
24M7293
Шайба
11
14M7721
Стопорная гайка
12
19M9731
Винт
13
19M9731
Винт
14
T267718
Воздуховод
15
T267776
Воздуховод
16
AT177227
Жалюзи
17
AZ43305
Форсунка
18
AT227669
Жалюзи
19
37M7333
Винт
20
T277222
Воздуховод
21
24H1296
Шайба
22
T290927
Изолятор
23
T280759
Изолятор
24
T280741
Изолятор
25
T280742
Изолятор
26
AT387527
Крышка
27
AT387837
Крышка
28
T165808
Решетка
29
T184214
Заклепка
30
24M7207
Шайба
31
19M8092
Винт
32
19M6755
Винт с головкой
33
T281231
Панель
34
AT366151
Блокировка
35
M84972
Гайка
36
19M7862
Винт
37
T205901
Шайба
38
T158436
Распорная втулка
39
14M7303
Фланцевая гайка
40
T280756
Изолятор
41
T209627
Скоба
42
19M7866
Винт
43
19M7378
Винт с головкой
44
T367335
Воздуховод
45
24M7207
Шайба
46
19M7933
Винт с головкой
47
19M6755
Винт с головкой
Содержащиеся в справочниках-каталогах запасные части и детали не предлагаются к продаже, а носят исключительно информационный характер
Дополнительная информация
×
Название:
Номер:
Примечание: