Вернуться на главную
Поиск
Каталоги запчастей к технике
Спецтехника
John Deere
JD-315SK(часть 2)
Рычаги управления обратной лопатой, SAE
Каталог запасных частей к технике: John Deere JD-315SK(часть 2). Рычаги управления обратной лопатой, SAE
zoom-in
zoom-out
enlarge
shrink
circle-right
circle-left
file-text2
info
cart
Тип техники
Не выбрано
Легковые автомобили
Грузовые автомобили и прицепы
Автобусы
Сельхозтехника
Спецтехника
Двигатели
Мототехника
Марка
Не выбрано
Ammann
BOMAG
CARMIX
CASE IH
Changlin
ChengGong
Dimex
Doosan
DYNAPAC
Foton
HAMM
Hidromek
Hitachi
Hyundai
JCB
JLG
John Deere
Komatsu
LIEBHERR
LiuGong
Lonking (LongGong)
Luneng
MANITOU
Mitsuber
New Holland
PENGPU
RM-Terex
SANY
SDLG
SEM
Shantui
Shehwa HBXG
Soosan
TIGARBO
VOGELE
Volvo
WAY
WIRTGEN
XCMG
XGMA
Xiamen
YTO
Yuchai
Zoomlion
Автокран
АЗСМ
Алтайлесмаш
Амкодор
АОМЗ
Атек
АТЗ
Балканкар Рекорд
БелАЗ
Беловеж
Борекс
Брянский Арсенал
Булат
ВЭКС
ГАЗ
Геомаш
Гидромаш
Донекс
Дормаш
Дормашина
Дорэлектромаш
ДЭЗ
ЕлАЗ
ЗЗГТ
Ижнефтемаш
Канаш-электрокар
КЗКТ
ККЗ
Клевер
Клинцовский автокрановый завод
КМЗ
КМЗ 1 Мая
Ковровец
Коммаш
Кранэкс
КЭЗ
КЭМЗ
ЛЗА
МАЗ
МЗИК
МЗКМ
МЗКТ
Михневский РМЗ
МоАЗ
Мозырский МЗ
МТЗ
ОЗП
Онежец
ПАО "ТЗА"
ППС Детва
Промтрактор
ПТЗ
Раскат
СпецАгрегат
ТВЭКС
ТТМ
УВЗ
Угличмаш
УЗТМ
ХТЗ
ЧЗКМ
ЧСДМ
ЧТЗ
ЭКСКО
ЭКСМАШ
ЮрМаш
Модель
Не выбрано
JD-315SK(часть 1) (2015)
JD-315SK(часть 2) (2015)
JD-325SK (2015)
Схема
>
Не выбрано
Основная рама (-232969)
Основная рама (232970-)
Комплект полного ограждения приводного вала MFWD
Ограждение трансмиссии
Передний бампер
Комплект переднего противовеса, 114 кг
Комплект переднего противовеса, 204 кг
Комплект переднего противовеса, 340 кг
Комплект переднего противовеса, 454 кг
Комплект переднего противовеса, 567 кг
Болты противовеса, 204 кг
Болты противовеса 340 кг
Болты противовеса, 454 кг
Болты противовеса, 567 кг
Уплотнение переднего пульта управления
Обшивка потолка кабины с радиоприемником
Крыша с фонарями
Комплект светодиодного рабочего освещения, ближний свет
Комплект светодиодного рабочего освещения, дальний свет
Уплотнения кабины, сервоуправление
Уплотнение изолятора – передняя кабина, навес и кабина
Изоляторы кабины оператора
Кабина (ручное управление)
Кабина (сервоуправление)
Остекление кабины
Дверь левая (кабина)
Дверь правая (кабина)
Напольные пластины и коврики кабины, сервоуправление
Задние окна кабины
Узел стеклоочистителя ветрового стекла
Форсунка омывателя ветрового стекла
Резервуар стеклоомывателя
Комплект омывателя ветрового стекла
Система стеклооч. заднего ветрового стекла
Консоль приборной панели, кабина
Крышки консоли кабины с кондиционером
Крышки правой консоли кабины
Крышки рулевой колонки, регулируемой по углу наклона
Консоль обратной лопаты
Комплект левого пульта управления
Консоль обратной лопаты, 2-рычажная с удлиненной рукоятью ковша и вспомогательное оборудование
Крышка стабилизатора с сервоуправлением-кабина
Сиденье с механической подвеской, тканевая обивка
Сиденье с пневматической подвеской (тканевая обивка)
Комплекты техобслуживания поясничной опоры и откидного кресла
Ремень безопасности
Жгут проводов кондиционера воздуха и переключатель
Компоненты обогревателя и нагнетатель
Трубопровод обогревателя
Переключатель управления стеклообогревателем
Система кондиционирования воздуха (двигатели 4045HT054, 4045HT072, 4045HT086, 4045HT087)
Система кондиционирования воздуха (двигатель 4045TT096)
Блок кондиционирования воздуха (Engine 4045TT096-RE545793)
Каналы сист. обогрева и сист. кондиц. воздуха
Воздуховоды системы обогрева и кондиционирования воздуха для замены
Обогреватель и система кондиционирования воздуха с нагнетателем
Капот и боковые панели (Engine 4045HT054, 4045HT063, 4045HT072, 4045HT073, 4045HT086, 4045HT087-) (-256241)
Капот и боковые панели (Engine 4045HT054, 4045HT063, 4045HT072, 4045HT073, 4045HT086, 4045HT087-) (256242-)
Капот и боковые панели (Engine 4045TT096-)
Капот и боковые панели (двигатель 4045TT096) (256242-)
Батарейный отсек и инструментальный ящик
Рама решетки
Опора решетки и кожух вентилятора без кондиционера воздуха
Опора решетки и кожух вентилятора с кондиционером воздуха
Комплект бампера рамы решетки
Комплект крыльев колёс MFWD с 18-дюймовыми шинами
Ограждения раб. места оператора (-252991)
Ограждения раб. места оператора (252992-)
Крылья рабочего места оператора, удлиненные (253002-)
AM- и FM-радиоприемник с каналом сообщений о погоде-заводской
AM- и FM-радиоприемник проигрывателем компакт-дисков-заводской
AM- и FM-радиоприемник с каналом сообщений о погоде-комплект
Магнитола с AM/FM-приемником, проигрывателем компакт-дисков и каналом сообщений о погоде-комплект
Внутреннее зеркало заднего вида, установлено спереди
Наружное зеркало
Комплект наружных зеркал
Комплект креплений огнетушителя
Гудок
Звуковой сигнал заднего хода
Солнцезащитный козырек
Комплект солнцезащитного козырька
Знак тихоходного транспортного средства
Привязной комплект руководства по эксплуатации
Сервисный фиксатор рычага погрузчика с предупредительной табличкой
Главный гидравл. насос
Главн. гидравл. трубопровод (-234969)
Главн. гидравл. трубопровод (234970-)
Гидравлика рулевого управления
Датчик давления в автоматическом режиме холостого хода
Гидравл. резервуар
Фильтр гидравлического масла (-289785)
Контроллер шлюза модульной телематики и спутникового модуля JDLink™
Узел модульного телематического шлюза (MTG) JDLink™
Комплект жгута проводов и креплений модульного телематического шлюза (MTG) JDLink™
Антенна модульного телематического шлюза JDLink™ (MTG)
Антенна спутникового модуля JDLink™ (SAT)
Кронштейн разъема без JDLink™
Штифты ковша погрузчика
Ковш погрузчика 1,0 м3
Универсальный ковш с муфтой, 1,0 м3
Комплект универсального ковша с переставной режущей кромкой 1,01 м3, 2,34 м
Комплект универсального ковша с муфтой с зубьями 0,88 м3, 2,18 м
Универсальный ковш, подготовленный для использования перекидной вилки, с зубьями, 233,68 см
Комплект универсального ковша, подготовленного для использования перекидной вилки, с зубьями 0,96м3, 233,68 см
Вспомогательные зубья, универсальный ковш погрузчика
Зубья универсального ковша погрузчика
Комплект перекидной вилки
Органы управления погрузчиком, 2-функциональный ручные
Органы управления погрузчиком, 3-функциональный сервоуправление
Органы управления погрузчиком, 3-функционального ручного
Подъемный рычаг погрузчика
Рычажный механизм ковша погрузчика
Рычажный механизм клапана погрузчика, четвертая функция
Клапан погрузчика и стабилизатора, четвертая функция
Рычажный механизм клапана погрузчика, 5-функциональный — 2 рычага
Клапан погрузчика, 5-функциональный — 2 рычага
Комплект клапана управления погрузчиком
Контур стабилизатора, клапан погрузчика
Секция стрелы, клапан погрузчика и стабилизатора
Секция ковша, клапан погрузчика
Предохранительные клапаны вспомогательной секции
Рычажный механизм клапана погрузчика, 5 функций — электрогидравлическое управление
Клапан погрузчика, пятая функция с электрогидравлическим вспомогательным оборудованием
Контур клапана стабилизатора, клапан погрузчика
Предохранительный клапан контура стрелы с электрогидравлической вспомогательной секцией
Предохранительный клапан контура ковша, гидрораспределитель погрузчика и стабилизатора
Контур клапана с электрогидравлической вспомогательной секцией, клапан погрузчика
Перепускной клапан с электрогидравлическим вспомогательным оборудованием
Управление плавностью хода
Комплект управления плавностью хода
Гидравлическая система однорычажного управления погрузчиком, ручное управление (-232969)
Гидравлическая система однорычажного управления погрузчиком, ручное управление (232970-)
Гидравлическая система однорычажного управления погрузчиком, сервоуправление
Трубопроводы погрузчика, вторая и третья функции левой стороны
Трубопроводы погрузчика, 2 функции, правая сторона (204988-)
Трубопроводы погрузчика, 3 функции, правая сторона (204988-)
Дополнительные заглушки погрузчика
Крепежные детали гидроаккумулятора управления плавностью хода
Цилиндр ковша погрузчика (202928-)
Цилиндр подъема штанги
Штифты цилиндра стрелы
Установите в угловой секции блока клапанов
Рычажный механизм выравнивания ковша погрузчика
Ковш для тяжелых условий работы с зубьями TF 30,48 см, 0,093 м3
Ковш для тяжелых условий эксплуатации с зубьями TF 60,96 см, 0,212 м3
Ковш для тяжелых условий эксплуатации с зубьями TK 30,48 см, 0,093 м3
Ковш для тяжелых условий эксплуатации с зубьями TK 60,96 см, 0,212 м3
Интерфейсный адаптер гидравлического молота
Двухрыч. рег. клап. обр. лоп.
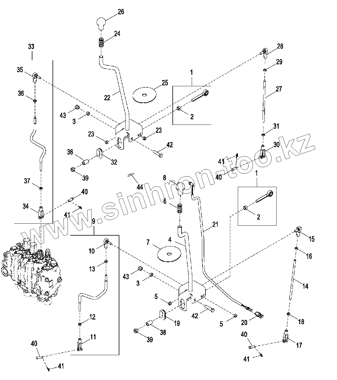
Рычаги управления обратной лопатой, SAE
Педаль пятой функции, 2 рычага (-234969)
Педаль пятой функции, 2 рычага (234970-)
Педаль пятой функции, вспомогательное оборудование с ручным управлением
Педаль пятой функции, вспомогательное оборудование с сервоуправлением
Педаль пятой функции, сервоуправление
Орган управления стабилизатором
Поворотная рама
Стопорный клапан поворотного механизма
Фиксатор стрелы обратной лопаты
Раздвижная рама (-234969)
Раздвижная рама (232970-)
Управление блокировкой стрелы и боковым смещением, сервоуправление
Управление блокировкой стрелы и боковым смещением — ковш с увеличенным вылетом, сервоуправление
Переключатель блокировки стрелы
Стрела обратной лопаты
Защитная пластина стрелы
Звенья подвески ковша обратной лопаты
Стандартная рукоять ковша
Выдвигаемый рычаг и стопорный штифт
Опоры стабилизатора
Дорожная накладка стабилизатора
Комплект дорожных накладок стабилизаторов
Комплект прокладок стабилизатора
Комплект прокладок стабилизатора, ламинированных
4-, 5- и 6-функциональные клапаны управления обратной лопатой (-234969)
4-функциональный клапан обратной лопаты, сервоуправление (232970-)
4-функциональный клапан управления обратной лопатой (232970-)
5-функциональный клапан управления обратной лопатой (234970-)
6-функциональный клапан обратной лопаты (234970-)
6-функциональный клапан обратной лопаты, сервоуправление (234970-)
Приоритетная секция впуска
Секция стрелы
Секция распределителя ковша
Секция рукояти
Секция пов. мех.
Секция клапана управления выдвижением
Секция селективн. потока
Клапан блокировки бокового смещения
Комплект вспомогательного селекторного клапана расхода
Комплект клапана стабилизации качания
Гидравлический цилиндр стрелы и рукояти
Гидравл. шланги и фитинги цилиндра мех. пов. (-234969)
Гидросист. цилиндра мех. пов. (234970-)
Гидравлическая система рукояти ковша (-232969)
Гидравлическая система рукояти ковша (232970-)
Гидравлическая система телескопической рукояти ковша (-232969)
Гидравлическая система телескопической рукояти ковша (232970-)
Гидравлическая система телескопической рукояти и вспомогательного оборудования, верхняя секция (-244919)
Гидравлическая система телескопической рукояти и вспомогательного оборудования, нижняя секция (-244919)
Гидравлическая система телескопической рукояти и вспомогательного оборудования, верхняя секция (244920-)
Гидравлическая система телескопической рукояти и вспомогательного оборудования, нижняя секция (244920-)
Гидравлическая система блокировки обратной лопаты Slideshift (-234969)
Гидравлическая система блокировки обратной лопаты Slideshift (234970-)
Комплект стандартной рукояти с гидравлической системой вспомогательного оборудования
Гидросистема цилиндра стабилизатора (-234969)
Гидросистема цилиндра стабилизатора (234970-)
Гидравлическая система сервоуправления
Гидравлическая система клапана выбора схемы включения сервоуправления
Комплект вспомогательных трубопроводов стандартной рукояти
Комплект трубопроводов вспомогательного оборудования телескопической рукояти
Комплект гидравлической системы шнека, телескопическая рукоять
Гидравлическая система клапана фиксатора стрелы обратной лопаты (-234969)
Цилиндр стрелы
Цилиндр стрелы для замены
Цилиндр ковша и ремонтный комплект (-245225)
Цилиндр ковша и ремонтный комплект (245226-)
Цилиндр ковша и ремонтный комплект, для тяжелых условий эксплуатации (-244919)
Цилиндр ковша и ремонтный комплект, для тяжелых условий эксплуатации (244920-)
Цилиндр стабилизатора и ремонтный комплект (-232969)
Цилиндр стабилизатора и ремонтный комплект (232970-255116)
Цилиндр стабилизатора и ремонтный комплект (255117-)
Цилиндр рукояти и комплект для ремонта, стандартная рукоять ковша
Цилиндр рукояти и комплект для ремонта, выдвигаемая рукоять ковша
Сухарь цилиндра поворота (-234969)
Сухарь цилиндра поворота (234970-)
Цилиндр механизма поворота и рем. комплект (-234969)
Цилиндр механизма поворота и рем. комплект (234970-)
Цилиндр поворота для замены
Цилиндр выдвигаемой рукояти ковша
Интерфейсный адаптер молота обратной лопаты
1
1
2
2
3
3
4
5
5
6
7
8
9
10
11
12
13
14
15
16
17
18
19
20
21
22
23
23
24
25
26
27
28
29
30
31
32
33
34
35
36
37
38
38
39
39
40
40
40
40
41
41
41
41
42
42
43
43
44
Позиция на иллюстрации
Заводской номер детали
Название детали
1
AT300152
Конец тяги
2
14H865
Гайка
3
T166773
Шайба
4
AT184599
Рычаг
5
M68954
Стопорная гайка
6
T185085
Пружина
7
T165590
Щиток от пыли
8
AT157986
Ручка
9
AT412204
Рычажный механизм
10
AT169087
Шаровое соединение
11
T140328
Вилка
12
14H913
Гайка
13
14H774
Гайка
14
T165697
Стержень
15
AT169087
Шаровое соединение
16
14H774
Гайка
17
T140328
Вилка
18
14H913
Гайка
19
T188639
Уплотнение
20
R78053
Узел электрического разъема
21
AT409703
Переключатель
22
AT184598
Рычаг
23
M68954
Стопорная гайка
24
T185085
Пружина
25
T165590
Щиток от пыли
26
T133291
Ручка
27
T165697
Стержень
28
AT169087
Шаровое соединение
29
14H774
Гайка
30
T140328
Вилка
31
14H913
Гайка
32
T188639
Уплотнение
33
AT412203
Рычажный механизм
34
T140328
Вилка
35
AT169087
Шаровое соединение
36
14H774
Гайка
37
14H913
Гайка
38
T166772
Распорная втулка
39
14H865
Гайка
40
R65563
Крепление со штифтом
41
T202956
Стопор
42
19M7361
Винт с головкой
43
14M7313
Стопорная гайка
44
T334313
Метка
Содержащиеся в справочниках-каталогах запасные части и детали не предлагаются к продаже, а носят исключительно информационный характер
Дополнительная информация
×
Название:
Номер:
Примечание: