Вернуться на главную
Поиск
Каталоги запчастей к технике
Спецтехника
John Deere
JD-315SK(часть 1)
Охладитель масла
Каталог запасных частей к технике: John Deere JD-315SK(часть 1). Охладитель масла
zoom-in
zoom-out
enlarge
shrink
circle-right
circle-left
file-text2
info
cart
Тип техники
Не выбрано
Легковые автомобили
Грузовые автомобили и прицепы
Автобусы
Сельхозтехника
Спецтехника
Двигатели
Мототехника
Марка
Не выбрано
Ammann
BOMAG
CARMIX
CASE IH
Changlin
ChengGong
Dimex
Doosan
DYNAPAC
Foton
HAMM
Hidromek
Hitachi
Hyundai
JCB
JLG
John Deere
Komatsu
LIEBHERR
LiuGong
Lonking (LongGong)
Luneng
MANITOU
Mitsuber
New Holland
PENGPU
RM-Terex
SANY
SDLG
SEM
Shantui
Shehwa HBXG
Soosan
TIGARBO
VOGELE
Volvo
WAY
WIRTGEN
XCMG
XGMA
Xiamen
YTO
Yuchai
Zoomlion
Автокран
АЗСМ
Алтайлесмаш
Амкодор
АОМЗ
Атек
АТЗ
Балканкар Рекорд
БелАЗ
Беловеж
Борекс
Брянский Арсенал
Булат
ВЭКС
ГАЗ
Геомаш
Гидромаш
Донекс
Дормаш
Дормашина
Дорэлектромаш
ДЭЗ
ЕлАЗ
ЗЗГТ
Ижнефтемаш
Канаш-электрокар
КЗКТ
ККЗ
Клевер
Клинцовский автокрановый завод
КМЗ
КМЗ 1 Мая
Ковровец
Коммаш
Кранэкс
КЭЗ
КЭМЗ
ЛЗА
МАЗ
МЗИК
МЗКМ
МЗКТ
Михневский РМЗ
МоАЗ
Мозырский МЗ
МТЗ
ОЗП
Онежец
ПАО "ТЗА"
ППС Детва
Промтрактор
ПТЗ
Раскат
СпецАгрегат
ТВЭКС
ТТМ
УВЗ
Угличмаш
УЗТМ
ХТЗ
ЧЗКМ
ЧСДМ
ЧТЗ
ЭКСКО
ЭКСМАШ
ЮрМаш
Модель
Не выбрано
JD-315SK(часть 1) (2015)
JD-315SK(часть 2) (2015)
JD-325SK (2015)
Схема
>
Не выбрано
Обод, 19,5 L-24 дюйма и 12,5 X 80-18 дюймов Firestone MFWD
Обод, 19,5 L-24 дюйма и 305 X 70D16,5 дюйма Firestone MFWD
Обод, 16,9-28 дюймов и 12,5 X 80-18 дюймов Goodyear MFWD
Обод, 19.5L-24 дюйма и 11L-16 дюйма Firestone без MFWD
Узел в комплекте заднего моста и дифференциала (-270944)
Узел в комплекте заднего моста и дифференциала (270945-)
Корпусы дифференциала и заднего моста (-270515)
Корпусы дифференциала и заднего моста (270516-)
Водило планетарной передачи заднего моста
Задние входные конические шестерни и набор зубчатых венцов
Картер и шестерни дифференциала
Трубопровод блокировки дифференциала
Передний приводной вал
Передний мост без MFWD
Корпус стандартного переднего моста без MFWD
Поворотный корпус и цилиндр рулевого управления без MFWD
Ступица переднего колеса без MFWD
Передний мост с MFWD
Передний мост с MFWD и открытым дифференциалом
Корпус переднего моста с MFWD
Ступицы корпуса, валы и универсальные шарниры переднего моста с MFWD
Планетарный привод переднего моста
Открытый дифференциал с MFWD
Самоблокирующийся дифференциал, передний мост
Входная шестерня спиральнозубой конической передачи и кольцевая шестерня, передний дифференциал
Переключатель MFWD
Рычаг управления коробкой передач
Задний приводной вал
Трансмиссия, масляный щуп и трубка без MFWD
Трансмиссия, масляный щуп и трубка с MFWD
Задний корп. кор. передач и зал. масл. трубка
Передний корпус коробки передач и крышка гидротрансформатора
Гидротрансформатор
Муфта заднего хода и входной вал (KR)
Узел муфты нижнего диапазона переднего хода (KV)
Узел муфты первой скорости (K1)
Узел муфты второй скорости (K2)
Узел муфты третьей скорости (K3)
Узел муфты верхнего диапазона переднего хода (K4)
Узел муфты мех. привода передних колес
Выходной вал трансмиссии, задний
Ограждение трансмиссии
Питающий насос коробки передач
Фильтр трансмиссионного масла
Соленоиды блока переключения передач
Датчик скорости коробки передач
Опоры крепления силовой передачи (-232969)
Опоры крепления силовой передачи (232970-)
Маслоналивная горловина
Корпус маховика
Маховик
Топливный впрыскивающий насос
Воздухозаборник
Выхлопной коллектор
Крышка перекач. топл. насоса
Корпус термостата, перепускной патрубок к водяному насосу
Крышка распределительной шестерни/Водяной насос
Блок цилиндров
Головка блока цилиндров и клапаны
Охладитель моторного масла
Контакт датчика температуры воды
Датчики двигателя
Устройство натяжения ремня
Запасной двигатель
Крышка клап. коромысла
Шкив коленчатого вала
Масляный поддон
Крышка термостата
Термостат
Вентиляционная система
Топливный фильтр
Передняя пластина
Щуп для измерения уровня масла
Вал системы уравновешивания
Коленчатый вал и подшипники
Шатуны и поршни
Крепление генератора пер. тока
Топливопроводы низкого давления
Турбонагнетатель
Фильтр моторного масла
Шкив водяного насоса
Заглушка, без подогревателя охлаждающей жидкости двигателя
Стартер
Приводной механизм клапана
Масляный насос двигателя
Впуск водяного насоса
Реле давления масла — заглушка
Подъемные ремни
Крышка клап. коромысла
Шкив коленчатого вала
Нагнет. топл. насос
Воздухозаборник
Масляный поддон
Крышка термостата
Термостат
Нагреватель охлаждающей жидкости двигателя
Выхлопной коллектор
Вентиляционная система
Топливный фильтр
Передняя пластина
Крышка перекач. топл. насоса
Корпус термостата
Щуп для измерения уровня масла
Крышка распределительной шестерни
Вал системы уравновешивания
Блок цилиндров
Коленчатый вал и подшипники
Шатуны и поршни
Клапанный исполнительный механизм
Головка цилиндров
Маслоохладитель
Крепление генератора пер. тока
Топливопроводы низкого давления
Турбонагнетатель
Датчик температуры воды — контакт
Датчики
Устройство натяжения ремня
Фильтр моторного масла
Комплект уплотнительных колец
Заднее масляное уплотнение
Комплект распредвала
Комплект поршневых колец
Комплект гильзы поршня
Комплект распредвала
Комплект прокладок двигателя
Комплект прокладок головки блока цилиндров
Комплект для обслуживания, болты головки блока цилиндров
Комплект для обслуживания, форсунки
Комплект подшипников коленчатого вала
Комплект подшипников коленчатого вала
Комплект шатунных подшипников
Шатунные подшипники, неполномерные
Упорный подшипник
Упорный подшипник
Комплект для капитального ремонта двигателя
Укороченный блок в сборе
Запасной двигатель
Маслоналивная горловина
Корпус маховика
Маховик
Шкив водяного насоса
Стартер
Масляный насос двигателя
Впуск водяного насоса
Подъемные ремни
Крышка клапанного механизма
Маслоналивная горловина
Шкив коленчатого вала
Корпус маховика
Маховик
Нагнет. топл. насос
Воздухозаборник
Масляный поддон
Шкив водяного насоса
Крышка термостата
Термостат
Заглушка, без подогревателя охлаждающей жидкости двигателя
Выхлопной коллектор
Система вентиляции
Стартер
Топливный фильтр 35EQ
Передняя пластина
Топливный перекачивающий насос
Щуп для измерения уровня масла
Крышка распределительной шестерни
Вал системы уравновешивания
Блок цилиндров
Коленчатый вал, подшипники
Шатуны и поршни
Приводной механизм клапана
Масляный насос двигателя
Головка блока цилиндров и клапаны
Впуск водяного насоса
Охладитель масла
Крепление генератора пер. тока
Топливопроводы
Турбонагнетатель
Датчик температуры воды — контакт
Датчики двигателя
Реле давления масла — заглушка
Устройство натяжения ремня
Масляный фильтр
Подъемные ремни
Запасной двигатель
Укороченный блок в сборе
Переключатель вспомогательного пускового устройства
Нагреватель охлаждающей жидкости блока двигателя (220 В)
Комплект для холодного запуска
Комплект элементов системы охлаждения (Engine 4045HT054, 4045HT063, 4045HT072, 4045HT073, 4045HT086, 4045HT087-)
Комплект элементов системы охлаждения (двигатель 4045TT096)
Маслоохладители и трубопровод (Engine 4045HT054, 4045HT072, 4045HT086-)
Кожух вентилятора и шланги (двигатель 4045HT054, 4045HT072, 4045HT086) (-252798)
Кожух вентилятора и шланги (Engine 4045HT054, 4045HT072, 4045HT086-) (252799-)
Маслоохладители и трубопровод (Engine 4045TT096-)
Кожух вентилятора и шланги (двигатель 4045TT096) (-243301)
Кожух вентилятора и шланги (двигатель 4045TT096) (243302-)
Комплект вентилятора без кондиционера воздуха (Engine 4045HT054, 4045HT072, 4045HT086, 4045HT087, 4045TT096-)
Комплект вентилятора с системой кондиционирования воздуха (Engine 4045HT054, 4045HT072, 4045HT086, 4045HT087-)
Комплект вентилятора с системой кондиционирования воздуха (Engine 4045TT096-RE545793)
Электрический акселератор
Воздухозаборная система (двигатели 4045HT054, 4045HT072, 4045HT086, 4045HT087)
Система впуска воздуха (двигатель 4045TT096)
Комплект предварительного очистителя двигателя
Выхлопная система, черная труба (двигатели 4045HT054, 4045HT072, 4045HT086, 4045HT087)
Выхлопная система с черной трубой (двигатель 4045TT096)
Топливный фильтр и трубопроводы (двигатели 4045HT054, 4045HT072, 4045HT086, 4045HT087) (-248892)
Топл. фильтр и трубопр. (Engine 4045HT054, 4045HT072, 4045HT086, 4045HT087-) (248893-272372)
Топл. фильтр и трубопр. (Engine 4045HT054, 4045HT072, 4045HT086, 4045HT087-) (272373-)
Топливный фильтр и трубопроводы без нагревателя (Engine 4045TT096-) (-272372)
Топливный фильтр и трубопроводы без нагревателя (272373-)
Топливный фильтр и трубопроводы с нагревателем (Engine 4045TT096-) (-272372)
Топливный фильтр и трубопроводы с нагревателем (272373-)
Топливная система
Дизельный нагреватель охлаждающей жидкости двигателя
Наклон рулевой колонки
Гидравлический клапан рулевого управления
Гидравлическая система рулевого управления (без механического привода на передние колеса)
Гидравлика рулевого управления (с механическим приводом на передние колеса)
Цилиндр рулевого управления и ремонтный комплект с MFWD
Диск сцепления и держ. диска раб. тормоза (-270515)
Диск сцепления и держ. диска раб. тормоза (270516-)
Тормозной клапан и педали
Сборка тормозного клапана
Трубопровод рабочего тормоза
Трубопровод форсировки тормозного клапана (-234969)
Трубопровод форсировки тормозного клапана (234970-)
Корпус и диск сцепления стояночного тормоза
Гидравлическая система стояночного тормоза (-232969)
Трубопровод стояночного тормоза (232970-258961)
Гидравлическая система стояночного тормоза (258962-)
Этикетки и таблички (-232969)
Таблички и наклейки, 315SK (232970-)
Таблички и наклейки, сервоуправление
Таблички и наклейки без текста, кабина
Таблички и наклейки без текста, контур управления
Этикетки и таблички
Таблички и наклейки, кабина
Этикетки и таблички, французский
Этикетки и таблички, испанский
Табличка, органы управления рычагов обратной лопаты
Табличка, двухрычажное управление SAE
Табличка без текста, двухрычажное управление обратной лопатой SAE
Комплект экологичного слива
Отверстия для отбора проб жидкости
Комплект отверстий для отбора проб жидкости
Комплект для запуска от внешнего источника
Одинарная аккумуляторная батарея с плавким предохранителем
Отрицательный провод аккумуляторной батареи, одинарная аккумуля
Спаренная аккумуляторная батарея с предохранителем
Кабель отрицательной клеммы спаренной аккумуляторной батареи
Размыкающий переключатель одной аккумуляторной батареи
Разъемное соединение спаренной аккумуляторной батареи
Комплект для отсоединения спаренной аккумуляторной батареи
Генератор переменного тока 90 A
Привод и фонари указателей поворота
Задние габаритные фонари (-234969)
Задние габаритные фонари (234970-)
Комплект проблескового маячка
Комплект проводки проблескового маячка
Комплект вращающегося проблескового маячка
Крепежные детали проблескового маячка
Проводка рабочего места оператора, крепежные детали разводки кабеля
Жгут проводов кабины
Крепежные детали жгута проводов кабины
Блок плавких предохранителей кабины
Жгут проводов навеса
Крепежные детали жгута проводов навеса
Блок предохранителей навеса
Главный жгут проводов (двигатели 4045HT054, 4045HT086, 4045HT087)
Крепежные детали главного жгута проводов (двигатели 4045HT054, 4045HT086, 4045HT087)
Главный жгут проводов (двигатель 4045TT096)
Крепежные детали главного жгута проводов (двигатель 4045TT096)
Жгут проводов управления топливоподкачивающим насосом
Жгут проводов трансмиссии
Жгут проводов управления плавностью хода
Жгут проводов селективного потока
Контур управления, селективное регулирование расхода, управление плавностью хода
Проводка фиксатора стрелы обратной лопаты (-234969)
Проводка фиксатора стрелы обратной лопаты (234970-)
Жгут проводов вспомогательного управления
Ключ зажигания и блокировки машины
Блок управления машиной (VCU)
Блок управления двигателем (ECU) (двигатели 4045HT054, 4045HT072, 4045HT086, 4045HT087)
Блок управления двигателем (БУД) (двигатель 4045TT096)
Жгут проводов включения сервоуправления
Переключатель управления блокировкой дифференциала
Переключатель управления расходом
Проводка функции возврата к копанию
Заглушка переключателя без пневмосиденья
Штекер реле без механического привода на передние колеса
Штекер реле без вспомогательного устройства запуска
Штепсель переключателя без проблескового маячка
Комплект механизма автоматического смещения
Стандартный монитор дисплея (SDM)
1
2
3
4
5
6
7
8
9
10
11
12
13
14
15
16
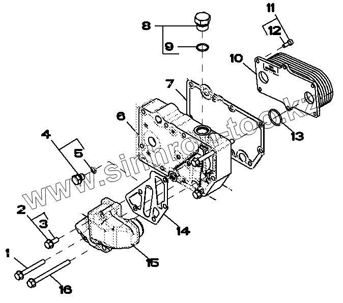
Позиция на иллюстрации
Заводской номер детали
Название детали
1
19M7802
Винт
2
RE67238
Винт
3
19M7866
Винт
4
RE46686
Фитинг
5
51M7040
Уплотнительное кольцо
6
R524516
Корпус
7
R123501
Прокладка
8
RE46687
Пробка сливного отверстия
9
51M7045
Уплотнительное кольцо
10
RE56690
Маслоохладитель
11
RE67231
Винт
12
19M8553
Винт
13
T122075
Уплотнительное кольцо
14
R501428
Прокладка
15
R502811
Фитинг переходника
16
19M7970
Винт
Содержащиеся в справочниках-каталогах запасные части и детали не предлагаются к продаже, а носят исключительно информационный характер
Дополнительная информация
×
Название:
Номер:
Примечание: