Вернуться на главную
Поиск
Каталоги запчастей к технике
Спецтехника
JLG
G10-43A
Lift Cylinder S/N 0160007176 thru 0160007822
Каталог запасных частей к технике: JLG G10-43A. Lift Cylinder S/N 0160007176 thru 0160007822
zoom-in
zoom-out
enlarge
shrink
circle-right
circle-left
file-text2
info
cart
Тип техники
Не выбрано
Легковые автомобили
Грузовые автомобили и прицепы
Автобусы
Сельхозтехника
Спецтехника
Двигатели
Мототехника
Марка
Не выбрано
Ammann
BOMAG
CARMIX
CASE IH
Changlin
ChengGong
Dimex
Doosan
DYNAPAC
Foton
HAMM
Hidromek
Hitachi
Hyundai
JCB
JLG
John Deere
Komatsu
LIEBHERR
LiuGong
Lonking (LongGong)
Luneng
MANITOU
Mitsuber
New Holland
PENGPU
RM-Terex
SANY
SDLG
SEM
Shantui
Shehwa HBXG
Soosan
TIGARBO
VOGELE
Volvo
WAY
WIRTGEN
XCMG
XGMA
Xiamen
YTO
Yuchai
Zoomlion
Автокран
АЗСМ
Алтайлесмаш
Амкодор
АОМЗ
Атек
АТЗ
Балканкар Рекорд
БелАЗ
Беловеж
Борекс
Брянский Арсенал
Булат
ВЭКС
ГАЗ
Геомаш
Гидромаш
Донекс
Дормаш
Дормашина
Дорэлектромаш
ДЭЗ
ЕлАЗ
ЗЗГТ
Ижнефтемаш
Канаш-электрокар
КЗКТ
ККЗ
Клевер
Клинцовский автокрановый завод
КМЗ
КМЗ 1 Мая
Ковровец
Коммаш
Кранэкс
КЭЗ
КЭМЗ
ЛЗА
МАЗ
МЗИК
МЗКМ
МЗКТ
Михневский РМЗ
МоАЗ
Мозырский МЗ
МТЗ
ОЗП
Онежец
ПАО "ТЗА"
ППС Детва
Промтрактор
ПТЗ
Раскат
СпецАгрегат
ТВЭКС
ТТМ
УВЗ
Угличмаш
УЗТМ
ХТЗ
ЧЗКМ
ЧСДМ
ЧТЗ
ЭКСКО
ЭКСМАШ
ЮрМаш
Модель
Не выбрано
G10-43A (2014)
G9-43A (2014)
Схема
>
Не выбрано
Frame Shrouding & Trim
Frame Shrouding & Trim
Frame Shrouding & Trim
Frame Shrouding & Trim
Axle Mounting
Outrigger Mounting
First Boom Section
Bearing Pads, Spacers & Shims, (First Boom Section)
Second Boom Section
Bearing Pads, Spacers & Shims, (Second Boom Section)
Third Boom Section
Bearing Pads, Spacers & Shims, (Third Boom Section)
Push Beam/Extend Chain & Roller Assembly
Push Beam/Extend Chain & Roller Assembly
Manual Quick Switch Assembly
Manual Quick Switch Assembly
Tilt Carriage
Tilt Carriage
Buckets
Side Tilt Carriage Before S/N 0160037671
Side Tilt Carriage S/N 0160037671 & After
Truss Boom Before S/N 0160037671
Truss Boom Before S/N 0160037671 & After
Truss Boom With Winch S/N 0160037671
Truss Boom With Winch S/N 0160037671 & After
Swing Carriage S/N 0160037671
Swing Carriage S/N 0160037671 & After
Sheet Material Handler Before S/N 0160037671
Sheet Material Handler S/N 0160037671 & After
Winch Installation
Degree Drywall Swing Carriage Assembly
Personnel Platform Before S/N 0160037671
Fork Mounted Platform
Degree Swing Carriage With Side Shift Before S/N 0160037671
Degree Swing Carriage With Side Shift Before S/N 0160037671
Forks
Fork Mounted Lifting Hook Before S/N 2005134-01
Fork Mounted Lifting Hook S/N 2005134-01 & After
Grapple Bucket
Fork Pin Lock Installation S/N 0160037671 & After
Dual Fork Positioning Carriage Assembly S/N 0160037671 & After
Ft Mast With 72 In Carriage Before S/N 0160037671
Ft Standard Mast S/N 0160037671 & After
Ft Standard Mast S/N 0160037671 & After
Ft Side Tilt Electric Mast S/N 0160037671 & After
Ft Side Tilt Electric Mast S/N 0160037671 & After
50 in Side Shift Carriage S/N 0160037671 & After
Engine Assembly, LH View - Engine S/N 0193001 thru 0193007 & 0160000008 thru 0160003121 excluding 0160002658
Engine Assembly, LH View - Engine S/N 0160003210 thru 0160040674 including 0160002658 excluding 0160040468 & 0160040672
Engine Assembly, RH View - Engine S/N 0193001 thru 0193007 & 0160000008 thru 0160003121 excluding 0160002658
Engine Assembly, RH View - Engine including S/N 0160003210 thru 0160040674 including 0160002658 excluding 0160040468 & 0160040672
Engine Assembly - Engine S/N 0160020943 thru 0160040674 including 0160020803, 0160020823 & 0160020824 excluding 0160040468 & 160040672
Engine Assembly S/N 0160040675 & After including 0160040468 & 0160040672
Engine S/N 0193001 thru 0193007 & 0160000008 thru 0160003121 excluding 0160002658
Engine S/N 0160003210 thru 0160006663 including 0160002658 excluding 0160006594, 0160006599, 0160006617 & 0160006621
Engine S/N 0160006686 thru 0160040674 including 0160006594, 0160006599 0160006617 & 0160006621 excluding 0160040468 & 0160040672
Engine S/N 0160020943 thru 0160040674 including 0160020803, 0160020823 & 0160020824 excluding 0160040468 & 0160040672
Engine S/N 0160040675 & After including 0160040468 & 0160040672
Fuel Tank & Lines Before S/N 0160040675 excluding 0160040468 & 0160040672
Fuel Tank & Lines S/N 0160040675 & After including 0160040468 & 0160040672
Radiator Assembly - Engine S/N 019001 thru 0193007 & 0160000008 thru 0160000240
Radiator Assembly - Engine S/N 0160000246 thru 0160040674 excluding 0160040468 & 0160040672
Radiator Assembly - Engine S/N 0160020943 thru 0160040674 including 0160020803, 0160020823 & 0160020824excluding 0160040468 & 0160040672
Radiator Assembly - Engine S/N 0160040675 & After including 0160040468 & 0160040672
Air Cleaner & Installation - Engine Before S/N 0160040675 excluding 0160040468 & 0160040672
Air Cleaner & Installation - Engine S/N 0160020943 thru 0160040674 including 0160020803, 0160020823 & 0160020824 excluding 0160040468 & 0160040672
Air Cleaner & Installation - Engine S/N 0160040675 & After including 0160040468 & 0160040672
Exhaust Installation - Engine Before S/N 0160040675 excluding 0160040468 & 0160040672
Exhaust Installation - Engine S/N 0160020943 thru 0160040674 including 0160020803, 0160020823 & 0160020824 excluding 0160040468 & 0160040672
Exhaust Installation - Engine S/N 0160040675 & After including 0160040468 & 0160040672
DanaTransmission - Converter Housing Group Before S/N 0160040675 excluding 0160040468 & 0160040672
Dana Transmission - Case & Plate Group Before S/N 0160040675 excluding 0160040468 & 0160040672
Dana Transmission - Torque Converter Group Before S/N 0160040675 excluding 0160040468 & 0160040672
Dana Transmission - Gear Group Before S/N 0160040675 excluding 0160040468 & 0160040672
Dana Transmission - Pump Drive Group Before S/N 0160040675 excluding 0160040468 & 0160040672
Dana Transmission - Charging Pump Group Before S/N 0160040675 excluding 0160040468 & 0160040672
Dana Transmission - Reverse Idler Group Before S/N 0160040675 excluding 0160040468 & 0160040672
DanaTransmission - Forward & Reverse Shaft Group Before S/N 0160040675 excluding 0160040468 & 0160040672
Dana Transmission - 3rd Shaft Group Before S/N 0160040675 excluding 0160040468 & 0160040672
Dana Transmission - First & Second Shaft Group Before S/N 0160040675 excluding 0160040468 & 0160040672
Dana Transmission - Output Shaft Group Before S/N 0160040675 excluding 0160040468 & 0160040672
Dana Transmission - Electric Control Group S/N 0193001 thru 0193007 & 0160000008 thru 0160011036
Dana Transmission - Electric Control Group S/N 0160011061 thru 0160040675 excluding 0160040468 & 0160040672
Dana Transmission - Drive Plate Group Before S/N 0160040675 excluding 0160040468 & 0160040672
Dana Transmission - Drop Box Group Before S/N 0160040675 excluding 0160040468 & 0160040672
ZF Transmission S/N 0160040675 & After including 0160040468 & 0160040672
ZF Transmission - Transmission Converter & Input S/N 0160040675 & After including 0160040468 & 0160040672
ZF Transmission - Gearbox Housing S/N 0160040675 & After including 0160040468 & 0160040672
ZF Transmission - Reversing Gear S/N 0160040675 & After including 0160040468 & 0160040672
ZF Transmission - Reverse Gear Group S/N 0160040675 & After including 0160040468 & 0160040672
ZF Transmission - 1st Shaft Group S/N 0160040675 & After including 0160040468 & 0160040672
ZF Transmission - 2nd Shaft Group S/N 0160040675 & After including 0160040468 & 0160040672
ZF Transmission - 3rd Shaft Group S/N 0160040675 & After including 0160040468 & 0160040672
ZF Transmission - 4th Shaft Group S/N 0160040675 & After including 0160040468 & 0160040672
ZF Transmission - Power Take-Off S/N 0160040675 & After including 0160040468 & 0160040672
ZF Transmission - Control Unit & Pressure Regulator S/N 0160040675 & After including 0160040468 & 0160040672
ZF Transmission - Gearshift System S/N 0160040675 & After including 0160040468 & 0160040672
ZF Transmission - Oil Pump, Filter & Dipstick S/N 0160040675 & After including 0160040468 & 0160040672
ZF Transmission - Transfer Box S/N 0160040675 & After including 0160040468 & 0160040672
Front Axle Assembly
Front Axle
Front Axle Housing Assembly
Front Steering Components
Front Gear Components
Front Differential
Front Double Joint
Front Brakes
Front Wheel Hub
Front Reduction Gears
Rear Axle Assembly
Rear Axle
Rear Axle Housing Assembly
Rear Steering Components
Rear Gear Components
Rear Differential
Rear Double Joint
Rear Brakes Before S/N 0160035189 excluding 0160035166
Rear Brakes S/N 0160035189 & After including 0160035166
Rear Wheel Hub
Rear Reduction Gears
Drive Shaft Assembly
Tires & Rims
Tires & Rims
Open Cab
Cab Enclosures
Cab Components
Cab Door Assembly
Cab Glass
Suspension Seat
Dash Panel Before S/N 0160040675 excluding 0160040468 & 0160040672
Dash Panel S/N 0160040675 & After including 0160040468 & 0160040672
Instrument Panel Before S/N 0160040675 excluding 0160040468 & 0160040672
Instrument Panel S/N 0160040675 & After including 0160040468 & 0160040672
Top Cab Glass Shield
Front Cab Glass Shield
Tilt and Frame Level Joystick Installation
Tilt & Sway Joystick Assembly
Accelerator Pedal Installation Before S/N 0160001378 excluding 0160001280
Accelerator Pedal Installation S/N 0160001378 thru 0160038394 including 0160001280
Accelerator Pedal Installation S/N 0160038525 thru 0160040674 excluding 0160040468 & 0160040672
Accelerator Pedal Installation S/N 0160040675 & After including 0160040468 & 0160040672
Steering Column & Attaching Parts Before S/N 0160040675 excluding 0160040468 & 016004062
Steering Column & Attaching Parts S/N 0160040675 & After including 0160040468 & 0160040672
Brake Pedal Installation Before S/N 0160029241
Brake Pedal Installation S/N 0160029241 thru 0160040674 excluding 0160040468 & 0160040672
Brake Pedal Installation S/N 0160040675 & After including 0160040468 & 0160040672
Boom Joystick Before S/N 0160040675 excluding 0160040468 & 0160040672
Boom Joystick S/N 0160040675 & After including 0160040468 & 0160040672
Outrigger Joysticks
Frame Level Joystick Assembly
Electric Auxiliary Hydraulic Joystick
Auxiliary Hydraulic Joystick
Tilt Hydraulic Joystick
Priority Valve Circuit S/N 0193001 thru 0193007 & 0160000008 thru 0160012095
Priority Valve Circuit S/N 0160012153 thru 0160040674 excluding 0160040468 & 0160040672
Priority Valve Circuit Before S/N 0160040675 excluding 0160040468 & 0160040672
Priority Valve Circuit Before S/N 0160040675 excluding 0160040468 & 0160040672
Dump Circuit Before S/N 0160040675 excluding 0160040468 & 0160040672
Dump Circuit S/N 0160040675 & After including 0160040468 & 0160040672
Steer Select Valve Before S/N 0160040675 excluding 0160040468 & 0160040672
Steer Select Valve S/N 0160040675 & After including 0160040468 & 0160040672
Service/Parking Brake Before S/N 0160040675 excluding 0160040468 & 0160040672
Service/Parking Brake S/N 0160040675 & After including 0160040468 & 0160040672
Boom Joystick Circuit Before S/N 0160040675 excluding 0160040468 & 0160040672
Boom Joystick Circuit S/N 0160040675 & After including 0160040468 & 0160040672
Boom Joystick Circuit Before S/N 0160040675 excluding 0160040468 & 0160040672
Boom Joystick Circuit S/N 0160040675 & After including 0160040468 & 0160040672
Lift Cylinder Before S/N 0160040675 excluding 0160040468 & 0160040672
Lift Cylinder S/N 0160040675 & After including 0160040468 & 0160040672
Crowd Cylinder Before S/N 0160040675 excluding 0160040468 & 0160040672
Crowd Cylinder S/N 0160040675 & After including 0160040468 & 0160040672
Tilt & Tilt Compensating Cylinder Before S/N 0160040675 excluding 0160040468 & 0160040672
Tilt & Tilt Compensating Cylinder S/N 0160040675 & After including 0160040468 & 0160040672
Sway Cylinder
Outrigger Cylinders Before S/N 0160040675 excluding 0160040468 & 0160040672
Outrigger Cylinders S/N 0160040675 & After including 0160040468 & 0160040672
Outrigger Joysticks Before S/N 0160040675 excluding 0160040468 & 0160040672
Outrigger Joysticks S/N 0160040675 & After including 0160040468 & 0160040672
Auxiliary Hydraulics S/N 0160040675 & After including 0160040468 & 0160040672
Lift Cylinder S/N 0193001 thru 0193007 & 0160000008 thru 0160007141
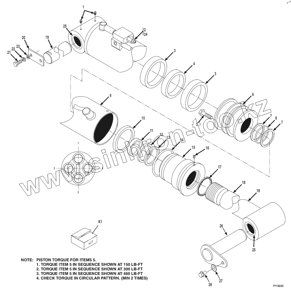
Lift Cylinder S/N 0160007176 thru 0160007822
Lift Cylinder S/N 0160008020 thru 0160033297 excluding 0160032951
Lift Cylinder G9-43A S/N 016003316 thru 0160040675 including 0160032951 excluding 0160040468 G10-43A S/N 0160038081 thru 0160040208
Lift Cylinder G9-43A S/N 0160040675 & After including 0160040468 G10-43A S/N 0160041167 & After
Crowd Cylinder - Iowa Before S/N 0160033222
Crowd Cylinder S/N 0160033222 & After
Tilt Cylinder S/N 0193001 thru 0193007 & 0160000008 thru 0160007141
Tilt Cylinder S/N 0160007142 thru 0160033297
Tilt Cylinder S/N 0160033316 & After
Compensating Cylinder S/N 0193001 thru 0193007 & 0160000008 thru 0160007141
Compensating Cylinder S/N 0160007176 thru 0160007822
Compensating Cylinder S/N 0160007869 thru 0160007970
Compensating Cylinder S/N 0160008020 thru 0160033297
Compensating Cylinder S/N 0160033316 & After
Sway Cylinder S/N 0193001 thru 0193007 & 0160000008 thru 0160033206
Sway Cylinder S/N 0160033222 & After
Main Control Valve Before S/N 0160040675 excluding 0160040468 & 0160040672
Main Control Valve S/N 0160040675 & After including 0160040468 & 0160040672
Main Control Valve Before S/N 0160040675 excluding 0160040468 & 0160040672
Main Control Valve S/N 0160040675 & After including 0160040468 & 0160040672
Hydraulic Pump Before S/N 0160040675 excluding 0160040468 & 0160040672
Hydraulic Pump S/N 0160040675 & After including 0160040468 & 0160040672
Hydraulic Pump S/N 0160040675 & After including 0160040468 & 0160040672
Hydraulic Tank Assembly Before S/N 0160040675 excluding 0160040468 & 0160040672
Hydraulic Tank Assembly S/N 0160040675 & After including 0160040468 & 0160040672
Sway Cylinder Valve
Power Brake Valve Before S/N 0160029241
Power Brake Valve S/N 0160029241 thru 0160040674 excluding 0160040468 & 0160040672
Power Brake Valve S/N 0160040675 & After including 0160040468 & 0160040672
Priority Valve Before S/N 0160025316
Priority Valve S/N 0160025316 thru 0160040674 excluding 0160040468 & 0160040672
Steer Select Valve Before S/N 0160040675
Steer Select Valve S/N 0160040675 & After
Grapple Bucket Cylinder
Side Tilt Carriage Cylinder
72” 90 Degree Swing Carriage Cylinder
Outrigger Control Valve Before S/N 0160040675 excluding 0160040468 & 0160040672
Outrigger Control Valve S/N 0160040675 & After including 0160040468 & 0160040672
Outrigger Cylinder Before S/N 0160039840
Outrigger Cylinder S/N 0160039840 & After
Hydraulic Manifold S/N 0160040675 & After including 0160040468 & 0160040672
50 in Side Shift Carriage Cylinder S/N 0160037671 & After
Battery & Cables Before S/N 0160040675 excluding 0160040468 & 0160040672
Battery & Cables S/N 0160040675 & After including 0160040468 & 0160040672
Engine Harness - Engine S/N 0193001 thru 0193007 & 0160000008 thru 0160002051
Engine Harness - Engine S/N 0160002054 thru 0160006663 excluding 0160006594, 0160006599, 0160006617 & 0160006621
Engine Harness - Engine S/N 0160006686 thru 0160011036 including 0160006594, 0160006599, 0160006617 & 0160006621
Engine Harness - Engine S/N 0160011061 thru 0160018121
Engine Harness - Engine S/N 0160018152 thru 0160020933 excluding 0160020803, 0160020823 & 0160020824
Engine Harness - Engine S/N 0160020943 thru 0160040674 including 0160020803, 0160020823 & 0160020824 excluding 0160040468 & 0160040672
Engine Harness - Engine S/N 0160020943 thru 0160040674 including 0160020803, 0160020823 & 0160020824 excluding 0160040468 & 0160040672
Engine Harness - Engine S/N 0160040675 & After including 0160040468 & 0160040672
Transmission Harness - Dana Transmission S/N 0160020943 thru 0160040675 including 0160020803, 0160020823 & 0160020824 excluding 0160040468 & 0160040672
Transmission Harness - ZF S/N 0160040675 & After including 0160040468 & 0160040672
Cab Work Light Harness S/N 0160034649 & After
Anti-Stall Harness & Control S/N 0160040675 & After including 0160040468 & 0160040672
Cab Control Harness S/N 0160040675 thru 0160045923 including 0160040468 & 0160040672
Cab Control Harness S/N 0160045923 & After
Cab Dash Harness S/N 0160040675 & After including 0160040468 & 0160040672
VEC Box Harness S/N 0160040675 & After including 0160040468 & 0160040672
Cab Options Harness S/N 0160040675 & After including 0160040468 & 0160040672
Accessory Module Harness S/N 0160040675 & After including 0160040468 & 0160040672
Tilt & Aux Control Module S/N 0160040675 & After including 0160040468 & 0160040672
Tilt On Joystick Harness Before S/N 0160040675 excluding 0160040468 & 0160040672
Cab Work Light Harness
Cab Work Light And Beacon Light Switch Harness Before S/N 0160040675 excluding 0160040468 & 0160040672
Boom Work Lights Harness
Frame Road Lights Harness
Cab Road Lights Harness
Chassis Harness
Cab & Frame Decals
Cab & Frame Decals
Cab & Frame Decals
Cab & Frame Decals
Boom Decals S/N 0193001 thru 0193007 & 0160000008 thru 0160000668
Boom Decals S/N 0160000683 thru 0160006218
Boom Decals S/N 0160006234 thru 0160040674 excluding 0160040468 & 0160040672
Boom Decals S/N 0160040675 & After including 0160040468 & 0160040672
Enclosed Cab Heater Components S/N 0193001 thru 0193007 & 0160000008 thru 0160015259
Enclosed Cab Heater Components S/N 0160040675 & After including 0160040468 & 0160040672
Enclosed Cab Heater Components S/N 0160040675 & After including 0160040468 & 0160040672
Open Cab Heater Components S/N 0160015460 thru 0160040674 excluding 0160040468 & 0160040672
Open Cab Heater Components S/N 0160020943 thru 0160040674 excluding 0160040675 & 0160040672 including 0160020803, 0160020823 & 0160020824
Open Cab Heater Components S/N 0160040675 & After including 0160040468 & 0160040672
Engine Heater Components
Worklight Package Before S/N 0160031635
Cold Start Installation - Engine Before S/N 0160040675 excluding 0160040468 & 0160040672
Block Heater Installation - Engine Before S/N 0160040675 excluding 0160040468 & 0160040672
Stabilizer Option
Stabilizer Option - Stabilizer Cylinder
Tilt on Joystick With RH Sway Before S/N 0160040675 excluding 0160040468 & 0160040672
Auxiliary Boom Assembly Before S/N 0160037671
Auxiliary Boom Assembly S/N 0160037671 & After
LH Auxiliary Hydraulic Assembly Before S/N 0160040675 excluding 0160040468 & 0160040672
Auxiliary Electrics Assembly Before S/N 0160037671
Auxiliary Electrics Assembly S/N 0160037671 & After
Sway Cylinder Valve
Sway Cylinder
Beacon Light Installation Before S/N 0160035414
Beacon Light Installation S/N 0160035414 thru 0160040674 excluding 0160040468 & 0160040672
Beacon Light Installation S/N 0160040675 & After including 0160040468 & 0160040672
Pintle Hook Installation
Suspension Seat S/N 0193001 thru 0193007 & 0160000008 thru 0160015259
Swing Cylinder
Main Control Valve With Auxiliary Hydraulic Before S/N 0160037671
Main Control Valve With Auxiliary Hydraulics S/N 0160037671 thru 0160040674 excluding 0160040468 & 0160040672
Main Control Valve With Tilt on Joystick Before S/N 0160040675 excluding 0160040468 & 0160040672
Main Control Valve With Auxiliary Hydraulics & Tilt on Joystick Before S/N 0160037671
Main Control Valve With Auxiliary Hydraulics & Tilt on Joystick S/N 0160037671 thru 0160040674 excluding 0160040468 & 0160040672
Truss Boom Pressure Valve - 1200 PSI
Truss Boom Pressure Valve - 1360 PSI
Truss Boom Winch
Winch Motor
Swing Cylinder
Starter Kit S/N 0193001 thru 0193007 & 0160000008 thru 0160006660 excluding 0160006594, 0160006599 & 0160006621
Fuel/Water Separator Installation - Engine Before S/N 0160040675 excluding 0160040468 & 0160040672
Standard Seat Replacement Kit
Heavy Duty Seat Replacement Kit
Work Light Installation Before S/N 0160030299
Work Light Installation S/N 0160030299 thru 0160040674 excluding 0160040468 & 0160040672
Work Light Installation S/N 0160040675 & After including 0160040468 & 0160040672
Road Lights Installation Before S/N 0160040675 excluding 0160040468 & 0160040672
Road Lights Installation S/N 0160040675 & After including 0160040468 & 0160040672
Engine Air Conditioning Components Before S/N 0160040675 excluding 0160040468 & 0160040672
Engine Air Conditioning Components Before S/N 0160040675 excluding 0160040468 & 0160040672
Engine Air Conditioning Components S/N 0160040675 & After including 016004068 & 0160040672
Air Conditioning Components Before S/N 0160040675 excluding 0160040468 & 0160040672
Air Conditioning Components S/N 0160040675 & After including 016004068 & 0160040672
Winch
Auxiliary Electric Harness
Arctic Package S/N 0160037905 thru 0160040674
Arctic Package S/N 0160040675 & After
Fender Installation
1
1
2
2
3
3
3
4
4
5
6
7
7
8
9
10
11
12
13
14
15
16
17
18
18
19
20
21
22
23
24
25
25
26
27
28
K1
Позиция на иллюстрации
Заводской номер детали
Название детали
91513039
91513039
LIFT CYLINDER
1
91144128
GREASE FITTING
2
91514248
HOLDING VALVE CARTRIDGE
3
WEAR RING
WEAR RING
4
PISTON SEAL
PISTON SEAL
5
91514013
CAPSCREW
6
91514014
PISTON
7
BACK-UP RING
BACK-UP RING
8
O-RING
O-RING
9
91514009
CASE ASSY
10
SEAL
SEAL
11
WEAR RING
WEAR RING
12
STEP SEAL
STEP SEAL
13
U-CUP
U-CUP
14
O-RING
O-RING
15
91514004
HEAD
16
91124096
SETSCREW
17
CANNED WIPER
CANNED WIPER
18
91514019
SHAFT ASSY
19
91513053
PIN
20
91401189
KEEPER
21
88201065
HEX HD CAPSCREW
22
88551013
LOCKWASHER
23
88561111
FLAT WASHER
24
91514251
SEAL KIT
25
91514218
BUSHING
26
91513279
PIN
27
4892000
HARD WASHER
28
0682010
HEX HD CAPSCREW
K1
91514020
SEAL KIT
Содержащиеся в справочниках-каталогах запасные части и детали не предлагаются к продаже, а носят исключительно информационный характер
Дополнительная информация
×
Название:
Номер:
Примечание: