Вернуться на главную
Поиск
Каталоги запчастей к технике
Спецтехника
JCB
VM-75D/PD
Электрооборудование двигателя/Electric tractor
Каталог запасных частей к технике: JCB VM-75D/PD. Электрооборудование двигателя/Electric tractor
zoom-in
zoom-out
enlarge
shrink
circle-right
circle-left
file-text2
info
cart
Тип техники
Не выбрано
Легковые автомобили
Грузовые автомобили и прицепы
Автобусы
Сельхозтехника
Спецтехника
Двигатели
Мототехника
Марка
Не выбрано
Ammann
BOMAG
CARMIX
CASE IH
Changlin
ChengGong
Dimex
Doosan
DYNAPAC
Foton
HAMM
Hidromek
Hitachi
Hyundai
JCB
JLG
John Deere
Komatsu
LIEBHERR
LiuGong
Lonking (LongGong)
Luneng
MANITOU
Mitsuber
New Holland
PENGPU
RM-Terex
SANY
SDLG
SEM
Shantui
Shehwa HBXG
Soosan
TIGARBO
VOGELE
Volvo
WAY
WIRTGEN
XCMG
XGMA
Xiamen
YTO
Yuchai
Zoomlion
Автокран
АЗСМ
Алтайлесмаш
Амкодор
АОМЗ
Атек
АТЗ
Балканкар Рекорд
БелАЗ
Беловеж
Борекс
Брянский Арсенал
Булат
ВЭКС
ГАЗ
Геомаш
Гидромаш
Донекс
Дормаш
Дормашина
Дорэлектромаш
ДЭЗ
ЕлАЗ
ЗЗГТ
Ижнефтемаш
Канаш-электрокар
КЗКТ
ККЗ
Клевер
Клинцовский автокрановый завод
КМЗ
КМЗ 1 Мая
Ковровец
Коммаш
Кранэкс
КЭЗ
КЭМЗ
ЛЗА
МАЗ
МЗИК
МЗКМ
МЗКТ
Михневский РМЗ
МоАЗ
Мозырский МЗ
МТЗ
ОЗП
Онежец
ПАО "ТЗА"
ППС Детва
Промтрактор
ПТЗ
Раскат
СпецАгрегат
ТВЭКС
ТТМ
УВЗ
Угличмаш
УЗТМ
ХТЗ
ЧЗКМ
ЧСДМ
ЧТЗ
ЭКСКО
ЭКСМАШ
ЮрМаш
Модель
Не выбрано
4CX (2015)
JCB-3CX (Часть 1) (2015)
JCB-3CX (Часть 1) (2015)
JCB-3CX (Часть 2) (2015)
JCB-3CX (Часть 2) (2015)
JCB-3CX Super (Часть 1) (2015)
JCB-3CX Super (Часть 2) (2015)
VM-115 D/PD (2006)
VM-132D/PD (2006)
VM-146D/PD (2005)
VM-1500-1601100 (2006)
VM-1500-1601300 (2006)
VM-200D/PD (2005)
VM-46D/PD (2006)
VM-75D/PD (2006)
VMТ-270/280 (2005)
VMТ-390/400 (480/500) (2005)
Схема
>
Не выбрано
Каток вибрационный JCB Vibromax VM75
Установка двигателя/Structure motor
Подвеска двигателя/Engine suspension
Блок цилиндров/Cylinder block
Головка блока цилиндров/Cylinder block
Крышка шестерен/Front gear cover
Клапанный механизм/Valve mechanism
Распределительный вал/Camshaft
Коленчатый вал/Crankshaft
Промежуточная шестерня/Intermediate gear
Поршень и шатун/Conecting and piston
Картер маховика/Flywheel housing
Маховик/Flywheel
Клапанная крышка/Cover valve
Крышка/Gear cover
Крышка/Cover
Воздухоочиститель/Air cleaner
Воздухоочиститель/Air cleaner
Топливные трубопроводы/Fuel pipe
Топливные трубопроводы/Fuel pipe
Топливные трубопроводы/Fuel pipe
Форсунка/Injection nozzle
Установка топливного насоса/Mounting-Fuel pump
Топливный фильтр/Fuel filter
Впускной патрубок/Air intake connection
Турбокомпрессор/Turbocharger
Выхлопная система/Exhaust
Выпускной коллектор/Exhaust manifold
Выпускной фланец/Connection-Exhaust
Маслоохладитель/Oil cooler
Масляный насос/Oil pump
Масляный картер/Oil pan
Установка системы охлаждения/Instalation cooler
Кожух радиатора/Cooler cover
Водяной бак/Water tank
Привод вентилятора/Fan wheel
Водяной насос/Water pump
Мост ведущий/ZF-Axle
Мост ведущий/ZF-Axle
Мост ведущий/ZF-Axle
Мост ведущий/ZF-Axle
Мост ведущий/ZF-Axle
Мост ведущий/ZF-Axle
Мост ведущий/ZF-Axle
Гидромотор/Variable displacement motor
Вилка/Roller frame
Рама/Frame
Соединение/Joint
Поворотный цилиндр/Steering cylinder
Колесо (VM75D)/Tyre
Колесо (VM75PD)/Cleat tread typre
Консоль управления/Console
Трос/Cable
Рулевая колонка/Steering column
Рулевая колонка/Steering column
Гидросистема/Propulsion
Гидросистема/Drive
Рулевое управление/Steering
Гидравлический фильтр/Hydraulic oil filter
Трубопроводы управления/Control line
Тормозные трубопроводы/Brake lines
Трубопроводы охлаждения/Cooler line
Трубопроводы/Leakage oil line
Трубопроводы/Hydraulic measuring points
Масляный фильтр/Oil filter
Гидросистема отвала/Hydraulic-Leveling blade
Гидроцилиндр/Hydro-cylinder
Блок управления/Control bloc
Генератор/Alternator
Кронштейн генератора/Bracket-Alternator
Стартер/Starter
Электрооборудование двигателя/Electric tractor
Проблесковый маячок/Rotation light
Освещение (с кабиной)/Lighting StVZO-with cab
Освещение (без кабины)/Lighting StVZO-without cab
Освещение (без кабины)/Lighting without cab
Электрооборудование/Plate
Панель приборов/Instrument panel
Сигнал предупреждающий/Back-up alarm
Датчики/Digital-Compaction
Кабина/ROPS-Cab
Рабочее место оператора/Operator’s stand
Сиденье оператора/Operator’s seat
Сиденье оператора/Operator’s seat
Направляющая/Manual guidance
Боковая пластина/Side flap
Двери кабины/ROPS-Cab
Двери кабины/ROPS-Cab
Дверца/Door
Лесенка/Ledder
Капот/Engine hood
Решетка/Vent grid
Замок/Locking mechanism
Таблички/Decals
Таблички/Decals
Таблички/Decals
Защита оператора/ROPS
Защита оператора/ROPS, and FOPS
Защита оператора/FOPS
Солнцезащитный козырек/Sun roof
Поручни/Rail
Крышка панели инструментов/Instrument panel cover
Отопитель/Heating
Отопитель/Heating
Отопитель/Air conditioning and Haeting
Кондиционер/Air conditioning and Haeting
Кондиционер/Air conditioning and Haeting
Кондиционер/Air conditioning and Haeting
Кондиционер/Fuel pipe Air conditioning
Кондиционер/Hose-pipe - Heating
Трубопроводы кондиционера/Hose-pipe - Air conditioning
Установка гидронасоса/Hydro pump block
Гидронасос/Drive pump
Гидронасос/Drive pump
Гидронасос/Vibration pump
Гидронасос/Vibration pump
Установка насоса/Pump mounting
Валец гладкий (VM75D)/Smooth drum
Вибрационный механизм (VM75D)/Exciter
Подвеска левая (VM75D)/Suspension, left
Подвеска правая (VM75D)/Suspension, right
Валец кулачковый (VM75PD)/Tamping foot drum
Редуктор/Gear
Гидромотор/Fixed displacement hydro motor
Скребок (VM75D)/Scraper
Скребок (VM75PD)/Tamping foot scraper
Скребок (VM75D)/Vulkollan scraper
Рабочее оборудование (VM75PD)/PD Shells+Scraper-PD Coussinet
Отвал/Fastening-Leveling blade
Педаль/Pedal
Система управления/Control system
Отвал/Fastening-Leveling blade
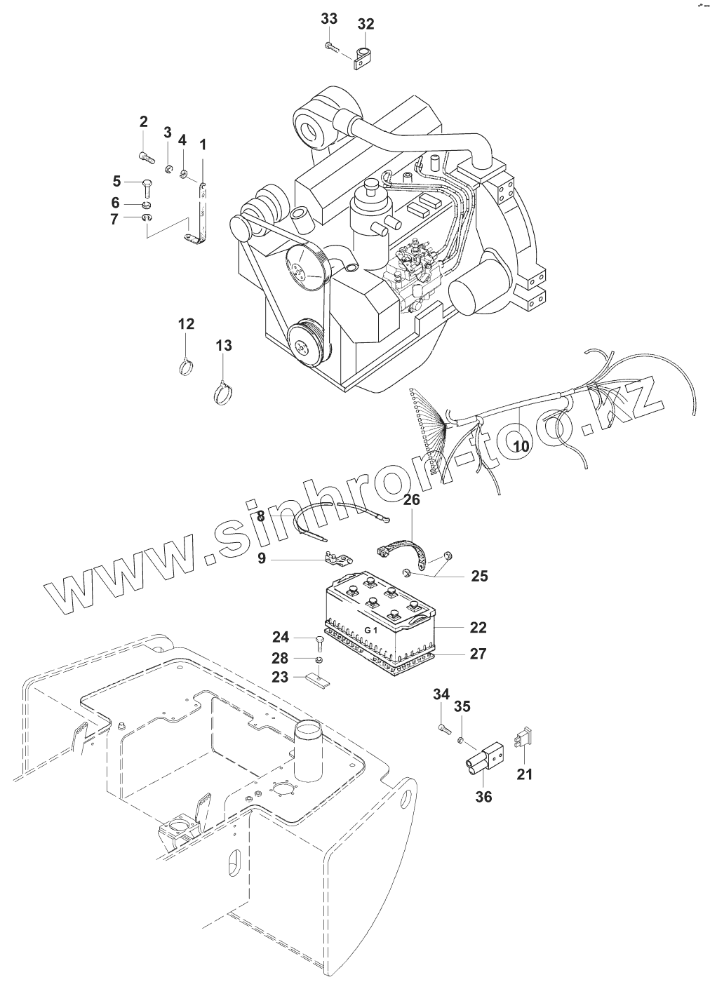
1
2
3
4
5
6
7
8
9
10
12
13
21
22
23
24
25
26
27
28
32
33
34
35
36
Позиция на иллюстрации
Заводской номер детали
Название детали
1
08308/01220
Ground Tape
2
02027/12020
Cap screw M12x20 DIN912
3
02201/01012
Washer 12 DIN1440
4
02204/00012
Spring washer B12 DIN127
5
02021/08020
Hexagon screw M8x20 DIN933
6
02200/01508
Washer 8,4 DIN9021
7
02204/00008
Spring washer B8 DIN127
8
07222/80516
Cable
9
08367/01506
Clamp
10
07222/80510
Cable harness
12
02322/00021
Hose clip
13
02322/00022
Hose clip
21
08412/06100
Insert 100A
22
08204/01013
Battery
23
07240/16205
Battery holder
24
02021/08025
Hexagon screw M8x25 DIN933
25
02200/00008
Washer 8,4 DIN7349
26
08308/01200
Ground tape
27
04032/19118
Rubber mat
28
02201/00008
Washer 8,4 DIN125
32
02503/06122
Hose clamp
33
02021/08012
Hexagon screw M8x12 DIN933
34
02021/04030
Hexagon screw M4x30 DIN933
35
02201/00004
Washer 4,3 DIN125
36
08412/04950
Fuse holder
87222/80600
87222/80600
Electric tractor
Содержащиеся в справочниках-каталогах запасные части и детали не предлагаются к продаже, а носят исключительно информационный характер
Дополнительная информация
×
Название:
Номер:
Примечание: