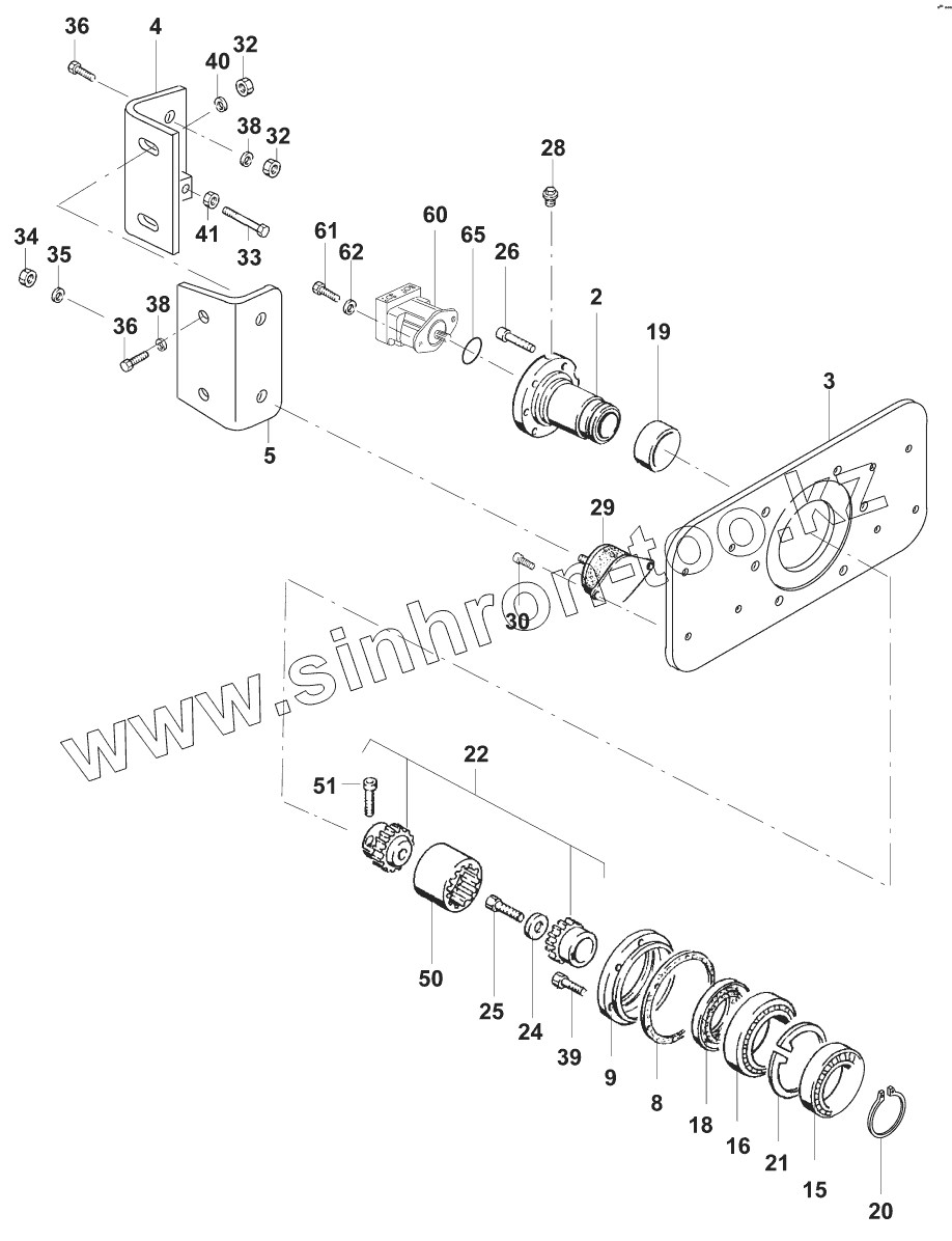
Каталог запасных частей к технике: JCB VM-46D/PD. Подвеска правая/Suspension, right (VM46D)
2
3
4
5
8
9
15
16
18
19
20
21
22
24
25
26
28
29
30
32
32
33
34
35
36
36
38
38
39
40
41
50
51
60
61
62
65
| Позиция на иллюстрации | Заводской номер детали | Название детали | |
|---|---|---|---|
| 2 | 04033/11222 | Bearing flange | |
| 3 | 07210/10170 | Bracket | |
| 4 | 07210/10190 | Angle | |
| 5 | 07210/10180 | Angle | |
| 8 | 04033/11066 | Seal ring | |
| 9 | 04033/11065 | Cover | |
| 15 | 02700/01240 | Deep grove ball bearing | |
| 16 | 02700/01260 | Deep grove ball bearing | |
| 18 | 02775/45175 | Shaft seal ring | |
| 19 | 02718/23020 | Inner ring | |
| 20 | 02306/06120 | Snap ring | |
| 21 | 02305/00130 | Retaining ring 130x4 DIN471 | |
| 22 | 07221/20350 | Clutch, compl. | |
| 24 | 04033/11017 | Thrust washer | |
| 25 | 02022/08020 | Hexagon screw M8x20 DIN933 | |
| 26 | 02025/16040 | Cap screw M16x40 DIN7984 | |
| 28 | 06180/01034 | Screw | |
| 29 | 04050/33040 | Rubber pad | |
| 30 | 02027/12025 | Cap screw M12x25 DIN912 | |
| 32 | 02118/32000 | Security nut VM20 DIN980 | |
| 33 | 02022/20100 | Hexagon screw | |
| 34 | 02118/41600 | Security nut NM16 DIN985 | |
| 35 | 02201/00016 | Washer 17 DIN125 | |
| 36 | 02020/20070 | Hexagon screw M20x70 DIN931 | |
| 38 | 02208/00120 | Washer 20 DIN6796 | |
| 39 | 02021/10016 | Hexagon screw M10x16 DIN933 | |
| 40 | 02200/00021 | Washer 21 DIN7349 | |
| 41 | 02110/00020 | Hexagon nut M20 DIN934 | |
| 50 | 04033/11292 | Coupling sleeve | |
| 51 | 02027/08020 | Cap screw M8x20 DIN912 | |
| 60 | 07210/10200 | Fixed displacement hydro motor | |
| 61 | 02021/12035 | Hexagon screw M12x35 DIN933 | |
| 62 | 02200/00013 | Washer 13 DIN7349 | |
| 65 | 02772/09620 | O-ring | |
| 87210/10070 | 87210/10070 | Suspension, rigth |
Содержащиеся в справочниках-каталогах запасные части и детали не предлагаются к продаже, а носят исключительно информационный характер