Каталог запасных частей к технике: JCB VM-200D/PD. Валец кулачковый
1
3
5
6
7
8
9
10
11
12
12
14
15
15
20
20
21
22
24
25
26
27
28
29
29
29
30
31
33
34
36
36
37
37
37
38
40
40
40
44
45
45
46
46
48
48
49
51
52
52
53
54
56
57
58
60
61
62
63
64
65
66
67
70
71
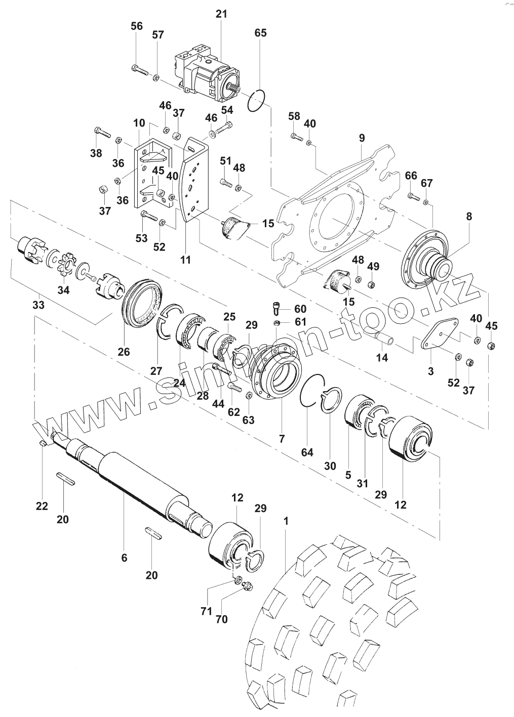
| Позиция на иллюстрации | Заводской номер детали | Название детали | |
|---|---|---|---|
| 1 | 07260/10550 | Tamping foot drum | |
| 3 | 07240/10003 | Tensioning plate | |
| 5 | 02712/06265 | Cylindrical roller bearing | |
| 6 | 07260/10006 | Exciter shaft | |
| 7 | 07260/10007 | Cover | |
| 8 | 07260/10008 | Bearing flange | |
| 9 | 07260/10009 | Plate, cpl. | |
| 10 | 07260/10015 | Buffer bracket | |
| 11 | 07260/10016 | Buffer bracket | |
| 12 | 07260/10060 | Overturning weight | |
| 14 | 07260/10020 | Spacer pipe | |
| 15 | 07261/20300 | Rubber spring element | |
| 20 | 02314/16080 | Parallel key | |
| 21 | 07261/20200 | Fixed displacement hydro motor | |
| 22 | 02314/16050 | Parallel key | |
| 24 | 02700/01360 | Deep grove ball bearing | |
| 25 | 02700/01340 | Deep grove ball bearing | |
| 26 | 02777/00030 | Axial face seal | |
| 27 | 02304/00280 | Retaining ring 250x5 DIN472 | |
| 28 | 07260/10028 | Sleeve | |
| 29 | 02305/00170 | Retaining ring 170x4 DIN471 | |
| 30 | 02305/00140 | Retaining ring 140x4 DIN471 | |
| 31 | 02304/00300 | Retaining ring 300x5 DIN472 | |
| 33 | 07260/10034 | Clutch | |
| 34 | 07260/10036 | Ring gear | |
| 36 | 02208/00120 | Washer 20 DIN6796 | |
| 37 | 02118/32000 | Security nut VM20 DIN980 | |
| 38 | 02020/20090 | Hexagon screw M20x90 DIN931 | |
| 40 | 02201/00016 | Washer 17 DIN125 | |
| 44 | 02021/24080 | Hexagon screw M24x80 DIN933 | |
| 45 | 02118/41600 | Security nut NM16 DIN985 | |
| 46 | 02200/00021 | Washer 21 DIN7349 | |
| 48 | 02201/00012 | Washer 13 DIN125 | |
| 49 | 02118/41200 | Security nut NM12 DIN985 | |
| 51 | 02027/12050 | Cap screw M12x50 DIN912 | |
| 52 | 02806/00540 | Disc spring | |
| 53 | 02020/20220 | Hexagon screw M20x220 DIN931 | |
| 54 | 02020/20080 | Hexagon screw M20x80 DIN931 | |
| 56 | 02021/14045 | Hexagon screw M14x45 DIN933 | |
| 57 | 02201/00015 | Washer 15 DIN125 | |
| 58 | 02021/16055 | Hexagon screw M16x55 DIN933 | |
| 60 | 02027/10016 | Cap screw M10x16 DIN912 | |
| 61 | 02766/01013 | Seal ring A10x13,5 DIN 7603 | |
| 62 | 02027/20030 | Cap screw M20x30 DIN912 | |
| 63 | 02766/02130 | Seal ring | |
| 64 | 02772/40850 | O-ring | |
| 65 | 02772/12530 | O-ring | |
| 66 | 02528/01015 | Screw | |
| 67 | 02766/01215 | Seal ring A12x15,5 DIN7603 | |
| 70 | 07260/10067 | Screw plug | |
| 71 | 02766/01823 | Seal ring 18x22x1,5 DIN7603 | |
| 87261/20003 | 87261/20003 | Tamping foot drum |
Содержащиеся в справочниках-каталогах запасные части и детали не предлагаются к продаже, а носят исключительно информационный характер