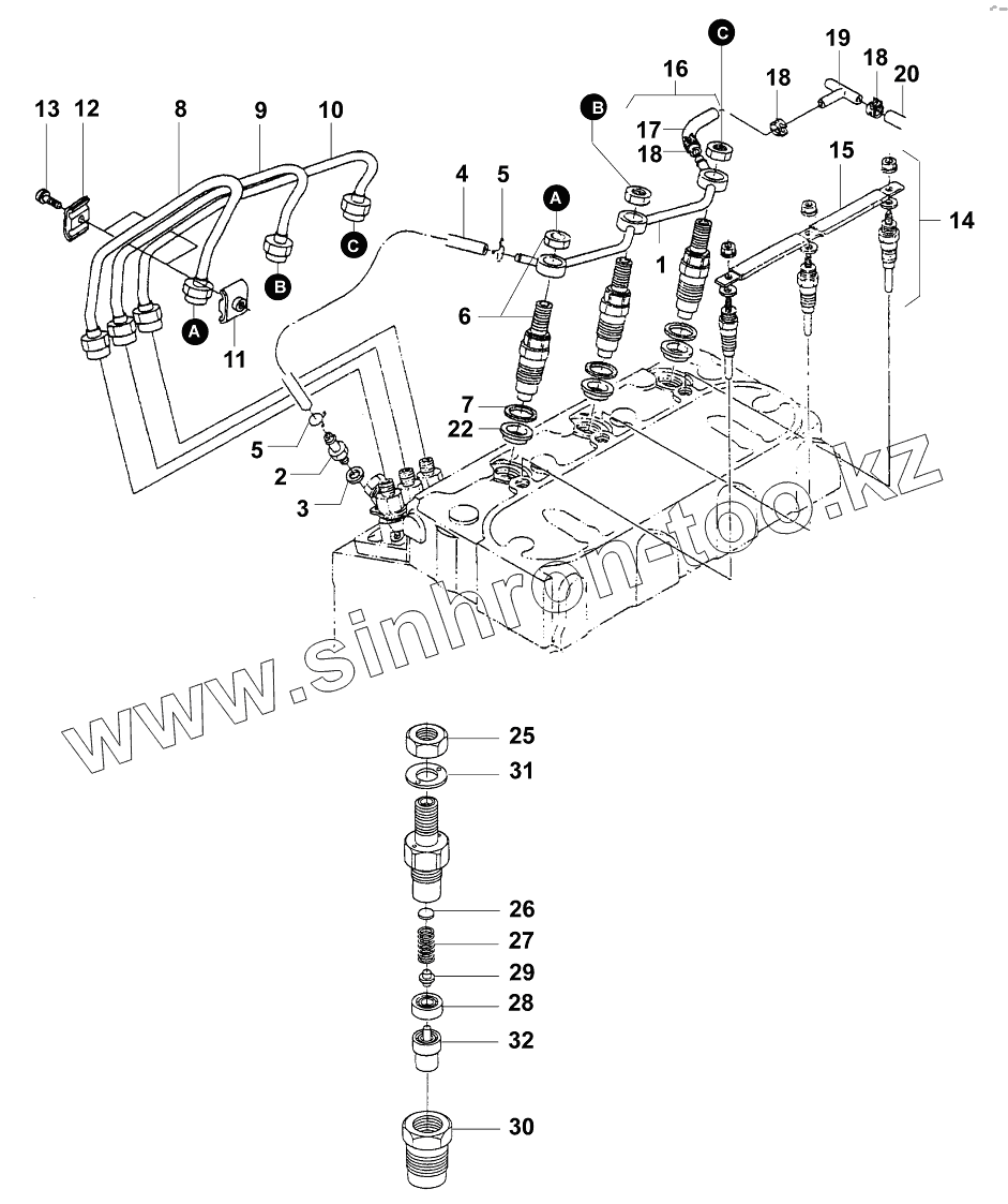
Каталог запасных частей к технике: JCB VM-1500-1601300. Установка форсунок
1
2
3
4
5
5
6
7
8
9
10
11
12
13
14
15
16
17
18
18
18
19
20
22
25
26
27
28
29
30
31
32
| Позиция на иллюстрации | Заводской номер детали | Название детали | |
|---|---|---|---|
| 1 | 07001/33260 | Over flow pipe | |
| 2 | 07001/33261 | Screw | |
| 3 | 07001/31603 | Gasket | |
| 4 | 07001/33262 | Over flow pipe | |
| 5 | 07001/31631 | Pipe clamp | |
| 6 | 07001/33265 | Nozzle holder incl. 25-32 | |
| 7 | 07001/33266 | Gasket | |
| 8 | 07001/33267 | Injection pipe | |
| 9 | 07001/33268 | Injection pipe | |
| 10 | 07001/33269 | Injection pipe | |
| 11 | 07001/31641 | Pipe clamp | |
| 12 | 07001/31642 | Pipe clamp | |
| 13 | 07001/31643 | Screw | |
| 14 | 07001/33270 | Heater plug | |
| 15 | 07001/33271 | Bridge | |
| 16 | 07001/33272 | Pipe incl. 17,18 | |
| 17 | 07001/33273 | Pipe clamp | |
| 18 | 07001/33274 | Pipe clamp | |
| 19 | 07001/33275 | Connecting piece | |
| 20 | 07001/33276 | Pipe clamp | |
| 22 | 07001/31636 | Gasket | |
| 25 | 07001/33278 | Nut | |
| 26 | 07001/33279 | Adjustment washer | |
| 27 | 07001/33280 | Spring | |
| 28 | 07001/33281 | Spacer washer | |
| 29 | 07001/33282 | Push rod | |
| 30 | 07001/33283 | Nut | |
| 31 | 07001/33284 | Washer | |
| 32 | 07001/33285 | Nozzle |
Содержащиеся в справочниках-каталогах запасные части и детали не предлагаются к продаже, а носят исключительно информационный характер