Каталог запасных частей к технике: JCB VM-146D/PD. Гидронасос
1
2
3
4
5
6
6
7
7
7
8
8
8
9
10
11
12
13
14
15
16
17
18
19
20
21
22
23
24
25
26
27
28
29
30
31
32
33
33
35
37
38
41
42
43
44
44
46
47
47
47
47
47
48
48
49
49
50
50
52
53
54
54
56
57
58
59
60
61
62
63
64
65
66
67
68
69
72
73
74
75
76
77
78
79
80
81
82
83
84
85
86
87
88
89
90
92
94
95
96
96
100
101
102
103
104
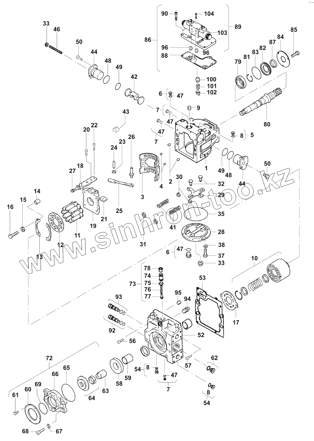
| Позиция на иллюстрации | Заводской номер детали | Название детали | |
|---|---|---|---|
| 1 | 04034/17702 | Housing | |
| 2 | 04030/67142 | Pin | |
| 3 | 04034/17703 | Bearing | |
| 4 | 04029/16311 | Parallel pin | |
| 5 | 07240/60661 | Screw plug | |
| 6 | 04030/67193 | Screw plug | |
| 7 | 04030/67226 | Screw plug, cpl. | |
| 8 | 04029/16307 | O-ring | |
| 9 | 07240/13330 | Filter | |
| 10 | 04034/17705 | Cylinder block | |
| 11 | 04034/17706 | Piston, cpl. | |
| 12 | 04034/17707 | Bracket | |
| 13 | 04034/17708 | Guide | |
| 14 | 04034/17709 | Sleeve | |
| 15 | 04030/67155 | Washer | |
| 16 | 04030/67156 | Hexagon screw | |
| 17 | 07250/50801 | Valve plate | |
| 18 | 04034/17712 | Control lever | |
| 19 | 04034/17713 | Cradle | |
| 20 | 04034/17714 | Hexagon screw | |
| 21 | 04034/17715 | Guide | |
| 22 | 04034/17716 | Cap screw | |
| 23 | 04034/17717 | Disc | |
| 24 | 04034/17718 | Spring type straight pin | |
| 25 | 04034/17719 | Bow | |
| 26 | 04034/17720 | Bolt | |
| 27 | 04034/17721 | Compression spring | |
| 28 | 07250/50802 | Cover | |
| 29 | 04034/17723 | Lever | |
| 30 | 04034/17724 | Spring retainer | |
| 31 | 04034/17725 | Washer | |
| 32 | 04034/17726 | Screw | |
| 33 | 04030/67135 | Nut | |
| 35 | 04034/17728 | O-ring | |
| 37 | 07250/50814 | Hexagon screw | |
| 38 | 04034/17730 | Washer | |
| 41 | 04034/17731 | Compression spring | |
| 42 | 07250/50803 | Piston | |
| 43 | 04034/17736 | Sliding piece | |
| 44 | 07250/50804 | Cylinder | |
| 46 | 04030/67142 | Pin | |
| 47 | 02772/90024 | O-ring | |
| 48 | 04034/17738 | O-ring | |
| 49 | 04034/17739 | O-ring | |
| 50 | 04901/10380 | Hexagon screw | |
| 52 | 07250/50805 | Housing, cpl. | |
| 53 | 04034/17751 | Gasket | |
| 54 | 04030/67219 | Screw plug | |
| 56 | 04034/17752 | Cap screw | |
| 57 | 04034/17753 | Cap screw | |
| 58 | 04034/17754 | Spacer ring | |
| 59 | 04034/17755 | Shaft | |
| 60 | 04030/67192 | Holder ring | |
| 61 | 04901/10380 | Hexagon screw | |
| 62 | 04034/17756 | Screw plug | |
| 63 | 07250/50806 | Coupling sleeve | |
| 64 | 07240/60670 | Cover, cpl. | |
| 65 | 02772/90111 | O-ring | |
| 66 | 07250/50807 | Adaptor | |
| 67 | 04034/17762 | Washer | |
| 68 | 04034/17763 | Cap screw | |
| 69 | 02772/90112 | O-ring | |
| 72 | 07250/50808 | Adaptor, cpl. | |
| 73 | 04034/17767 | Valve, cpl. | |
| 74 | 04034/17768 | Adjusting screw, cpl. | |
| 75 | 04200/19216 | O-ring | |
| 76 | 04901/10371 | Compression spring | |
| 77 | 04901/10372 | Poppet, valve | |
| 78 | 07240/13345 | Nut | |
| 79 | 04034/17770 | Cylindrical roller bearing | |
| 80 | 07250/50809 | Shaft | |
| 81 | 04034/17772 | Retaining ring | |
| 82 | 04034/17773 | Gasket | |
| 83 | 04034/17775 | O-ring | |
| 84 | 04034/17776 | Thrust disc | |
| 85 | 04029/16332 | Cap screw | |
| 86 | 07250/50810 | Valve, cpl. | |
| 87 | 07240/60430 | Shaft seal ring | |
| 88 | 04901/10382 | Gasket | |
| 89 | 04901/10383 | Valve | |
| 90 | 04901/10384 | Cap screw | |
| 92 | 04901/10387 | Valve | |
| 94 | 04901/10388 | Check valve | |
| 95 | 04901/10389 | Plug | |
| 96 | 07250/50812 | Nozzle 1,5 | |
| 100 | 04901/10392 | Nozzle 1,02 | |
| 101 | 04901/10393 | Compression spring | |
| 102 | 04901/10394 | Sleeve | |
| 103 | 07250/50813 | Valve | |
| 104 | 04033/28600 | Cap screw | |
| 04034/17701 | 04034/17701 | Kit, gasket | |
| 07250/50800 | 07250/50800 | Variable displacement hydro pump |
Содержащиеся в справочниках-каталогах запасные части и детали не предлагаются к продаже, а носят исключительно информационный характер