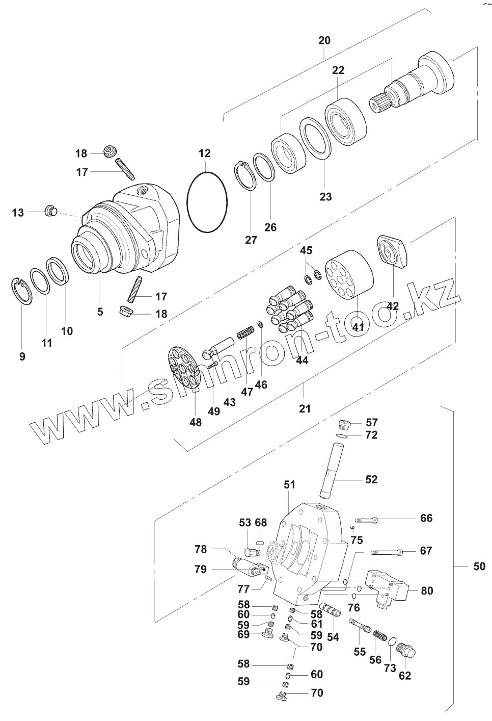
Каталог запасных частей к технике: JCB VM-146D/PD. Гидромотор
5
9
10
11
12
13
17
17
18
18
20
21
22
23
26
27
41
42
43
44
45
46
47
48
49
50
51
52
53
54
55
56
57
58
58
58
59
59
59
60
60
61
62
66
67
68
69
70
70
72
73
75
76
77
78
79
80
| Позиция на иллюстрации | Заводской номер детали | Название детали | |
|---|---|---|---|
| 5 | 07241/20255 | Housing | |
| 9 | 02304/00062 | Retaining ring | |
| 10 | 07241/20252 | Shaft seal ring | |
| 11 | 07241/20253 | Supporting ring | |
| 12 | 07241/20254 | O-ring | |
| 13 | 07241/20258 | Screw plug | |
| 17 | 07241/20256 | Heandless screw | |
| 18 | 07241/20257 | Nut | |
| 20 | 07241/20260 | Driving gear | |
| 21 | 07241/20270 | Driving gear, hydraulically | |
| 22 | 07241/20261 | Shaft , cpl. | |
| 23 | 07241/20262 | Shim ring | |
| 26 | 07241/20263 | Supporting ring | |
| 27 | 02305/00050 | Retaining ring | |
| 41 | 04033/23139 | Cylinder | |
| 42 | 07241/20272 | Valve | |
| 43 | 07241/20273 | Stund | |
| 44 | 07241/20275 | Piston and piston ring | |
| 45 | 07241/20277 | Seal ring | |
| 46 | 07241/20278 | Disc | |
| 47 | 07241/20279 | Compression spring | |
| 48 | 04033/23144 | Plate | |
| 49 | 07241/20281 | Screw | |
| 50 | 07241/20290 | Adjusting device | |
| 51 | 07241/20291 | Plate | |
| 52 | 07241/20292 | Piston | |
| 53 | 07241/20293 | Stund | |
| 54 | 07241/20294 | Bushing | |
| 55 | 07241/20305 | Piston | |
| 56 | 07241/20295 | Compression spring | |
| 57 | 07241/20296 | Screw plug | |
| 58 | 07241/20297 | Screw | |
| 59 | 07241/20298 | Screw | |
| 60 | 07241/20299 | Pin | |
| 61 | 07241/20301 | Pin | |
| 62 | 07241/20302 | Screw plug | |
| 66 | 07241/20303 | Cap screw M10x40 DIN912 | |
| 67 | 07241/20304 | Cap screw M10x60 DIN912 | |
| 68 | 07241/20306 | Parallel pin | |
| 69 | 07241/20307 | Screw plug | |
| 70 | 07241/20308 | Screw plug | |
| 72 | 07241/20309 | O-ring | |
| 73 | 07241/20310 | O-ring | |
| 75 | 07241/20311 | Plug | |
| 76 | 07241/20312 | O-ring | |
| 77 | 07241/20313 | Needle | |
| 78 | 07241/20330 | Magnet | |
| 79 | 08362/01015 | Plug socket | |
| 80 | 07241/20315 | Cover | |
| 07241/20250 | 07241/20250 | Variable displacement motor | |
| 07241/20251 | 07241/20251 | Sealing kit |
Содержащиеся в справочниках-каталогах запасные части и детали не предлагаются к продаже, а носят исключительно информационный характер