Каталог запасных частей к технике: JCB VM-132D/PD. Валец гладкий/Smooth drum (VM132D)
1
3
5
6
7
8
9
10
11
12
12
14
15
15
20
20
21
22
23
24
25
26
27
28
29
30
31
32
32
33
34
35
35
36
36
37
37
38
39
44
45
46
49
50
51
52
53
56
57
58
59
60
61
62
63
64
66
67
70
71
72
73
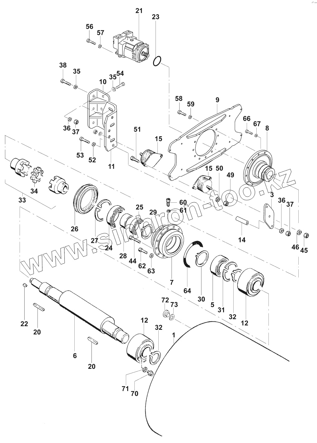
| Позиция на иллюстрации | Заводской номер детали | Название детали | |
|---|---|---|---|
| 1 | 07240/10010 | Smooth drum | |
| 3 | 07240/10003 | Tensioning plate | |
| 5 | 02712/06242 | Cylindrical roller bearing | |
| 6 | 07242/20201 | Exciter shaft | |
| 7 | 07240/10039 | Cover | |
| 8 | 07240/10008 | Bearing flange | |
| 9 | 07240/10009 | Plate, cpl. | |
| 10 | 07232/20130 | Buffer bracket | |
| 11 | 07232/20127 | Buffer bracket | |
| 12 | 07242/20202 | Overturning weight | |
| 14 | 07240/10018 | Spacer pipe | |
| 15 | 04010/22019 | Rubber pad | |
| 20 | 02314/12100 | Parallel key | |
| 21 | 07240/11400 | Fixed displacement hydro motor | |
| 22 | 02314/16045 | Parallel key | |
| 23 | 02772/10130 | O-ring | |
| 24 | 02700/01340 | Deep grove ball bearing | |
| 25 | 02700/01320 | Deep grove ball bearing | |
| 26 | 02777/00027 | Axial face seal | |
| 27 | 02304/00260 | Retaining ring 260x5 DIN472 | |
| 28 | 07240/10028 | Sleeve | |
| 29 | 02305/00160 | Retaining ring 160x4 DIN471 | |
| 30 | 02305/00120 | Retaining ring 120x4 DIN471 | |
| 31 | 02304/00260 | Retaining ring 260x5 DIN472 | |
| 32 | 02305/00155 | Retaining ring 155x4 DIN471 | |
| 33 | 07240/10035 | Clutch | |
| 34 | 07240/10036 | Ring gear | |
| 35 | 02208/00120 | Washer 20 DIN6796 | |
| 36 | 02203/10021 | Washer 21 DIN6340 | |
| 37 | 02118/32000 | Security nut VM20 DIN980 | |
| 38 | 02020/20085 | Hexagon screw M20x85 DIN931 | |
| 39 | 02020/20070 | Hexagon screw M20x70 DIN931 | |
| 44 | 02021/24080 | Hexagon screw M24x80 DIN933 | |
| 45 | 02118/41600 | Security nut NM16 DIN985 | |
| 46 | 02203/10017 | Washer 17 DIN6340 | |
| 49 | 02118/41200 | Security nut NM12 DIN985 | |
| 50 | 02201/00012 | Washer 13 DIN125 | |
| 51 | 02027/12050 | Cap screw M12x50 DIN912 | |
| 52 | 02806/00540 | Disc spring | |
| 53 | 02020/20220 | Hexagon screw M20x220 DIN931 | |
| 56 | 02021/12035 | Hexagon screw M12x35 DIN933 | |
| 57 | 02201/00012 | Washer 13 DIN125 | |
| 58 | 02021/16050 | Hexagon screw M16x50 DIN933 | |
| 59 | 02201/00016 | Washer 17 DIN125 | |
| 60 | 02027/10016 | Cap screw M10x16 DIN912 | |
| 61 | 02766/01013 | Seal ring A10x13,5 DIN 7603 | |
| 62 | 02027/20030 | Cap screw M20x30 DIN912 | |
| 63 | 02766/02130 | Seal ring | |
| 64 | 02772/36770 | O-ring | |
| 66 | 02528/01015 | Screw | |
| 67 | 02766/01215 | Seal ring A12x15,5 DIN7603 | |
| 70 | 02506/01815 | Screw plug M18x1,5 DIN908 | |
| 71 | 02766/01823 | Seal ring 18x22x1,5 DIN7603 | |
| 72 | 02502/00006 | Screw plug | |
| 73 | 02766/01215 | Seal ring A12x15,5 DIN7603 | |
| 87242/20001 | 87242/20001 | Smooth drum |
Содержащиеся в справочниках-каталогах запасные части и детали не предлагаются к продаже, а носят исключительно информационный характер