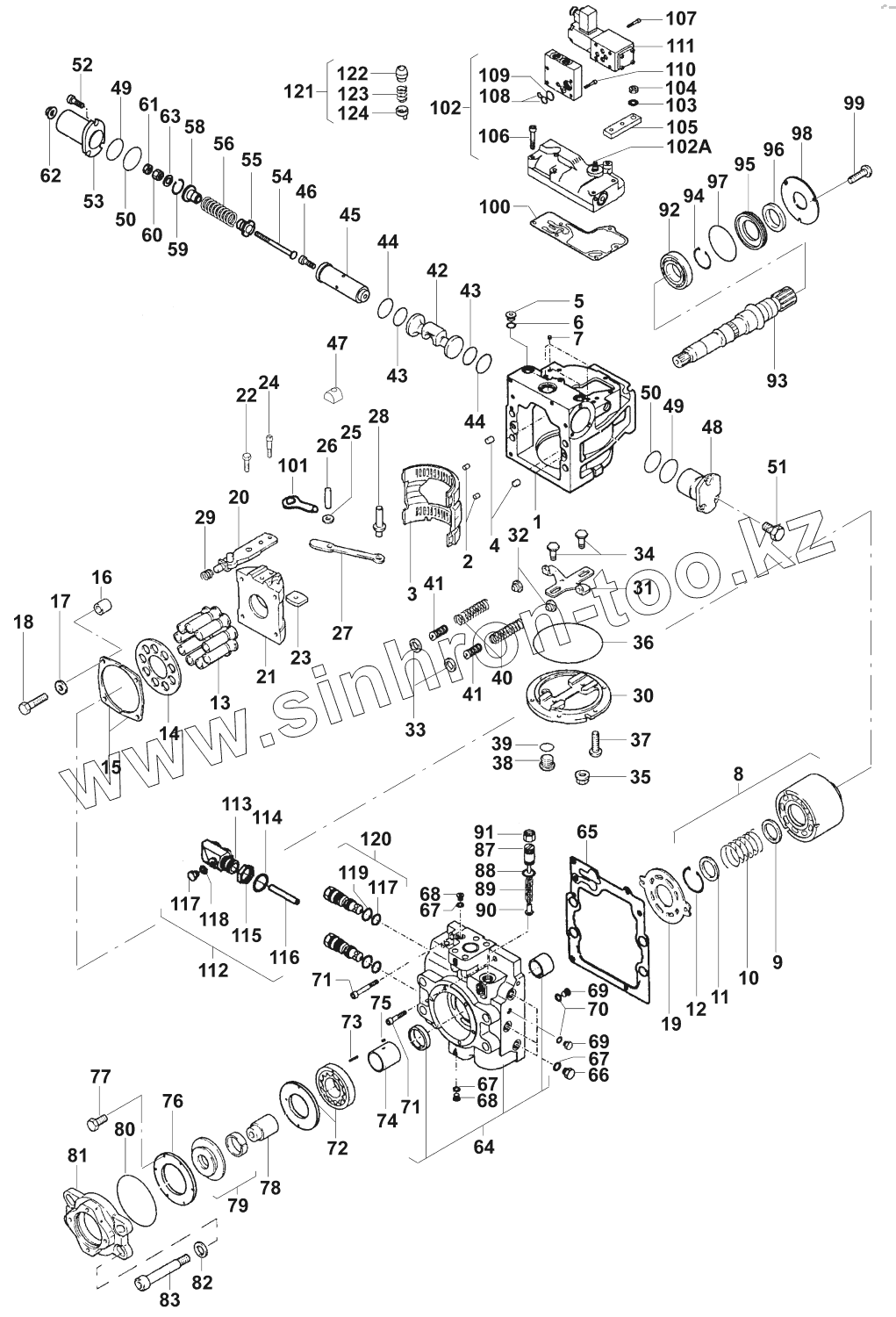
Каталог запасных частей к технике: JCB VM-132D/PD. Гидронасос/Drive pump
1
2
3
4
5
6
7
8
9
10
11
12
13
14
15
16
17
18
19
20
21
22
23
24
25
26
27
28
29
30
31
32
33
34
35
36
37
38
39
40
41
41
42
43
43
44
44
45
46
47
48
49
49
50
50
51
52
53
54
55
56
58
59
60
61
62
63
64
65
66
67
67
67
68
68
69
69
70
71
71
72
73
74
75
76
77
78
79
80
81
82
83
87
88
89
90
91
92
93
94
95
96
97
98
99
100
101
102
102
103
104
105
106
107
108
109
110
111
112
113
114
115
116
117
117
118
119
120
121
122
123
124
| Позиция на иллюстрации | Заводской номер детали | Название детали | |
|---|---|---|---|
| 1 | 07240/60602 | Housing | |
| 2 | 04030/67142 | Pin | |
| 3 | 07240/60603 | Bearing | |
| 4 | 04029/16311 | Parallel pin | |
| 5 | 04030/67226 | Screw plug, cpl. | |
| 6 | 02772/90024 | O-ring | |
| 7 | 04030/67145 | Filter | |
| 8 | 07240/60604 | Cylinder block | |
| 9 | 07240/60605 | Washer | |
| 10 | 07240/60606 | Compression spring | |
| 11 | 07240/60607 | Spring retainer | |
| 12 | 07240/60608 | Retaining ring | |
| 13 | 07240/60609 | Piston, cpl. | |
| 14 | 07240/60610 | Bracket | |
| 15 | 07240/60611 | Guide | |
| 16 | 07240/60612 | Sleeve | |
| 17 | 07240/60613 | Washer | |
| 18 | 07240/60614 | Hexagon screw | |
| 19 | 07240/60615 | Valve plate | |
| 20 | 07240/60616 | Control lever | |
| 21 | 07240/60617 | Swash plate | |
| 22 | 07240/60618 | Hexagon screw | |
| 23 | 07240/60619 | Guide | |
| 24 | 07240/60620 | Cap screw | |
| 25 | 07240/60621 | Washer | |
| 26 | 07240/60622 | Spring type straight pin | |
| 27 | 07240/60623 | Bow | |
| 28 | 07240/60624 | Bolt | |
| 29 | 07240/60625 | Compression spring | |
| 30 | 07240/60626 | Cover | |
| 31 | 07240/60627 | Lever | |
| 32 | 07240/60628 | Spring retainer | |
| 33 | 04034/17725 | Washer | |
| 34 | 04034/17726 | Screw | |
| 35 | 07240/60631 | Nut | |
| 36 | 07240/60632 | O-ring | |
| 37 | 04034/17729 | Hexagon screw | |
| 38 | 07240/60634 | Screw plug | |
| 39 | 02772/90007 | O-ring | |
| 40 | 07240/60636 | Compression spring | |
| 41 | 07240/60637 | Compression spring | |
| 42 | 07240/60638 | Piston | |
| 43 | 07240/60639 | O-ring | |
| 44 | 07240/60640 | O-ring | |
| 45 | 07240/60641 | Spring-type straight pin | |
| 46 | 07240/60642 | Cap screw | |
| 47 | 04034/17736 | Sliding piece | |
| 48 | 07240/60644 | Cylinder | |
| 49 | 07240/60645 | O-ring | |
| 50 | 07240/60646 | O-ring | |
| 51 | 07240/60647 | Hexagon screw | |
| 52 | 07240/60648 | Cap screw | |
| 53 | 07240/60649 | Cylinder | |
| 54 | 07240/60650 | Adjusting screw | |
| 55 | 07240/60651 | Spring guide | |
| 56 | 07240/60652 | Compression spring | |
| 58 | 07240/60653 | Spring guide | |
| 59 | 07240/60654 | Retaining ring | |
| 60 | 07240/60655 | Hexagon slotted nut | |
| 61 | 07240/60656 | Hexagon nut | |
| 62 | 07130/07663 | Nut | |
| 63 | 07240/60658 | Washer | |
| 64 | 07240/60659 | Housing, cpl. | |
| 65 | 07240/60660 | Gasket | |
| 66 | 04030/67219 | Screw plug | |
| 67 | 02772/90024 | O-ring | |
| 68 | 04030/67226 | Screw plug, cpl. | |
| 69 | 07240/60661 | Screw plug | |
| 70 | 04029/16307 | O-ring | |
| 71 | 07240/60663 | Cap screw | |
| 72 | 07240/60664 | Filler pump-mounting set | |
| 73 | 07240/60665 | Bolt | |
| 74 | 07240/60666 | Shaft | |
| 75 | 07240/60667 | Woodruff key | |
| 76 | 04030/67192 | Holder ring | |
| 77 | 07240/60668 | Hexagon screw | |
| 78 | 07240/60669 | Coupling sleeve | |
| 79 | 07240/60670 | Cover, cpl. | |
| 80 | 02772/90111 | O-ring | |
| 81 | 04034/17761 | Adaptor | |
| 82 | 07240/60673 | Washer | |
| 83 | 07240/60674 | Cap screw | |
| 87 | 07240/60678 | Adjusting screw, cpl. | |
| 88 | 04200/19216 | O-ring | |
| 89 | 07240/60680 | Compression spring | |
| 90 | 04901/10372 | Poppet, valve | |
| 91 | 07240/60682 | Hexagon nut | |
| 92 | 07240/60683 | Cylindrical roller bearing | |
| 93 | 07240/60684 | Shaft | |
| 94 | 07240/60685 | Retaining ring | |
| 95 | 07240/60686 | Insert | |
| 96 | 07240/60687 | Shaft seal ring | |
| 97 | 07240/60688 | O-ring | |
| 98 | 07240/60689 | Thrust washer | |
| 99 | 04029/16332 | Cap screw | |
| 100 | 07240/60691 | Gasket | |
| 101 | 07240/60692 | Strap | |
| 102 | 07240/60693 | Valve, cpl. | |
| 102 | 07240/60717 | Shaft-Valve | |
| 103 | 07130/07664 | Washer | |
| 104 | 07240/60695 | Hexagon nut | |
| 105 | 07240/60696 | Adjusting device | |
| 106 | 07240/60697 | Cap screw | |
| 107 | 07240/60698 | Cap screw | |
| 108 | 07240/60699 | O-ring | |
| 109 | 02772/90114 | O-ring | |
| 110 | 07240/60701 | Cap screw | |
| 111 | 07240/60702 | Way valve | |
| 112 | 07240/60703 | Filter conection, cpl. | |
| 113 | 07240/60704 | Filter conection | |
| 114 | 07240/60705 | O-ring | |
| 115 | 07240/60706 | Hexagon nut | |
| 116 | 07240/60707 | Tube | |
| 117 | 07240/60708 | Screw plug | |
| 118 | 02772/90024 | O-ring | |
| 119 | 04025/22122 | O-ring | |
| 120 | 04901/10387 | Valve | |
| 121 | 04901/10391 | Nozzle, cpl. | |
| 122 | 04901/10392 | Nozzle 1,02 | |
| 123 | 04901/10393 | Compression spring | |
| 124 | 04901/10394 | Sleeve | |
| 07240/60600 | 07240/60600 | Drive pump | |
| 07240/60601 | 07240/60601 | Kit, gasket |
Содержащиеся в справочниках-каталогах запасные части и детали не предлагаются к продаже, а носят исключительно информационный характер