Вернуться на главную
Поиск
Каталоги запчастей к технике
Спецтехника
JCB
JCB-3CX Super (Часть 2)
CIRCUIT, ATTACHMENT HAMMER SPANISH BUILD
Каталог запасных частей к технике: JCB-3CX Super (Часть 2). CIRCUIT, ATTACHMENT HAMMER SPANISH BUILD
zoom-in
zoom-out
enlarge
shrink
circle-right
circle-left
file-text2
info
cart
Тип техники
Не выбрано
Легковые автомобили
Грузовые автомобили и прицепы
Автобусы
Сельхозтехника
Спецтехника
Двигатели
Мототехника
Марка
Не выбрано
Ammann
BOMAG
CARMIX
CASE IH
Changlin
ChengGong
Dimex
Doosan
DYNAPAC
Foton
HAMM
Hidromek
Hitachi
Hyundai
JCB
JLG
John Deere
Komatsu
LIEBHERR
LiuGong
Lonking (LongGong)
Luneng
MANITOU
Mitsuber
New Holland
PENGPU
RM-Terex
SANY
SDLG
SEM
Shantui
Shehwa HBXG
Soosan
TIGARBO
VOGELE
Volvo
WAY
WIRTGEN
XCMG
XGMA
Xiamen
YTO
Yuchai
Zoomlion
Автокран
АЗСМ
Алтайлесмаш
Амкодор
АОМЗ
Атек
АТЗ
Балканкар Рекорд
БелАЗ
Беловеж
Борекс
Брянский Арсенал
Булат
ВЭКС
ГАЗ
Геомаш
Гидромаш
Донекс
Дормаш
Дормашина
Дорэлектромаш
ДЭЗ
ЕлАЗ
ЗЗГТ
Ижнефтемаш
Канаш-электрокар
КЗКТ
ККЗ
Клевер
Клинцовский автокрановый завод
КМЗ
КМЗ 1 Мая
Ковровец
Коммаш
Кранэкс
КЭЗ
КЭМЗ
ЛЗА
МАЗ
МЗИК
МЗКМ
МЗКТ
Михневский РМЗ
МоАЗ
Мозырский МЗ
МТЗ
ОЗП
Онежец
ПАО "ТЗА"
ППС Детва
Промтрактор
ПТЗ
Раскат
СпецАгрегат
ТВЭКС
ТТМ
УВЗ
Угличмаш
УЗТМ
ХТЗ
ЧЗКМ
ЧСДМ
ЧТЗ
ЭКСКО
ЭКСМАШ
ЮрМаш
Модель
Не выбрано
4CX (2015)
JCB-3CX (Часть 1) (2015)
JCB-3CX (Часть 1) (2015)
JCB-3CX (Часть 2) (2015)
JCB-3CX (Часть 2) (2015)
JCB-3CX Super (Часть 1) (2015)
JCB-3CX Super (Часть 2) (2015)
VM-115 D/PD (2006)
VM-132D/PD (2006)
VM-146D/PD (2005)
VM-1500-1601100 (2006)
VM-1500-1601300 (2006)
VM-200D/PD (2005)
VM-46D/PD (2006)
VM-75D/PD (2006)
VMТ-270/280 (2005)
VMТ-390/400 (480/500) (2005)
Схема
>
Не выбрано
RINGS HYDRAULIC HOSES
RINGS AIR CONDITIONING SYSTEM
ADAPTOR PLATES BOOM
HOSE AND PIPEWORK LOADER VALVE TO EXC VALVE TO TANK, S/SHIFT MANUAL AND PCH
CIRCUIT, NEUTRAL AUXILIARY LOWFLOW GEAR PUMP
CIRCUIT, NEUTRAL VARIFLOW PUMP (From: , To: M1619464)
CIRCUIT, NEUTRAL VARIFLOW PUMP (From: M1619465, To:)
CIRCUIT, HAMMER EXC.VALVE TO K/POST CENTREMOUNT, MANUAL OR PCH
12/0010 E1-2-1 CIRCUIT, LOADER ARM
CIRCUIT, LOADER ARM LIFT RAM, NO SRS HOSE BURST PROTECTION
CIRCUIT, LOADER ARM LIFT RAM, WITH SRS HOSE BURST PROTECTION
CIRCUIT, LOADER ARM SHOVEL RAM HOSE BURST PROTECTION
CIRCUIT, LOADER ARM SHOVEL RAM HOSE BURST PROTECTION
CIRCUIT, AUXILIARY LOADER AWS (3/8" BSP PIPEWORK)
CIRCUIT, AUXILIARY LOADER AWS (5/8" BSP PIPWORK)
CIRCUIT, COOLER TRANSMISSION AWS (From: , To: M1338260)
CIRCUIT, COOLER HYDRAULIC OIL 4WS (From:, To: M1335041)
CIRCUIT, COOLER HYDRAULIC OIL 4WS (From: M1335042, To: M1338260)
CIRCUIT, COOLERS HYDRAULIC & TRANS AWS MANUAL TRANSMISSION (From: M1338261, To:)
CIRCUIT, COOLERS HYDRAULIC & TRANS AWS P/S & A/S TRANSMISSIONS (From: M1338261, To:)
CIRCUIT, COOLERS HYDRAULIC & TRANS AWS VARIFLOW PUMP (From: M1338261, To:)
CIRCUIT, COOLERS HYDRAULIC & TRANS 2WS CHARGED AIR COOLER (From: M1338261 , To:)
CIRCUIT, COOLERS HYDRAULIC & TRANS AWS CHARGED AIR COOLER (From: M1338261 , To:)
CIRCUIT, STEERING AWS, GEAR PUMP (From: , To: M1327629)
CIRCUIT, STEERING ALL AWS MACHINES (From: M1327630 , To:)
CIRCUIT AUXILIARY LOADER LOCKOUT, (3/8"BSP PIPEWORK) (From: , To: M1619363)
CIRCUIT, COOLER HYDRAULIC OIL FIELD FIX (From: M0982848 , To: M1335041)
CIRCUIT, STEERING PRIORITY VALVE
CIRCUIT, SLEW/SWING 7'4 REAR FRAME
CIRCUIT, SLEW/SWING 7'8 REAR FRAME
CIRCUIT, SLEW/SWING CENTREMOUNT
CIRCUIT, SLEW/SWING CENTREMOUNT
CIRCUIT, STABILISER SIDESHIFT,7'8"FRAME
CIRCUIT, STABILISER SIDESHIFT,7'4"FRAME
CIRCUIT, STABILISER SIDESHIFT,7'8"FRAME WITH HOSE BURST PROTECTION, OPTIONAL
CIRCUIT, STABILISER SIDESHIFT,7'4"FRAME WITH HOSE BURST PROTECTION
CIRCUIT, BOOM RAM HEAVY DUTY 1400
CIRCUIT, BUCKET RAM EXTRADIG DIPPER & JAW 14' (From: , To: M1060807)
CIRCUIT, BUCKET RAM EXTRADIG DIPPER & JAW 14' (From: M1620808 , To:)
CIRCUIT, AUXILIARY EXTENTION RAM EXTRADIG DIPPER 14'0", GEAR PUMP (From: , To: M1620807)
CIRCUIT, AUXILIARY EXTENTION RAM EXTRADIG DIPPER & JAW 1400, GEAR PUMP
CIRCUIT, AUXILIARY EXTENTION RAM EXTRADIG DIPPER 14'0", GEAR PUMP (From: M1620808 , To:)
CIRCUIT, JAW BUCKET EXTRADIG DIPPER 1400
COOLER, COMBINATION RADIATOR/HYDRAULIC & TRANSMISSION, CHARGED AIR COOLER (From: M1338261, To:)
COOLER, COMBINATION RADIATOR/HYDRAULIC & TRANSMISSION, AWS (From:, To: M1338260)
CIRCUIT, AUXILIARY BREAKER 3/4" RETURN 1400 BACKHOE, EXTRADIG DIPPER. (From: , To: M1332948)
CIRCUIT, BREAKER EXTRADIG DIPPER GEAR PUMP
CIRCUIT, ATTACHMENT HAMMER SPANISH BUILD
CIRCUIT, AUXILIARY BACKHOE EXTRADIG DIPPER, QUICKHITCH INSTALLATION
CIRCUIT, STABILISER SIDESHIFT,7'4"FRAME WITH HOSE BURST PROTECTION ITALIAN BUILD (From: M0963771 , To:)
CIRCUIT, STABILISER CENTREMOUNT
CIRCUIT, BOOM RAM 14'0"
CIRCUIT, DIPPER RAM 14'0" DIPPERS GEAR PUMP
CIRCUIT, BUCKET RAM MONO DIPPER, 14'0"
CIRCUIT, BUCKET RAM EXTRADIG DIPPER 14'0" (From: , To: M1620807)
CIRCUIT, BUCKET RAM EXTRADIG DIPPER 14'0" (From: M1620808 , To:)
CIRCUIT, JAW BUCKET MONO DIPPER 14'
CIRCUIT, EXCAVATOR HAMMER SHUT-OFF VALVES (From: , To: M1618001)
CIRCUIT, HYDRACLAMP (From: , To: M1616771)
CIRCUIT, HYDRACLAMP STICK CONTROLS (From: M1616772 , To:)
CIRCUIT, EXCAVATOR HAMMER SHUT-OFF VALVES (From: M1618002 , To:)
CIRCUIT, EXCAVATOR CHASSIS HOSE GUIDES CENTREMOUNT
CIRCUIT, AUXILIARY HAND HELD TOOLS GEAR PUMP (From: , To: M1344633)
CIRCUIT AUXILIARY HAND HELD TOOLS, GEARPUMP, KIT (From: M1344634 , To:)
CIRCUIT AUXILIARY HAND HELD TOOLS, EXTENDING DIPPER, GEARPUMP, FACTORY FIT (From: M1617630, To:)
CIRCUIT AUXILIARY HAND HELD TOOLS, FIXED DIPPER, GEARPUMP, FACTORY FIT
COOLER, COMBINATION RADIATOR/HYDRAULIC & TRANSMISSION, NON CHARGED AIR COOLER (From: M1338261 , To:)
CIRCUIT, AUXILIARY HAMMER FEED FIXED DIPPER 14' (From: , To: M0981041)
CIRCUIT, AUXILIARY HAMMER FEED, FIXED DIPPER 14' (From: M981042 , To: M1332948)
CIRCUIT, AUXILIARY HAMMER FEED EXTN.DIPPER 1400 & 1550,+ SOLENOID VALVE (Note 1: Breaker circuit:see frame E1-24-1 (Gear pump) or E1-24-10 (Variflo pump))
CIRCUIT, AUXILIARY HAMMER 1" RETURN 14'
CIRCUIT, AUXILIARY BREAKER 3/4" RETURN 14' FIXED DIPPER (From: , To: M1332948)
CIRCUIT, HAMMER CHASSIS RETURN SIDESHIFT, MANUAL OR PCH (From: M1332949 , To:)
CIRCUIT, HAMMER KINGPOST TO HAMMER FIXED DIPPER 14', MANUAL OR PCH (From: M1332949 , To:)
CIRCUIT, HAMMER KINGPOST TO HAMMER EXT DIPPER 14', MANUAL OR PCH
CIRCUIT, HAMMER KINGPOST TO HAMMER EXT DIPPER 15', MANUAL OR PCH
CIRCUIT, HAMMER CHASSIS FEED FIXED DIPPER, SIDESHIFT, MANUAL OR PCH (From: M1332949 , To:)
CIRCUIT, HAMMER CHASSIS FEED EXT DIPPER, SIDESHIFT, MANUAL OR PCH
CIRCUIT, HAMMER DIVERTER VALVE EXT DIPPER, SIDESHIFT, MANUAL OR PCH (From: , To: M1705792)
CIRCUIT, HAMMER DIVERTER VALVE EXT DIPPER, SIDESHIFT, MANUAL OR PCH (From: M1705793 , To:)
CIRCUIT, HAMMER AUXILIARY VALVE EXT DIPPER, SIDESHIFT, MANUAL OR PCH
CIRCUIT, HAMMER AUXILIARY VALVE EXT DIPPER, CENTREMOUNT, MANUAL OR PCH
CIRCUIT, AUX VALVE TO CHANGEOVER VALVE POWERSLIDE, MANUAL OR PCH
CIRCUIT, AUXILIARY BREAKER, 1" RETURN TO TANK, SIDESHIFT, GEAR PUMP (From: , To: M1332948)
CIRCUIT, AUXILIARY BREAKER,HYD.COOLING GEAR PUMP
CIRCUIT, BREAKER MONO DIPPER GEAR PUMP
CIRCUIT, HBCV DIPPER RAM GEAR PUMP
DIPPER RAM PIPEWORK
CIRCUIT, HBCV BOOM RAM GEAR PUMP
BOOM RAM PIPEWORK
BOOM RAM PIPEWORK
CIRCUIT, LOADER LIFT SUSPENSION GEAR PUMP MACHINES
CIRCUIT, LOADER LIFT SUSPENSION GEAR PUMP MACHINES WITH 3 SPOOL & RESET (From: M1618463 , To:)
CIRCUIT, BREAKER EXTRADIG DIPPER SCOTT'S BUILD 5/8"BSP PIPEWORK
CIRCUIT, AUXILIARY EXTENTION RAM BREAKER FEED EXTRADIG DIPPER 1400 SCOTTS
CIRCUIT, AUXILIARY BACKHOE, EXTRADIG QUICKHITCH
CIRCUIT, POWERSLIDE RAM, FIXED DIPPER
HOSE SLEEVING POWERSLIDE
CIRCUIT PRIORITY TO LOADER VALVES, MANUAL OR PCH
CIRCUIT PRIORITY TO AUX. EXC VALVES, MANUAL OR PCH
HOSE AND PIPEWORK POWERSLIDE, EXTENDING DIPPER NO HAMMER
HOSE AND PIPEWORK AUXILIARY FIXED DIPPER 14', BI-DIR
PUMP 36/26 CCR MAIN HYDRAULIC 92 & 100 HP BUILDS
PUMP 36/29 CCR MAIN HYDRAULIC 92 & 100 HP BUILDS
PUMP, TRANSMISSION SYNCROSHUTTLE
PUMP, TRANSMISSION POWERSHIFT & AUTOSHIFT
VALVE-EXCAVATOR WITHOUT SPOOL GAITER SIDESHIFT 14'0"
VALVE, STEERING AWS
VALVE, STEERING MODE WITH NO CRAB (From: , To: M0961945)
VALVE, STEERING MODE WITH NO CRAB (From: M0961946 , To:)
VALVE-LOADER 2 SPOOL FLOAT GEAR PUMP
VALVE-LOADER 2 SPOOL FLOAT DETAILS, GEAR PUMP (From: M0964125 , To:)
VALVE-LOADER 2 SPOOL FLOAT & RESET GEAR PUMP
VALVE-LOADER 2 SPOOL FLOAT & RESET DETAILS, GEAR PUMP (From: M0964369 , To:)
VALVE-LOADER 3 SPOOL FLOAT & RESET GEAR PUMP (From: , To: M0964129)
VALVE-LOADER 3 SPOOL FLOAT & RESET DETAILS, GEAR PUMP (From: M0964130 , To: M1618462)
VALVE-LOADER 3 SPOOL FLOAT & RESET DETAILS, GEAR PUMP (From: M1618463 , To:)
VALVE-LOADER 3 SPOOL FLOAT GEAR PUMP
VALVE-LOADER 3 SPOOL FLOAT DETAILS, GEAR PUMP (From: M0964129 , To:)
VALVE-LOADER 3 SPOOL FLOAT RESET & DETENT GEAR PUMP (From: M0964369 , To:)
VALVE-LOADER 3 SPOOL FLOAT RESET & DETENT DETAILS, GEAR PUMP (From: M0964369 , To:)
VALVE-LOADER SPOOL MECHANICAL DETENT 2,3 SPOOL LOADER VALVE, GEAR PUMP (From: , To: M964XXX)
VALVE-LOADER SPOOL ELECTRIC DETENT 2,3 SPOOL LOADER VALVE, GEAR PUMP (From: , To: M964XXX)
VALVE-LOADER MAIN RELIEF 2/3 SPOOL GEAR PUMP (From: , To: M0964XXX)
VALVE-LOADER UNLOADER VALVE 2/3 SPOOL GEAR PUMP (From: , To: M0964XXX)
VALVE-LOADER AUXILIARY RELIEF 2/3 SPOOL GEAR PUMP (From: , To: M0964XXX)
VALVE, AUXILIARY BACKHOE, GEAR PUMP POWERED SIDESHIFT & FIXED DIPPER BREAKER
VALVE, AUXILIARY BACKHOE, GEAR PUMP AUXILIARY & EXTRADIG DIPPER BREAKER
VALVE, AUXILIARY COMPONENTS EXCAVATOR, GEAR PUMP, MANUAL OR PCH
VALVE ADAPTERS EXCAVATOR 14' & 15'6"
VALVE-EXCAVATOR WITH SPOOL GAITERS SIDESHIFT 14'0"
VALVE-EXCAVATOR WITHOUT SPOOL GAITER SIDESHIFT 14'0"
VALVE, ROTARY CLAMP EXCAVATOR VALVE SIDESHIFT, GEAR PUMP
VALVE, ROTARY CLAMP EXCAVATOR VALVE SIDESHIFT, GEAR PUMP
VALVE-EXCAVATOR SIDESHIFT, RELIEF
VALVE-EXCAVATOR CENTREMOUNT ADAPTORS
VALVE-EXCAVATOR CENTREMOUNT
VALVE-EXCAVATOR CENTREMOUNT, RELIEF
VALVE-EXCAVATOR CENTREMOUNT
VALVE-EXCAVATOR CENTREMOUNT, RELIEF 25/223012 & 25/223013
FILTER, HYDRAULIC
LUBRICANTS & FILTERS
VALVE, PRIORITY GEAR PUMP
VALVE, DIVERTER
VALVE FLOW REGULATOR HAMMER CIRCUIT SPANISH BUILD
VALVE SOLENOID
VALVE SOLENOID, DIVERTER HAMMER
VALVE SOLENOID, DIVERTER POWER SIDESHIFT
VALVE SOLENOID LOCKUP CONVERTER
RAM, LIFT STANDARD 50MM ROD X 90MM CYL (From:, To: M961368)
RAM, LIFT STANDARD 50MM ROD X 90MM CYL (From: M0961369 , To: M1620083)
RAM, LIFT STANDARD 50MM ROD X 90MM CYL (From: M1620084 , To:)
RAM, STEERING, AWS
RAM, BOOM HEAVY LIFT 120MM CYL X 65MM ROD
RAM, BOOM HEAVY LIFT 140MM CYL X 75MM ROD, C/MOUNT ONLY (From: , To: M1345963)
RAM BOOM HEAVY LIFT 140 X 75, C/MOUNT (From: M1345964 , To:)
RAM, DIPPER HEAVY LIFT 110MM CYL X 60MM ROD
RAM, BUCKET EXTRADIG DIPPER (From: , To: M0963954)
RAM, SHOVEL 40MM ROD X 70MM CYL (From: , To: 4-MAR-2005)
RAM, SHOVEL 40MM ROD X 70MM CYL (From: 4-MAR-2005 , To: M1616063)
RAM, SHOVEL 40MM ROD X 70MM CYL (From: M1616064 , To:)
RAM, CLAMSHOVEL 6 IN 1 673MM PIVOT CENTRES (From: , To: 15-APR-2005)
RAM, CLAMSHOVEL 6 IN 1 673MM PIVOT CENTRES (From: 15-APR-2005 , To:)
RAM, CLAMSHOVEL 6 IN 1 590MM PIVOT CENTRES
RAM, CLAMSHOVEL 6 IN 1 590MM PIVOT CENTRES
RAM, BOOM STANDARD LIFT 110MM CYL X 60MM ROD (From: , To: M1618773)
RAM, BOOM STANDARD LIFT 110MM CYL X 60MM ROD (From: M1618774 , To:)
RAM, BOOM STANDARD LIFT,14'EXC END DAMPED,110MM CYL X 60MM ROD (From: , To: 4-FEB-2005)
RAM, BOOM STANDARD LIFT,14'EXC END DAMPED,110MM CYL X 60MM ROD (From: 4-FEB-2005 , To: M1617835)
RAM, BOOM STANDARD LIFT,14'EXC END DAMPED,110MM CYL X 60MM ROD (From: M1617836 , To:)
RAM, BOOM HEAVY LIFT,14'EXC END DAMPED,120MM CYL X 65MM ROD
RAM, DIPPER 14' STANDARD LIFT 100MM CYL X 60MM ROD
RAM, DIPPER HEAVY LIFT-USA 110MM CYL X 60MM ROD DEEP PROFILE BUCKET
RAM, BUCKET MONO DIPPER 14' (From: , To: M0960417)
RAM, BUCKET MONO DIPPER 14' (From: M0960418 , To: M1346837)
RAM, BUCKET MONO DIPPER 14' (From: M1346838 , To:)
RAM, BUCKET EXTRADIG DIPPER (From: M0963955 , To: M1346859)
RAM BUCKET EXTRADIG DIPPER (From: M1346860 , To:)
RAM, EXTENSION EXTRADIG DIPPER (From: , To: M0960855)
RAM, EXTENSION EXTRADIG DIPPER (From: M0960856 , To: M1345963)
RAM EXTENSION EXTRADIG DIPPER (From: M1345964 , To:)
RAM, STABILISER SIDESHIFT (From: , To: M0967612)
RAM, STABILISER SIDESHIFT (From: M0967613 , To: 15-6-2008)
RAM STABILISER SIDESHIFT
RAM, STABILISER CENTREMOUNT
RAM, STABILISER CENTREMOUNT From: M1617789 , To:
RAM, SLEW/SWING CENTREMOUNT
RAM, SLEW/SWING SIDESHIFT
RAM, JAW BUCKET
RAM, QUICKHITCH
RAM, QUICKHITCH SHOVEL
RAM POWERED SIDESHIFT 7'4" REARFRAME
RAM POWERED SIDESHIFT 7'8" REARFRAME
RAM, QUICKHITCH ATTACHMENT
AXLE LOCKSTOPS
AXLE PIVOT PIN & GREASING AWS
AXLE ASSEMBLY, AWS STEERING MAXTRAC DIFF 453/33670, 453/33700
KNUCKLE, AWS STEERING AXLE 453/33670, 453/33700
HUB & COMPONENTS AWS STEERING AXLE 453/33670, 453/33700
DIFFERENTIAL, AWS STEERING AXLE 453/33670, 453/33700 MAXTRAC DIFF (From: , To: A****/06/)
DIFFERENTIAL, AWS STEERING AXLE 453/33670, 453/33700 MAXTRAC DIFF (From: A****/07/ , To:)
AXLE ASSEMBLY, AWS STEERING L.S.D. 453/33680, 453/33690
KNUCKLE, AWS STEERING AXLE 453/33680, 453/33690
HUB & COMPONENTS AWS STEERING AXLE 453/33680, 453/33690
DIFFERENTIAL, AWS STEERING AXLE 453/33680, 453/33690 L.S.D. (From: , To: A/****/06/)
DIFFERENTIAL, AWS STEERING AXLE 453/33680, 453/33690 L.S.D. (From: A/****/07 , To:)
DIFFERENTIAL, AWS COMPONENTS 453/33680, 453/33690 C/W L.S.D.
AXLE ASSEMBLY, AWS STEERING MAXTRAC DIFF 453/31620, 453/33100
KNUCKLE, AWS STEERING AXLE 453/31620, 453/33100
HUB & COMPONENTS AWS STEERING AXLE 453/31620, 453/33100
DIFFERENTIAL, AWS STEERING AXLE 453/31620, 453/33100 MAXTRAC DIFF
DIFFERENTIAL, AWS STEERING AXLE 453/31620, 453/33100 MAXTRAC DIFF
AXLE ASSEMBLY, AWS STEERING L.S.D. 453/32210, 453/33220
KNUCKLE, AWS STEERING AXLE 453/32210, 453/33220
HUB & COMPONENTS AWS STEERING AXLE 453/32210, 453/33220
DIFFERENTIAL, AWS STEERING AXLE 453/32210, 453/33220 L.S.D.
DIFFERENTIAL, AWS STEERING AXLE 453/32210, 453/33220 L.S.D.
DIFFERENTIAL, AWS COMPONENTS 453/32210, 453/33220 C/W L.S.D.
POWER TRACKROD AWS FRONT
AXLE LOCKSTOPS
SD80 PAD MOUNT AXLE 13.708:1 REVERSE LSD
SD80 PAD MOUNT AXLE 13.708:1 REVERSE MAXTRAC
SD80 PAD MOUNT AXLE 18.16:1 REVERSE LSD
SD80 PAD MOUNT AXLE 13.708:1 REVERSE MAXTRAC
SD80 PAD MOUNT AXLE 18.16:1 REVERSE LSD
SD80 PAD MOUNT AXLE 15.78:1 REVERSE MAXTRAC
SD80 PAD MOUNT AXLE 15.78:1 REVERSE LSD
SD80 PAD MOUNT AXLE 15.78:1 REVERSE MAXTRAC
SD80 PAD MOUNT AXLE 15.78:1 REVERSE HAYES
SD80 PAD MOUNT AXLE 15.78:1 REVERSE LSD HAYES
SD80 PAD MOUNT AXLE 15.78:1 REVERSE HAYES
AXLE ARM & HUB ASSY
AXLE ARM & HUB ASSY
AXLE ARM & HUB ASSY
AXLE ARM & HUB ASSY
DRIVEHEAD ASSEMBLY
DRIVEHEAD ASSEMBLY
DRIVEHEAD ASSEMBLY
DRIVEHEAD ASSEMBLY
DRIVEHEAD ASSEMBLY
DRIVEHEAD ASSEMBLY
DRIVEHEAD ASSEMBLY
DRIVEHEAD ASSEMBLY
DRIVEHEAD ASSEMBLY
DRIVEHEAD ASSEMBLY
DRIVEHEAD ASSEMBLY
DRIVEHEAD ASSEMBLY
DRIVEHEAD ASSEMBLY
DRIVEHEAD ASSEMBLY
DRIVEHEAD ASSEMBLY
DRIVEHEAD ASSEMBLY
DRIVEHEAD ASSEMBLY
DRIVEHEAD ASSEMBLY
DIFFERENTIAL ASSY
DIFFERENTIAL ASSY
HUB AND DRIVESHAFT ASSEMBLY
HUB AND DRIVESHAFT ASSEMBLY
HUB AND DRIVESHAFT ASSEMBLY
HUB AND DRIVESHAFT ASSEMBLY
AXLE BREATHER REMOTE
POWER TRACKROD AWS REAR AXLE
FRONT AXLE SYNCHROSHUTTLE TRANSMISSIONS
PROPSHAFT TRANS. / FRONT AXLE ALL LUC & AWS AUTOSHIFT TRANSMISSIONS
PROPSHAFT TRANS. / FRONT AXLE 4WD PS & AWS GERMANY
PROPSHAFT TRANS. / REAR AXLE SYNCROSHUTTLE
PROPSHAFT TRANS. / REAR AXLE 4 SPEED POWERSHIFT
PROPSHAFT TRANS. / REAR AXLE 6 SPEED AUTOSHIFT
PROPSHAFT TRANS. / REAR AXLE 6 SPEED LUC AUTOSHIFT
PROPSHAFT TRANS. / REAR AXLE SYNCROSHUTTLE, CENTREMOUNT
WHEEL & TYRE ASSEMBLY 19.5LR28 XM27 & 500/70 R28 IT520
WHEEL & TYRE ASSEMBLY FRONT & REAR, AWS 14.9X24
WHEEL & TYRE ASSEMBLY FRONT & REAR, AWS 15.5X25X1STAR
WHEEL & TYRE ASSEMBLY FRONT & REAR, AWS 16.9X24
WHEEL & TYRE ASSEMBLY FRONT & REAR, AWS 17.5X24
WHEEL & TYRE ASSEMBLY FRONT & REAR, AWS 16.9X28
WHEEL & TYRE ASSEMBLY FRONT & REAR, AWS 440/80X28R
WHEEL & TYRE ASSEMBLY FRONT & REAR, AWS 540/65X28R XM108
WHEEL & TYRE ASSEMBLY FRONT & REAR, AWS 440/80R24
WHEEL & TYRE ASSEMBLY FRONT & REAR, AWS 460/70R24
WHEEL & TYRE ASSEMBLY FRONT & REAR, AWS 17.5X25X12
MOUNTING BRACKET SYNCROSHUTTLE MANUAL
MOUNTING TRANSMISSION TO ENGINE
DIPSTICK & FILLER SYNCHROSHUTTLE MANUAL, TIER 2
DIPSTICK & FILLER SYNCHROSHUTTLE MANUAL
TORQUE CONVERTER 92 HP ENGINES W300 2.52 RATIO
4WD-AWS TRANSMISSION ASSY SYNCROSHUTTLE
4WD-AWS EXTERNAL COMPONENTS
4WD-AWS INTERNAL COMPONENTS
4WD-AWS REVERSER UNIT 459/10097
4WD-AWS 4WD CLUTCH ASSEMBLY 459/10119
4WD-AWS GEAR CHANGE
GEARLEVER TURRET 459/10143/6
PUMP & DRIVESHAFT SYNCROSHUTTLE GEARPUMP MACHINES
MOUNTING BRACKET PS & AS TRANSMISSION
MOUNTING TRANS. TO ENGINE
DIPSTICK & FILLER POWERSHIFT (4 SPEED)
DIPSTICK & FILLER AUTOSHIFT (6 SPEED)
TORQUE CONVERTER 92 & 100 HP ENGINES W300 2.52 RATIO
AWS, 4SP EXTERNAL COMPONENTS
AWS, 6SP EXTERNAL COMPONENTS
AWS, 6SP EXTERNAL COMPONENTS
SHAFT ASSEMBLY 4WD CLUTCH
SHAFT ASSEMBLY INPUT CLUTCH
SHAFT ASSEMBLY REVERSER CLUTCH
SHAFT ASSEMBLY MAINSHAFT CLUTCH
SHAFT ASSEMBLY LAYSHAFT CLUTCH
SOLENOID SWITCHES & PIPEWORK, 4 SPEED
SOLENOID SWITCHES & PIPEWORK, 4 SPEED
SOLENOID SWITCHES & PIPEWORK, 4 SPEED, LUC
SOLENOID SWITCHES & PIPEWORK, 6 SPEED, LUC
SOLENOID SWITCHES & PIPEWORK, 4 SPEED, STD
SOLENOID SWITCHES & PIPEWORK, 6 SPEED, STD
MP & DRIVESHAFT POWERSHIFT GEARPUMP MACHINES
PUMP & DRIVESHAFT POWERSHIFT VARIFLOW MACHINES
PARKBRAKE & CABLE
PARK BRAKE
BRAKE, SYSTEM SERVO
BRAKE, PARKING SYNCROSHUTTLE
BRAKE, SERVO
DRIVE DISCONNECT ICELANDIC OPTION
ENGINE 84 BHP T2 From: , To: EU0559705
ENGINE 92 BHP T2
ENGINE 92 BHP T2 From: EU0559805 , To:
ENGINE 92 BHP T2
ENGINE 92 BHP T2
ENGINE 100 BHP T2, SEE CATALOGUE
ENGINE 100 BHP T2
ENGINE 92 BHP T3
ENGINE MOUNTINGS AWS
FILTER, AIR 2WS & AWS, TIER 2 (From: , To: M1331875)
FILTER, AIR 2WS & AWS, TIER 2 (From: M1331876 , To:)
FILTER, AIR 2WS & AWS, TIER 3
AIR INDUCTION HOSES AWS TURBO T2 (From: , To: M967723)
AIR INDUCTION HOSES AWS TURBO T2 (From: M967724 , To: M1328409)
AIR INDUCTION HOSES AWS TURBO T2 (From: M1328410 , To:)
AIR INDUCTION HOSES AWS TURBO T2 TIER 3 BONNET
AIR INDUCTION HOSES AWS TURBO T3
SILENCER & EXTENSION 2WS & AWS TURBO, T2 92/100BHP (From: , To: M964925)
SILENCER & EXTENSION 2WS & AWS TURBO, T2 92/100BHP (From: M964926 , To: M967723)
SILENCER & EXTENSION 2WS & AWS TURBO, T2 92/100BHP (From: M967724 , To:)
SILENCER & EXTENSION TURBO TIER 3
SILENCER & EXTENSION 2WS & AWS TURBO, MT3 92/100BHP
RADIATOR FITTINGS & MOUNTINGS AWS BUILDS (From: , To: M963678)
RADIATOR FITTINGS & MOUNTINGS AWS BUILDS (From: M963679 , To: M967723)
RADIATOR FITTINGS & MOUNTINGS AWS BUILDS (From: M967723 , To:)
FAN GUARD AWS (From: , To: M965200)
FAN GUARD AWS (From: M965201 , To:)
RADIATOR FITTINGS & MOUNTINGS AWS T3
FAN GUARD AWS T3
FAN GUARD AWS T3 CHARGE AIR COOLED BUILDS
COMBINATION COOLER AWS ASSEMBLY T2
COMBINATION COOLER ASSEMBLY, T3 AWS NON CAC
RADIATOR & HOSES AWS BUILDS T2 (From: , To: M960515)
RADIATOR & HOSES AWS BUILDS T2 (From: M960516 , To: M967723)
RADIATOR & HOSES AWS BUILDS T2 (From: M967724 , To:)
RADIATOR & HOSES AWS BUILDS T2
RADIATOR & HOSES AWS 100BHP T3, CHARGE AIR COOLED BUILDS
RADIATOR & HOSES AWS 92BHP T3
COOLING FAN 20" AWS BUILDS T2
FRONT END DRIVE ACCESSORY T2 DIRECT DRIVE 20" FAN, 1.00
FRONT END DRIVE ACCESSORY T2 WITH COOLING FAN & AIR CONDITIONING
FRONT END DRIVE ACCESSORY T2 WITH COOLING FAN (From: , To: EU0559705)
FRONT END DRIVE ACCESSORY T2 WITH COOLING FAN
FRONT END DRIVE ACCESSORY T2 WITH COOLING FAN & AIR CONDITIONING (From: , To: EU0559705)
FRONT END DRIVE ACCESSORY T2 WITH COOLING FAN & AIR CONDITIONING
FRONT END DRIVE ACCESSORY T2 WITH COOLING FAN
FRONT END DRIVE ACCESSORY T2 WITH COOLING FAN & AIR CONDITIONING
FRONT END DRIVE ACCESSORY T2 WITH COOLING FAN & AIR CONDITIONING
LOWER IDLER PULLEY LARGE
COOLING FAN 20" VISCOUS DRIVE T2 2WS & AWS
FRONT END DRIVE STANDARD T3 92BHP DIRECT DRIVE 20"FAN, 1.16, AWS, QNA
FRONT END DRIVE STANDARD T3 92BHP VISCOUS DRIVE 20"FAN, 1.16, AWS, QT/QH
FRONT END DRIVE STANDARD T3 92BHP VISCOUS DRIVE 20"FAN, 1.25, AWS, QT/QH
FRONT END DRIVE AIRCON T3 92BHP DIRECT DRIVE 20"FAN,1.25, AWS, QNA
FRONT END DRIVE AIRCON T3 92BHP DIRECT DRIVE 20"FAN,1.25, AWS, QT
FRONT END DRIVE AIRCON T3 92BHP VISCOUS DRIVE 20"FAN,1.37, AWS, QH
COOLING FAN 20" DIRECT DRIVE T3 2WS BUILDS
COOLING FAN 20" VISCOUS DRIVE T3 AWS
FUEL PIPES FUEL TANK TO FILTER 2WS & AWS
FUEL PIPES FUEL TANK TO FILTER VIA FUEL LUBRICITY FILTER, AWS T2 & T3
FILTER FUEL SEDIMENT 2WS & AWS (From: , To: M973835)
FILTER FUEL SEDIMENT COLD CLIMATE 2WS & AWS (From: , To: M973835)
FILTER FUEL SEDIMENT 2WS & AWS (From: M973836 , To:)
FILTER ELEMENT FUEL SEDIMENT COLD CLIMATE (From: M973836 , To:)
FILTER FUEL LUBRICITY
EXHAUSTER SERVO BRAKES
SPEED SENSOR LOCK-UP TRANMISSIONS
ENGINE HEATER FUEL/WATER COLD CLIMATE INSTALLATION, STEEL TANK (From: , To: M1349343)
ENGINE HEATER FUEL/WATER COLD CLIMATE INSTALLATION, PLASTIC TANK (From: M1349344 , To:)
ENGINE HEATER WATER & FUEL COLD CLIMATE
OIL LEVEL DIPSTICK & TUBE STANDARD
COMPRESSOR AIR CONDITIONING
ENGINE OIL DRAIN
CCV FILTER OUTLET
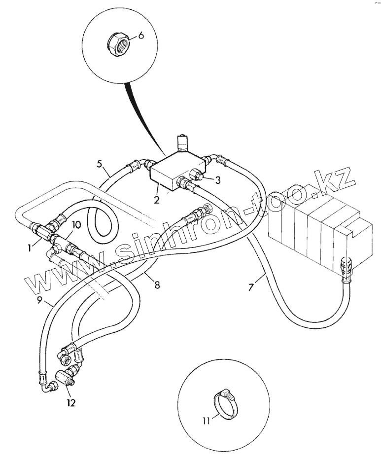
1
2
3
5
6
7
8
9
10
11
12
Позиция на иллюстрации
Заводской номер детали
Название детали
1
816/50032
Adapter Tee
2
Regulatorvalve
Flow regulator valve
3
25/221259
Valve relief
4
Electrics
Electrics
5
615/29500
Hose
6
816/00196
Cap Blanking Steel
7
635/32200
Hose
8
635/30200
Hose
9
611/24700
Hose
10
816/50032
Adapter Tee
11
826/01144
Tie Cable
12
816/50031
Adapter Tee
Содержащиеся в справочниках-каталогах запасные части и детали не предлагаются к продаже, а носят исключительно информационный характер
Дополнительная информация
×
Название:
Номер:
Примечание: