Вернуться на главную
Поиск
Каталоги запчастей к технике
Спецтехника
JCB
JCB-3CX (Часть 2)
RAM, STEERING, 4WD
Каталог запасных частей к технике: JCB-3CX (Часть 2). RAM, STEERING, 4WD
zoom-in
zoom-out
enlarge
shrink
circle-right
circle-left
file-text2
info
cart
Тип техники
Не выбрано
Легковые автомобили
Грузовые автомобили и прицепы
Автобусы
Сельхозтехника
Спецтехника
Двигатели
Мототехника
Марка
Не выбрано
Ammann
BOMAG
CARMIX
CASE IH
Changlin
ChengGong
Dimex
Doosan
DYNAPAC
Foton
HAMM
Hidromek
Hitachi
Hyundai
JCB
JLG
John Deere
Komatsu
LIEBHERR
LiuGong
Lonking (LongGong)
Luneng
MANITOU
Mitsuber
New Holland
PENGPU
RM-Terex
SANY
SDLG
SEM
Shantui
Shehwa HBXG
Soosan
TIGARBO
VOGELE
Volvo
WAY
WIRTGEN
XCMG
XGMA
Xiamen
YTO
Yuchai
Zoomlion
Автокран
АЗСМ
Алтайлесмаш
Амкодор
АОМЗ
Атек
АТЗ
Балканкар Рекорд
БелАЗ
Беловеж
Борекс
Брянский Арсенал
Булат
ВЭКС
ГАЗ
Геомаш
Гидромаш
Донекс
Дормаш
Дормашина
Дорэлектромаш
ДЭЗ
ЕлАЗ
ЗЗГТ
Ижнефтемаш
Канаш-электрокар
КЗКТ
ККЗ
Клевер
Клинцовский автокрановый завод
КМЗ
КМЗ 1 Мая
Ковровец
Коммаш
Кранэкс
КЭЗ
КЭМЗ
ЛЗА
МАЗ
МЗИК
МЗКМ
МЗКТ
Михневский РМЗ
МоАЗ
Мозырский МЗ
МТЗ
ОЗП
Онежец
ПАО "ТЗА"
ППС Детва
Промтрактор
ПТЗ
Раскат
СпецАгрегат
ТВЭКС
ТТМ
УВЗ
Угличмаш
УЗТМ
ХТЗ
ЧЗКМ
ЧСДМ
ЧТЗ
ЭКСКО
ЭКСМАШ
ЮрМаш
Модель
Не выбрано
4CX (2015)
JCB-3CX (Часть 1) (2015)
JCB-3CX (Часть 1) (2015)
JCB-3CX (Часть 2) (2015)
JCB-3CX (Часть 2) (2015)
JCB-3CX Super (Часть 1) (2015)
JCB-3CX Super (Часть 2) (2015)
VM-115 D/PD (2006)
VM-132D/PD (2006)
VM-146D/PD (2005)
VM-1500-1601100 (2006)
VM-1500-1601300 (2006)
VM-200D/PD (2005)
VM-46D/PD (2006)
VM-75D/PD (2006)
VMТ-270/280 (2005)
VMТ-390/400 (480/500) (2005)
Схема
>
Не выбрано
RINGS HYDRAULIC HOSES
RINGS AIR CONDITIONING SYSTEM
ADAPTOR PLATES BOOM
HOSE AND PIPEWORK LOADER VALVE TO EXC VALVE TO TANK, S/SHIFT MANUAL AND PCH
CIRCUIT, NEUTRAL AUXILIARY LOWFLOW GEAR PUMP
CIRCUIT, HAMMER EXC.VALVE TO K/POST CENTREMOUNT, MANUAL OR PCH
CIRCUIT, LOADER ARM
CIRCUIT, LOADER ARM LIFT RAM, NO SRS HOSE BURST PROTECTION
CIRCUIT, LOADER ARM LIFT RAM, WITH SRS HOSE BURST PROTECTION
CIRCUIT, LOADER ARM SHOVEL RAM HOSE BURST PROTECTION
CIRCUIT, LOADER ARM SHOVEL RAM HOSE BURST PROTECTION
CIRCUIT, AUXILIARY LOADER 2WS (3/8" BSP PIPEWORK)
CIRCUIT, AUXILIARY LOADER 2WS (5/8" BSP PIPEWORK)
CIRCUIT AUXILIARY LOADER LOCKOUT, (3/8"BSP PIPEWORK) (From: , To: M1619363)
CIRCUIT, COOLER TRANSMISSION 2 WHEEL STEER (From: , To: M1338260)
CIRCUIT, COOLER HYDRAULIC OIL 2 WHEEL STEER (From: , To: M1335041)
CIRCUIT, COOLER HYDRAULIC OIL 2 WHEEL STEER (From: M1335042 , To: M1338260)
CIRCUIT, COOLER HYDRAULIC OIL FIELD FIX (From: M0982848 , To: M1335041)
CIRCUIT, COOLERS HYDRAULIC & TRANS 2WS MANUAL TRANSMISSION (From: M1338261 , To: )
CIRCUIT, COOLERS HYDRAULIC & TRANS 2WS P/S & A/S TRANSMISSIONS (From: M1338261 , To: )
CIRCUIT, STEERING 2WS 2WD
CIRCUIT, STEERING PRIORITY VALVE
CIRCUIT, SLEW/SWING 7'4 REAR FRAME
CIRCUIT, SLEW/SWING 7'8 REAR FRAME
CIRCUIT, SLEW/SWING CENTREMOUNT
CIRCUIT, SLEW/SWING CENTREMOUNT
CIRCUIT, STABILISER SIDESHIFT,7'8"FRAME
CIRCUIT, STABILISER SIDESHIFT,7'4"FRAME
CIRCUIT, STABILISER SIDESHIFT,7'8"FRAME WITH HOSE BURST PROTECTION, OPTIONAL
CIRCUIT, STABILISER SIDESHIFT,7'4"FRAME WITH HOSE BURST PROTECTION
CIRCUIT, STABILISER SIDESHIFT,7'4"FRAME WITH HOSE BURST PROTECTION ITALIAN BUILD (From: M0963771)
CIRCUIT, STABILISER CENTREMOUNT
CIRCUIT, BOOM RAM 14'0"
CIRCUIT, DIPPER RAM 14'0" DIPPERS GEAR PUMP
CIRCUIT, BUCKET RAM MONO DIPPER, 14'0"
CIRCUIT, BUCKET RAM EXTRADIG DIPPER 14'0" (From: , To: M1620807)
CIRCUIT, BUCKET RAM EXTRADIG DIPPER 14'0" (From: M1620808 , To: )
CIRCUIT, JAW BUCKET MONO DIPPER 14'
CIRCUIT, EXCAVATOR HAMMER SHUT-OFF VALVES (From: , To: M1618001)
CIRCUIT, HYDRACLAMP (From: , To: M1616771)
CIRCUIT, HYDRACLAMP STICK CONTROLS (From: M1616772 , To: )
CIRCUIT, EXCAVATOR HAMMER SHUT-OFF VALVES (From: M1618002 , To: )
CIRCUIT, EXCAVATOR CHASSIS HOSE GUIDES CENTREMOUNT
CIRCUIT, AUXILIARY HAND HELD TOOLS GEAR PUMP (From: , To: M1344633)
CIRCUIT AUXILIARY HAND HELD TOOLS, GEARPUMP, KIT (From: M1344634 , To:)
CIRCUIT AUXILIARY HAND HELD TOOLS, EXTENDING DIPPER, GEARPUMP, FACTORY FIT (From: M1617630)
CIRCUIT AUXILIARY HAND HELD TOOLS, FIXED DIPPER, GEARPUMP, FACTORY FIT
COOLER, COMBINATION RADIATOR/HYDRAULIC & TRANSMISSION, 2WS (From: , To: M1338260)
COOLER, COMBINATION RADIATOR/HYDRAULIC & TRANSMISSION, NON CHARGED AIR COOLER (From: M1338261)
CIRCUIT, AUXILIARY HAMMER FEED FIXED DIPPER 14' (To: M0981041)
CIRCUIT, AUXILIARY HAMMER FEED, FIXED DIPPER 14' (From: M981042, To: M1332948)
CIRCUIT, AUXILIARY HAMMER FEED EXTN.DIPPER 1400 & 1550,+ SOLENOID VALVE
CIRCUIT, AUXILIARY HAMMER 1" RETURN 14'
CIRCUIT, AUXILIARY BREAKER 3/4" RETURN 14' FIXED DIPPER (From: , To: M1332948)
CIRCUIT, HAMMER CHASSIS RETURN SIDESHIFT, MANUAL OR PCH (From: M1332949 , To:)
CIRCUIT, HAMMER KINGPOST TO HAMMER FIXED DIPPER 14', MANUAL OR PCH (From: M1332949 , To: )
CIRCUIT, HAMMER KINGPOST TO HAMMER EXT DIPPER 14', MANUAL OR PCH
CIRCUIT, HAMMER KINGPOST TO HAMMER EXT DIPPER 15', MANUAL OR PCH
CIRCUIT, HAMMER CHASSIS FEED FIXED DIPPER, SIDESHIFT, MANUAL OR PCH (From: M1332949 , To: )
CIRCUIT, HAMMER CHASSIS FEED EXT DIPPER, SIDESHIFT, MANUAL OR PCH
CIRCUIT, HAMMER DIVERTER VALVE EXT DIPPER, SIDESHIFT, MANUAL OR PCH (From: , To: M1705792)
CIRCUIT, HAMMER DIVERTER VALVE EXT DIPPER, SIDESHIFT, MANUAL OR PCH (From: M1705793 , To: )
CIRCUIT, HAMMER AUXILIARY VALVE EXT DIPPER, SIDESHIFT, MANUAL OR PCH
CIRCUIT, HAMMER AUXILIARY VALVE EXT DIPPER, CENTREMOUNT, MANUAL OR PCH
CIRCUIT, AUX VALVE TO CHANGEOVER VALVE POWERSLIDE, MANUAL OR PCH
CIRCUIT, AUXILIARY BREAKER, 1" RETURN TO TANK, SIDESHIFT, GEAR PUMP (From: , To: M1332948)
CIRCUIT, AUXILIARY BREAKER,HYD.COOLING GEAR PUMP
CIRCUIT, BREAKER MONO DIPPER GEAR PUMP
CIRCUIT, HBCV DIPPER RAM GEAR PUMP
DIPPER RAM PIPEWORK
CIRCUIT, HBCV BOOM RAM GEAR PUMP
CIRCUIT, HBCV BOOM RAM V.FLOW PUMP
BOOM RAM PIPEWORK
BOOM RAM PIPEWORK
CIRCUIT, LOADER LIFT SUSPENSION GEAR PUMP MACHINES
CIRCUIT, LOADER LIFT SUSPENSION GEAR PUMP MACHINES WITH 3 SPOOL & RESET (From: M1618463 , To: )
CIRCUIT, BREAKER EXTRADIG DIPPER SCOTT'S BUILD 5/8"BSP PIPEWORK
CIRCUIT, AUXILIARY EXTENTION RAM BREAKER FEED EXTRADIG DIPPER 1400 SCOTTS
CIRCUIT, AUXILIARY BACKHOE, EXTRADIG QUICKHITCH
CIRCUIT, POWERSLIDE RAM, FIXED DIPPER
HOSE SLEEVING POWERSLIDE
CIRCUIT PRIORITY TO LOADER VALVES, MANUAL OR PCH
CIRCUIT PRIORITY TO AUX. EXC VALVES, MANUAL OR PCH
HOSE AND PIPEWORK POWERSLIDE, EXTENDING DIPPER NO HAMMER
HOSE AND PIPEWORK AUXILIARY FIXED DIPPER 14', BI-DIR
PUMP 33/23 CCR MAIN HYDRAULIC 82 HP BUILDS
PUMP, TRANSMISSION SYNCROSHUTTLE
VALVE-LOADER 2 SPOOL FLOAT GEAR PUMP
VALVE-LOADER 2 SPOOL FLOAT DETAILS, GEAR PUMP (From: M0964125 , To: )
VALVE-LOADER 2 SPOOL FLOAT & RESET GEAR PUMP
VALVE-LOADER 2 SPOOL FLOAT & RESET DETAILS, GEAR PUMP (From: M0964369 , To: )
VALVE-LOADER 3 SPOOL FLOAT & RESET GEAR PUMP (From: , To: M0964129)
VALVE-LOADER 3 SPOOL FLOAT & RESET DETAILS, GEAR PUMP (From: M0964130 , To: M1618462)
VALVE-LOADER 3 SPOOL FLOAT & RESET DETAILS, GEAR PUMP (From: M1618463 , To: )
VALVE-LOADER 3 SPOOL FLOAT GEAR PUMP
VALVE-LOADER 3 SPOOL FLOAT DETAILS, GEAR PUMP (From: M0964129 , To: )
VALVE-LOADER 3 SPOOL FLOAT RESET & DETENT GEAR PUMP (From: M0964369 , To: )
VALVE-LOADER 3 SPOOL FLOAT RESET & DETENT DETAILS, GEAR PUMP (From: M0964369 , To: )
VALVE-LOADER SPOOL MECHANICAL DETENT 2,3 SPOOL LOADER VALVE, GEAR PUMP (From: , To: M964XXX)
VALVE-LOADER SPOOL ELECTRIC DETENT 2,3 SPOOL LOADER VALVE, GEAR PUMP (From: , To: M964XXX)
VALVE-LOADER MAIN RELIEF 2/3 SPOOL GEAR PUMP (From: , To: M0964XXX)
VALVE-LOADER UNLOADER VALVE 2/3 SPOOL GEAR PUMP (From: , To: M0964XXX)
VALVE-LOADER AUXILIARY RELIEF 2/3 SPOOL GEAR PUMP (From: , To: M0964XXX)
VALVE, AUXILIARY BACKHOE, GEAR PUMP POWERED SIDESHIFT & FIXED DIPPER BREAKER
VALVE, AUXILIARY BACKHOE, GEAR PUMP AUXILIARY & EXTRADIG DIPPER BREAKER
VALVE, AUXILIARY COMPONENTS EXCAVATOR, GEAR PUMP, MANUAL OR PCH
VALVE ADAPTERS EXCAVATOR 14' & 15'6"
VALVE-EXCAVATOR WITH SPOOL GAITERS SIDESHIFT 14'0"
VALVE-EXCAVATOR WITHOUT SPOOL GAITER SIDESHIFT 14'0"
VALVE, ROTARY CLAMP EXCAVATOR VALVE SIDESHIFT, GEAR PUMP
VALVE, ROTARY CLAMP EXCAVATOR VALVE SIDESHIFT, GEAR PUMP
VALVE-EXCAVATOR SIDESHIFT, RELIEF
VALVE-EXCAVATOR CENTREMOUNT ADAPTORS
VALVE-EXCAVATOR CENTREMOUNT
VALVE-EXCAVATOR CENTREMOUNT, RELIEF
VALVE-EXCAVATOR CENTREMOUNT
VALVE-EXCAVATOR CENTREMOUNT, RELIEF 25/223012 & 25/223013
FILTER, HYDRAULIC
LUBRICANTS & FILTERS
VALVE, PRIORITY GEAR PUMP
VALVE, STEERING 2WS
VALVE, STEERING 2WS-USA BUILDS 250 LOAD SENSING
VALVE, DIVERTER
VALVE FLOW REGULATOR HAMMER CIRCUIT SPANISH BUILD
VALVE SOLENOID
VALVE SOLENOID, DIVERTER HAMMER
VALVE SOLENOID, DIVERTER POWER SIDESHIFT
VALVE SOLENOID LOCKUP CONVERTER
RAM, LIFT STANDARD 50MM ROD X 80MM CYL (From: , To: 4-MAR-2005)
RAM, LIFT STANDARD 50MM ROD X 80MM CYL
RAM, LIFT STANDARD 50MM ROD X 80MM CYL (From: M1620068 , To: )
RAM, SHOVEL 40MM ROD X 70MM CYL (From: , To: 4-MAR-2005)
RAM, SHOVEL 40MM ROD X 70MM CYL (From: 4-MAR-2005 , To: M1616063)
RAM, SHOVEL 40MM ROD X 70MM CYL (From: M1616064 , To: )
RAM, STEERING, 2WD
RAM, STEERING, 4WD
RAM, CLAMSHOVEL 6 IN 1 673MM PIVOT CENTRES (From: , To: 15-APR-2005)
RAM, CLAMSHOVEL 6 IN 1 673MM PIVOT CENTRES (From: 15-APR-2005 , To: )
RAM, CLAMSHOVEL 6 IN 1 590MM PIVOT CENTRES
RAM, CLAMSHOVEL 6 IN 1 590MM PIVOT CENTRES
RAM, BOOM STANDARD LIFT 110MM CYL X 60MM ROD (From: , To: M1618773)
RAM, BOOM STANDARD LIFT 110MM CYL X 60MM ROD (From: M1618774 , To: )
RAM, BOOM STANDARD LIFT,14'EXC END DAMPED,110MM CYL X 60MM ROD (From: , To: 4-FEB-2005)
RAM, BOOM STANDARD LIFT,14'EXC END DAMPED,110MM CYL X 60MM ROD (From: 4-FEB-2005 , To: M1617835)
RAM, BOOM STANDARD LIFT,14'EXC END DAMPED,110MM CYL X 60MM ROD (From: M1617836 , To: )
RAM, BOOM HEAVY LIFT,14'EXC END DAMPED,120MM CYL X 65MM ROD
RAM, DIPPER 14' STANDARD LIFT 100MM CYL X 60MM ROD
RAM, DIPPER HEAVY LIFT-USA 110MM CYL X 60MM ROD DEEP PROFILE BUCKET
RAM, BUCKET MONO DIPPER 14' (From: , To: M0960417)
RAM, BUCKET MONO DIPPER 14' (From: M0960418 , To: M1346837)
RAM, BUCKET MONO DIPPER 14' (From: M1346838 , To: )
RAM, BUCKET EXTRADIG DIPPER (From: M0963955 , To: M1346859)
RAM BUCKET EXTRADIG DIPPER (From: M1346860 , To: )
RAM, EXTENSION EXTRADIG DIPPER (From: , To: M0960855)
RAM, EXTENSION EXTRADIG DIPPER (From: M0960856 , To: M1345963)
RAM EXTENSION EXTRADIG DIPPER (From: M1345964 , To: )
RAM, STABILISER SIDESHIFT (From: , To: M0967612)
RAM, STABILISER SIDESHIFT (From: M0967613 , To: 15-6-2008)
RAM STABILISER SIDESHIFT
RAM, STABILISER CENTREMOUNT
RAM, STABILISER CENTREMOUNT From: M1617789 , To:
RAM, SLEW/SWING CENTREMOUNT
RAM, SLEW/SWING SIDESHIFT
RAM, JAW BUCKET
RAM, QUICKHITCH
RAM, QUICKHITCH SHOVEL
RAM POWERED SIDESHIFT 7'4" REARFRAME
RAM POWERED SIDESHIFT 7'8" REARFRAME
RAM, QUICKHITCH ATTACHMENT
AXLE LOCKSTOPS
AXLE ASSEMBLY, 2WS 4WD STEERING 448/42400, 448/55000
KNUCKLE, 2WS 4WD STEERING AXLE 35KPH 448/42400, 448/55000
HUB & COMPONENTS 2WS 4WD STEERING AXLE 448/42400, 448/55000
DIFFERENTIAL, 2WS 4WD STEERING AXLE 448/42400, 448/55000
AXLE PIVOT PIN & GREASING 2WS, 2WD/4WD
AXLE ASSEMBLY, 2WS 4WD STEERING 448/57390 20" FRONT TYRES
KNUCKLE, 2WS 4WD STEERING AXLE 35KPH 448/57390
HUB & COMPONENTS 2WS 4WD STEERING AXLE 448/57390
DIFFERENTIAL, 2WS 4WD STEERING AXLE 448/57390
AXLE ASSEMBLY, 2WS 4WD STEERING 448/57400
KNUCKLE, 2WS 4WD STEERING AXLE 30KPH & 40KPH 448/57400
HUB & COMPONENTS 2WS 4WD STEERING AXLE 448/57400
DIFFERENTIAL, 2WS 4WD STEERING AXLE 448/57400
AXLE ASSEMBLY, 2WS 4WD STEERING 15.785:1 RATIO 448/57470 & 448/57480
KNUCKLE, 2WS 4WD STEERING AXLE 15.785:1 RATIO 448/57470 & 448/57480
HUB & COMPONENTS 2WS 4WD STEERING AXLE 15.785:1 RATIO 448/57470 & 448/57480
DIFFERENTIAL, 2WS 4WD STEERING AXLE 15.785:1 RATIO 448/57470 & 448/57480
AXLE ASSEMBLY, 2WS 4WD STEERING 15.785:1 RATIO 448/57510
KNUCKLE, 2WS 4WD STEERING AXLE 15.785:1 RATIO 448/57510
HUB & COMPONENTS 2WS 4WD STEERING AXLE 15.785:1 RATIO 448/57510
DIFFERENTIAL, 2WS 4WD STEERING AXLE 15.785:1 RATIO 448/57510
AXLE ASSEMBLY, 2WS 2WD STEERING
POWER TRACKROD 2WS, 4WD
448/57990, 2WS, 4WD STEER AXLE ASSY 14.123:1
448/57999 WHEEL HUB, 448/42600
448/57999 WHEEL HUB, 448/42700
448/57999 DRIVEHEAD
448/57990 DIFFERENTIAL ASSY 458/10723
AXLE LOCKSTOPS
450/44530 PD70 PAD MOUNT AXLE 15.78:1 REVERSE LSD
450/44560 PD70 PAD MOUNT AXLE 13.708:1 REVERSE LSD
450/44570 PD70 PAD MOUNT AXLE 18.16:1 REVERSE LSD, AUSTRIA
450/44580 PD70 PAD MOUNT AXLE 13.7:1 REVERSE MAXTRAC
450/44590 PD70 PAD MOUNT AXLE 13.708:1 REVERSE LSD
450/44600 PD70 PAD MOUNT AXLE 13.7:1 REVERSE MAXTRAC
450/44610 PD80 PAD MOUNT AXLE 13.708:1 REVERSE LSD
450/44620 PD80 PAD MOUNT AXLE 13.708:1 REVERSE MAXTRAC
450/44630 PD80 PAD MOUNT AXLE 13.708:1 REVERSE LSD
450/44640 PD80 PAD MOUNT AXLE 13.708:1 REVERSE MAXTRAC
450/44820 PD70 PAD MOUNT AXLE 15.78:1 REVERSE MAXTRAC, HAYES
450/44790 PD70 PAD MOUNT AXLE 15.78:1 REVERSE MAXTRAC, HAYES
450/44800 PD70 PAD MOUNT AXLE 15.78:1 REVERSE LSD, HAYES
450/44810 PD70 PAD MOUNT AXLE 15.78:1 REVERSE LSD, HAYES
450/44830, PRIMER PD70 PAD MOUNT AXLE 15.78:1 REVERSE MXTC HAYES
450/44840 PD70 PAD MOUNT AXLE 13.708:1 REVERSE LSD, HAYES
450/44860 PD70 PAD MOUNT AXLE 13.7:1 REVERSE MAXTRAC, HAYES
458/10978 AXLE ARM & HUB ASSY
458/10979 AXLE ARM & HUB ASSY
458/10980 AXLE ARM & HUB ASSY
458/10981 AXLE ARM & HUB ASSY
458/10742 AXLE ARM & HUB ASSY
458/10765 AXLE ARM & HUB ASSY
458/M4516 AXLE ARM & HUB ASSY
458/10941 DRIVEHEAD ASSEMBLY
458/10947 DRIVEHEAD ASSEMBLY
458/10942 DRIVEHEAD ASSEMBLY
458/10946 DRIVEHEAD ASSEMBLY
458/10950 DRIVEHEAD ASSEMBLY
458/10951 DRIVEHEAD ASSEMBLY
458/11066 DRIVEHEAD ASSEMBLY
458/11067 DRIVEHEAD ASSEMBLY
458/11086 DRIVEHEAD ASSEMBLY
458/11102 DRIVEHEAD ASSEMBLY
458/11194 DRIVEHEAD ASSEMBLY
458/11193 DRIVEHEAD ASSEMBLY
458/11217 DRIVEHEAD ASSEMBLY
458/11212 DRIVEHEAD ASSEMBLY
458/11213 DRIVEHEAD ASSEMBLY
458/11224 DRIVEHEAD ASSEMBLY
458/11181 DRIVEHEAD ASSEMBLY
458/11182 DRIVEHEAD ASSEMBLY
450/10900 DIFFERENTIAL ASSY
450/26310 DIFFERENTIAL ASSY
AXLE BREATHER REMOTE
PROPSHAFT TRANS. / FRONT AXLE SYNCHROSHUTTLE TRANSMISSIONS
PROPSHAFT TRANS. / FRONT AXLE ALL LUC & AWS AUTOSHIFT TRANSMISSIONS
PROPSHAFT TRANS. / REAR AXLE SYNCROSHUTTLE
PROPSHAFT TRANS. / REAR AXLE 4 SPEED POWERSHIFT
PROPSHAFT TRANS. / REAR AXLE 6 SPEED AUTOSHIFT
PROPSHAFT TRANS. / REAR AXLE 6 SPEED LUC AUTOSHIFT
PROPSHAFT TRANS. / REAR AXLE SYNCROSHUTTLE, CENTREMOUNT
WHEEL & TYRE ASSEMBLY FRONT, 2WS 2WD 11.0X16
WHEEL & TYRE ASSEMBLY FRONT, 2WS 2WD 11LX16
WHEEL & TYRE ASSEMBLY FRONT, 2WS 2WD 12.5X18
WHEEL & TYRE ASSEMBLY FRONT, 2WS 4WD 14X17.5
WHEEL & TYRE ASSEMBLY FRONT, 2WS 4WD 12.5X20
WHEEL & TYRE ASSEMBLY FRONT, 2WS 4WD 12.5X18
WHEEL & TYRE ASSEMBLY FRONT, 2WS 4WD 335/80 X 18
WHEEL & TYRE ASSEMBLY FRONT, 2WS 4WD XM27 & XM37
WHEEL & TYRE ASSEMBLY FRONT, 2WS 4WD 12.5X18
WHEEL & TYRE ASSEMBLY FRONT, 2WS 4WD 400/70X18
WHEEL & TYRE ASSEMBLY FRONT, 2WS 4WD 340/80X18
WHEEL & TYRE ASSEMBLY FRONT, 2WS 4WD 16.0/70X20
WHEEL & TYRE ASSEMBLY FRONT, 2WS 4WD 400/70R20
WHEEL & TYRE ASSEMBLY FRONT, 2WS 4WD 405/70R20
WHEEL & TYRE ASSEMBLY REAR, 2WS 16.9X24
WHEEL & TYRE ASSEMBLY REAR, 2WS 19.5LX24
WHEEL & TYRE ASSEMBLY REAR, 2WS 18.4 X 26
WHEEL & TYRE ASSEMBLY REAR, 2WS 16.9X28
WHEEL & TYRE ASSEMBLY REAR, 2WS 18.4X30
WHEEL & TYRE ASSEMBLY REAR, 2WS 21LX24
WHEEL & TYRE ASSEMBLY REAR, 2WS 480/80X26
WHEEL & TYRE ASSEMBLY REAR, 2WS 440/80X28
WHEEL & TYRE ASSEMBLY REAR, 2WS 480/80R26
WHEEL & TYRE ASSEMBLY, SS6632 REAR, 2WS 18.4X30
WHEEL & TYRE ASSEMBLY 19.5LR28 XM27 & 500/70 R28 IT520
WHEEL & TYRE ASSEMBLY, REAR, 2WS 16.9XR28 XM37
MOUNTING BRACKET SYNCROSHUTTLE MANUAL
MOUNTING TRANSMISSION TO ENGINE
DIPSTICK & FILLER SYNCHROSHUTTLE MANUAL, TIER 2
DIPSTICK & FILLER SYNCHROSHUTTLE MANUAL
TORQUE CONVERTER 84 HP ENGINES W300 3.01 RATIO
441/00670 - 4WD-2WS TRANSMISSION ASSY SYNCROSHUTTLE
441/00670 - 4WD-2WS EXTERNAL COMPONENTS
441/00670 - 4WD-2WS INTERNAL COMPONENTS
441/00670 - 4WD-2WS REVERSER UNIT 459/10097
441/00670 - 4WD-2WS 4WD CLUTCH ASSEMBLY 459/10119
441/00670 - 4WD-2WS GEAR CHANGE
F530-10-6 GEARLEVER TURRET 459/10143/6
441/00740 - 2WD-2WS TRANSMISSION ASSY EXTERNAL COMPONENTS
441/00740 - 2WD-2WS INTERNAL COMPONENTS
441/00740 - 2WD-2WS REVERSER UNIT 459/10097
441/00740 - 2WD-2WS GEAR CHANGE
GEARLEVER TURRET 459/10143/6
441/00680 - 4WD-2WS TRANSMISSION ASSY SYNCROSHUTTLE
441/00680 - 4WD-2WS EXTERNAL COMPONENTS
441/00680 - 4WD-2WS INTERNAL COMPONENTS
441/00680 - 4WD-2WS REVERSER UNIT 459/10097
441/00680 - 4WD-2WS 4WD CLUTCH ASSEMBLY 459/10119
441/00680 - 4WD-2WS GEAR CHANGE
GEARLEVER TURRET 459/10143/6
441/00690 - 4WD-2WS TRANSMISSION ASSY SYNCROSHUTTLE
441/00690 - 4WD-2WS COMMON COMPONENTS 460/00230
441/00690 - 4WD-2WS REVERSER UNIT 459/10097
441/00690 - 4WD-2WS GEAR CHANGE TURRET 459/10143
GEARLEVER TURRET 459/10143/6
441/00690 - 4WD-2WS CLUTCH, 4WD 459/10119
PUMP & DRIVESHAFT SYNCROSHUTTLE GEARPUMP MACHINES
BRAKE, SYSTEM SERVO
BRAKE, PARKING SYNCROSHUTTLE
BRAKE, SERVO
DRIVE DISCONNECT ICELANDIC OPTION
320/40004 ENGINE 84 BHP T2
320/40214 ENGINE 84 BHP T3
320/40125 ENGINE 92 BHP T3
320/40123 ENGINE 100 BHP T3, SEE CATALOGUE 9812/2350
ENGINE MOUNTINGS 2WS
FILTER, AIR 2WS & AWS, TIER 2 (From: , To: M1331875)
FILTER, AIR 2WS & AWS, TIER 2 (From: M1331876 , To:)
FILTER, AIR 2WS & AWS, TIER 3
AIR INDUCTION HOSES 2WS NAT/ASP T2
AIR INDUCTION HOSES 2WS TURBO T3
SILENCER & EXTENSION 2WS NAT/ASP, T2 (From: , To: M962757)
SILENCER & EXTENSION 2WS NAT/ASP, T2 (From: M962758 , To: )
SILENCER & EXTENSION 2WS & AWS TURBO, T2 92/100BHP (From: , To: M964925)
SILENCER & EXTENSION 2WS & AWS TURBO, T2 92/100BHP (From: M964926 , To: M967723)
SILENCER & EXTENSION 2WS & AWS TURBO, T2 92/100BHP (From: M967724 , To: )
SILENCER & EXTENSION TURBO TIER 3
SILENCER & EXTENSION 2WS & AWS TURBO, MT3 92/100BHP
RADIATOR FITTINGS & MOUNTINGS 2WS (From: , To: M963678)
RADIATOR FITTINGS & MOUNTINGS 2WS (From: M963679 , To: M967723)
RADIATOR FITTINGS & MOUNTINGS 2WS (From: M967724 , To: )
FAN GUARD 2WS (From: , To: M965200)
FAN GUARD 2WS (From: M965201 , To:)
RADIATOR FITTINGS & MOUNTINGS 2WS TIER 3
RADIATOR FITTINGS & MOUNTINGS 2WS TIER 3 CHARGE AIR COOLER BUILDS
FAN GUARD 2WS T3
FAN GUARD 2WS T3 CHARGE AIR COOLED
COMBINATION COOLER 2WS ASSEMBLY, T2
COMBINATION COOLER ASSEMBLY, T3 2WS NON CAC
COMBINATION COOLER ASSEMBLY, T3 2WS & AWS
RADIATOR & HOSES 2WS BUILDS T2 (From: , To: M960523)
RADIATOR & HOSES 2WS BUILDS T2 (From: M960524 , To: M967723)
RADIATOR & HOSES 2WS BUILDS T2 (From: M967724 , To: )
RADIATOR & HOSES 2WS 84/92BHP T3
RADIATOR & HOSES 2WS 100BHP T3, CHARGE AIR COOLED BUILDS
CHARGE AIR COOLER & HOSES 2WS T3
COOLING FAN 20" 2WS BUILDS T2 NO Air Conditioning
FRONT END DRIVE ACCESSORY T2 DIRECT DRIVE 20" FAN, 1.00
FRONT END DRIVE ACCESSORY T2 WITH COOLING FAN & AIR CONDITIONING
FRONT END DRIVE ACCESSORY T2 WITH COOLING FAN (From: , To: EU0559705)
FRONT END DRIVE ACCESSORY T2 WITH COOLING FAN (From: EU0559805 , To: )
FRONT END DRIVE ACCESSORY T2 WITH COOLING FAN & AIR CONDITIONING (From: , To: EU0559705)
FRONT END DRIVE ACCESSORY T2 WITH COOLING FAN & AIR CONDITIONING (From: EU0559805, To: )
FRONT END DRIVE ACCESSORY T2 WITH COOLING FAN
FRONT END DRIVE ACCESSORY T2 WITH COOLING FAN & AIR CONDITIONING (From: , To: EU0559705)
FRONT END DRIVE ACCESSORY T2 WITH COOLING FAN & AIR CONDITIONING (From: EU0559805 , To: )
FRONT END DRIVE ACCESSORY T2 WITH COOLING FAN & AIR CONDITIONING
LOWER IDLER PULLEY SMALL
LOWER IDLER PULLEY LARGE
COOLING FAN 20" VISCOUS DRIVE T2 2WS & AWS
COOLING FAN 20" VISCOUS DRIVE T2 2WS & AWS
FRONT END DRIVE STANDARD T3 84/92BHP DIRECT DRIVE 20"FAN, 1.00, 2WS, QNA
FRONT END DRIVE STANDARD T3 92BHP DIRECT DRIVE 20"FAN, 1.16, 2WS, QNA
FRONT END DRIVE STANDARD T3 100BHP DIRECT DRIVE 21"FAN, 1.16, 2WS, CAC, QNA
FRONT END DRIVE STANDARD T3 84/92BHP VISCOUS DRIVE 20"FAN, 1.16, 2WS, QT/QH
FRONT END DRIVE STANDARD T3 92BHP VISCOUS DRIVE 20"FAN, 1.25, 2WS, QT/QH
FRONT END DRIVE STANDARD T3 100BHP DIRECT DRIVE 21"FAN,1.16, 2WS, CAC,QT/QH
FRONT END DRIVE AIRCON T3 84BHP DIRECT DRIVE 20"FAN,1.16, 2WS, QNA
FRONT END DRIVE AIRCON T3 92BHP DIRECT DRIVE 20"FAN,1.25, 2WS, QNA
FRONT END DRIVE AIRCON T3 100BHP DIRECT DRIVE 21"FAN,1.16, 2WS, QNA
FRONT END DRIVE AIRCON T3 84BHP VISCOUS DRIVE 20"FAN,1.16, 2WS, QT
FRONT END DRIVE AIRCON T3 84/92BHP VISCOUS DRIVE 20"FAN,1.25, 2WS, QH/QT
FRONT END DRIVE AIRCON T3 92BHP VISCOUS DRIVE 20"FAN,1.37, 2WS, QH
FRONT END DRIVE AIRCON T3 100BHP VISCOUS DRIVE 21"FAN,1.16, AWS, CAC, QNA
FRONT END DRIVE AIRCON T3 92BHP VISCOUS DRIVE 20"FAN,1.37, AWS, QH
COOLING FAN 20" DIRECT DRIVE T3 2WS BUILDS
COOLING FAN 21" DIRECT DRIVE T3 2WS BUILDS
COOLING FAN 20" VISCOUS DRIVE T3 AWS
COOLING FAN 21" VISCOUS DRIVE T3 AWS
FUEL PIPES FUEL TANK TO FILTER 2WS & AWS
FUEL PIPES FUEL TANK TO FILTER VIA FUEL LUBRICITY FILTER, 2WS T2
FILTER FUEL SEDIMENT 2WS & AWS (From: , To: M973835)
FILTER FUEL SEDIMENT COLD CLIMATE 2WS & AWS (From: , To: M973835)
FILTER FUEL SEDIMENT 2WS & AWS (From: M973836 , To:)
FILTER ELEMENT FUEL SEDIMENT COLD CLIMATE (From: M973836 , To:)
FILTER FUEL LUBRICITY
EXHAUSTER SERVO BRAKES
ENGINE HEATER FUEL/WATER COLD CLIMATE INSTALLATION, STEEL TANK (From: , To: M1349343)
ENGINE HEATER FUEL/WATER COLD CLIMATE INSTALLATION, PLASTIC TANK (From: M1349344 , To: )
ENGINE HEATER WATER & FUEL COLD CLIMATE
OIL LEVEL DIPSTICK & TUBE STANDARD
COMPRESSOR AIR CONDITIONING
ENGINE OIL DRAIN
CCV FILTER OUTLET
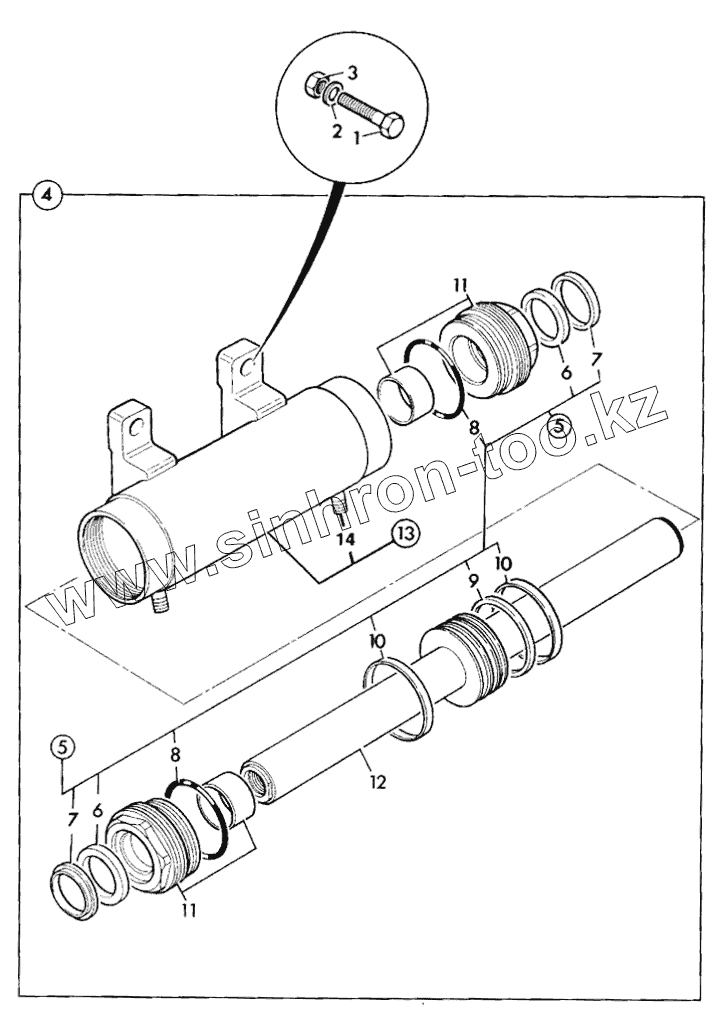
1
1
2
2
3
4
4
4
4
5
5
6
6
7
7
8
8
9
10
10
11
11
12
13
Позиция на иллюстрации
Заводской номер детали
Название детали
1
1316/3821Z
Bolt Hex.
1
1315/3818Z
Bolt
2
1420/0012Z
Washer
2
1422/0012D
Washer Hard
3
NF
Not fitted
4
573/10001
Ram power track rod 2ws 4wd
4
573/10061
Ram Steer Black
4
573/10003
Ram steer power trackrod
4
573/10061
Ram Steer Black
5
991/00156
Kit-seal power track rod ram
6
2411/0605
Seal gland
7
2411/8705
Seal wiper
8
2302/0307
O-Ring
9
2411/1132
Seal piston head
10
2411/7975
Ring wear
11
594/14074
Kit-end cap
12
590/40208
Rod piston
13
573/20001
Cylinder power track rod
Содержащиеся в справочниках-каталогах запасные части и детали не предлагаются к продаже, а носят исключительно информационный характер
Дополнительная информация
×
Название:
Номер:
Примечание: