Вернуться на главную
Поиск
Каталоги запчастей к технике
Спецтехника
JCB
JCB-3CX (Часть 1)
ALARM, REVERSE INSTALLATION OPTIONAL
Каталог запасных частей к технике: JCB-3CX (Часть 1). ALARM, REVERSE INSTALLATION OPTIONAL
zoom-in
zoom-out
enlarge
shrink
circle-right
circle-left
file-text2
info
cart
Тип техники
Не выбрано
Легковые автомобили
Грузовые автомобили и прицепы
Автобусы
Сельхозтехника
Спецтехника
Двигатели
Мототехника
Марка
Не выбрано
Ammann
BOMAG
CARMIX
CASE IH
Changlin
ChengGong
Dimex
Doosan
DYNAPAC
Foton
HAMM
Hidromek
Hitachi
Hyundai
JCB
JLG
John Deere
Komatsu
LIEBHERR
LiuGong
Lonking (LongGong)
Luneng
MANITOU
Mitsuber
New Holland
PENGPU
RM-Terex
SANY
SDLG
SEM
Shantui
Shehwa HBXG
Soosan
TIGARBO
VOGELE
Volvo
WAY
WIRTGEN
XCMG
XGMA
Xiamen
YTO
Yuchai
Zoomlion
Автокран
АЗСМ
Алтайлесмаш
Амкодор
АОМЗ
Атек
АТЗ
Балканкар Рекорд
БелАЗ
Беловеж
Борекс
Брянский Арсенал
Булат
ВЭКС
ГАЗ
Геомаш
Гидромаш
Донекс
Дормаш
Дормашина
Дорэлектромаш
ДЭЗ
ЕлАЗ
ЗЗГТ
Ижнефтемаш
Канаш-электрокар
КЗКТ
ККЗ
Клевер
Клинцовский автокрановый завод
КМЗ
КМЗ 1 Мая
Ковровец
Коммаш
Кранэкс
КЭЗ
КЭМЗ
ЛЗА
МАЗ
МЗИК
МЗКМ
МЗКТ
Михневский РМЗ
МоАЗ
Мозырский МЗ
МТЗ
ОЗП
Онежец
ПАО "ТЗА"
ППС Детва
Промтрактор
ПТЗ
Раскат
СпецАгрегат
ТВЭКС
ТТМ
УВЗ
Угличмаш
УЗТМ
ХТЗ
ЧЗКМ
ЧСДМ
ЧТЗ
ЭКСКО
ЭКСМАШ
ЮрМаш
Модель
Не выбрано
4CX (2015)
JCB-3CX (Часть 1) (2015)
JCB-3CX (Часть 1) (2015)
JCB-3CX (Часть 2) (2015)
JCB-3CX (Часть 2) (2015)
JCB-3CX Super (Часть 1) (2015)
JCB-3CX Super (Часть 2) (2015)
VM-115 D/PD (2006)
VM-132D/PD (2006)
VM-146D/PD (2005)
VM-1500-1601100 (2006)
VM-1500-1601300 (2006)
VM-200D/PD (2005)
VM-46D/PD (2006)
VM-75D/PD (2006)
VMТ-270/280 (2005)
VMТ-390/400 (480/500) (2005)
Схема
>
Не выбрано
SHOVEL, G.P 1.3M3 2438MM (8'0dm) WIDE
SHOVEL, G.P 1.1M3 2350MM (7'8.5dm) WIDE
SHOVEL, G.P 1.3M3 2350MM (7'8.5dm) WIDE HEAVY DUTY
SHOVEL, G.P 1.1M3 2350MM (7'8.5dm) WIDE GERMAN
SKID PLATE G.P SHOVEL REPLACEMENT SCHEME
SHOVEL, G.P 1.0M3 2253MM (7'4dm) WIDE
SHOVEL, G.P 1.1M3 2350MM (7'8.5dm) WIDE QUICKHITCH
SHOVEL, G.P 1.2M3 8' WIDE TOOL CARRIER
SHOVEL, CLAM, 6 IN 1 2350MM (7'8.5dm) WIDE 1.0M3 (To: M1617693)
SHOVEL, CLAM, 6 IN 1 2350MM (7'8.5dm) WIDE 1.0M3 GERMAN (To: M1620242)
SHOVEL, CLAM, 6 IN 1 2235MM (7'4dm) WIDE (To: M1617591)
SHOVEL, CLAM, 6 IN 1 2450MM (8'0dm) WIDE QUICKHITCH (To: M1617776)
SHOVEL, CLAM, 6 IN 1 2350MM (7'8.5dm) WIDE QUICKHITCH (To: M1617591)
SHOVEL, CLAM, 6 IN 1 2350MM (7'8.5dm) WIDE TOOL CARRIER (5/8 BSP PIPEWORK) (To: M1618533)
SHOVEL, CLAM, 6 IN 1 2450MM (8'0dm) WIDE 1.3M3 (To: M1619744)
SWEEPER CANOPY SHROUD ASSEMBLY
SWEEPER DRIVE/BRUSH ASSEMBLY
SWEEPER HYDRAULIC CIRCUIT
SWEEPER MOUNTING FRAME
SWEEPER CANOPY SHROUD ASSEMBLY
SWEEPER COLLECTOR BRUSH CORE ASSEMBLY
SWEEPER COLLECTOR HYDRAULIC CIRCUIT GUTTER BRUSH OPTION
SWEEPER COLLECTOR HYDRAULIC CIRCUIT GUTTER BRUSH OPTION
SWEEPER COLLECTOR GUTTER BRUSH
SWEEPER COLLECTOR SPRINKLER ASSEMBLY
SWEEPER COLLECTOR MOUNTING FRAME
SWEEPER COLLECTOR DECAL
CLAMSHOVEL 6 IN 1 1.2M3 X 92dm, QUICKHITCH (From: M1619749)
CLAMSHOVEL 6 IN 1 CLAM, 1.2M3 X 92dm, QUICKHITCH (From: M1619749)
CLAMSHOVEL 6 IN 1 1.0M3 X 88dm (From: M1617592)
CLAMSHOVEL 6 IN 1 CLAM, 1.0M3 X 88dm (From: M1617592)
CLAMSHOVEL 6 IN 1 1.2M3 X 92dm (From: M1617561)
CLAMSHOVEL 6 IN 1 CLAM, 1.2M3 X 92dm (From: M1617561)
CLAMSHOVEL 6 IN 1 1.0M3 X 92dm, TOOL CARRIER (From: M1618234)
CLAMSHOVEL 6 IN 1 CLAM, 1.0M3 X 92dm, TOOL CARRIER (From: M1618234)
CLAMSHOVEL 6 IN 1 1.3M3 X 96dm, QUICKHITCH (From: M1618048)
CLAMSHOVEL 6 IN 1 CLAM, 1.3M3 X 96dm, QUICKHITCH (From: M1618048)
CLAMSHOVEL 6 IN 1 1.0M3 X 92dm (From: M1617693)
CLAMSHOVEL 6 IN 1 CLAM, 1.0M3 X 92dm (From: M1617693)
CLAMSHOVEL 6 IN 1 1.0M3 X 92dm, QUICKHITCH (From: M1617894)
CLAMSHOVEL 6 IN 1 CLAM, 1.0M3 X 92dm QUICKHITCH (From: M1617894)
CLAMSHOVEL 6 IN 1 1.0M3 X 92dm, GERMAN (From: M1620243)
CLAMSHOVEL 6 IN 1 CLAM, 1.0M3 X 92dm, GERMAN (From: M1620243)
CLAMSHOVEL 6 IN 1 1.3M3 X 96dm (From: M1619745 )
CLAMSHOVEL 6 IN 1 CLAM, 1.3M3 X 96dm (From: M1619745)
CLAMSHOVEL 6 IN 1 1.2M3 X 92dm, GERMAN
CLAMSHOVEL 6 IN 1 CLAM, 1.2M3 X 92dm, GERMAN
FORK MOUNTING, 1.0M3 (From: M1617592)
FORK MOUNTING, 1.0M3, GERMAN (From: M1620243)
FORK MOUNTING, 1.2M3 & 1.3M3 (From: M1617561)
FORK MOUNTING, 1.2M3 GERMAN
CLAMSHOVEL 6 IN 1 NO FORKS FITTED (From: M1617561)
SHOVEL CONNECTORS PINS & HOSES TO LOADER ARMS
SHOVEL CONNECTORS PINS & HOSES TO LOADER ARMS GERMAN BUILDS
BUCKET STANDARD (from: Dec 2005)
BUCKET GENERAL PURPOSE BOLT ON TEETH
BUCKET HEAVY DUTY WELD ON TEETH
BUCKET, HEAVY DUTY SPANISH BUILD (from: Dec 2005)
BUCKET HEAVY DUTY (from: Dec 2005)
BUCKET HEAVY DUTY BOLT ON TEETH
BUCKET DEEP PROFILE BOLT ON TEETH
ATTACHMENTS, BACKHOE RIPPER TOOTH & TAPERED DITCHING BUCKET
BLADE, GRADING 5'
BLADE, GRADING 6'
BUCKET HEAVY DUTY SPAIN WELDED TEETH 9 INCH (from: Dec 2005)
BUCKET HEAVY DUTY SPAIN BOLTED TEETH 9 INCH (from: Dec 2005)
BUCKET, 500MM HD BOLT ON TEETH (from: Dec 2005)
FORK LIFT 6 IN 1 CLAM SHOVEL MOUNTED 1.0M3
FORK LIFT GP SHOVEL MOUNTED
GUARD, TOOTH OPTIONAL 2350MM (7'8.5dm) WIDE SHOVELS
GUARD, TOOTH OPTIONAL 2253MM (7'4dm) WIDE SHOVELS
BREAKER, ASSEMBLY HAMMERMASTER 260 MK2 WITH SIDE PLATES
BREAKER, DETAILS HAMMERMASTER 260 MK2
ROCKBREAKER, HM385Q 980/90239
ROCKBREAKER, HM385Q COMPONENTS
CRANE FORK MOUNTED
QUICKHITCH ATTACHMENT,LOADER
TOOL CARRIER HYDRAULIC QUICKHITCH INDUSTRIAL, TOOL CARRIER (From: M1348705)
TOOL CARRIER HYDRAULIC QUICKHITCH INDUSTRIAL, TOOL CARRIER (From: M1348706 )
QUICKHITCH INDUSTRIAL, HYDRAULIC
QUICKHITCH LOCK PINS,COMPATIBLE WITH 128/10679 & 128/10778 ONLY
QUICKHITCH LOADER ELECTRIC/HYDRAULIC C/W FORKS (From: M1621101)
QUICKHITCH LOADER ELECTRIC/HYDRAULIC C/W FORKS (From: M1621102)
TOOTH & TOEPLATE OPTIONS 7'8dm (2350MM WIDE SHOVELS)
TOOTH & TOEPLATE SHOVEL, DOUBLE EDGE
FORK FRAMES & FORKS INDUSTRIAL QUICKHITCH
FORK FRAMES & FORKS INDUSTRIAL 4'6dm, TOOL CARRIER (Q-FIT)
CONCRETE SKIP
SNOW PLOUGH
CIRCUIT PATCH PLANER 400 MK2
PATCH PLANER, 400MK2
PATCH PLANER 400MK2 HYDRAULIC MOTOR
EARTH DRILL
EARTH DRILL, GEARBOX
EARTH DRILL, MOTOR
EARTH DRILL ATTACHMENTS
EARTH DRILL JCB 2150 COMPONENTS
EARTH DRILL ATTACHMENTS LP SERIES
EARTH DRILL ATTACHMENTS DFB SERIES
QUICKHITCH ATTACHMENT BACKHOE
QUICKHITCH ATTACHMENT BACKHOE, HYDRAULIC
QUICKHITCH ATTACHMENT BACKHOE, HYDRAULIC
QUICKHITCH ATTACHMENT, BACKHOE MECHANICAL TO HYDRAULIC CONVERSION
KIT QUICKHITCH MAINFRAME 980/89266
COMPACTOR BACKHOE ATTACHMENT
CIRCUIT, COMPACTOR BACKHOE ATTACHMENT
CUTTER/CRUSHER CM500
BLANKING KIT LIFT HOOK
PUMP, SUBMERSIBLE
CHASSIS SIDESHIFT 2WS (From: M1337962)
CHASSIS SIDESHIFT 2WS, TIER 3 (From: M1337963, M1345549)
CHASSIS SIDESHIFT 2WS (From: M1345550)
CHASSIS CENTREMOUNT 2WS (From: M1337962)
CHASSIS CENTREMOUNT 2WS, TIER 3 (From: M1337963, M1345549)
CHASSIS CENTREMOUNT 2WS (From: M1345550)
TANK, HYDRAULIC
TANK, HYDRAULIC (From: M1616236)
TANK, DIESEL FUEL 150 LITRES (From: M0960345)
TANK, DIESEL FUEL 150 LITRES (From: M0960437, M1345549)
TANK FUEL (From: M1345550)
GUARD FUEL TANK (From: M1345550)
STABILISER SIDESHIFT
STABILISER CENTREMOUNT
GUARD STABILISER RAM CENTREMOUNT
STABILISER WEAR PADS
BONNET ASSEMBLY 2WS (From: M1328630)
BONNET ASSEMBLY 2WS (From: M1328631, M1337962)
BONNET ASSEMBLY 2WS (From: M1337963)
GRILLE, FRONT 2WS (From: M969452)
GRILLE, FRONT 2WS (From: M0969453 M1337962)
GRILLE, FRONT 2WS (From: M1337963)
GRILLE, FRONT 2WS TRAILER IMPACT PROTECTION (From: M1616815 )
STEP, CAB ACCESS (From: M0965112)
STEP, CAB ACCESS (From: M0965113 M1345549)
STEP HYDRAULIC TANK SIDE (From: M1345550 M1616235)
STEP HYDRAULIC TANK SIDE (From: M1616236 )
STEP FUEL TANK (From: M1345550 )
MUDGUARDS, REAR YELLOW (From: M1618293)
MUDGUARDS, REAR YELLOW (From: M1618294 )
MUDGUARDS, REAR BLACK (From: M1918293)
MUDGUARDS, REAR BLACK SIDESHIFT, TEXTURED (From: M1618294 )
MUDGUARDS, REAR BLACK CENTREMOUNT, SMOOTH (From: M1618294 )
MUDGUARDS, FRONT BLACK 2WS, 18dm
MUDGUARDS, FRONT BLACK 2WS, 418MM WIDE, C/W 20dm TYRES
MUDGUARDS, FRONT BLACK 2WS, 343MM WIDE, C/W 20dm TYRES
PADS, STREET STABILISER SIDESHIFT, OPTIONAL
NOISE INSULATION 84HP ONLY
PLATE FILLER, LOADER TOWER
VALVE MOUNTING EXCAVATOR/STABILISER
VALVE MOUNTING LOADER
VALVE MOUNTING LOADER TRAVEL LOCK OPTION GERMAN ITALIAN
TOOLBOX WIDE STEP MOUNTING (From: M0965112)
TOOLBOX WIDE STEP MOUNTING (From: M0965113, M1616235)
TOOLBOX STEP MOUNTING (From: M1616236 )
TOOLBOX SMALL (From: M1347278 )
MUDGUARD EXTENSION (From: M1345549)
MUDGUARD EXTENSION (From: M1345550 )
STONE GUARD HOSE GUIDE SIDESHIFT REARFRAME (From: M1345990)
STONE GUARD HOSE GUIDE SIDESHIFT REARFRAME (From: M1345991 )
STABILISER FOOT RETENTION SIDESHIFT
MOUNTING WHEEL CHOCK
RETAINING STRAPS LOADER END EXCAVATOR END
STEP LOADER ARM 2WS
CAB TWO DOOR (From: M1341487)
CAB TWO DOOR (From: M1341488)
CANOPY (From: M1341487)
CANOPY (From: M1341488)
CAB GLAZING FLAT SIDE WINDOWS
CANOPY GLAZING
DOOR, LEFTHAND SIDE (From: M1346144)
DOOR LEFT SIDE (From: M1346145)
DOOR, RIGHTHAND SIDE (From: M1346144)
DOOR RIGHT SIDE (From: M1346145)
WINDOW, SIDE FLAT GLASS
WINDOW, REAR (From: M1346732)
WINDOW, REAR (From: M01346733)
FLOORMAT CAB BASE
ROOF LINER TWIN SPEAKERS AND INTERIOR LIGHT
SOUNDPROOFING CAB AIR CONDITIONING SERVICE FIELD KIT
UNDER FLOOR DUCTING HEATER
UNDER FLOOR DUCTING (INSULATED)AIR COND.
SEAT, STATIC
SEAT, SUSPENSION
SEAT, SUSPENSION 5000 LB
SEAT, AIR SUSPENSION
WASH/WIPE CANOPY (From: M1617187)
WASH/WIPE FRONT & REAR SCREEN (From: M1617037)
WASH/WIPE CANOPY (From: M1617188)
WASH/WIPE FRONT & REAR SCREEN (From: M1617038)
VISOR,SUN,FOLD DOWN
CAB MOUNTINGS
SEATBELT 3dm OPTION (From: M1616479)
MIRROR EXTERNAL & INTERIOR
CAB FRONT SEAL
CAB REAR VALANCE SIDESHIFT BUILD (From: M1618293)
CAB REAR VALANCE SIDESHIFT BUILD (From: M1618294 )
CAB REAR VALANCE CENTREMOUNT BUILD
COVER,JCB,EXCAVATOR CONTROLS & CUPHOLDER
COVER LOADER CONTROLS FUSE COVER
TRAVEL LOCK LOADER LEVER
STOWAGE BOX
STOWAGE COMPARTMENT ROOF LINER
DIRECT GLAZING REPLACEMENT MATERIAL
COVER VANDAL PROOF INSTRUMENT PANEL (USES IGNITION/DOOR KEY)
COVERS, PIPE AND DOOR KICK STRIP (From: M1618293)
COVERS, PIPE AND DOOR KICK STRIP (From: M1618294)
CAB ROOF, UK & WORLD (From: M1618741)
CAB ROOF INSTALLATION, YELLOW, ROW (From: M1618742)
CAB ROOF YELLOW, ROW (From: M1618742)
CAB ROOF INSTALLATION, BLACK, ROW (From: M1618742 )
CAB ROOF BLACK, ROW (From: M1618742)
CANOPY ROOF INSTALLATION, YELLOW, ROW (From: M1618742 )
CANOPY ROOF YELLOW, ROW (From: M1618742)
CANOPY ROOF INSTALLATION, BLACK, ROW
CANOPY ROOF BLACK, ROW (From: M1618742 )
DOOR STAY
TRIM, B POST COVERS CAB
TRIM, B POST COVERS CANOPY
TRIM C-POST COVERS-FLOOR CANOPY
CAB DOOR LOCKBACK
BLANK PLATES REAR FLOOR
BULKHEAD PLATE CAB/CANOPY ELECTRICS (From: M1335240)
BULKHEAD PLATE CAB/CANOPY ELECTRICS (From: M1335241 M1349884)
BULKHEAD PLATE CAB/CANOPY ELECTRICS (From: M1349885 )
BLANKING PLATE FRONT BULKHEAD (From: May 2006)
ARMS, LOADER (From: M0974436)
ARMS, LOADER (From: M0974437)
ARMS, LOADER INTERLEVER
ARMS, LOADER SHOVEL LINKAGE, 2WS
ARMS, LOADER SHOVEL LINKAGE, 2WS AUSTRIAN, SWISS, ITALIAN
SAFETY STRUT LOADER ARMS
KINGPOST CARRIAGE SIDESHIFT
KINGPOST CARRIAGE SIDESHIFT POWERED SIDESHIFT
SLEW/SWING COMPONENTS SIDESHIFT
KINGPOST-SIDESHIFT 14'0 BACKHOE (From: M0964189)
KINGPOST-SIDESHIFT 14'0 BACKHOE (From: M0984082)
KINGPOST-SIDESHIFT 14'0 BACKHOE (From: M0984083)
BOOM 14' 0
DIPPER (STICK) MONO, 14'
DIPPER (STICK) EXTRADIG, 14'
DIPPER (STICK) EXTRADIG, RATTIGAN
TIPPING LINK STANDARD
TIPPING LINK WITH LIFTING SHACKLE
TIPPING LINK WITH LIFTING HOOK TWO TONNE LIFT
TIPPING LINK WITH LIFTING HOOK (From: M1619250)
TIPPING LINK WITH LIFTING SHACKLE, 5 TON (From: M1619251 )
INSTALLATION BEACON LIGHT MOUNTED ON EXCAVATOR END
BOOM LOCK IN CAB CONTROLS SIDESHIFT
BOOM LOCK IN CAB CONTROLS CENTREMOUNT
KINGPOST, BULKHEAD SIDESHIFT
KINGPOST, BULKHEAD CENTREMOUNT
POWERED SIDESHIFT
SAFETY STRUT BUCKET CROWD RAM
HARNESS CAB/CANOPY MACHINE (From: M1347277)
HARNESS CAB/CANOPY MACHINE (From: M1347278 M1349884)
HARNESS CAB/CANOPY MACHINE (From: M1349885 )
HARNESS SIDE CONSOLE INSTALLATION
HARNESS,STEER COLUMN TELESCOPIC OPTIONAL
BATTERY 12V CARRIER (From: M1337962)
BATTERY 12V CARRIER (From: M1335000)
ISOLATOR SWITCH BATTERY (From: M1330444)
ISOLATOR SWITCH BATTERY (From: M1330445, M1337962)
ISOLATOR SWITCH BATTERY (From: M1337963 )
LIGHT, REAR SIDESHIFT
LIGHT REAR GUARD, CHINA BUILDS
LIGHT REAR CENTREMOUNT, ROW
LIGHT, HEAD, 12.VOLT LEFT HAND DIP, WHITE
LIGHT, HEAD, 12.VOLT RIGHT HAND DIP WHITE
LIGHT, HEAD, 12.VOLT RIGHT HAND DIP AUSTRIAN HOMOLOGATION
LIGHT, HEAD, 12.VOLT RIGHT HAND DIP WHITE WITH SIDE REPEAT, ITALY
MOUNTING, HEAD LIGHT
MOUNTING, HEAD LIGHT
MOUNTING, HEAD LIGHT ITALIAN BUILD GERMAN BUILD
LIGHT, WORKING CAB FRONT
LIGHT, WORKING CAB REAR
LIGHT, NUMBER PLATE SIDESHIFT
LIGHT, NUMBER PLATE SIDESHIFT BREAKER BUILD
LIGHT, REAR FOG SIDESHIFT
LIGHT, REAR FOG DUTCH MACHINES SIDESHIFT
LIGHT, HIGHWAY DIPPER HAZARD
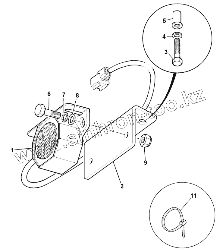
ALARM, REVERSE INSTALLATION OPTIONAL
PUMP, DIESEL REFUELLING OPTIONAL
HORN, SINGLE TONE FRONT
HORN, REAR
MOUNTINGS & SUPPORTS HARNESS
INCLINOMETER LEV-O-GAGE.
DROP-DOWN ALARM SIDESHIFT STABILISER MANDATORY FOR E.U. (From: MARCH 2009 )
DROP-DOWN ALARM CENTREMOUNT MANDATORY FOR E.U. (From: M1347278 )
HARNESS CONNECTORS SUMITOMO
HARNESS CONNECTORS REPAIR IP67 STANDARD
EARTH LEADS
LIGHT, REFLECTOR SIDESHIFT
BOOM LOAD SENSE (From: M1347278 )
SWITCHES & SENDERS
ENGINE SHUT-OFF SOLENOID LINK
STARTER MOTOR 12.VOLT
ALTERNATOR 12VOLT - 95AMP
GRID HEATER RELAY INSTALLATION NATURALLY ASPIRATED (From: M1349884)
GRID HEATER RELAY INSTALLATION TURBO (From: M1349884)
GRID HEATER RELAY INSTALLATION NATURALLY ASPIRATED (From: M1349885 )
GRID HEATER RELAY INSTALLATION TURBO (From: M1349885)
ENGINE IMMOBILISER 12.VOLT, TIER 2 ONLY
ENGINE BLOCK HEATER 120V
ENGINE BLOCK HEATER 240V
GAUGES, INSTRUMENT & IGNITION SWITCH SIDE CONSOLE (From: M1349884)
GAUGES, INSTRUMENT & IGNITION SWITCH SIDE CONSOLE (From: M1349885 )
GAUGE, WARNING LIGHT CLUSTER FRONT CONSOLE 12 VOLT
GAUGE, SPEEDOMETER 0-60KPH, GERMANY & ROW OPTION FOR LUC P/S, & AUTOSHIFT
INSTRUMENT PANEL SIDE CONSOLE CAB BUILD
COVERS STEER CONSOLE HEATER BUILD
COVERS STEER CONSOLE HEATERLESS M/C BUILD
SWITCH, COLUMN SHUTTLE TRANSMISSION
HEATER ASSEMBLY (From: M0982925)
HEATER ASSEMBLY (From: M0982926)
HEATER, INSTALLATION AIR INTAKE
HEATER FEED AND RETURN (From: M0982925)
HEATER FEED AND RETURN (From: M0982926)
AIR CONDITIONING ASSEMBLY (From: M0983102)
AIR CONDITIONING ASSEMBLY (From: M0983103 M1348090)
AIR CONDITIONING ASSEMBLY (From: M1348091 )
AIR CONDITIONING ASSEMBLY AUSTRALIAN MACHINES (From: M1327042)
AIR CONDITIONING ASSEMBLY AUSTRALIAN MACHINES (From: M1327043 M1348090)
SWITCHES, LIGHTS HEATER & WIPER 2WS
FUSE BOX & RELAYS SIDE COVER (From: NOV-2008)
FUSE BOX & RELAYS SIDE COVER (From: NOV-2008)
FUSE BOX & RELAYS FRONT CONSOLE MANUAL TRANSMISSION
MOTOR, WIPER
LIGHT, BEACON HAZARD WARNING AMBER
INSTALATION BEACON LIGHT MOUNTED ON EXCAVATOR END
LIGHT, INTERIOR CAB
RADIO OPTIONAL
SWITCH, JAW/EXTRADIG ATTACHMENT
COVER VANDAL PROOF INSTRUMENT PANEL(USES IGNITION/DOOR KEY)
CIGARETTE LIGHTER / ASHTRAY BLANKING
FAN, FACE LEVEL CANOPY OPTIONAL
AIR CONDITIONING INSTALLATION (From: 7/05/06)
AIR CONDITIONING INSTALLATION (From: 8-5-06 M1337962)
AIR CONDITIONING INSTALLATION, TIER 3 NON CAC (From: M1337963 )
HARNESS HAMMER ATTACHMENT (From: M1332948)
HARNESS AND SWITCHES HAMMER ATTACHMENT CAB REAR FLOOR (From: M1332949 )
FOOT SWITCH HAMMER ATTACHMENT HILOFLOW, GEAR PUMP
FOOT SWITCH HAMMER ATTACHMENT HIFLOW
IMMOBILISER INSTALLATION (From: M1337962)
LIVELINK CAB BUILDS
LIVELINK CANOPY BUILDS
LIVELINK AND IMMOBILISER, CHINA BUILDS
CONTROLS LOADER LIFT & SHOVEL
CONTROLS, LOADER AUXILIARY 3RD SPOOL OPTIONAL. GEAR PUMP
CONTROLS, EXCAVATOR & STABILISER JCBdmXdmDIAGONAL PATTERN GEAR PUMP BUILD
CONTROLS, EXCAVATOR & STABILISER SAE/ISO dm+dm PLUS PATTERN GEAR PUMP BUILD
CONTROLS AUXILIARY VALVE INSTALLATION, OPTIONAL. GEAR PUMP BUILD
CONTROLS AUXILIARY VALVE DETAILS PEDAL AND LINKAGE GEAR PUMP (From: M0960980)
CONTROLS AUXILIARY VALVE PEDAL & LINKAGE, GEAR PUMP MANUAL OR PCH (From: M0960980 )
CONTROL SHOVEL RESET
CONTROLS, LEVER IN CAB BOOM LOCK SIDESHIFT
CONTROLS, LEVER IN CAB BOOM LOCK CENTREMOUNT
CONTROL KNOB LOADER VALVE
CONTROL KNOB LOADER VALVE SINGLE SWITCH
LEVER LOCK + PATTERN EXCAVATOR VALVE ITALIAN BUILD
CONTROL KNOB EXCAVATOR VALVE JCB & SAE PATTERN
CONTROL KNOB EXCAVATOR VALVE ISO PATTERN
CONTROL KNOB EXCAVATOR VALVE BLACK BODY/SILVER TOP
CONTROLS TWIN BRAKE PEDAL WITH PROXIMITY SWITCH
CONTROLS SINGLE BRAKE PEDAL WITH PROXIMITY SWITCH (From: Nov 2005)
CONTROL PARKING BRAKE
CONTROL GEAR CHANGE
THROTTLE CONTROL 2WS & AWS (From: M1707232)
THROTTLE CONTROL 2WS & AWS (From: M1707233 )
THROTTLE PEDAL SERVO BRAKES (From: M1707233 )
STEERING COLUMN TILT
STEERING COLUMN TELESCOPIC OPTIONAL
1
2
2
3
4
6
8
9
11
Позиция на иллюстрации
Заводской номер детали
Название детали
1
717/07700
Alarm Reverse
2
331/27827
Bracket reverse alarm
2
331/34455
Bracket reverse alarm sideshift
3
1315/0205Z
Setscrew
4
1420/0006Z
Washer
6
1315/0205Z
Setscrew
8
1420/0006Z
Washer
9
826/01101
Nut
10
2410/0112
Grommet Std
11
264/34901
Clip Connector
12
721/00475
Harness
Содержащиеся в справочниках-каталогах запасные части и детали не предлагаются к продаже, а носят исключительно информационный характер
Дополнительная информация
×
Название:
Номер:
Примечание: