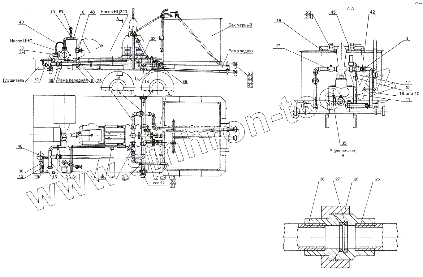
Каталог запасных частей к технике: Ижнефтемаш Установка АНЦ-320. Манифольд
1
1
2
2
3
3
4
5
6
7
8
9
10
11
12
13
14
15
16
17
18
19
20
21
22
23
24
25
25
26
26
27
27
28
29
30
31
32
33
34
35
36
36
37
38
39
40
41
42
43
44
45
46
47
48
48
49
50
51
52
53
| Позиция на иллюстрации | Заводской номер детали | Название детали | |
|---|---|---|---|
| 1 | АФНИ.302231.001-01 | Линия приемная | |
| 1 | АФНИ.302231.001 | Линия приемная | |
| 2 | АФНИ.302334.001-01 | Труба всасывающая | |
| 2 | АФНИ.302334.001 | Труба всасывающая | |
| 3 | ЦА320А.04.07.000 | Верхний узел трубы нагнетательной линии | |
| 3 | АФНИ.302541.011 | Верхний узел трубы нагнетательной линии | |
| 4 | ЦА320А.04.08.000 | Средний узел трубы нагнетательной линии | |
| 5 | АФНИ.302137.001 | Труба | |
| 6 | ЦА320.17.02.000 | Труба нагнетательная | |
| 7 | ЦА320М.17.02.000 | Тройник | |
| 8 | АФНИ.302234.001 | Труба приемная | |
| 9 | ЦА320М.17.28 | Шланг нагнетательный 2'' | |
| 10 | ЦА320М.17.29 | Шланг сброса 2'' | |
| 11 | ЦА320А.17.30А | Шланг всасывающий 4'' | |
| 12 | АФНИ.723414.002 | Скоба | |
| 13 | АФНИ.302511.012 | Труба сброса | |
| 14 | АФНИ.302661.036 | Патрубок | |
| 15 | АФНИ.302466.003 | Труба отопительная | |
| 16 | АФНИ.302221.001 | Труба | |
| 17 | АФНИ.302511.007 | Патрубок | |
| 18 | АФНИ.302661.022 | Патрубок | |
| 19 | НБ80.05.04.000 | Разделитель | |
| 20 | 11Г-22-01 | Кран трехходовый | |
| 21 | АФНИ.305364.003 | Заглушка | |
| 22 | АФНИ.305364.004 | Заглушка | |
| 23 | АФНИ.753155.001 | Заглушка | |
| 24 | АФНИ.305365.006 | Заслонка | |
| 25 | 2АУ.21.002 | Гнездо конуса | |
| 26 | 2АУ.21.003 | Гайка накидная | |
| 27 | 3АУ.01.012 | Уплотнение | |
| 28 | ЦА320А.04.00.001 | Патрубок | |
| 29 | АФНИ.723121.036 | Патрубок | |
| 30 | АФНИ.302661.026 | Патрубок | |
| 31 | ЦА320А.04.00.301 | Прокладка | |
| 32 | АФНИ.754154.018 | Прокладка | |
| 33 | ЦА320А.04.00.301-02 | Прокладка | |
| 34 | ЦА320А.04.05.031-01 | Фланец | |
| 35 | ЦА320А.04.05.032-01 | Фланец | |
| 36 | ЦА320М.12.6 | Конус уплотнения | |
| 37 | ЦА320М.17.30.125 | Гайка накидная | |
| 38 | АФНИ.723181.003 | Рукав | |
| 39 | АФНИ.723181.003-01 | Рукав | |
| 40 | АФНИ.723181.004 | Рукав | |
| 41 | ЦА320М.17.54.14 | Труба | |
| 42 | ЦА320. 75.00.001-07 | Труба | |
| 43 | АФНИ.754175.001 | Кольцо уплотнительное | |
| 44 | АФНИ.746112.040 | Уголок | |
| 45 | АФНИ.758448.003 | Контргайка | |
| 46 | АФНИ.758448.004 | Контргайка | |
| 47 | АФНИ.306121.005 | Кран запорный шаровой 50х70 | |
| 48 | АФНИ.306121.011 | Кран шаровой с сектором 25х70 | |
| 49 | АФНИ.302645.008-01 | Шланг всасывающий 3 | |
| 50 | Муфта 60-Д | Муфта 60-Д | |
| 51 | 15кч 18р Ду50 Ру16 | Вентиль муфтовый 15кч 18р Ду50 Ру16 | |
| 52 | 11Б16к Ду32,Ру6 СТД-875 | Кран пробковый проходной конусный 11Б1бк Ду32,Ру6 СТД-875 | |
| 53 | ОБМ1-100 2,5МПах2,5 | Манометр ОБМ1-100 2,5МПах2,5 |
Содержащиеся в справочниках-каталогах запасные части и детали не предлагаются к продаже, а носят исключительно информационный характер