Каталог запасных частей к технике: Ижнефтемаш ПНШ-80. Редуктор РП-450 ДПКР.301123.001
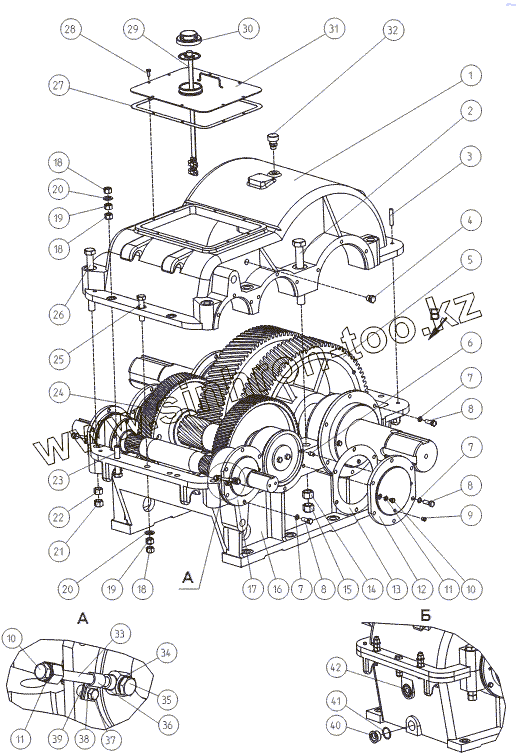
1
2
3
4
5
6
7
7
7
8
8
8
9
10
10
11
11
12
13
14
15
16
17
18
18
18
19
19
20
20
21
22
23
24
25
26
27
28
29
30
31
32
33
34
35
36
37
38
39
40
41
42
| Позиция на иллюстрации | Заводской номер детали | Название детали | |
|---|---|---|---|
| 1 | ДПКР735214.002 | Крышка корпуса | |
| 2 | ДПКР.758121.007 | Болт | |
| 3 | Штифт 16х80 | Штифт 16х80 | |
| 4 | АФНИ.753125.009 | Пробка | |
| 5 | АФНИ.303742.001 | Вал ведомый | |
| 6 | ДПКР.758353.001 | Штифт | |
| 7 | Шайба 16.65Г | Шайба 16.65Г | |
| 8 | Болт М16x45 | Болт М16x45 | |
| 9 | ДПКР.714713.001 | Пробка | |
| 10 | ДПКР.758121.004 | Пробка | |
| 11 | ДПКР754152.001 | Прокладка | |
| 12 | ДПКР.711424.001 | Крышка | |
| 13 | ДПКР744162.001 | Прокладка | |
| 14 | Гайка М36 | Гайка М36 | |
| 15 | Гайка М36 | Гайка М36 | |
| 16 | ДПКР.732151.001 | Корпус | |
| 17 | АФНИ.303766.005 | Вал ведущий | |
| 18 | Гайка М24 | Гайка М24 | |
| 19 | Гайка М24 | Гайка М24 | |
| 20 | Шайба 24 | Шайба 24 | |
| 21 | Гайка М30 | Гайка М30 | |
| 22 | Гайка М30 | Гайка М30 | |
| 23 | ДПКР.758121.010 | Болт | |
| 24 | АФНИ.303744.001 | Вал промежуточный | |
| 25 | Болт М24x110 | Болт М24x110 | |
| 26 | ДПКР.758121.006 | Болт | |
| 27 | ДПКР.754142.001 | Прокладка | |
| 28 | Болт М10x25 | Болт М10x25 | |
| 29 | ДПКР.305449.002 | Устройство масломерное | |
| 30 | ДПКР.725326.002 | Крышка | |
| 31 | ДПКР.305354.001 | Люк | |
| 32 | АФНИ.306577.010 | Отдушина | |
| 33 | АФНИ.302111.001 | Трубопровод | |
| 34 | ДПКР754152.004 | Прокладка | |
| 35 | АФНИ.753125.003 | Штуцер | |
| 36 | АФНИ.745464.005 | Хомут | |
| 37 | Болт 4М8x20 | Болт 4М8x20 | |
| 38 | Шайба 8.65Г | Шайба 8.65Г | |
| 39 | АФНИ.723111.058 | Втулка | |
| 40 | АФНИ.713514.001 | Пробка | |
| 41 | ДПКР754152.001 | Прокладка | |
| 42 | АФНИ.305441.013 | Маслоуказатель визирный |
Содержащиеся в справочниках-каталогах запасные части и детали не предлагаются к продаже, а носят исключительно информационный характер